[ Новые сообщения · Участники · Правила форума · Поиск · RSS ]



  • Страница 1 из 1
  • 1
Модератор форума: renmaster  
SEARCHER 70 DX-073
serglapДата: Пятница, 16.Апр.2021, 10:45 | Сообщение # 1
Стажер
У вас сообщений: 8
техник
OFFлайн
Российская Федерация

Брянск
Аппарат SEARCHER 70 DX-073, при экспозиции начинает мигать "Т4",ошибка , гугл перевод - "во время воздействия ток в трубе становиться менее 1 ма".
Провода прозвонил до головы ,напряжение на "3" и "4" подаётся , питание + 5 и +12 есть ,эксплуатировали установку на максимальном режиме уже давно, т.к. на других режимах нет снимка, белый,совсем белый :) снимок ,вот и сейчас и на этом режиме такой ,нить накала прозвонить никак ,измерения на "5" не производил т.к. это сделал контролер и выдал ошибку ,что описана выше

рентген увидел в первый раз и всё остальное тоже, не техник, техником взяли прямо с улице - по объявлению :) , третий месяц всего
есть ли у кого какие мысли ?

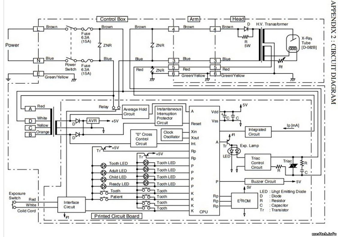
вот откопал как бы схему
2939543.jpg (141.6 Kb)


Сообщение отредактировал serglap - Пятница, 16.Апр.2021, 10:59
 
zxc2007zxcДата: Пятница, 16.Апр.2021, 19:50 | Сообщение # 2
Участник
У вас сообщений: 150
инженер
OFFлайн
Российская Федерация

Вологда
serglap, Скорее всего труба дала дубу, вскройте трубу посмотрите че да как так и накал прозвоните напрямую анод посмотрите состояние трубки вцелом
 
  • Страница 1 из 1
  • 1
Поиск:



Статистика Форума
Последние обновления тем: Новые файлы хранилища: Новые участники: Top10 участников:
1. Анализатор поля зрени...[SpirituS (04.Дек.2025)]
2. Программный комплекс ...[mqubali (04.Дек.2025)]
3. Кардиорегистратор «ИК...[albano18 (04.Дек.2025)]
4. Thermo Scientific gem...[viggen (03.Дек.2025)]
5. Центрифуга CM-6M ф.El...[Ningen64 (03.Дек.2025)]
6. Дефибриллятор Defi B ...[san-che30 (02.Дек.2025)]
7. Коллиматор Ralco R 22...[seeker (02.Дек.2025)]
8. КУПЛЮ/ПРИМУ в дар при...[seabee (02.Дек.2025)]
9. Центрифуга MiniSpin P...[AntonioPetty (01.Дек.2025)]
1. VIVIX Setup Operation...[12.Окт.2025]
2. GenwareMP[10.Сен.2025]
3. Настройка реагентов M...[20.Авг.2025]
4. Philips HD3-EXP[13.Авг.2025]
5. Рентгеновское оборудо...[08.Авг.2025]
6. VersaMed iVent201 Сер...[13.Фев.2025]
7. Гелпик КРД Ренекс РЦ ...[09.Фев.2025]
8. Офтальмологическая ус...[31.Окт.2024]
9. Cardinal-Health-VELA-...[03.Окт.2024]
10. Service Manual HAMILT...[02.Окт.2024]
1. igogoigogo[05.Дек.2025]
2. 1rishka[04.Дек.2025]
3. L_V_N[04.Дек.2025]
4. ИвановИИ[04.Дек.2025]
5. Alex_U[04.Дек.2025]
6. Yarikus03[03.Дек.2025]
7. EvaLen[03.Дек.2025]
8. dankurets[03.Дек.2025]
9. Velis1566[03.Дек.2025]
10. xloaders[03.Дек.2025]
МастерБаку[583]
Yulana34[177]
Serg74[160]
Dimitrius[129]
naves[122]
РОМУЛ[121]
bektyish[121]
madmac[116]
Алекс-200[114]
begun_a[112]