[ Новые сообщения · Участники · Правила форума · Поиск · RSS ]



  • Страница 3 из 3
  • «
  • 1
  • 2
  • 3
Модератор форума: zx19  
Анализатор гематологический MEK 7222
anatolikДата: Понедельник, 02.Дек.2013, 11:23 | Сообщение # 81
Стажер
У вас сообщений: 35
Инженер, врач (анестезиолог)
OFFлайн
Казахстан

Астана
Есть сервис мануал, но там ничего такого нет, да и у Вас он наверное тоже есть, он идет вместе с аппаратом на компакт-диске. Я уже говорил, у меня подходил 7222. Возможно сервис-инженера представителя меняют под себя? Схему гидравлики наверное можно срисовать с ананализатора... Только даст ли она что. Можно выдернуть разъем с платы и подавать поочередно напряжение на клапана на прямую, один раз так делал (когда не знал пароля). Пружинки в клапанах со временем "проседают" и при разборе слегка растягивал (но очень важно не перестараться - слегка). Шприц с водой с подобранным наконечником во все дырки по очереди, при подаче напряжения и при снятии, чтобы нормально открывался при небольшом давлении-разряжении. Обратите внимание, как набирается маленький стаканчик (рядом с пробозаборником). Так на вскидку около 1 мл примерно должно. Если больше или меньше - сильно отражается на подсчете клеток. Хуже всего, если нестабильный объем от раза к разу. Некоторые клапана могут щелкать нормально, но при небольшом разряжении/давлении в линии, что почти всегда имеется, могут открываться с запозданием или вообще залипать. Извините, особо больше ничем помочь не могу, если необходимо, сервис-мануал могу выслать.
 
trend100Дата: Понедельник, 02.Дек.2013, 12:12 | Сообщение # 82
У вас сообщений: 313
лаборатория
OFFлайн


anatolik, Спасибо.Тот бестолковый см у меня имеется,но увы и ах ничего полезного там не нашел....Если не сложно подскажите как осуществляется подача пролизированной 5 литиком разбавленной крови непосредственно в блок с лазером(клапаны и емкости заполняемые).Просто аппарат стоит в 300 км в области и ехать туда совсем уж "на шару" бессмысленно.
 
anatolikДата: Понедельник, 02.Дек.2013, 13:24 | Сообщение # 83
Стажер
У вас сообщений: 35
Инженер, врач (анестезиолог)
OFFлайн
Казахстан

Астана
К сожалению, я с этим анализатором сталкивался давненько и не так уж глубоко. На сколько я помню. При старте анализа, часть забранной крови пробоотборник набирает в этот маленький стаканчик (он спереди, рядом с ним расположен). Предварительно в него уже набирается раствор, около 1 мл. Затем, это содержимое через клапан №12 (если не ошибаюсь, он не как все, просто пережимающий шланг) подается в емкость (название не знаю, сбоку снизу закрытая металлическим хомутом емкость из оргстекла с подогревом, в которую подходят еще штуки 4 трубки), далее из нее сверху подается в небольшую прямоугольную камеру, типа из капрона (в нижний вход). Сверху выходит и подается в лазерный модуль. Если я ошибся с наименованием клапана, естественно и примитивно указал название этих емкостей, то Вы можете просто проследить путь по цвету трубки, отходящей от этого маленького стаканчика - она не прозрачная, силиконовая! Сбоку сверху этой прямоугольной камеры отходит еще одна трубка и уходит вниз, не помню к какому клапану, что-то вроде 14 или рядом с ним.
Что может влиять до входа в лазер.
1. Не наполнение или не правильное наполнение стаканчика - наполняется он с бокового подвода, трубка эта идет до корпусом анализатора рядом с трубкой омывателя пробозаборника (их две всего рядом) от дальних 3-х пластиковых шприцов, средний, если я не ошибаюсь, обратите нет ли в нем много воздуха?Естественно через клапаны (над шприцами 5 шт стоят, через какой не помню).
2. Может забиться эта силиконовая трубка, отходящая от дна стаканчика, сгусток может быть в любом месте, мог образоваться если стаканчик не наполнился, вероятно этим 5 литиком? Со дна стаканчика снимаете трубку, подключаете к шприцу с водой, также снимаете с прямоугольной (капроновой) камеры , например, надавливаете на 12(?) клапан пальцем (разжимаете трубку) и проверяете проходимость (бывало вылетали сгустки).
3. Обратите внимание, вдох боковой трубки сверху в прямоугольную камеру при работе, не "подсасывается" ли воздух (пузырьки). Анализ может быть, может и не быть, могут быть существенные искажения в подсчете, распределении, звездочки... и т. д. Проверьте клапан, который подключен к боковому подводу (внизу, 14 или где-то рядом).
Это было давно, похоже больше и не вспомню ничего.
unknown
 
iiomenДата: Среда, 11.Дек.2013, 15:46 | Сообщение # 84
Участник
У вас сообщений: 75
Инженер
OFFлайн
Российская Федерация

К
Теперь многострадалец выдает ошибку 081 Лазер отключен! shok Все кнопки-ключи включены-повернуты! Кнопка не горит, но при подключении ее к блоку питания на 5ти вольтах начинает светиться! Ограничительный резистор на плате цел! На первом штырьке разъема кнопки у меня (относительно точки ED) 0в, на втором - 12в, третья-четвертая - 0в. Микросхема TD судя по всему работает правильно... shok shok shok ! Видимо что то с управлением (процессором)???? Подскажите в каком направлении двигаться? Может кто нибудь подскажет какие где напряжения посмотреть? Схемы? Кто что сможет! wink
.

Были, кстати, проблемы до этого с блоком питания. Входной электролит (БОЛЬШОЙ) потерял свою ёмкость! Поставил на 33000 мкФ и было счастье! До ошибки 081 ireful
 
stepan220Дата: Четверг, 12.Дек.2013, 18:27 | Сообщение # 85
Стажер
У вас сообщений: 25
сервис инженер
OFFлайн
Беларусь

Минск
Кто нашёл замену трубкам и где? Подскажите! Если секрет - хотя бы в личку.
 
iiomenДата: Понедельник, 23.Дек.2013, 12:50 | Сообщение # 86
Участник
У вас сообщений: 75
Инженер
OFFлайн
Российская Федерация

К
shok теперь ошибка 051-052. Шум по ПЛТ!!!!
Форма гистограммы интересная. Явно помеха по сети.. Было предпринято подключить к аккумулятору. Без измений. Такое ощущение что аппарат в руках разваливается unknown
8435676.png (12.7 Kb)


Сообщение отредактировал iiomen - Вторник, 24.Дек.2013, 10:47
 
Dima0873Дата: Вторник, 04.Мар.2014, 11:27 | Сообщение # 87
Стажер
У вас сообщений: 23
инженер
OFFлайн
Российская Федерация

Екатеринбург
Всем привет! У меня тоже проблема с Мек 7222. Лейкоформулу выдает со звездами и с большим завышением базофилов. Чтобы базофилы были в пределе нормы, калибровочный коэффициент ниже 300. После 5-10 измерений начинает завышать эозинофилы. Проточную кювету помыл, клапана проверил, 5-й литик свежий. Прикладываю фото. Куда дальше копать?
9845902.jpg (256.7 Kb) · 1784815.jpg (258.5 Kb) · 8666345.jpg (154.5 Kb)
 
shmarickДата: Четверг, 13.Мар.2014, 01:51 | Сообщение # 88
Стажер
У вас сообщений: 17
сервис-инженер
OFFлайн
Российская Федерация

dima0873 Привет. Хоть кто-то скеттерограммы выкладывает ;) Вообще на контоминацию похоже, а сколько клеток насчитывает по холостой пробе?

ИгорьPetrovitch, Проба с лизирующим подается под давлением(sample), клетки выравниваются в центре проточки другим давлением(sheath) собственно все 5дифф анализаторы и проточники работают. Соответственно еси выходную трубку скрутить то жидкость должна капать, измерение при этом нормально проходить будет(если всё остальное ок, конечно)


Сообщение отредактировал shmarick - Четверг, 13.Мар.2014, 02:22
 
shmarickДата: Четверг, 13.Мар.2014, 02:34 | Сообщение # 89
Стажер
У вас сообщений: 17
сервис-инженер
OFFлайн
Российская Федерация

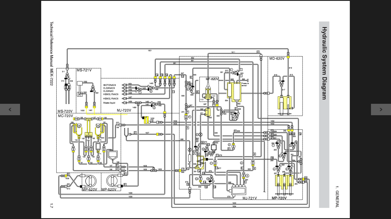
trend100, я бы перепроверил 5 клапан MJ721v.
прилепляю гидравлику
6808844.png (200.5 Kb)
 
nashakurДата: Вторник, 18.Мар.2014, 20:52 | Сообщение # 90
Участник
У вас сообщений: 65
сервис инженер
OFFлайн
Казахстан

Астана
Проверь клапана следующим образом, отсоедини трубки от клапана и шприцом в него или воздухом или жидкостью и из сервиса пробуй открывай и закрывай, шприцом давай давление и наблюдай как через клапан проходит или нет, держит он или нет, если не держит или плохо переключает, попробуй поиграй с пружинкой или подожми ее, таким образом дали прожить клапан как минимум три года, потом пришлось менять, износ мембран и колец, так же посмотри не протекает ли какой нибудь клапан.. вся проблема в них... удачи в поисках
 
Mercuriy86Дата: Вторник, 28.Апр.2015, 09:15 | Сообщение # 91
Стажер
У вас сообщений: 33
Все что непопадя...
OFFлайн
Российская Федерация

Новосибирск
Здравствуйте Господа!!!

Пожалуйста ПОМОЖИТЕ!!! Уже 2 недели бьюсь с 7222! Изначальная ошибка нет дилюента, в итоге замечено что в момент наливания в субкамеры раствора с кровушкой тупо не идет туда а идет обратно в канистру, установил обратный клапан при входе трубки в аппарат, работает но как-то странно:
8 параметров наполовину пустая измерительная камера - уровень где-то по фотометру при этом есть и воспроизводимость и повторяемость, геомглобин шкалит - разведение слабое
22 параметра 2/3 камеры налито почти под завязку, гемоглобин вообще вместо 140 -> 100.
Сделано:
1. Проверены все клапана, согласно схеме, подающие или пропускающие дилюент;
2. Трубки насоса поменяны местами - результата ноль;
3. Воздушная камера накачивается - всё ок;
4. Камера с разбовителем заполняется при прайме по боковой штуцер;
5. При проверке на Total Chek 721 блока - вылетает только последняя правая позиция ()
6. Установлен обратный клапан - для того чтобы раствор не уходил.
 
jrewingДата: Вторник, 28.Апр.2015, 11:54 | Сообщение # 92
У вас сообщений: 173
сервисный инженер
OFFлайн
Российская Федерация

Омск
Цитата Mercuriy86 ()
Изначальная ошибка нет дилюента
Час добрый.
У нас была такая проблема. С неделю парились с ней.
В итоге, тупо начали перебирать все клапаны и тройники.
В итоге в одном из тройников оказалась трещина, через которую шёл воздух и дилюент уходил снова в канистру.
В общем, при снятой крышке, запускаешь "Заполнение" и смотришь, чтобы в трубках, по которым идёт изотоник, не было пузырьков. Ну, и клапаны переберите ... Бывает начинают подтекать, хотя с виду незаметно.
 
BuffaldinoДата: Четверг, 11.Фев.2016, 07:26 | Сообщение # 93
Стажер
У вас сообщений: 34
стажер
OFFлайн
Российская Федерация

Нефтеюганск
Приветствую, господа. МЕК 8222.
Есть такая проблема - на апертуре появляются пузырьки воздуха. Соответственно результата по RBC нет и пишет алерт "Bubble". Визуально на апертуре виден небольшой пузырек воздуха. Если убрать, то через пару анализов он снова появляется.
Подскажите, пожалуйста, где копать?


Сообщение отредактировал Buffaldino - Четверг, 11.Фев.2016, 13:03
 
BuffaldinoДата: Четверг, 11.Фев.2016, 10:23 | Сообщение # 94
Стажер
У вас сообщений: 34
стажер
OFFлайн
Российская Федерация

Нефтеюганск
Все фильтра почистил. Воздух собирается с обратной стороны апертуры. Замена апертуры ничего не даст? Подскажите, пожалуйста, откуда он воздух подсасывает?

Сообщение отредактировал Buffaldino - Пятница, 12.Фев.2016, 07:55
 
FrolДата: Среда, 16.Мар.2016, 10:29 | Сообщение # 95
Заглянувший
У вас сообщений: 1
Инженер
OFFлайн
Российская Федерация

Москва
Доброго времени суток!
Коллеги, подскажите пожалуйста, сколько MEK 7222 потребляет реагентов на одно измерение?
 
nashakurДата: Среда, 16.Мар.2016, 18:11 | Сообщение # 96
Участник
У вас сообщений: 65
сервис инженер
OFFлайн
Казахстан

Астана
По поводу бублика в аппертуре, смотри прокладку, скорее всего изношена или какой-нибудь из коннекторов надломлен, может быть в самой аппертуре микротрещина, проверяй трубки, замена аппертуры может и спасет, а может и нет, надо точно убедиться что она целая, а потом делать выводы и копать дальше.
 
al_dogДата: Вторник, 30.Май.2017, 12:13 | Сообщение # 97
Заглянувший
У вас сообщений: 2
Инженер по ремонту
OFFлайн
Российская Федерация

Нижневартовск
Здравствуйте, на аппарате не работает лазер "081". Вопрос: есть ли на лазер отдельный предохранитель? Не хочется зря лазить. Заранее спасибо.
 
usefulДата: Среда, 31.Май.2017, 22:22 | Сообщение # 98
Участник
У вас сообщений: 59
инженер
OFFлайн
Российская Федерация

Санкт-Петербург
al_dog, Ключ повёрнут? Кнопка нажата(её видно если крышку снять)? Он точно не работает(у меня на одном аппарате такой глюк периодически бывает - лейкоформулу прекрасно лазером считает, при этом выкидывая такую ошибку)? Отдельного предохранителя на лазер я не видел.
 
al_dogДата: Четверг, 08.Июн.2017, 11:34 | Сообщение # 99
Заглянувший
У вас сообщений: 2
Инженер по ремонту
OFFлайн
Российская Федерация

Нижневартовск
useful, Ключ повернут, кнопка нажата. Светодиод спереди под дисплеем не горит.
 
stepan220Дата: Понедельник, 26.Июн.2017, 15:58 | Сообщение # 100
Стажер
У вас сообщений: 25
сервис инженер
OFFлайн
Беларусь

Минск
Там есть ещё одна кнопка внутри - рядом с манометрами-датчиками.
 
KoyenДата: Понедельник, 07.Май.2018, 13:47 | Сообщение # 101
Стажер
У вас сообщений: 5
Разработчик ПО
OFFлайн
Российская Федерация

Ставрополь
Добрый день, коллеги!

Разыскивается протокол связи или драйвер для Celltac E MEK-7222. Есть задача написать ПО для получения результатов анализов в ИС мед. учреждения. Если у кого то есть какая либо информация для разработчиков ПО, по данному анализатору, прошу поделится.

Заранее благодарен за содействие!
 
viggenДата: Понедельник, 07.Май.2018, 22:50 | Сообщение # 102
Участник
У вас сообщений: 98
широкий профиль
OFFлайн
Российская Федерация

NN
Компания Алтэй Вам в поиощь
 
KoyenДата: Вторник, 08.Май.2018, 10:26 | Сообщение # 103
Стажер
У вас сообщений: 5
Разработчик ПО
OFFлайн
Российская Федерация

Ставрополь
Цитата viggen ()
Компания Алтэй Вам в поиощь


Спасибо за совет, но покупать ЛИС не хочется. Хочется подключить анализаторы к уже действующей МИС с модулем Лаборатория в учреждении.

Накопал вчера что для подключения данного анализатора к компьютеру, требуется ПО Data Managment System QP-822V разработки собственно фирмы Nihon Kohden. У кого нибудь этот анализатор работает через ПК? Если да, то поделитесь опытом, как подключали и как можно получить собственно ПО для этого анализатора.

Заранее благодарен за ответы.
 
viggenДата: Среда, 09.Май.2018, 00:35 | Сообщение # 104
Участник
У вас сообщений: 98
широкий профиль
OFFлайн
Российская Федерация

NN
Koyen, Data Managment System QP-822V не проблема, в демо режиме работает месяц, далее нужна регистрация по s\n в японии. Но она по сути только для статистики и печати результатов на большом красивом отчёте. В ЛИС данные уходят по RS232 напрямую с мека, т вот тут уже их и нужно ловить. У Алтея есть менеджер оборудования который эти данные подбирает и выгружает в любую по сути лис. Цена его + цена драйвера вполне гуманна.
 
KoyenДата: Среда, 09.Май.2018, 14:57 | Сообщение # 105
Стажер
У вас сообщений: 5
Разработчик ПО
OFFлайн
Российская Федерация

Ставрополь
Цитата viggen ()
В ЛИС данные уходят по RS232 напрямую с мека, т вот тут уже их и нужно ловить.


Собственно тут мне и нужен протокол, который описывает в каком виде они идут, чтобы разобрать их и использовать уже результаты дальше для обработки в МИС.

Цитата viggen ()
У Алтея есть менеджер оборудования который эти данные подбирает и выгружает в любую по сути лис. Цена его + цена драйвера вполне гуманна


Попробую узнать насколько она гуманна. Сейчас времена тяжелые, в бюджетных поликлиниках каждая копейка на счету.
 
DMedДата: Вторник, 17.Дек.2019, 11:54 | Сообщение # 106
Стажер
У вас сообщений: 4
Юный падаван
OFFлайн
Российская Федерация

Город Куража
Здравствуйте, уважаемые медтехники.

Столкнулся я с проблемой передачи данных при попытке связать компьютер, с установленной на нём DMS (QP-822V), и MEK-7222K. Передача данных идёт по USB, дрова поставились, прога видит МЕК и, в целом, работает: результаты анализа сразу "улетают" на комп и печатаются, все границы норм также перенеслись в DMS. Однако задача стоит в распечатке графиков Контролей Качества и вот тут уже началась загвоздка.
При нажатии кнопки "ВЫВОД" прога реагирует, что МЕК пытается что-то передать, открываются окна графиков, но они пустые (см. скрин). Я пытался забить лот контроля, но так и не смог найти, как это сделать. Максимум, что смог найти в мануале, так это упоминание про CSV-файл, который запрашивается у Nihon Kohden. Возможно, из-за того, что в проге не стоят значения этого контроля, DMS'ка не может построить графики.
Как же всё таки добиться от неё вывода графиков Контроля Качества?


0476697.jpg (152.2 Kb) · 1039437.jpg (325.3 Kb)


Сообщение отредактировал DMed - Вторник, 17.Дек.2019, 11:54
 
sltДата: Понедельник, 02.Мар.2020, 21:23 | Сообщение # 107
Участник
У вас сообщений: 89
инженер-наладчик
OFFлайн
Российская Федерация

Ростов
Добрый вечер!
При движении игл(samplimg nozze support plate) в горизонтальной плоскости аппарат издает скрежет.Были очищены,смазаны направляющие,но все равно при движении к промывочной станции блок c иглами как бы подклинивает. Если двигать руками ,то вербально подклиниваний не чувствую.Разбирал муфту с подшипниками визуально целы.Кто сталкивался с подобоным?Как деталируется данный блок?Резьбовая шпилька визуально без повреждений.может сама гайка ?
Видео:
https://cloud.mail.ru/public/Ztwq/dmR5fFBNB


Сообщение отредактировал slt - Понедельник, 02.Мар.2020, 23:38
 
Advia2120iДата: Среда, 18.Мар.2020, 01:35 | Сообщение # 108
Стажер
У вас сообщений: 46
инженер
OFFлайн
Беларусь

Минск
Цитата slt ()
Добрый вечер!
При движении игл(samplimg nozze support plate) в горизонтальной плоскости аппарат издает скрежет.Были очищены,смазаны направляющие,но все равно при движении к промывочной станции блок c иглами как бы подклинивает. Если двигать руками ,то вербально подклиниваний не чувствую.Разбирал муфту с подшипниками визуально целы.Кто сталкивался с подобоным?Как деталируется данный блок?Резьбовая шпилька визуально без повреждений.может сама гайка ?
Видео:
https://cloud.mail.ru/public/Ztwq/dmR5fFBNB


Были такие проблемы с несколькими анализаторами, решение было замена платы питания.
 
standarttestДата: Понедельник, 18.Май.2020, 09:44 | Сообщение # 109
Стажер
У вас сообщений: 27
Инженер
OFFлайн
Российская Федерация

Тамбов
Добрый день коллеги! Кто может поделиться сервисными паролями для MEK-8222?
 
viggenДата: Понедельник, 18.Май.2020, 11:44 | Сообщение # 110
Участник
У вас сообщений: 98
широкий профиль
OFFлайн
Российская Федерация

NN
Цитата standarttest ()
сервисными паролями для MEK-8222?


4321
 
kisart777Дата: Вторник, 18.Мар.2025, 14:30 | Сообщение # 111
Заглянувший
У вас сообщений: 1
Системный администратор
OFFлайн
Российская Федерация

Ставрополь
Добрый день! Кто может поделиться драйвером на win64 для MEK-7222?
 
  • Страница 3 из 3
  • «
  • 1
  • 2
  • 3
Поиск:



Статистика Форума
Последние обновления тем: Новые файлы хранилища: Новые участники: Top10 участников:
1. Анализатор поля зрени...[SpirituS (04.Дек.2025)]
2. Программный комплекс ...[mqubali (04.Дек.2025)]
3. Кардиорегистратор «ИК...[albano18 (04.Дек.2025)]
4. Thermo Scientific gem...[viggen (03.Дек.2025)]
5. Центрифуга CM-6M ф.El...[Ningen64 (03.Дек.2025)]
6. Дефибриллятор Defi B ...[san-che30 (02.Дек.2025)]
7. Коллиматор Ralco R 22...[seeker (02.Дек.2025)]
8. КУПЛЮ/ПРИМУ в дар при...[seabee (02.Дек.2025)]
9. Центрифуга MiniSpin P...[AntonioPetty (01.Дек.2025)]
1. VIVIX Setup Operation...[12.Окт.2025]
2. GenwareMP[10.Сен.2025]
3. Настройка реагентов M...[20.Авг.2025]
4. Philips HD3-EXP[13.Авг.2025]
5. Рентгеновское оборудо...[08.Авг.2025]
6. VersaMed iVent201 Сер...[13.Фев.2025]
7. Гелпик КРД Ренекс РЦ ...[09.Фев.2025]
8. Офтальмологическая ус...[31.Окт.2024]
9. Cardinal-Health-VELA-...[03.Окт.2024]
10. Service Manual HAMILT...[02.Окт.2024]
1. Romanivanov[05.Дек.2025]
2. igogoigogo[05.Дек.2025]
3. 1rishka[04.Дек.2025]
4. L_V_N[04.Дек.2025]
5. ИвановИИ[04.Дек.2025]
6. Alex_U[04.Дек.2025]
7. Yarikus03[03.Дек.2025]
8. EvaLen[03.Дек.2025]
9. dankurets[03.Дек.2025]
10. Velis1566[03.Дек.2025]
МастерБаку[583]
Yulana34[177]
Serg74[160]
Dimitrius[129]
naves[122]
РОМУЛ[121]
bektyish[121]
madmac[116]
Алекс-200[114]
begun_a[112]