[ Новые сообщения · Участники · Правила форума · Поиск · RSS ]



  • Страница 6 из 6
  • «
  • 1
  • 2
  • 3
  • 4
  • 5
  • 6
Модератор форума: zx19  
Фотометр фотоэлектрический КФК-3-«ЗОМЗ»
GViktor63Дата: Среда, 10.Фев.2010, 01:02 | Сообщение # 1
Стажер
У вас сообщений: 8
помощник специалиста
OFFлайн
Украина

Новая Каховка
. Фотометр фотоэлектрический КФК-3-«ЗОМЗ», производства ОАО «Загорский оптико-механический завод» (ЗОМЗ), выпускается в трёх модификациях:
- фотометр фотоэлектрический КФК-3-01-«ЗОМЗ» - базовая модель (выпускаемый в исполнениях БШ2.853.021-02.1 и БШ2.853.021-02.2);
- фотометр фотоэлектрический КФК-3-02-«ЗОМЗ» с термостатируемым кюветным отделением;
- фотометр фотоэлектрический КФК-3-03-«ЗОМЗ» с проточной кюветой с насосом и внешним термостатом для подготовки проб, с целью обеспечения их правильной эксплуатации.


. В этой теме собрана, без разбора по модификациям (такова уж квалификация наших медтехников ), вся информация о фотометре фотоэлектрическом КФК-3-«ЗОМЗ» для того, чтобы в будущем облегчить участникам Форума медтехников поиск ответов на их текущие вопросы. Писать же надо в специализированные темы, которые указаны ниже!
. Одно дело, рыскать по всему форуму с бесчисленным в нём количеством тем о разнообразном оборудовании различных тематик в поисках тем об искомом аппарате (а их насоздано множество), найдя которые, ещё и каждую прочитать. Другое дело, прочитать только одну тему про нужный аппарат, и уже только в ней искать ответ на свой вопрос ...

. ВНИМАНИЕ ! Прежде, чем изложить в этой теме своё сообщение (пост ), проследите за тем, чтобы тематика вашего сообщения соответствовала ИЗНАЧАЛЬНОЙ тематике темы (в том числе по наименованию, типу/марке, модели аппарата), и чтобы информации, подобной вашей, в ней не было!
. В противном случае –
потрудитесь найти на Форуме тему с нужной вам тематикой! И ТОЛЬКО убедившись, что на Форуме нет таковой обобщающей темы, вы можете создать новую, или обратиться к модераторам за помощью!

. Не пишите сообщения попусту и от эмоциональных перевозбуждений, не плодите посты-хвосты (вместо редактирования своего поста для добавления в него новой информации следующая прямо за ним, в режиме монолога, череда только своих новых постов с этой информацией) – такая манера изложения своих мыслей в теме, их несобранность, удлиняет тему! В будущем другим её будет нудно и тошно читать ...
. А также, не увлекайтесь излишним, необдуманным цитированием, и если вы специалист, то подумайте прежде: нужна ли цитата
(а особенно длинная/нудная, да ещё и хуже того - цепочка из цитат ) – поэтому излагайте свои мысли!

. И ещё к сведению и обязательному исполнению см. по ссылке это ТРЕБОВАНИЕ (с.20 ) ! Не демонстрируйте на Форуме свою неинженерную безграмотность, а тем более, не кичитесь ею! ...
.

Есть темы:
- Фотометр фотоэлектрический КФК-3-01-«ЗОМЗ» (Неполадки/проблемы, опыт и советы по их устранению);
- Фотометр фотоэлектрический КФК-3-01-«ЗОМЗ» (Неполадки/проблемы, опыт и советы по их устранению);
- Фотометр фотоэлектрический КФК-3-02-«ЗОМЗ» (Неполадки/проблемы, опыт и советы по их устранению).

.
 
manvДата: Среда, 05.Июл.2017, 09:55 | Сообщение # 201
Стажер
У вас сообщений: 6
новичек
OFFлайн
Украина

Горловка
Цитата vvp ()
Это приемлемо. Какая чувствительность на 340нм, если больше 0.15 то пойдет. Где-то на длине волны около 400нм должен происходить скачек чувствительности из-за переключения коэффициента усиления фотометра.

На 340 чувствительности 0,015, а на 400 действительно скачек и падет до 0,05 это очень мало, но до моего вмешательства было все еще хуже и все мои попытки поднять чувствительность на этих волнах не увенчались успехом. В моей лаборатории работают в диапазоне 500-670нм, поэтому приоритетом служил этот диапазон. С 380нм по 440нм это диапазон фиолетового спектра и он довольно таки слабый. А если присмотреться с открытой крышкой монохроматора, диафрагма Д1 на волнах 300-350нм переходит из голубого стекла в какой-то темный участок диафрагмы, луч лампы практически не дает спектра после прохода Д1 в этом диапазоне. Возможно, что-то не так с диафрагмой Д1.
 
vvpДата: Среда, 05.Июл.2017, 16:05 | Сообщение # 202
У вас сообщений: 404
инженер
OFFлайн
Российская Федерация

Уфа
manv, Молодец. Подозреваю что на кфкашеке делают какую то обычную биохимию, а там точность длины волны особо не важна, важна конечно но не особо. biggrin
Цитата manv ()
На 340 чувствительности 0,015

Очень мало, по сути у вас на ацп приходит сигнал в 15мв, можно считать что его нет. Классический случай заплывшего ик фильтра
Если хотите оживить уф диапазон, то надо почистить ик фильтр. Смотри фото как извлечь светофильтр, юстировка оптики не сбивается при такой разборке, если все делать аккуратно.
4951294.jpg (162.2 Kb) · 3269858.jpg (137.5 Kb) · 8078482.jpg (127.9 Kb) · 0376719.jpg (137.2 Kb)
 
vvpДата: Среда, 05.Июл.2017, 16:14 | Сообщение # 203
У вас сообщений: 404
инженер
OFFлайн
Российская Федерация

Уфа
На пером и втором фото видно заплывший светофильтр, мутная пленка.
На третьем и четвертом стекло пошкрябано скальпелем очень осторожно, сам светофильтр не то стекло, не то пластмасса, легко поцарапать, поэтому лучше потренироваться где-нибудь с краю.
На последнем фото результат.
Всем удачи.
1206504.jpg (102.9 Kb) · 6657104.jpg (86.5 Kb) · 6527444.jpg (99.3 Kb) · 8671297.jpg (92.6 Kb) · 7370996.jpg (90.7 Kb)
 
manvДата: Четверг, 06.Июл.2017, 09:49 | Сообщение # 204
Стажер
У вас сообщений: 6
новичек
OFFлайн
Украина

Горловка
У меня еще там стоит голубое стеклышко и на соединении стеклышка и темного пластика(стекла) какие-то белые сгустки похожие на клей. На ваших фото я его не вижу, как я понимаю скальпелем чистить ик фильтр?

Сообщение отредактировал manv - Четверг, 06.Июл.2017, 09:52
 
оптик-АДата: Четверг, 06.Июл.2017, 10:45 | Сообщение # 205
Завсегдатай
У вас сообщений: 293
инженер-оптик
OFFлайн
Российская Федерация

Третий
Вам нужна лампа КГМ 12-10-2, в интернете есть по ним предложения. Если ничего не откручивали, всё закрывайте и юстируйте лампу. Если Вы всё же, что-то в спктральной части прибора открутили, без навыков Вам уже обратно не вернуть и поверителю не сдать, не пройдёт. Если без поверки, постарайтесь поставить всё на место по посадочному месту, как было, может повезёт. Удачи коллега.
 
vvpДата: Четверг, 06.Июл.2017, 13:50 | Сообщение # 206
У вас сообщений: 404
инженер
OFFлайн
Российская Федерация

Уфа
Цитата manv ()
какие-то белые сгустки похожие на клей. На ваших фото я его не вижу, как я понимаю скальпелем чистить ик фильтр?

чистить темное стекло, сгустки это клей между стеклами, с ним ничего делать не надо.


Сообщение отредактировал vvp - Четверг, 06.Июл.2017, 14:03
 
dimiurgДата: Понедельник, 11.Сен.2017, 08:07 | Сообщение # 207
Стажер
У вас сообщений: 20
электромеханик
OFFлайн
Российская Федерация

Санкт-Петербург
Представляю вашему вниманию вариант ремонта крышек кюветного отделения кфк-3.
В моей практике одна из самых распространённых поломок "сломанные уши" подвигла на изготовление этих деталей, а заодно и некоторых других, которые имеют свойство теряться или ломаться. В результате появились вот такие изделия.
 
dimiurgДата: Понедельник, 11.Сен.2017, 08:22 | Сообщение # 208
Стажер
У вас сообщений: 20
электромеханик
OFFлайн
Российская Федерация

Санкт-Петербург
фотка по размеру не подошла для поста - пришлось подрезать...
7509428.jpg (172.3 Kb)
 
віктор64Дата: Среда, 11.Апр.2018, 08:31 | Сообщение # 209
У вас сообщений: 61
Часний предприниматель по ремонту
OFFлайн
Украина

Винница
Доброго всем времени. Очень нужен трансформатор на КФК-3 в Украине.Можно в личку или emeil. Зарание багодарю.
 
RZVTДата: Вторник, 17.Апр.2018, 21:37 | Сообщение # 210
Участник
У вас сообщений: 78
инженер-ремонтник
OFFлайн
Украина

Кривой Рог
Как срочно? Есть на примете поданный на списание аппарат - смыли спиртом дифракционную решетку. Сколько времени у них уйдет на оформление - ??? Если время не терпит, то только перемотка. Понимаю, что не очень приятно, но очень эффективно и намного быстрее поиска оригинала.

Я должен видеть, чем я дышу
 
EgenДата: Вторник, 16.Окт.2018, 14:10 | Сообщение # 211
Заглянувший
У вас сообщений: 2
сервисинженер
OFFлайн
Украина

Черкассы
Всем добрый день!
Немного не в тему, но все же есть такой вопрос/предложение.
Есть ли необходимость изготовить полный, а по некоторым функциям значительно более продвинутый аналог
микропроцессорного блока Электроника МС 2701 для КФК-3 ? Или такого добра хватает? Интересует будет ли кто-то заинтересован в таком?
Понятное дело что вполне по приемлемой цене. Но не на ИВах а на светодиодных индикаторах, это единственное различие во внешнем виде.
Напишите пожалуйста кто заинтересован.

А теперь в тему.
Ремонтировал парочку таких. С неисправностей было:
1. Растрескавшиеся керамические конденсаторы по входам перед КН6. Думаю что мало на что влияло но заменил.
2. Хаотическое зависание всего блока. Да так что и Пуск (ресет) не всегда помогал. Причина была в неконтакте микропроцессора.
Садил его в цанговую панельку, как не странно не помогло. Закончилось тем что впаял его на проводках (где-то по 15 мм) над платой. С тех пор года 1,5 все Ок.
3. И "любимая" неисправность - хаотическое плавание показаний длинны волны. Не сильно, в пределах 1 нм, но все ж неприятных.
Менять КР580ВВ79 не решился, да и нечем было. По управляющим входам КН6 были не только управляющие импульсы но и немного помех,
+ к ним уровень 1 (+4,75 В) был нестабильным. Сделал другое решение. Перерезал дорожки управления КН6 и вклинил туда схемку что несколько раз инвертировала
(иль повторяла, не помню точно) сигнал. Со своим питанием. Вход на схемку прямо с КР580ВВ79. Все стало значительно лучше.
Возможно этот вариант не всем поможет, но решение заслуживает внимание.
 
panov-omskДата: Четверг, 02.Июл.2020, 12:29 | Сообщение # 212
Участник
У вас сообщений: 77
инженер
OFFлайн
Российская Федерация

Омск
По длине волны хорошо, а по пропусканию завышает на светлых фильтрах, на 91,7 показывает 93,6. Два прибора таких.
Оптику и фильтры протирал.
Подскажите, пожалуйста, кто знает.
 
IgenДата: Четверг, 02.Июл.2020, 15:28 | Сообщение # 213
Участник
У вас сообщений: 153
уволен по сокращению штата
OFFлайн
Молдова

Кишинев
Цитата panov-omsk ()
По длине волны хорошо, а по пропусканию завышает на светлых фильтрах, на 91,7 показывает 93,6. .


А что означает, "по длине волны хорошо", цифры бы увидеть, особенно ультрафиолет интересен;

А завышение на каких длинах волн, тоже бы цифры бы
 
panov-omskДата: Понедельник, 13.Июл.2020, 11:46 | Сообщение # 214
Участник
У вас сообщений: 77
инженер
OFFлайн
Российская Федерация

Омск
Цитата Igen ()
А что означает, "по длине волны хорошо", цифры бы увидеть, особенно ультрафиолет интересен;

А завышение на каких длинах волн, тоже бы цифры бы

Благодарю за внимание! Ставил фильтры на пропускание у входа в упт, а надо у входа в камеру.
Пропускание проверяется на 540.
По длине волны настроился отлично.
 
IgenДата: Понедельник, 13.Июл.2020, 12:39 | Сообщение # 215
Участник
У вас сообщений: 153
уволен по сокращению штата
OFFлайн
Молдова

Кишинев
Если у Вас КФК-3, то мне казалось, что пучок света должен быть в камере параллельным, по диаметру пятна слабо зависящим от место
 
AlexBallДата: Среда, 09.Сен.2020, 19:25 | Сообщение # 216
Стажер
У вас сообщений: 4
инженер
OFFлайн
Российская Федерация

Ступино
Нужна Ваша помощь! Кфк-3 на индикации пишет всякую белиберду нужна схема процессорного блока.Помогите пожалуйста. оптик-А,
 
VacyДата: Пятница, 11.Сен.2020, 12:04 | Сообщение # 217
Участник
У вас сообщений: 110
инженер по ремонту СИТ
OFFлайн
Российская Федерация

Севастополь
Самое простое заменить проц.
 
IgenДата: Пятница, 11.Сен.2020, 12:53 | Сообщение # 218
Участник
У вас сообщений: 153
уволен по сокращению штата
OFFлайн
Молдова

Кишинев
На КФК-3, лично я схему МП не видел, только общая электросхема;

Но ремонту подавались, зачастую, давно было, но насколько я помню микросхемы там типовые, да и словесное описание работы есть в тоненьких книжечках;

Я потом мы и ПЗУ переписали с хорошего КФК-3, и тоже иногда меняли!!

drinks
 
AlexBallДата: Четверг, 17.Сен.2020, 18:29 | Сообщение # 219
Стажер
У вас сообщений: 4
инженер
OFFлайн
Российская Федерация

Ступино
оптик-А, добрый день.
Нужна схема электрическая принципиальная микропроцессорной системы фотометра КФК-3. Пишет белиберду на ИВ28а.
 
IgenДата: Пятница, 18.Сен.2020, 01:34 | Сообщение # 220
Участник
У вас сообщений: 153
уволен по сокращению штата
OFFлайн
Молдова

Кишинев
Прошу зла рыбка корытце золоченое, с ручками яхонтовыми, а к нему бумагу-руководство
, да не по иноземному, а по нашенскому!!
 
dimiurgДата: Пятница, 18.Сен.2020, 08:34 | Сообщение # 221
Стажер
У вас сообщений: 20
электромеханик
OFFлайн
Российская Федерация

Санкт-Петербург
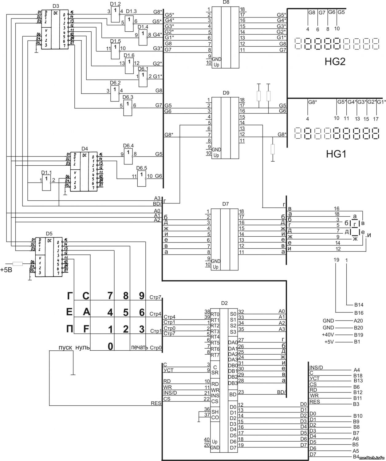
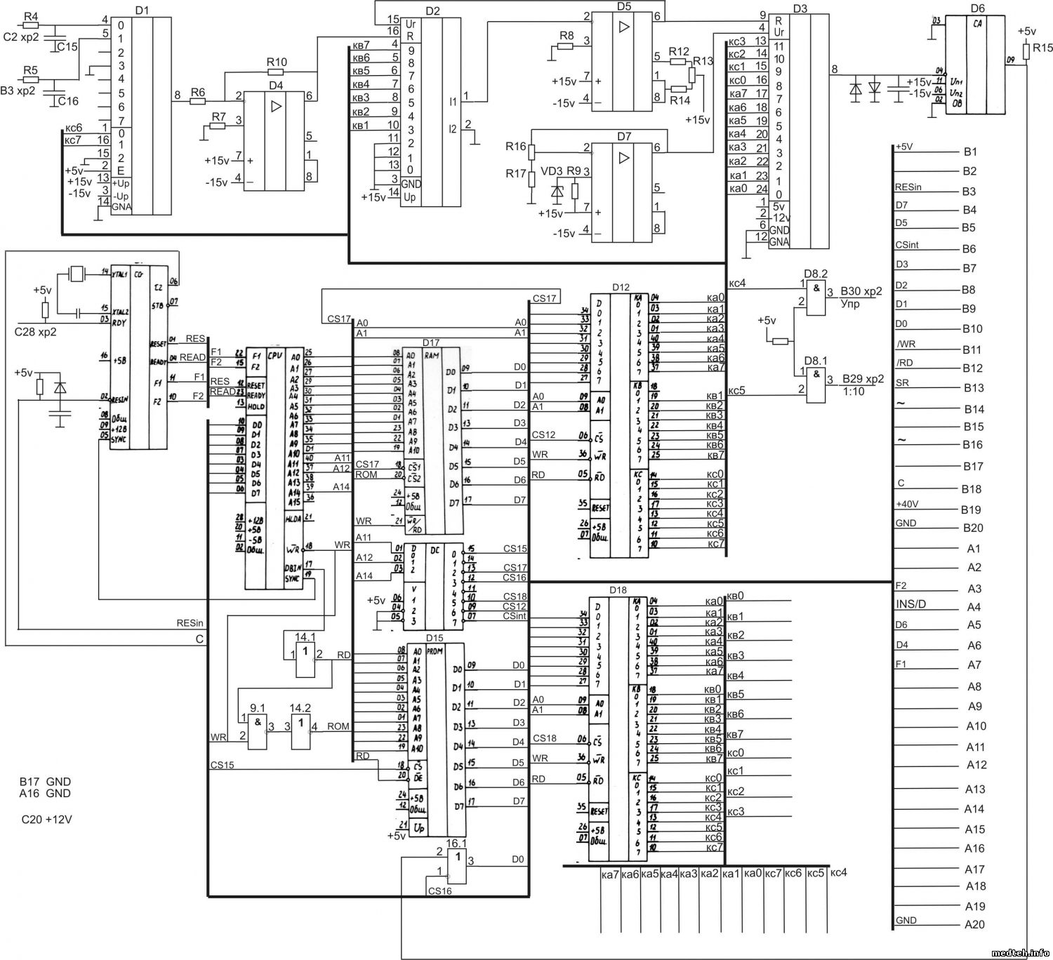
Схемы калькулятора МС 2701 для КФК-3.
3791375.jpg (297.9 Kb) · 0099318.jpg (223.6 Kb)
 
  • Страница 6 из 6
  • «
  • 1
  • 2
  • 3
  • 4
  • 5
  • 6
Поиск:



Статистика Форума
Последние обновления тем: Новые файлы хранилища: Новые участники: Top10 участников:
1. Флюорограф ПроГраф 50...[Andruha-Andruha (24.Фев.2026)]
2. Формулировки ТЕХНИЧЕС...[seabee (24.Фев.2026)]
3. МАК-Монитор акушерски...[SeregkaS (17.Фев.2026)]
4. Аппарат С-дуга КМС-65...[nikbur (17.Фев.2026)]
5. КРД APOLLO ф.Villa Si...[Al_sml (16.Фев.2026)]
6. Стерилизатор паровой ...[yblod5 (16.Фев.2026)]
7. Установка импульсная ...[юранак (13.Фев.2026)]
8. ИВЛ Hamilton C1 ф.Ham...[masloff (12.Фев.2026)]
9. Выбор принтера для ра...[seabee (12.Фев.2026)]
1. Apollo EZ service man...[25.Дек.2025]
2. VIVIX Setup Operation...[12.Окт.2025]
3. GenwareMP[10.Сен.2025]
4. Настройка реагентов M...[20.Авг.2025]
5. Philips HD3-EXP[13.Авг.2025]
6. Рентгеновское оборудо...[08.Авг.2025]
7. VersaMed iVent201 Сер...[13.Фев.2025]
8. Гелпик КРД Ренекс РЦ ...[09.Фев.2025]
9. Офтальмологическая ус...[31.Окт.2024]
10. Cardinal-Health-VELA-...[03.Окт.2024]
1. masik05[24.Фев.2026]
2. rotor_forever[24.Фев.2026]
3. snowizard11[24.Фев.2026]
4. Dennzo[24.Фев.2026]
5. stvudi[23.Фев.2026]
6. Leus1111[23.Фев.2026]
7. iljasins[22.Фев.2026]
8. alla_dubinskaya[22.Фев.2026]
9. Иван93Rus[22.Фев.2026]
10. winleb[20.Фев.2026]
МастерБаку[583]
Yulana34[177]
Serg74[160]
Dimitrius[129]
naves[122]
РОМУЛ[121]
bektyish[121]
madmac[116]
Алекс-200[114]
генаf[112]