[ Новые сообщения · Участники · Правила форума · Поиск · RSS ]



  • Страница 6 из 6
  • «
  • 1
  • 2
  • 3
  • 4
  • 5
  • 6
Модератор форума: renmaster  
Флюорограф "Програф 4000"
petroveechДата: Понедельник, 06.Авг.2018, 08:02 | Сообщение # 201
У вас сообщений: 1072
Иженер
OFFлайн
Российская Федерация

Ставрополь
Цитата Aleks86 ()
Проблема устранена. В кирпиче коротил провод

Какой? Странная поломка. Поделитесь пож.
У меня один раз закоротил провод термодатчика. Он на прямую на ногу проца. Результат сгоревший проц, только по этой ноге.


При обращении пишите мыло сразу.
 
Aleks86Дата: Понедельник, 06.Авг.2018, 16:04 | Сообщение # 202
Участник
У вас сообщений: 141
Медтехник
OFFлайн
Российская Федерация

ЮФО
шлейф который идет от плат где стоят 2 больших транзистора.На этом шлейфе один провод был оголен и периодически касался массы. Чтобы увидеть этот шлейф нужно разобрать весь кирпич на части. Фото не делал. В следующий раз когда буду разбирать обязательно сделаю
 
petroveechДата: Вторник, 07.Авг.2018, 09:05 | Сообщение # 203
У вас сообщений: 1072
Иженер
OFFлайн
Российская Федерация

Ставрополь
Цитата Aleks86 ()
шлейф который идет от плат где стоят 2 больших транзистора.

Плата накала. Не надо фото.
___.doc (1.23 Mb)


При обращении пишите мыло сразу.
 
ValekДата: Среда, 08.Авг.2018, 08:11 | Сообщение # 204
Стажер
У вас сообщений: 27
инженер
OFFлайн
Российская Федерация

Челябинск
Доброго времени суток!
Началось все с сообщения "Нет связи с аппаратом ..."
Не было 5 В. Заменил DC/DC TRACO IN9-12 OUT12. Теперь с питанием все в порядке, но загорелся индикатор ЗАПРЕТ.
Связь компьютера с аппаратом есть. Из программы UrpHF я могу управлять штативом, диафрагмой, подсветкой, выдает значения с ККМ.
При каких условиях загорается ЗАПРЕТ?
БУ(кирпич) 7 версии.
КУ2 07 307 два процессора ATMEGA32 и 128.


9ноль4944ноль17три

Сообщение отредактировал Valek - Среда, 08.Авг.2018, 11:14
 
terbunyДата: Среда, 08.Авг.2018, 19:10 | Сообщение # 205
Завсегдатай
У вас сообщений: 228
рентгенотехник
OFFлайн
Российская Федерация

Россия
• ”Запрет” - запрет на UH, снимается ”Подготовкой”.
 
ValekДата: Четверг, 09.Авг.2018, 06:38 | Сообщение # 206
Стажер
У вас сообщений: 27
инженер
OFFлайн
Российская Федерация

Челябинск
Цитата terbuny ()
• ”Запрет” - запрет на UH, снимается ”Подготовкой”.

Я читал эту строку. "Подготовка" активируется программно или есть кнопка/перемычка?


9ноль4944ноль17три
 
terbunyДата: Четверг, 09.Авг.2018, 12:47 | Сообщение # 207
Завсегдатай
У вас сообщений: 228
рентгенотехник
OFFлайн
Российская Федерация

Россия
После задания параметров съемки нажмите на кнопку «Подать», но при этом должен гореть индикатор "готов". Или из UrpHF, там есть кнопка "подготовка"
 
MemphisДата: Четверг, 09.Авг.2018, 18:14 | Сообщение # 208
Стажер
У вас сообщений: 44
Инженер УЗ, ИВЛ, Навигация.
OFFлайн
Казахстан

Apple
Смотрите уставки в рабочей программе. Проверьте шлейфы в БУ. Проверьте модуль инвертора.
 
ValekДата: Среда, 15.Авг.2018, 06:44 | Сообщение # 209
Стажер
У вас сообщений: 27
инженер
OFFлайн
Российская Федерация

Челябинск
Проблема решилась заменой платы КУ. Появилась связь с аппаратом и "ЗАПРЕТ" не горит.

9ноль4944ноль17три
 
petroveechДата: Среда, 15.Авг.2018, 06:50 | Сообщение # 210
У вас сообщений: 1072
Иженер
OFFлайн
Российская Федерация

Ставрополь
Цитата Valek ()
Проблема решилась заменой платы КУ

Что такое плата КУ?


При обращении пишите мыло сразу.
 
MemphisДата: Среда, 15.Авг.2018, 06:55 | Сообщение # 211
Стажер
У вас сообщений: 44
Инженер УЗ, ИВЛ, Навигация.
OFFлайн
Казахстан

Apple
petroveech, контроллер управления
 
profi1973Дата: Понедельник, 20.Май.2019, 16:22 | Сообщение # 212
Стажер
У вас сообщений: 31
Инженер
OFFлайн
Российская Федерация

Смоленск
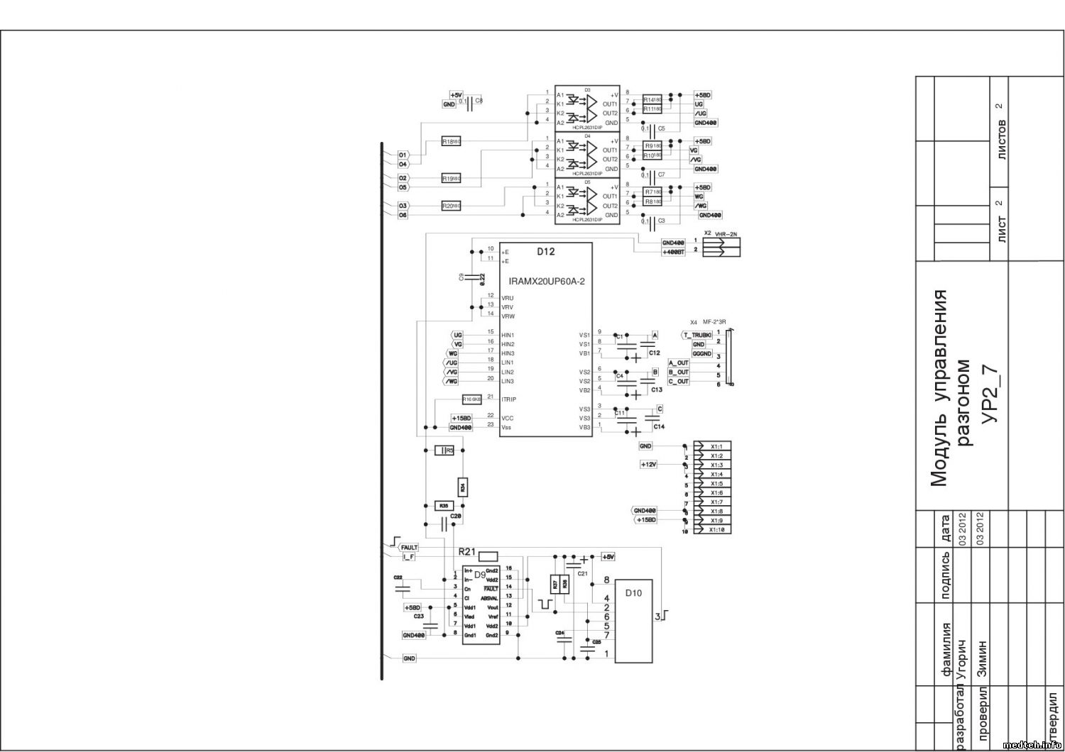
Краткая предистория . Имеется програф с урп-вч в котором выгорел драйвер моторчика на плате диафрагмы,и дальше потянул за собой БП 12 В С большим бадабухом плату разгона и маленький БП. Все это заказали восстановили и тут начались странности. Во первых в UrpHF перестал определятся ККМ. ладно бог с ним выставляю ток преднакала 200 накала 400 ну и далее по феншую ток преднакала измеренный определяется как 156 .повесил КГ 12/40 накал есть на большом фокусе но опять же на 50 ниже установленного. Ладно чутка поднял ток преднакала до 250 блокировка нет накала ушла начала выскакивать нет разгона. Решил посмотреть что происходит на кирпиче. Светодиод разгон даже не пытается загорется. Сразу загорается запрет и на этом все. Господа,голова кипит. Подскажите в этом аппаратце разгон загорается при выдаче команды с платы управления или по факту разгона? И куда собственно копать дальше,буду очень благодарен за любую подсказку.
 
DawasДата: Пятница, 31.Май.2019, 13:13 | Сообщение # 213
Участник
У вас сообщений: 148
Электронщик-программист
OFFлайн
Российская Федерация

Иваново
Поподробнее насчёт ККМ....
С "кирпичём" всё сложно, схем и прошивок, как известно - нет.
Смотрите плату разгона и микросхему драйвера на ней (стоит на общем радиаторе). Её коммутируют три релюшки, возможно, контакты подгорели и микросхема "не видит" нагрузку, либо цепи обратной связи с микросхемы, либо буферы с неё (если такие присутствуют)
Фотографии всех плат с обеих сторон скинь. Желательно, в хорошем качестве и с названиями микросхем :)
Думаю, многим пригодятся.

Пишу по памяти, так как занимался "кирпичём", в частности разгоном, года 4 назад.


Сообщение отредактировал Dawas - Пятница, 31.Май.2019, 13:38
 
profi1973Дата: Пятница, 31.Май.2019, 23:45 | Сообщение # 214
Стажер
У вас сообщений: 31
Инженер
OFFлайн
Российская Федерация

Смоленск
Да нет плата разгона новая стоит,сейчас покажу этого зверя которого пилить надо перед установкой))

8896916.jpg (108.6 Kb) · 9227992.jpg (86.1 Kb)
 
bespalnik72Дата: Суббота, 01.Июн.2019, 08:45 | Сообщение # 215
Техник
У вас сообщений: 319
инженер
OFFлайн
Российская Федерация

Красноярск
что за труба ?перемычки поставили как на старой плате разгона ?

586
 
profi1973Дата: Суббота, 01.Июн.2019, 09:42 | Сообщение # 216
Стажер
У вас сообщений: 31
Инженер
OFFлайн
Российская Федерация

Смоленск
Ну как видите,перемычки на новой плате не отмаркированны но воткнул во 2 позицию на 50 герц (трубу светка зовут) в проге разгон определяется как 50 мин 40. вот видео отработки кирпича по Urp
https://youtu.be/kblL6MH8ZcM
Такое впечатление что разгон теряется где то по дороге в плате КУ или идет блокировка по накалу но ее не видно в Urp


Сообщение отредактировал profi1973 - Суббота, 01.Июн.2019, 09:45
 
bespalnik72Дата: Суббота, 01.Июн.2019, 16:17 | Сообщение # 217
Техник
У вас сообщений: 319
инженер
OFFлайн
Российская Федерация

Красноярск
Для Светланы два джампера 2-3..и питание проверьте на разьёме х2

586
 
profi1973Дата: Воскресенье, 02.Июн.2019, 06:53 | Сообщение # 218
Стажер
У вас сообщений: 31
Инженер
OFFлайн
Российская Федерация

Смоленск
Про два джампера если честно в первый раз слышу,по крайней мере на старой версии платы он был один-J2"50Hz" .плата проверенна и при замыкании на х3 выводов 10 и 8 трубу раскручивает. До меня только сейчас доперло что при начале разгона загорается светодиод подготовка а светодиод разгон должен загореться при удачном разгоне,когда блок УР даст команду на вкл высокого. И круг в принципе сужается до КУ который эти контакты 10 и 8 должен замыкать
 
petroveechДата: Воскресенье, 02.Июн.2019, 10:08 | Сообщение # 219
У вас сообщений: 1072
Иженер
OFFлайн
Российская Федерация

Ставрополь
Может поможет. Перемычки на разгоне тыкал до получения результата. Разгон смотрел сервисной прогой.
______.doc (1.21 Mb)


При обращении пишите мыло сразу.
 
profi1973Дата: Воскресенье, 02.Июн.2019, 18:24 | Сообщение # 220
Стажер
У вас сообщений: 31
Инженер
OFFлайн
Российская Федерация

Смоленск
Не колеги,возможно вы меня не поняли. Плата разгона нульсовая, муха не сидела. 9 ревизия,видите на фотке уже предохранитель появился на +400 цепь)).К плате претензий нет. Свои 50 герц она выдает, трубку раскручивает. Но это при проверке по методике из документа выше. То есть если на Х3 перемкнуть 10 и 8 ноги. А вот при работе в состве аппарата сигнал "подготовка" теряется где то между КУ и УР вот сижу и думаю то ли несовместимость версий плат то ли КУ помер.
 
petroveechДата: Понедельник, 03.Июн.2019, 06:55 | Сообщение # 221
У вас сообщений: 1072
Иженер
OFFлайн
Российская Федерация

Ставрополь
Похоже на не совместимость. Там одна тысяча версий и прошивок.

При обращении пишите мыло сразу.
 
profi1973Дата: Понедельник, 03.Июн.2019, 09:44 | Сообщение # 222
Стажер
У вас сообщений: 31
Инженер
OFFлайн
Российская Федерация

Смоленск
Ну вот как так? Я рентгенпрому когда плату заказывал номер весии и прошивки старой давал, номер аппарата давал...
 
maksai1990Дата: Понедельник, 03.Июн.2019, 13:51 | Сообщение # 223
Участник
У вас сообщений: 91
инженер
OFFлайн
Российская Федерация

Поволжье
profi1973, добрый день
Инфа по джампером в файле

А так, недавно менял весь моноблок (в старом умер КУ), сказали что несовместимы старые и новые платы (возможно только КУ)
__2-__.pdf (283.8 Kb)
 
profi1973Дата: Понедельник, 03.Июн.2019, 15:26 | Сообщение # 224
Стажер
У вас сообщений: 31
Инженер
OFFлайн
Российская Федерация

Смоленск
Ну таки да перемычки на светлану теперь две)) дополню новым методом принудительного включения разгона и схемами платы



6781807.jpg (179.0 Kb) · 5196533.jpg (199.6 Kb) · 2594500.jpg (120.8 Kb)


Сообщение отредактировал profi1973 - Понедельник, 03.Июн.2019, 15:27
 
oleg7388Дата: Среда, 12.Авг.2020, 13:02 | Сообщение # 225
Стажер
У вас сообщений: 8
инженер
OFFлайн
Российская Федерация

Омск
Подскажите номинал резисторов блок ККМ, последние в ряду справа вверху (первые четыре 104) на фото http://www.medteh.info/_fr/44/7296985.jpg. Спасибо
 
Al_smlДата: Среда, 12.Авг.2020, 14:01 | Сообщение # 226
Участник
У вас сообщений: 102
Электромеханик
OFFлайн
Российская Федерация

Смоленск
392
 
fan7768Дата: Пятница, 04.Июн.2021, 13:45 | Сообщение # 227
Участник
У вас сообщений: 136
электромеханник
OFFлайн
Российская Федерация

РОССИЯ
Добрый день коллеги.
Аппарат включается сигнал высокое подано излучения нет
Кто скажет какой анодный ток трубки на Прографе при снимках (труба ТОШИБА)?
 
serg544Дата: Пятница, 04.Июн.2021, 15:02 | Сообщение # 228
Участник
У вас сообщений: 79
Менеджер
OFFлайн
Российская Федерация

Москва
Toshiba на эти аппараты не ставилась.
Естественно, фирма с брендом "Toshiba" не ставится, если, конечно, Вы с инженерным образованием ... и понимаете существенную разницу между фирмой с брендом "Toshiba" и производимой ею продукцией ...
Макс. анодный ток выбирается на основании мощностей УРП и большого фокуса трубки.
 
SmalldДата: Четверг, 10.Мар.2022, 12:40 | Сообщение # 229
Стажер
У вас сообщений: 11
инженер
OFFлайн
Российская Федерация

Смоленск
Доброго времени суток.
Нужны номиналы элементов (резисторов, обвязка IR1150S) платы ПС2 (стабилизатор 400в на накал) с модуля разряда.
Заранее спасибо.
 
sekosДата: Суббота, 12.Мар.2022, 13:06 | Сообщение # 230
Участник
У вас сообщений: 194
инженер
OFFлайн
Российская Федерация

Пенза
ПС 2, версия 1.3
__400___1.3.pdf (52.2 Kb) · __400_1.3.xls (27.5 Kb) · ______400__1.3.doc (44.5 Kb)
 
ЧапайДата: Среда, 22.Ноя.2023, 10:45 | Сообщение # 231
Заглянувший
У вас сообщений: 1
Радиофизик
OFFлайн
Российская Федерация

Иркутск
Здравствуйте!
Имеем аппарат ФЦ "Програф 4000".
К нам он попал в ремонт после взрыва накопителя и с неисправной R трубкой.
В процессе ремонта были заменены на новое: сам накопитель, блок управления бу2, R трубка, высоковольтные провода.
Сейчас у нас следующая ситуация: подключаем сервисную программу urphf, кроме ККМ ни один модуль больше программа не видит. Кабели коммутации заменили на новые. Связи нет. Драйвер ftdi переустановили. На блоке бу2, на плате индикации иб2 горят только зелёные светодиоды +5v, +15v,- 15v. При включении программы загораются ещё зелёные rxd и txd. Причём rxd горит постоянно, txd моргает. Преднакала нет. Подаём высокое - загорается накал, вращение анода есть. Высокого нет, ошибок нет.
Где искать проблему, что проверять?

.


Работаю
 
  • Страница 6 из 6
  • «
  • 1
  • 2
  • 3
  • 4
  • 5
  • 6
Поиск:



Статистика Форума
Последние обновления тем: Новые файлы хранилища: Новые участники: Top10 участников:
1. C-дуга "АРХМ-РЕН...[medplus (27.Фев.2026)]
2. Стоматустановка мод.....[vev1974 (26.Фев.2026)]
3. аппарат УЗД Samsung H...[имт (26.Фев.2026)]
4. Настройка и ремонт ми...[maik32 (25.Фев.2026)]
5. Стерилизатор паровой ...[skvorcovs77 (25.Фев.2026)]
6. Анализаторы биохимиче...[Alexl (25.Фев.2026)]
7. Флюорограф ПроГраф 50...[Andruha-Andruha (24.Фев.2026)]
8. Формулировки ТЕХНИЧЕС...[seabee (24.Фев.2026)]
9. МАК-Монитор акушерски...[SeregkaS (17.Фев.2026)]
1. Apollo EZ service man...[25.Дек.2025]
2. VIVIX Setup Operation...[12.Окт.2025]
3. GenwareMP[10.Сен.2025]
4. Настройка реагентов M...[20.Авг.2025]
5. Philips HD3-EXP[13.Авг.2025]
6. Рентгеновское оборудо...[08.Авг.2025]
7. VersaMed iVent201 Сер...[13.Фев.2025]
8. Гелпик КРД Ренекс РЦ ...[09.Фев.2025]
9. Офтальмологическая ус...[31.Окт.2024]
10. Cardinal-Health-VELA-...[03.Окт.2024]
1. igor_kobelev[27.Фев.2026]
2. 89212274843[27.Фев.2026]
3. sinnik[27.Фев.2026]
4. Kilogram13[27.Фев.2026]
5. НикНикНик[27.Фев.2026]
6. vyse[27.Фев.2026]
7. anatolevich[27.Фев.2026]
8. Лазермед[26.Фев.2026]
9. zaello[25.Фев.2026]
10. daiolix[25.Фев.2026]
МастерБаку[583]
Yulana34[177]
Serg74[160]
Dimitrius[129]
naves[122]
РОМУЛ[121]
bektyish[121]
madmac[116]
Алекс-200[114]
генаf[112]