[ Новые сообщения · Участники · Правила форума · Поиск · RSS ]



  • Страница 3 из 3
  • «
  • 1
  • 2
  • 3
Модератор форума: genvik, енот, evven, babysh-m  
Аппарат магнитотерапевтический "Полюс-2М"
МВРДата: Понедельник, 19.Июл.2010, 20:49 | Сообщение # 1
Медтехник
OFFлайн
Российская Федерация

.
. Эта тема является результатом объединения многочисленных личных эгоистичных тем авторов, созданных с 2010 года, объединённых в эту тему для того, чтобы в будущем облегчить участникам Форума медтехников поиск ответов на их текущие вопросы. В ней собрана вся найденная на Форуме информация об аппарате магнитной терапии "Полюс-2М".
. Одно дело, рыскать по всему форуму с бесчисленным в нём количеством тем о разнообразном оборудовании различных тематик в поисках тем об искомом аппарате (а их насоздано множество), найдя которые, ещё и каждую прочитать. Другое дело, прочитать только одну тему про нужный аппарат, и уже только в ней искать ответ на свой вопрос ...


. ВНИМАНИЕ ! Прежде, чем изложить в этой теме своё сообщение (пост), проследите за тем, чтобы тематика вашего сообщения соответствовала ИЗНАЧАЛЬНОЙ тематике темы (в том числе по наименованию, типу/марке, модели аппарата), и чтобы информации, подобной вашей, в ней не было!
. В противном случае –
потрудитесь найти на Форуме тему с нужной вам тематикой! И ТОЛЬКО убедившись, что на Форуме нет таковой обобщающей темы, вы можете создать новую, или обратиться к модераторам за помощью!

. Не пишите сообщения попусту и от эмоциональных перевозбуждений, не плодите посты-хвосты (вместо редактирования своего поста для добавления в него новой информации следующая прямо за ним, в режиме монолога, череда только своих новых постов с этой информацией) – такая манера изложения своих мыслей в теме удлиняет тему! В будущем другим её будет нудно читать ...
. А также, не увлекайтесь излишним, необдуманным цитированием, и если вы специалист, то подумайте прежде: нужна ли цитата (а особенно длинная/нудная, да ещё и хуже того - цепочка из цитат ) – поэтому излагайте свои мысли!
. И ещё к сведению и обязательному исполнению см. по ссылке это ТРЕБОВАНИЕ (с.20) !
.
 
OlegerДата: Суббота, 14.Сен.2019, 08:45 | Сообщение # 81
Стажер
У вас сообщений: 23
начинающий
OFFлайн
Российская Федерация

Барнаул
Доброго дня всем.
На аппарате сдох 1-й канал, 2-й работает (реально) и мигает 2-й светодиод. Видимых выгораний нет. Вроде всё прозвонил, "ползая" по дорожкам, сравнивая два канала - всё нормально, а вот потыкать осцилографом не могу, нет схемы расположения деталей. Схему скачал тут, на форуме, качество не ахти, но за неимением лучшего и эта сгодилась, единственный минус, нет листа с расположением деталей на плате.
Для профилактика переткнул контроллер и о чудо - стал мигать светодиод 1-ого канала (реально же выхода на первом нет), 2-й канал светодиод перестал мигать (реально же выход есть - он и был).
Возможно контроллеру кирдык, проверить пока нечем, прошивку уже скачал.
Если у кого есть схема с расположением деталей на плате, скиньте, пожалуйста.
 
МВРДата: Суббота, 14.Сен.2019, 09:18 | Сообщение # 82
Медтехник
OFFлайн
Российская Федерация

.
Oleger, Вы на Форуме с 14.04.2015 года и о наличии тематики про "Полюс-2М" уже знали с 16.11.2017 года, и вместо того, чтобы постараться найти интересующий Вас ответ в этой тематике, а при его отсутствии разместить свой вопрос в этой теме, Вы решили "намусорить" на тех.форуме своей личной эгоистичной темкой ...
Прочитайте преамбулу к теме в с.1 и, надеюсь, поймёте почему Ваше сообщение теперь в этой теме! ...
 
OlegerДата: Суббота, 14.Сен.2019, 11:34 | Сообщение # 83
Стажер
У вас сообщений: 23
начинающий
OFFлайн
Российская Федерация

Барнаул
Дорогой модератор, я не просто так создал эту тему. Все темы я уже перелопатил давно, прошивку скачал (недавно), и все схемы что есть по теме "Полюс-2М", но в этих схемах нет листа с расположением деталей на плате, о чём и создал тему, и попросил народ помочь, может у кого есть. Возможно схему расположения посчитали не нужной и просто не выложили.
Теперь даже и не знаю, увидит ли кто мой пост, в самом конце, смогут ли помочь, тема ведь "застаревшая", обычно читают темы и решаю, могут помочь или нет ...

.

ЗНАЙТЕ: Любое Ваше сообщение/пост, в любой выбранной Вами подходящей по тематике ТЕМЕ, в любом случае будет ПЕРВЫМ в анонсе техфорума, в котором размещена выбранная Вами тема, и на ленточном форуме! ... И это будет новая в уже существующую ТЕМУ информация от Вас для всех!!! ...
А вот заинтересует ли Ваше предложение или просьба - это, как Вы и сами понимаете, не зависит от того выделились ли Вы собственной темкой, или многократно обдумав текст своего сообщения/поста, а не "разродились" набором "полновесных" цитат, по-умному и грамотно изложив свои мысли, и тем заинтересовав коллег, присоединились к уже существующей, тем более обобщающей все вопросы и ответы по интересующему Вас оборудованию или иной тематике.

Ещё раз подумайте о то, что написано в преамбуле ...
 
валераДата: Пятница, 06.Мар.2020, 11:57 | Сообщение # 84
Стажер
У вас сообщений: 24
электромеханик
OFFлайн
Российская Федерация

Программированием никогда не занимался, попытался разобраться, перечитал кучу литературы и полный ноль, потерял времени немеряно, посоветоваться не с кем. Приобрел китайский программатор USBasp , прошил его, скачал программу avrdudeprog33.rar , мне должна подойти прошивка pol2m3 для пошивки микроконтролера atmega 8515, микроконтроллер через программатор подключен к компу, а что дальше делать не знаю-испортить МК методом тыка не хочу.
Помогите, кто разбирается.
.
Архив «usbasp.2011-05-28» содержит папки:
= BIN:
— win-driver — драйвера для программатора
— firmware — прошивка для микроконтроллеров Mega8, Mega88, Mega48
= circuit — схема простого программатора в PDF и Cadsoft Eagle

Мне нужно вставить прошивка pol2m3, вместо firmware ?
.
Куда вводить программу pol2m3 в прошивку программатора или в программу avrdudeprog33?

.

Валера, при добавлении новой информации пользуйтесь редактированием - кнопка: "Изменить", а не плодите посты-хвосты!
Тема и без Вас уже длинная!
 
artem521Дата: Среда, 18.Мар.2020, 14:19 | Сообщение # 85
Стажер
У вас сообщений: 32
инженер
OFFлайн
Российская Федерация

Ачинск
Цитата валера ()
а что дальше делать не знаю - испортить МК методом тыка не хочу.
У Вас новый микроконтроллер? Если да, то необходимо будет настроить его конфигурацию.
.
Цитата валера ()
Мне нужно вставить прошивка pol2m3, вместо firmware ?
На фото это всего лишь пример. На 2-й странице этой темы видел в архиве настройку фьюзов, посмотрите.
http://www.medteh.info/_fr/15/6712481.png
.
Нашёл у себя считанные фьюзы.

.

Вам, artem521, тоже самое замечание что и Валере.
9044204.png (32.9 Kb)


Сообщение отредактировал artem521 - Среда, 18.Мар.2020, 14:45
 
Andrei159Дата: Понедельник, 07.Сен.2020, 17:25 | Сообщение # 86
Стажер
У вас сообщений: 18
Инженер
OFFлайн
Российская Федерация

Москва
Добрый день.
У аппарата "Полюс-2М", не работает один излучатель. На плате выгорел резистор. Вопрос: кто его утащил за собой?
Прозванивал всё рядом стоящее - всё целое. На что обратить внимание? Куда копать?
1807743.jpg (113.4 Kb)


Сообщение отредактировал Andrei159 - Понедельник, 07.Сен.2020, 17:25
 
yblod5Дата: Вторник, 08.Сен.2020, 09:18 | Сообщение # 87
У вас сообщений: 791
Сервис-инженер
OFFлайн
Российская Федерация

Владивосток
Цитата Andrei159 ()
кто его утащил за собой?
Неисправный индуктор (врачи их меняют), либо КЗ в проводах на вводе в штеккер к индуктору (перекрутились).
 
Andrei159Дата: Вторник, 08.Сен.2020, 10:18 | Сообщение # 88
Стажер
У вас сообщений: 18
Инженер
OFFлайн
Российская Федерация

Москва
Цитата yblod5 ()
Неисправный индуктор (врачи их меняют), либо КЗ в проводах на вводе в штеккер к индуктору (перекрутились).
Спасибо за ответ.
Да, скорей всего, был КЗ, так как провод в штекере индуктора был оборван ... Возможно он и сделал КЗ.
По поводу замены индуктора, врачи говорят: с нерабочей стороны индуктор ставили в рабочую сторону - всё работало ...
 
VitaliyKДата: Воскресенье, 20.Фев.2022, 23:25 | Сообщение # 89
Заглянувший
У вас сообщений: 3
Ремонт и обслуживание
OFFлайн
Канада

Toronto
Поделитесь, пожалуйста, фотографиями плат (с обоих сторон) и устройства излучателей.
Будет ли аппарат корректно работать в сети 60Гц?
 
gazillaДата: Суббота, 20.Авг.2022, 01:02 | Сообщение # 90
Стажер
У вас сообщений: 7
Мед. инженер
OFFлайн
Российская Федерация

Ставрополь
Al_sml, здравствуйте.
Ищу прошивку на п2м41. Кто может поделиться?
Эл. почта: fortudoa@gmail.com
Заранее спасибо.
 
TrettДата: Среда, 02.Ноя.2022, 12:27 | Сообщение # 91
Участник
У вас сообщений: 71
Только начинаю
OFFлайн
Российская Федерация

СПб
Хм. Странность какая-то ...
Пришёл аппарат "Полюс-2М", плата 41 (с 5-ю релюхами и 2-я симисторами). До меня уже сильно покопали чьи-то шаловливые ручки. Плата отключена от разъёмов, отвинчена и просто брошена вовнутрь абы как.
Неисправность: - не включается. Ну, и естественно, если там ничего не подключено!
По итогу: - вынесены симисторы, резисторы в цепи индукторов, 740-й, диод по его питанию и кондёр 47х450.
Всё заменил, аппарат включился, кнопки работают, режимы переключаются, но, поработав с минуту, кондёр 47х450 вспыхнул с выбросом дыма и срабатыванием в помещении датчика пожара. biggrin .
Разобрал, проверил - выбит 740-й. Всё остальное в порядке. Заменил 740, а вместо 47х450 поставил 2 последовательно 100х400 - понадёжнее будет, да и других не было под рукой.
Включаю - и почти сразу чую, как 740-й начинает накаляться. Отключил, проверил - точно пробит!
Перекопал ещё раз всю силовую часть - всё исправно. Все релюхи проверил с БП и тестером - всё нормально.
Далее методом научного тыка вышел на контроллер 8515. В контроллере КЗ по питанию - между 20 и 40 ногами 5 ом всего. Непонятно - как же тогда он вообще включается, и даже управляет аппаратом (во всяком случае, индикация и переключение режимов работают некоторое время до взрыва кондёра).
Неужели сдохший контроллер может "утягивать" за собой 740-й и кондёр?

Сижу вот думаю - покупать контроллер и мучиться с прошивкой или тупо заказать плату на заводе. Тем более, там могёт быть и не только контроллер ...


Иногда бывает так хреново, что не знаешь - 03 вызвать или 0,5 открыть...

Сообщение отредактировал Trett - Среда, 02.Ноя.2022, 12:33
 
TrettДата: Среда, 16.Ноя.2022, 16:29 | Сообщение # 92
Участник
У вас сообщений: 71
Только начинаю
OFFлайн
Российская Федерация

СПб
Купил контроллер, прошили. Всё заработало.

Иногда бывает так хреново, что не знаешь - 03 вызвать или 0,5 открыть...
 
gazillaДата: Четверг, 24.Ноя.2022, 15:35 | Сообщение # 93
Стажер
У вас сообщений: 7
Мед. инженер
OFFлайн
Российская Федерация

Ставрополь
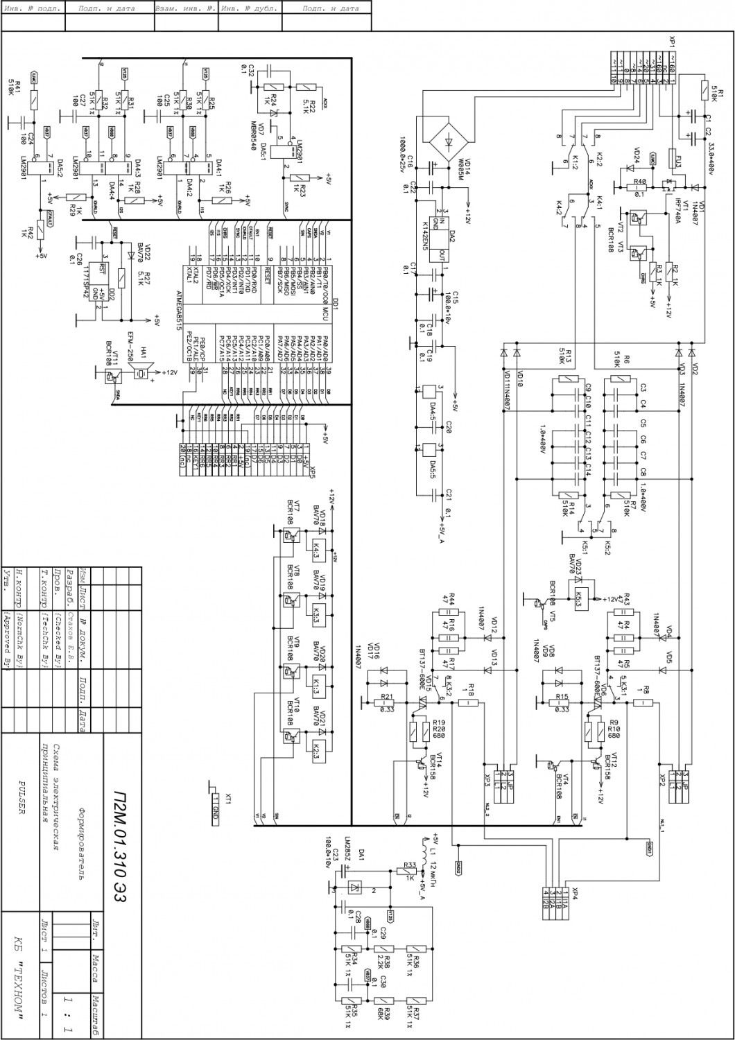
Схема электрическая принципиальная аппарата "Полюс-2м41" - может кому-то пригодится.
Значения фьюзов в виде байтов L=0xE4, H=0xC9. При прошивке контроллера.
3126547.jpg (276.2 Kb)


Сообщение отредактировал gazilla - Четверг, 24.Ноя.2022, 15:36
 
TrettДата: Вторник, 06.Дек.2022, 14:11 | Сообщение # 94
Участник
У вас сообщений: 71
Только начинаю
OFFлайн
Российская Федерация

СПб
Вернулся старый прежний "Полюс 2М", на котором менял контроллер.
Снова вылетел 740-й, кондёры 33х400.
Контроллер, вроде, живой.
Сижу, чешу репу, ибо ничего уже понять не могу - почему.


Иногда бывает так хреново, что не знаешь - 03 вызвать или 0,5 открыть...

Сообщение отредактировал Trett - Среда, 07.Дек.2022, 11:10
 
yblod5Дата: Среда, 07.Дек.2022, 02:40 | Сообщение # 95
У вас сообщений: 791
Сервис-инженер
OFFлайн
Российская Федерация

Владивосток
Цитата Trett ()
Сижу, чешу репу, ибо ничего уже понять не могу - почему.
Меняй VD1 1N4007
 
TrettДата: Среда, 07.Дек.2022, 11:10 | Сообщение # 96
Участник
У вас сообщений: 71
Только начинаю
OFFлайн
Российская Федерация

СПб
Цитата yblod5 ()
Меняй VD1 1N4007
Проверен - полностью исправен, утечек нет. Или думаете, его периодически пробивает, а он потом самовосстанавливается?
Тем не менее, заменил. Заодно заменил все 4007 диоды.
Может в ЧипДипе опять палёные транзисторы подсунули (уже сталкивался, но не с 740-ми)?
Попробую другого производителя и от другого поставщика.
Ну и, как вариант - пользователи на горячую меняют излучатели, что недопустимо.


Иногда бывает так хреново, что не знаешь - 03 вызвать или 0,5 открыть...

Сообщение отредактировал Trett - Среда, 07.Дек.2022, 11:24
 
  • Страница 3 из 3
  • «
  • 1
  • 2
  • 3
Поиск:



Статистика Форума
Последние обновления тем: Новые файлы хранилища: Новые участники: Top10 участников:
1. Принтер DryStar 5302 ...[sergey-ts (09.Май.2026)]
2. ЭХВЧ Е81М "Фотек...[dubZced (09.Май.2026)]
3. Двигатель компрессора...[ovg (09.Май.2026)]
4. Аппарат для гемодиали...[maik32 (08.Май.2026)]
5. УЗИ Aplio 500 ф.Toshi...[nav (05.Май.2026)]
6. Кардиограф MAC 2000[vladi (05.Май.2026)]
7. Автоматический СОЭ-ме...[Dissatisfied (05.Май.2026)]
8. Анализатор гематологи...[vvp (04.Май.2026)]
9. Концентратор кислород...[AlexanderRu (04.Май.2026)]
1. Apollo EZ service man...[25.Дек.2025]
2. VIVIX Setup Operation...[12.Окт.2025]
3. GenwareMP[10.Сен.2025]
4. Настройка реагентов M...[20.Авг.2025]
5. Philips HD3-EXP[13.Авг.2025]
6. Рентгеновское оборудо...[08.Авг.2025]
7. VersaMed iVent201 Сер...[13.Фев.2025]
8. Гелпик КРД Ренекс РЦ ...[09.Фев.2025]
9. Офтальмологическая ус...[31.Окт.2024]
10. Cardinal-Health-VELA-...[03.Окт.2024]
1. mariya__2016[08.Май.2026]
2. Dimitrii16021009[08.Май.2026]
3. st1van[08.Май.2026]
4. Alexeyb4[07.Май.2026]
5. yagr1[07.Май.2026]
6. Medicaparts[06.Май.2026]
7. medici[06.Май.2026]
8. Metallurg[06.Май.2026]
9. lerawave[05.Май.2026]
10. Сергей9791[05.Май.2026]
МастерБаку[583]
Yulana34[177]
Serg74[160]
Dimitrius[129]
naves[122]
РОМУЛ[121]
bektyish[121]
madmac[116]
Алекс-200[114]
генаf[112]