[ Новые сообщения · Участники · Правила форума · Поиск · RSS ]



  • Страница 1 из 1
  • 1
Модератор форума: dima_perikov, YRA46  
Микропневмомотор МП-40-1 "Сапфир"
FiziqДата: Воскресенье, 13.Июн.2010, 09:36 | Сообщение # 1
Стажер
У вас сообщений: 41
Инженер
OFFлайн
Российская Федерация

Ростов-на-Дону
Первый раз столкнулся с микропневмомотором МП-40-1 "Сапфир". Давление воздуха на входе в норме а вращения нет вообще. Не могу его разобрать. Подлежит ли он ремонту или меняется целиком?

.
К сведению: см. также тему:
- Микропневмомотор МП-40.
2377441.jpg (101.1 Kb)
 
YRA46Дата: Воскресенье, 13.Июн.2010, 16:10 | Сообщение # 2
Стоматология, Стерилизация
OFFлайн
Российская Федерация

г. Курск
Fiziq, а если одеть наконечник и повращать от руки крутится? а вообще геморойно очень их разбирать... лучше выкинуть а вообще разбирал с помощью горелки-грел......день убил не стоит он того.
 
FiziqДата: Воскресенье, 13.Июн.2010, 17:29 | Сообщение # 3
Стажер
У вас сообщений: 41
Инженер
OFFлайн
Российская Федерация

Ростов-на-Дону
От руки наконечник крутится.А в каком месте греть? У него сзади пластмассовая резьба можно повредить.
 
dima_perikovДата: Среда, 16.Июн.2010, 23:13 | Сообщение # 4
Стоматология, Косметология
OFFлайн
Российская Федерация

Ставрополь
Не заморачивайся. Только время потратишь. Выкидывай смело. Все что скручивается скрути (на запчасти), а остальное в мусор.

Замечания и предложения принимаются по адресу: all-for-stomatology@yandex.ru
Телефон, WhatsApp, Viber: +7 (918) 758-48-31
 
medtehДата: Четверг, 17.Июн.2010, 12:40 | Сообщение # 5
Admin


Fiziq, если есть свободное время можешь и разобрать для интереса, там где соединение вроде завальцовано, то можно акуратно вальцовку снять и внутрености вытащить, для ознакомства. Насколько помню вроде так.
 
androidДата: Пятница, 18.Июн.2010, 09:19 | Сообщение # 6
Стажер
У вас сообщений: 19
Стоматология
OFFлайн
Российская Федерация

Воронеж
брызни маслом , так же как смазывают турбинные наконечники. Иногда помогает . А так там износ лопостей пошёл. Только на списание unknown

Лужу , паяю, починяю примусы
 
medtehДата: Пятница, 18.Июн.2010, 09:25 | Сообщение # 7
Admin


Quote (android)
А так там износ лопостей пошёл. Только на списание

тогда смысл капать маслом?
Quote (android)
брызни маслом
 
androidДата: Пятница, 18.Июн.2010, 09:39 | Сообщение # 8
Стажер
У вас сообщений: 19
Стоматология
OFFлайн
Российская Федерация

Воронеж
начинает вращаться. можно доработать смену.

Лужу , паяю, починяю примусы
 
YRA46Дата: Пятница, 18.Июн.2010, 19:20 | Сообщение # 9
Стоматология, Стерилизация
OFFлайн
Российская Федерация

г. Курск
Quote (android)
начинает вращаться. можно доработать смену.

rofl это может и доктор сделать...они когда наконечник или мотор сдохнет стока масла льют скока он за все свою жизнь не видел biggrin а потом говорят СМАЗЫВАЛИ после каждого пациента biggrin
Quote (Fiziq)
У него сзади пластмассовая резьба можно повредить
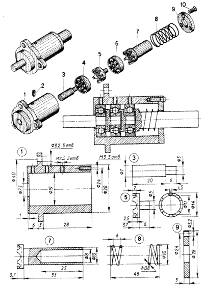
у меня был металлический вариант. но это неважно... Сначала откручиваешь все что откручивается...потом снимаешь наружный корпус (зажимал хомутами для шлангов-что-бы не покоцать+грел по всей повехности при этом вращать нельзя!!!! иначе поломаются трубки охлаждения вода-воздух) Где-то были фотки в разобранном виде щас не нашел unknown
а вообще у меня сам мотор крутился (по звуку слышно было)только не вращал наконечник....вышел из строя редуктор (сделан из подшипников типа Верньерного механизма) у них там деталь из латуни разбивается и все....смысл редуктора на подшипниках что-то близко к этому...
9750915.gif (23.0 Kb)
 
androidДата: Воскресенье, 20.Июн.2010, 10:53 | Сообщение # 10
Стажер
У вас сообщений: 19
Стоматология
OFFлайн
Российская Федерация

Воронеж
Quote (Юрий-46)
а потом говорят СМАЗЫВАЛИ после каждого пациента

biggrin так наверно во всём мире стоматологи медтехникам отвечают.


Лужу , паяю, починяю примусы
 
dima_perikovДата: Воскресенье, 20.Июн.2010, 16:16 | Сообщение # 11
Стоматология, Косметология
OFFлайн
Российская Федерация

Ставрополь
Встречаются и ответственные, у которых при очень сильной нагрузке (доктор практически сутки работает) роторные группы по 2 года работают.

Замечания и предложения принимаются по адресу: all-for-stomatology@yandex.ru
Телефон, WhatsApp, Viber: +7 (918) 758-48-31
 
medtehДата: Воскресенье, 20.Июн.2010, 17:07 | Сообщение # 12
Admin


Quote (Юрий-46)
а вообще у меня сам мотор крутился (по звуку слышно было)

не знаю у кого как, но раньше когда на вызов выходил ремонтировал на звук, то есть пришел послушал и делал то что сломалось или еще что по ремонту, а иногда делал так, если объект далеко просил поднести инструмент к телефону и включить, ну а дальше если ремонт сложный то выезжал, но а если все дело в смазке то говорил и врачи смазывали. Только с оговоркой что сейчас сам приеду и проверю как смазали... и работало безотказно... biggrin
 
  • Страница 1 из 1
  • 1
Поиск:



Статистика Форума
Последние обновления тем: Новые файлы хранилища: Новые участники: Top10 участников:
1. Анализатор поля зрени...[SpirituS (04.Дек.2025)]
2. Программный комплекс ...[mqubali (04.Дек.2025)]
3. Кардиорегистратор «ИК...[albano18 (04.Дек.2025)]
4. Thermo Scientific gem...[viggen (03.Дек.2025)]
5. Центрифуга CM-6M ф.El...[Ningen64 (03.Дек.2025)]
6. Дефибриллятор Defi B ...[san-che30 (02.Дек.2025)]
7. Коллиматор Ralco R 22...[seeker (02.Дек.2025)]
8. КУПЛЮ/ПРИМУ в дар при...[seabee (02.Дек.2025)]
9. Центрифуга MiniSpin P...[AntonioPetty (01.Дек.2025)]
1. VIVIX Setup Operation...[12.Окт.2025]
2. GenwareMP[10.Сен.2025]
3. Настройка реагентов M...[20.Авг.2025]
4. Philips HD3-EXP[13.Авг.2025]
5. Рентгеновское оборудо...[08.Авг.2025]
6. VersaMed iVent201 Сер...[13.Фев.2025]
7. Гелпик КРД Ренекс РЦ ...[09.Фев.2025]
8. Офтальмологическая ус...[31.Окт.2024]
9. Cardinal-Health-VELA-...[03.Окт.2024]
10. Service Manual HAMILT...[02.Окт.2024]
1. Dvish[05.Дек.2025]
2. Intellect[05.Дек.2025]
3. Romanivanov[05.Дек.2025]
4. igogoigogo[05.Дек.2025]
5. 1rishka[04.Дек.2025]
6. L_V_N[04.Дек.2025]
7. ИвановИИ[04.Дек.2025]
8. Alex_U[04.Дек.2025]
9. Yarikus03[03.Дек.2025]
10. EvaLen[03.Дек.2025]
МастерБаку[583]
Yulana34[177]
Serg74[160]
Dimitrius[129]
naves[122]
РОМУЛ[121]
bektyish[121]
madmac[116]
Алекс-200[114]
begun_a[112]