[ Новые сообщения · Участники · Правила форума · Поиск · RSS ]



  • Страница 2 из 3
  • «
  • 1
  • 2
  • 3
  • »
Модератор форума: STaras  
Дефибрилляторы - способы проверки работоспособности
МВРДата: Пятница, 12.Фев.2010, 10:04 | Сообщение # 1
Медтехник
OFFлайн
Российская Федерация

.
Дефибрилляторы - это не та техника, где можно позволять себе использовать "левые" и "кулибинские" запчасти!

. Тема о способах проверки дефибрилляторов и о создании своими руками фантома для теста дефибриллятора.

. ВНИМАНИЕ ! Прежде, чем изложить в этой теме своё сообщение (пост), проследите за тем, чтобы тематика вашего сообщения соответствовала ИЗНАЧАЛЬНОЙ тематике темы, и чтобы информации, подобной вашей, в ней не было!
В противном случае –
потрудитесь найти на Форуме тему с нужной вам тематикой! И ТОЛЬКО убедившись, что на Форуме нет таковой темы, вы можете создать новую, или обратиться к модераторам за помощью!
. Не пишите сообщения попусту и от эмоциональных перевозбуждений, не плодите посты-хвосты (вместо редактирования поста для добавления в него новой информации следующая прямо за ним череда только своих новых постов с этой информацией) - это всё удлиняет тему!
В будущем другим её будет
нудно читать ...
. И ещё к сведению и обязательному исполнению см. по ссылке это ТРЕБОВАНИЕ (с.20) !
А также, не увлекайтесь излишним, необдуманным цитированием, и если вы специалист, то подумайте прежде: нужна ли цитата
(а особенно длинная/нудная, да ещё и хуже того - цепочка из цитат ) – поэтому излагайте свои мысли!
 
creytДата: Среда, 09.Фев.2011, 14:46 | Сообщение # 41
У вас сообщений: 546
техник
OFFлайн
Российская Федерация

Кузня
На экране разряда тоже не?

у меня все диоды болят
 
avm65Дата: Среда, 09.Фев.2011, 15:47 | Сообщение # 42
Стажер
У вас сообщений: 29
Инеженер по медоборудованию
OFFлайн
Российская Федерация

Оренбург
может неонку разбили, у реаниматоров так бывает, на чем сделана плата КВВ? на модулях?
 
YRA46Дата: Среда, 09.Фев.2011, 22:46 | Сообщение # 43
Стоматология, Стерилизация
OFFлайн
Российская Федерация

г. Курск
Надо 150-200 дж. Ставить.
 
webfoxДата: Четверг, 10.Фев.2011, 20:47 | Сообщение # 44
Участник
У вас сообщений: 144
стажер
OFFлайн
Российская Федерация

Китай
Quote (Юрий-46)
Надо 150-200 дж. Ставить.
...серьезно ? неонка в поряде.разряд на экране и на бумаге есть.фото платы КВВ
0469846.jpg (242.1 Kb) · 9606496.jpg (319.9 Kb)


Сообщение отредактировал webfox - Четверг, 10.Фев.2011, 20:49
 
YRA46Дата: Пятница, 11.Фев.2011, 13:18 | Сообщение # 45
Стоматология, Стерилизация
OFFлайн
Российская Федерация

г. Курск
Quote (webfox)
...серьезно ?
прикалываешься? я вообщето серьезно, А аппаратик со скорой помощи походу дела... wink
 
webfoxДата: Пятница, 11.Фев.2011, 16:06 | Сообщение # 46
Участник
У вас сообщений: 144
стажер
OFFлайн
Российская Федерация

Китай
ага весь в крови тех кого он не спас.... diablo ладно попробую 150 - 200 ставить .я просто с ними не сталкивался раньше mail1
 
webfoxДата: Понедельник, 14.Фев.2011, 20:02 | Сообщение # 47
Участник
У вас сообщений: 144
стажер
OFFлайн
Российская Федерация

Китай
...не помогли 200 дж.неонка не вспыхивает shok .у него высоковольтные блоки не ремонтируются?

Сообщение отредактировал webfox - Понедельник, 14.Фев.2011, 20:13
 
avm65Дата: Вторник, 15.Фев.2011, 07:40 | Сообщение # 48
Стажер
У вас сообщений: 29
Инеженер по медоборудованию
OFFлайн
Российская Федерация

Оренбург
берешь резистор 50 ом 0.125 вт и на него разряжаешь если не взорвется, значит неисправна плата КВВ, а именно один из оптотиристорных модулей.
 
vvpДата: Вторник, 15.Фев.2011, 18:27 | Сообщение # 49
У вас сообщений: 404
инженер
OFFлайн
Российская Федерация

Уфа
Quote (webfox)
разряд на экране и на бумаге есть

это не разряд !!!!! самолет мне в ангар.
 
creytДата: Вторник, 15.Фев.2011, 19:58 | Сообщение # 50
У вас сообщений: 546
техник
OFFлайн
Российская Федерация

Кузня
Quote (webfox)
.не помогли 200 дж.неонка не вспыхивает

И разряд биполярный?
А то у меня тоже валяется ДКИ с монополярным разрядом и неонка тоже не срабатывает.


у меня все диоды болят
 
генаfДата: Четверг, 03.Мар.2011, 17:34 | Сообщение # 51
У вас сообщений: 611
медтехникl
OFFлайн
Российская Федерация

webfox, если тема актульна надо сначала убедиться в работоспособности аккумов. Для этого необходимо разрядить батарею, включив аппарат в режиме монитора в батарейном режиме до появления сообщения ЗАРЯДИТЕ БАТАРЕЮ на экране монитора. Далее зарядить батарею в сетевом режиме. Аккум имеет свойство памяти. См. внимательно РЭ. Проверять на неонке только на 200 дж и выше. В хранилище д.б. ИРемонту.
 
АнварДата: Среда, 09.Мар.2011, 22:39 | Сообщение # 52
Заглянувший
У вас сообщений: 3
инженер
OFFлайн
Российская Федерация

Оренбург
Я имею ввиду проверку работоспособности имплантируемого дефибриллятора. Может есть какие сведения?
 
23_112Дата: Пятница, 11.Мар.2011, 15:17 | Сообщение # 53
Стажер
У вас сообщений: 4
Стажер
OFFлайн
Казахстан

Актау
Здравствуйте имеется ли поверочный стенд на дефибриллятор-монитор
 
Вячеслав-ВоронежДата: Суббота, 09.Апр.2011, 18:12 | Сообщение # 54
У вас сообщений: 122
инженер-конструктор-програмист-техн
OFFлайн
Российская Федерация

Воронеж
смотришь и облизываешься , когда при поверке используется ИЭВИ-02, благо нормальные отношения с поверителем, дотягиваешь до нормы на глазах. Вычисления всё-таки дают большую погрешность , попадал в вилку - энергия в норме - превышение по временной характеристики импульса (длиннее разряд на пределе 100 дж , дки-08) ........ Оч хоца blush
 
АнварДата: Среда, 13.Апр.2011, 22:59 | Сообщение # 55
Заглянувший
У вас сообщений: 3
инженер
OFFлайн
Российская Федерация

Оренбург
Всем здравствуйте! Необходим расчет эквивалентной нагрузки и схема. Схемы имеются в некоторых паспортах на дефибрилляторы и найдены на просторах форума, но для диплома очень важен расчет этих схем, т.е. обоснование использования конкретных элементов.
 
STarasДата: Среда, 13.Апр.2011, 23:21 | Сообщение # 56
инженер-электроакустика, ультразвук
OFFлайн
Украина

Ровно
ЧЕТВЕРТЫЙ ЗАКОН КОРРЕКТИРОВАНИЯ:
После мучительного и внимательного анализа образца вы вдруг узнаете, что образец был взят не тот и не имеет к делу никакого отношения.


Чти вело свое – ибо не ты на нём едешь, но оно везёт тебя
 
YurkevichДата: Суббота, 16.Апр.2011, 18:11 | Сообщение # 57
У вас сообщений: 567
инженер-наладчик
OFFлайн
Российская Федерация

выборг
"Нагрузкой" дефибрилятора является человек. Выбираем группу,желательно побольше, и измеряем у них элетрические параметры (сопротивление, емкость, индуктивность, и пр.) между точками наложения электродов. Далее проводим анализ полученных данных и находим какое-то среднее (стандартное) значение. Далее реализуем это используя типовые электрорадиоэлементы (резистоы, конденсаторы ....)
 
NemridisДата: Среда, 20.Апр.2011, 03:11 | Сообщение # 58
Стажер
У вас сообщений: 30
Ремонтник
OFFлайн
Российская Федерация

Симферополь
На практике использую резистор на 50 Ом а чаще просто влажную тряпку)
 
YurkevichДата: Среда, 20.Апр.2011, 16:29 | Сообщение # 59
У вас сообщений: 567
инженер-наладчик
OFFлайн
Российская Федерация

выборг
В заглавии темы стоит "расчет эквивалентной нагрузки" В зависимости от цели подбирается и эквивалент: Если просто проверить работоспособность - до достаточно или резистора или мокрой тряпки. Если более углубленно (энергия разряда, форма сигнала и пр) то и эквивалент должен быть более сложным и отвечающим задачам измерения
 
AlexiumДата: Среда, 20.Апр.2011, 18:49 | Сообщение # 60
Инженер медтехник
OFFлайн
Российская Федерация

Саратов
Цитирую "согласно действующему с 1982 г. международному стандарту "IEC 601-2-4-83 Изделия медицинские электрические. Часть 2. Частные требования безопасности к дефибрилляторам и дефибрилляторам-мониторам". Этот стандарт, действующий до настоящего времени, не нормирует таких параметров дефибриллирующего импульса, определяющих безопасность и эффективность, как его форма и продолжительность. Стандартом нормируется только допустимое отклонение отдаваемой энергии от его установленного значения при разрядах на нагрузки 25, 50, и 100 Ом".
Поясняю почему - сопротивление нагрузки индивидуально для каждого человека и его состояния в момент действия фибриллирующего импульса. Поэтому показателем фибрилляции является мощность фибриллирующего импульса, а не сопротивление нагрузки. Расчет эквивалентной нагрузки является по моему мнению "научным идиотизмом" появляющимся когда этим занимаются люди плохо знающие "предмет разговора".
 
AlexiumДата: Среда, 20.Апр.2011, 20:13 | Сообщение # 61
Инженер медтехник
OFFлайн
Российская Федерация

Саратов
Извиняюсь за ошибку - "Поэтому показателем фибрилляции является мощность фибриллирующего импульса, а не сопротивление нагрузки."
Правильно - Поэтому показателем фибрилляции является энергия фибриллирующего импульса, а не сопротивление нагрузки.
 
YurkevichДата: Четверг, 21.Апр.2011, 16:17 | Сообщение # 62
У вас сообщений: 567
инженер-наладчик
OFFлайн
Российская Федерация

выборг
во первых: если вспомнить ТОЭ то цепь дефриблилятор и пациент можно представить как генератор. внутреннее сопротивление и нагрузку. включенные последовательно. Мощность (энергия0 выделяемая на нагрузке зависит от значений параметров всех элементов цепи. Следовательно, если для аппарата (параметры которого определяются его конструкцией) задаем величину энергии сигнала на выходе, то необходимо определить и параметры нагрузки
Во вторых: практически для всех дефибриляторов кроме энергии, заданы и параметры разряда: полярность, длительность, скорости нарастания (спада) тока (напряжения) или длительности фронтов, наличие выбросов и прочее. При этом многие из этих параметров у разных моделей разные; да и сам пациент, вернее эго электрические характеристики или влияют на параметры разряда, или даже участвуют в формировании разряда - например емкость пациента, при воздействии дефибрилятора просходит его заряд, который потом разряжается.
 
AlexiumДата: Четверг, 21.Апр.2011, 17:34 | Сообщение # 63
Инженер медтехник
OFFлайн
Российская Федерация

Саратов
Не хочу вступать в теоретические споры.
Здесь стоит вспомнить про обратную связь (по напряжению и по току), при которой нагрузка является малозначительным параметром.

Если подумать что дает вам цифра "средней температуры по больнице"???? Какое значение имеет среднепотолочное значение комплексного сопротивления тела пациента для импульса дефибрилляции. Или вы считаете что реаниматолог должен измерять это значение мультиметром и подстраивать дефибриллятор под конкретного пациента. Вы видели такие дефибрилляторы???? Или вы считаете каждый пациент получает при дефибрилляции свою дозу энергии зависящую от его сопротивления, емкости и т.д.???? Вы в этом уверены???? Обоснуйте.

 
YurkevichДата: Четверг, 21.Апр.2011, 19:53 | Сообщение # 64
У вас сообщений: 567
инженер-наладчик
OFFлайн
Российская Федерация

выборг
А для врача и не требуется. Для него один параметр (выбрать из нескольких) - энергия разряда, которую от выбирает исходя из возраста, пола и пр. пациента. Для оперативной проверки (типа работает не работает) можно и применяют простейшую нагрузку (эквивалент): резистор и индикатор ( лампочка, светодиод) Можно или мокрую тряпку или кусок мыло - "щелкнуло" и ладно. значит работает. Но сказать точно сколько джоулей аппарат выдал нельзя. Если я после ремонта настраиваю, или провожу поверку , когда нужно получить конкретную "цифру" ( ну как в рекламе - Скока вешать в граммах), или доказать что аппарат выдает именно то, что требуется - то нужна более адекватная нагрузка.
В начале темы было заявлено: -"для диплома очень важен расчет этих схем, т.е. обоснование использования конкретных элементов". Откройте руководство по ремонту любого, более менее современного, дефибриляторв. В перечне используемых приборов и приспособлений будет эквивалент, причем специализированный именно для данной модели. Как говорил Винни Пух:- "Это ж-ж-ж- неспроста" . В разделе "Проверка величины энергии дефибриляции" (название в руководствах разных моделей может звучать немного поразному, важен смысл) на несколько страниц расписываются конкретные значения, допустимые отклонения, соотношения параметров разрядного импульса и какими органами регулировки (внутренними) они регулируются.
 
AlexiumДата: Четверг, 21.Апр.2011, 20:57 | Сообщение # 65
Инженер медтехник
OFFлайн
Российская Федерация

Саратов
Тогда не понимаю предмет спора.
Цитирую Анвар - Всем здравствуйте! Необходим расчет эквивалентной нагрузки и схема. Схемы имеются в некоторых паспортах на дефибрилляторы и найдены на просторах форума, но для диплома очень важен расчет этих схем, т.е. обоснование использования конкретных элементов.

Цитирую "согласно действующему с 1982 г. международному стандарту "IEC 601-2-4-83 Изделия медицинские электрические. Часть 2. Частные требования безопасности к дефибрилляторам и дефибрилляторам-мониторам". Этот стандарт, действующий до настоящего времени, не нормирует таких параметров дефибриллирующего импульса, определяющих безопасность и эффективность, как его форма и продолжительность. Стандартом нормируется только допустимое отклонение отдаваемой энергии от его установленного значения при разрядах на нагрузки 25, 50, и 100 Ом".

Еще раз повторяю - параметры конкретного человека индивидуальны (смысла их измерять в этом применении нет), однако все они укладываются в диапазон 25-100 Ом. Какой смысл, кроме "научного идиотизма", сделать выборку из 10-100 человек у которых сделать измерение этих параметров которые будут гарантированно укладываться в диапазон 25-100 Ом, потом получить среднее, которое будет значительно меняться если сделать замер еще нескольких человек.
Никакого научного и практического смысла это не имеет. Не имеет это и статистического смысла.
А потом скажем, нужно будет получить международный сертификат на свое изделие и придется делать все по стандарту. Зачем показывать свою глупость, придумывая то, что уже давно придумано?

 
AlexiumДата: Четверг, 21.Апр.2011, 21:00 | Сообщение # 66
Инженер медтехник
OFFлайн
Российская Федерация

Саратов
Мне кажется, кроме расчета мощности рассеяния резисторов, других расчетов делать не требуется.
 
AlexiumДата: Четверг, 21.Апр.2011, 21:51 | Сообщение # 67
Инженер медтехник
OFFлайн
Российская Федерация

Саратов
Вот ссылка на ГОСТ Р 50267.4-92 Частные требования безопасности к дефибрилляторам и дефибрилляторам-мониторам
 
AlexiumДата: Четверг, 21.Апр.2011, 21:52 | Сообщение # 68
Инженер медтехник
OFFлайн
Российская Федерация

Саратов
http://libgost.ru/gost/25712-GOST_R_50267_4_92.html
 
AlexiumДата: Четверг, 21.Апр.2011, 22:02 | Сообщение # 69
Инженер медтехник
OFFлайн
Российская Федерация

Саратов
В этом стандарте цитирую п.6.3 аа)
"органы управления предназначенные для выбора уровня выходной энергии, или соответствующие средства индикации должны быть калиброваны в значениях ОТДАВАЕМОЙ ЭНЕРГИИ в джоулях, передаваемых в активную нагрузку 50 Ом
плюс пункт 50.2. 2) - надоело цитировать, сами прочитаете. biggrin

Плюс введен новый ГОСТ 30324.4-95
Изделия медицинские электрические. Часть 2. Частные требования безопасности к дефибрилляторам и дефибрилляторам-мониторам

 
GreymurДата: Среда, 05.Июн.2013, 10:52 | Сообщение # 70
Заглянувший
У вас сообщений: 1
Инженер
OFFлайн
Российская Федерация

Мурманск
Для проверки использую WED-1
 
andyДата: Четверг, 11.Июл.2013, 18:15 | Сообщение # 71
Заглянувший
У вас сообщений: 2
инженер
OFFлайн
Украина

Полтава
Как вариант - нам однажды достался старый Лаэрдаловский манекен для отработки реанимационных действий. Пластик удалили - осталось две контактные поверхности и пульт управления с возможностью симулировать ритмы сердца и проводить дефибрилляцию: сразу можно оценить все - и считывание ритма, и эффективность разряда
 
prostopunkДата: Суббота, 13.Июл.2013, 12:24 | Сообщение # 72
Участник
У вас сообщений: 59
электрокардиографы, мониторы
OFFлайн
Украина

Тернополь
а мы извлекли из списанного дефибриллятора держатели электродов с контактными площадками и нагрузочным резистором, параллельно резистору включили делитель в нижнее плечо которого можно подключить осциллограф.
так можно проверить есть ли импульс вообще)
 
Subbota40Дата: Пятница, 30.Окт.2015, 10:44 | Сообщение # 73
Участник
У вас сообщений: 53
техник по ремонту
OFFлайн
Российская Федерация

Калуга
Коллеги, нужна помощь.
Дефибриляторов в больнице много, покупать нам ИЭВИ-02 не хотят. График регулярной проверки таким прибором сторонней организацией прорабатываем.
Задача: Прибывая по вызову врачей на подозрение неисправности дефибриллятора, определить вообще наличие высоковольтного разряда на электродах.
Итак: Мыло, мокрые тряпки и прочую хрень не предлагать. Изделие должно быть относительно компактным и автономным.(не ловить кошек, не пробовать на пациентах, не таскать с ним осциллограф).
Нужна схема тестера, в основе которого 50-омный проволочный резистор, две пластины... и какая либо индикация наличия разряда.
Если у кого есть подобное - откликнитесь пожалуйста.
Буду премного благодарен.
И пожалуйста - не надо меня спрашивать типа... какой смысл? .... окстись брат, .....а надо вот как... и т.д.
 
Anakonda2aДата: Пятница, 30.Окт.2015, 14:35 | Сообщение # 74
Техник
У вас сообщений: 508
Инженер по Т.О. мед. техники
OFFлайн
Российская Федерация

Подольск
Последовательно: балластник, неонка и две пластины. Номиналы балластника могу посмотреть только в понедельник. Посмотрите у себя в старье, подобными схемами проверки раньше дефибрилляторы оснащались штатно.
 
Subbota40Дата: Пятница, 30.Окт.2015, 15:05 | Сообщение # 75
Участник
У вас сообщений: 53
техник по ремонту
OFFлайн
Российская Федерация

Калуга
Старье уже все перерыл. Знаю, что бывали встроенные в старых аппаратах. Нету.
Буду признателен за схему, но последовательно пластина-неонка-резистор-пластина не прокатит. Пока нет постоянного сопротивления 50 ом между электродами - современный аппарат не даст разряда. :)
 
Anakonda2aДата: Пятница, 30.Окт.2015, 18:21 | Сообщение # 76
Техник
У вас сообщений: 508
Инженер по Т.О. мед. техники
OFFлайн
Российская Федерация

Подольск
У меня валяется крышка от какого-то старого и списанного аппарата, используем для проверки. Вроде новые то-же разряд дают, по крайней мере неонка вспыхивает.
В понедельник постараюсь не забыть.
 
Anakonda2aДата: Понедельник, 02.Ноя.2015, 18:11 | Сообщение # 77
Техник
У вас сообщений: 508
Инженер по Т.О. мед. техники
OFFлайн
Российская Федерация

Подольск
Итак схема и фотки
6928179.docx (34.1 Kb) · 7615038.jpg (134.5 Kb) · 6452730.jpg (126.8 Kb) · 9475561.jpg (132.3 Kb) · 8690620.jpg (133.2 Kb)
 
YRA46Дата: Вторник, 03.Ноя.2015, 11:28 | Сообщение # 78
Стоматология, Стерилизация
OFFлайн
Российская Федерация

г. Курск
Цитата Subbota40 ()
Если у кого есть подобное - откликнитесь пожалуйста.


В крышке ДКИ-Н-08 стоит индикатор энергии. Схема есть в хранилище. Есть переменник-можно настроить чувствительность- с завода идет до 150 дж не вспыхивает неонка а выше 150 вспыхивает. есть ли импульс до 150 дж. Для грубой оценки вещь незаменимая. Опять же, немного доработав, подключается цифровой запоминающий осцилл и видим форму, временные интервалы-считаем Джоули, еще немного доработав (пока в планах-прикрутить ардуино) получаем недорогой мерятель.
 
Андрей_АлтайДата: Суббота, 30.Янв.2016, 03:13 | Сообщение # 79
Стажер
У вас сообщений: 47
набрали по объявлению
OFFлайн
Российская Федерация

Барнаул
Цитата YRA46 ()
Опять же, немного доработав, подключается цифровой запоминающий осцилл

Не поделитесь мыслями, как подключить осциллограф к этой схеме.
 
YRA46Дата: Суббота, 30.Янв.2016, 09:49 | Сообщение # 80
Стоматология, Стерилизация
OFFлайн
Российская Федерация

г. Курск
Цитата Андрей_Алтай ()
Не поделитесь мыслями, как подключить осциллограф к этой схеме.

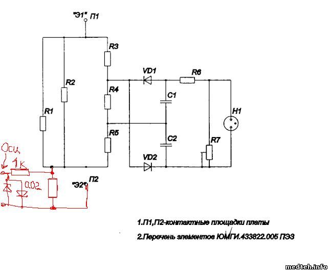
Последовательно с нагрузочными резисторами включаем резистор малоомный (0,02 Ом-я такой выцепил с какого-то блока питания, получаем при токе разряда 50А напряжение на нем =50*0.02=1 вольт.) И падение напряжения на нем смотрим осциллографом. Неплохо еще ограничитель напряжения на стабилитронах прицепить.

9389480.jpg (26.6 Kb)
 
  • Страница 2 из 3
  • «
  • 1
  • 2
  • 3
  • »
Поиск:



Статистика Форума
Последние обновления тем: Новые файлы хранилища: Новые участники: Top10 участников:
1. Центрифуга CM-6M ф.El...[vladi (08.Ноя.2025)]
2. Биохимический анализа...[Nadebor (08.Ноя.2025)]
3. Стерилизатор паровой ...[Ан2рей (07.Ноя.2025)]
4. УЗИ SonoAce Pico ф.Sa...[arslan (05.Ноя.2025)]
5. Система автомат. капи...[AntonioPetty (05.Ноя.2025)]
6. Dixion Овертон 6000[Нифигатор (05.Ноя.2025)]
7. Шланг для микроэлектр...[vev1974 (03.Ноя.2025)]
8. Стоматустановка Estet...[Shturman (31.Окт.2025)]
9. УЗИ DP-50 ф.Mindray (...[yzist (31.Окт.2025)]
1. VIVIX Setup Operation...[12.Окт.2025]
2. GenwareMP[10.Сен.2025]
3. Настройка реагентов M...[20.Авг.2025]
4. Philips HD3-EXP[13.Авг.2025]
5. Рентгеновское оборудо...[08.Авг.2025]
6. VersaMed iVent201 Сер...[13.Фев.2025]
7. Гелпик КРД Ренекс РЦ ...[09.Фев.2025]
8. Офтальмологическая ус...[31.Окт.2024]
9. Cardinal-Health-VELA-...[03.Окт.2024]
10. Service Manual HAMILT...[02.Окт.2024]
1. sergei72[07.Ноя.2025]
2. AlekseyVladimirovich[07.Ноя.2025]
3. dvl76[07.Ноя.2025]
4. DeepFarUser[07.Ноя.2025]
5. igabuga[06.Ноя.2025]
6. denistor_man[06.Ноя.2025]
7. gaboyan[05.Ноя.2025]
8. coover66[05.Ноя.2025]
9. Lukccc[05.Ноя.2025]
10. AnisjaOvsjannikova[05.Ноя.2025]
МастерБаку[583]
Yulana34[177]
Serg74[160]
Dimitrius[129]
naves[122]
РОМУЛ[121]
bektyish[121]
madmac[116]
Алекс-200[114]
begun_a[112]