[ Новые сообщения · Участники · Правила форума · Поиск · RSS ]



  • Страница 1 из 2
  • 1
  • 2
  • »
Модератор форума: evven  
Рукоделие
SeptДата: Четверг, 04.Авг.2011, 23:08 | Сообщение # 1
OFFлайн
Украина

Житомир
1. Центрифуга Элекон, опора двигателя.

Нужно быстро, а с запчастями как всегда, то есть, никак.
Может кому пригодится.
Единственное, тор нужно в сторону управления на 12мм сдвинуть.
0532920.jpg (130.8 Kb) · 8143323.jpg (144.9 Kb) · 5328738.jpg (116.7 Kb) · 6959349.jpg (125.5 Kb)
 
SeptДата: Четверг, 04.Авг.2011, 23:12 | Сообщение # 2
OFFлайн
Украина

Житомир
Продолжение...
9831410.jpg (124.5 Kb) · 0799235.jpg (126.7 Kb) · 5123652.jpg (126.4 Kb)
 
SeptДата: Четверг, 11.Авг.2011, 00:10 | Сообщение # 3
OFFлайн
Украина

Житомир
2. Медицинские отсасыватели - крышки банок.

Может кому пригодится.
6577094.jpg (134.5 Kb) · 1984427.jpg (158.0 Kb) · 5286735.jpg (146.9 Kb) · 3323956.jpg (179.7 Kb)
 
les_nik_178Дата: Четверг, 11.Авг.2011, 02:45 | Сообщение # 4
У вас сообщений: 1094
Медтехник
OFFлайн
Российская Федерация

Far East
А тут готовые есть
http://snabmed.narod.ru/price.html
 
SeptДата: Пятница, 12.Авг.2011, 23:55 | Сообщение # 5
OFFлайн
Украина

Житомир
les_nik_178, пасиба. biggrin drinks
[p.s.]Ты эти новые банки видел?
 
SeptДата: Четверг, 27.Окт.2011, 00:31 | Сообщение # 6
OFFлайн
Украина

Житомир
3. Пассивный электрод.

Может кому пригодится.
4992568.jpg (124.2 Kb) · 3236449.jpg (192.9 Kb) · 1531079.jpg (176.3 Kb) · 8999916.jpg (208.9 Kb)
 
SeptДата: Пятница, 03.Фев.2012, 23:31 | Сообщение # 7
OFFлайн
Украина

Житомир
4. Светильник бестеневой на "зеркалках".

У мужичка, который мне эти самые РН3 12-50 p20d продавал, возросли аппетиты.
Пришлось искать альтернативу. Получилось примерно такое:
4559970.jpg (94.3 Kb) · 1621425.jpg (89.4 Kb) · 8217372.jpg (111.4 Kb)
 
SeptДата: Пятница, 03.Фев.2012, 23:32 | Сообщение # 8
OFFлайн
Украина

Житомир
Продолжение.
3271525.jpg (90.6 Kb) · 4133821.jpg (79.8 Kb) · 0908131.jpg (144.8 Kb)
 
SeptДата: Среда, 09.Май.2012, 00:58 | Сообщение # 9
OFFлайн
Украина

Житомир
5. Обдув КД-90.

Не осталось целых валов, на месте посадки втулок-подшипников ров, пришлось уводить вал вперед.
Как следствие переточка удлиннителя (укорачивание на длинну смещения) и невозможность приделывания
крыльчатки а без обдува эти движки дохнут. Как вариант, зацените.
2419475.jpg (192.3 Kb) · 5740250.jpg (171.2 Kb) · 4285557.jpg (177.5 Kb) · 1049320.jpg (150.4 Kb)


Сообщение отредактировал Sept - Среда, 09.Май.2012, 23:03
 
SeptДата: Суббота, 21.Июл.2012, 00:27 | Сообщение # 10
OFFлайн
Украина

Житомир
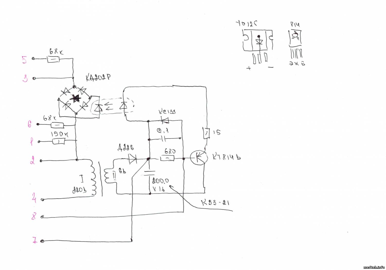
6. Баня ТПС (сгорело управление).

В общем, всё понятно из названия ...
5292264.jpg (109.7 Kb) · 0400091.jpg (113.1 Kb) · 9443026.jpg (105.0 Kb)
 
SeptДата: Суббота, 21.Июл.2012, 00:29 | Сообщение # 11
OFFлайн
Украина

Житомир
В конце, схемы и печатка в лойте.
Громко не ржать, сильно не пинать. biggrin
Бывает и такое просят сделать.
2390962.jpg (96.5 Kb) · 3315936.jpg (104.6 Kb) · 8453400.jpg (373.5 Kb) · 3996586.jpg (65.2 Kb) · 6883116.lay (20.9 Kb)


Сообщение отредактировал Sept - Суббота, 21.Июл.2012, 00:36
 
SeptДата: Среда, 08.Авг.2012, 00:49 | Сообщение # 12
OFFлайн
Украина

Житомир
7. Хирургический инструмент.

Обещал пинцеты но с начала будет держатель. Неубиваемая штука, проверено.
Ручка, это просверленая 12мм фторопластовая палочка, стержень - 4мм электрод нержавейка, пластинка - клема
это кусок китайского термоса, тоже нержавейка. На стержне и в патроне режем резьбу м4, пластинку припаеваем, собираем,
затягиваем термоусадкой. Шнур сменный, с одной стороны штеккер 4мм, с другой автомобильня клемма.
Ко всему имеем набор сменных цанг, можно зажать инструмент любого диаметра.
На последнем фото, тот самый термос с которого режу пластинки.
1932577.jpg (86.0 Kb) · 1149093.jpg (84.7 Kb) · 4633970.jpg (90.8 Kb) · 7799177.jpg (111.8 Kb)
 
DimitriusДата: Воскресенье, 02.Сен.2012, 21:59 | Сообщение # 13
У вас сообщений: 410
инженер
OFFлайн
Украина

Украина
Отлично придумано good , я тоже делал с цангами, но только ручки брал с завода(с полиамида штук 100 выточили), клемму исключил(наглухо было впаяно). Только есть вопрос к Автору- а не окисляются места пайки и резьбовые соединения от любимого всеми дезраствора? (я с этим боролся не мало, пока в герметик не начал садить). Особенно интересует место стыка цанги и насадок, там часто соли получаются
 
SeptДата: Воскресенье, 02.Сен.2012, 22:47 | Сообщение # 14
OFFлайн
Украина

Житомир
8. Ремонт кабелей ЭКГ.

Лучше всего наконечники вскрывать вот таким образом.
Потом только чуточку китайскиж термосоплей и термоусадка.
Прибор типа выжигателя, нихром 0,4 мм, на 1 см-1вольт.
Все собираюсь этот прибор облагородить, пока не выходит. unknown
6345654.jpg (140.2 Kb) · 6222194.jpg (80.0 Kb) · 6965478.jpg (75.2 Kb) · 0407562.jpg (75.0 Kb) · 3948901.jpg (68.3 Kb)


Сообщение отредактировал Sept - Воскресенье, 02.Сен.2012, 22:56
 
SeptДата: Воскресенье, 02.Сен.2012, 22:54 | Сообщение # 15
OFFлайн
Украина

Житомир
Спасибо на добром слове.
Третий год только провода подношу, они даже цанги сами меняют.
По поводу солей, там все разбирается элементарно, наверное протирают,
не жалуются, короче.
 
SeptДата: Среда, 05.Сен.2012, 23:45 | Сообщение # 16
OFFлайн
Украина

Житомир
Думаю, как колоть пинцет, никого учить не нужно. biggrin Собственно процесс...
8586672.jpg (172.0 Kb) · 4730439.jpg (167.5 Kb) · 9748433.jpg (164.8 Kb) · 5292131.jpg (140.6 Kb) · 6225443.jpg (164.1 Kb)
 
SeptДата: Четверг, 06.Сен.2012, 20:39 | Сообщение # 17
OFFлайн
Украина

Житомир
Конец процесса... Для того чтоб под термоусадку не попадала всякая гадость,
края термоусадки нужно приклеить. Мы используюем липучку для линолеума,
на фото видно полосочки.
4983847.jpg (156.4 Kb) · 1533863.jpg (151.6 Kb) · 9702631.jpg (171.4 Kb)
 
STarasДата: Пятница, 07.Сен.2012, 22:44 | Сообщение # 18
инженер-электроакустика, ультразвук
OFFлайн
Украина

Ровно
Sept, что за тряпочка на фотке 9748433.jpg и как с фотки 9748433.jpg делается 5292131.jpg ?
 
SeptДата: Суббота, 08.Сен.2012, 01:28 | Сообщение # 19
OFFлайн
Украина

Житомир
Пинцет и вставку прихватываем клеем, в данном случае цианопан, пока сохнет - в струбцину.
Тряпка - лен или стеклоткань 2,5см, мочим в эпоксидке и плотнячком обворачиваем.
Льна идет примерно 20см, стеклоткани -10см.
Процедура довольно грязная, потому промежуточных фоток нет, руки мыть не хотел. biggrin
 
Uvarov63Дата: Четверг, 11.Окт.2012, 15:59 | Сообщение # 20
Участник
У вас сообщений: 76
Инженер мед оборудования
OFFлайн
Российская Федерация

Самара
а на сколько хватает места соединения пинцета и кабеля? у тебя там получается перегиб кабеля приличный сразу после соединения с разъемом пинцета, кабель не быстро ломается?

Сообщение отредактировал Uvarov63 - Четверг, 11.Окт.2012, 16:17
 
SeptДата: Пятница, 12.Окт.2012, 01:37 | Сообщение # 21
OFFлайн
Украина

Житомир
Кабель сгнивает от стерилизации быстрее чем ломается, так что там все нормально. biggrin
 
Uvarov63Дата: Пятница, 12.Окт.2012, 08:32 | Сообщение # 22
Участник
У вас сообщений: 76
Инженер мед оборудования
OFFлайн
Российская Федерация

Самара
biggrin biggrin biggrin
ни фига себе у вас его стерилизуют)))) у нас не гниет вообще)
 
SeptДата: Суббота, 13.Окт.2012, 02:42 | Сообщение # 23
OFFлайн
Украина

Житомир
Спроси чем стерилизуют? Так, для себя.
 
Uvarov63Дата: Суббота, 13.Окт.2012, 11:07 | Сообщение # 24
Участник
У вас сообщений: 76
Инженер мед оборудования
OFFлайн
Российская Федерация

Самара
У нас есть ЦСО, где стоит оборудование Steris 777, 333 и др (паровые стерилизаторы и прочее), на каждом из этажей тоже свои стерисовские моечные машины, а в оперблоке стоит этилен-оксидный стерилизатор, насколько понимаю пинцеты именно в нем стерилизуют. в понедельник уточню где именно стерилизуют пинцеты. (ЦСО занимается другой инженер)
 
VladoДата: Понедельник, 14.Янв.2013, 06:36 | Сообщение # 25
Участник
У вас сообщений: 162
лентяй,лодырь,алкоголик.
OFFлайн
Российская Федерация

Perm
С прошедшими праздниками!!!! drinks добрался до флешки,сделал новые фотографии. за качество не бейте(не фотограф)
6619420.jpg (525.3 Kb) · 5963129.jpg (106.1 Kb) · 1539348.jpg (117.5 Kb) · 8463765.jpg (118.4 Kb) · 8408586.jpg (111.1 Kb)
 
SeptДата: Среда, 16.Янв.2013, 02:46 | Сообщение # 26
OFFлайн
Украина

Житомир
Так смотреть удобнее. Еще ничего не делал?  Готовый девайс покажешь?
Желательно пошагово.
1342835.jpg (307.0 Kb) · 3403474.jpg (324.6 Kb)
 
SeptДата: Воскресенье, 21.Июл.2013, 23:36 | Сообщение # 27
OFFлайн
Украина

Житомир
9. Светильник бестеневой.

Переделка с тракторных на галоген
7578226.jpg (192.4 Kb) · 1905645.jpg (103.8 Kb) · 0583132.jpg (129.6 Kb) · 1235396.jpg (158.5 Kb) · 6127785.jpg (134.4 Kb) · 6564016.jpg (160.1 Kb)
 
TexnikimsДата: Вторник, 23.Июл.2013, 21:32 | Сообщение # 28
У вас сообщений: 549
Сервисный Инженер
OFFлайн
Российская Федерация

МО Люберцы
good какая мощность у новых ламп?
 
SeptДата: Понедельник, 29.Июл.2013, 22:49 | Сообщение # 29
OFFлайн
Украина

Житомир
35 Вт, за счет более точной фокусировки, освещенность выше чем при штатных тракторных 50-ти ваттных.
 
susel63Дата: Среда, 09.Окт.2013, 19:00 | Сообщение # 30
Стажер
У вас сообщений: 43
электромеханик. ТО и ремонт
OFFлайн
Российская Федерация

Хакасия (от Урала направо)
Было дело, переделывал, только поступил проще, в светильнике СМ 36 просто заменил все рефлекторы - купил в магазине Жигулевские под галогенки Н4 и поставил 55\65 W. 2 операционные забыли про негорящие лампы. Мощности трансформаторов хватает по уши.
 
SeptДата: Вторник, 22.Окт.2013, 23:51 | Сообщение # 31
OFFлайн
Украина

Житомир
Будет плавиться поликарбонат, проверено. В перевязочной работает, в операционной нет.
При длительной непрерывной работе лампы его коробит и расплавляются полиэтиленовые распорки.
 
med57Дата: Воскресенье, 01.Июн.2014, 19:00 | Сообщение # 32
Участник
У вас сообщений: 83
Александр
OFFлайн
Российская Федерация

Орел
Sept, а откуда взять нихромовую проволоку?

Благодарю за Ваш ответ.
 
SeptДата: Среда, 27.Авг.2014, 01:21 | Сообщение # 33
OFFлайн
Украина

Житомир
От спиральки кусочек откусить.
 
creytДата: Среда, 27.Авг.2014, 05:55 | Сообщение # 34
У вас сообщений: 546
техник
OFFлайн
Российская Федерация

Кузня
Или бором дырку пропиливаеш напротив пайки. Дырку клеем термо. Потом даже термоусадка не нужна.

у меня все диоды болят
 
andrew2709Дата: Среда, 27.Авг.2014, 10:36 | Сообщение # 35
Участник
У вас сообщений: 149
инженер по медоборудованию
OFFлайн
Российская Федерация

Екатеринбург
Цитата med57 ()
а откуда взять нихромовую проволоку?

в е-бурге в хозтоварах до сих пор попадаются нихромовые спирали для электроплиток
у меня с застойного периода сохранилась бобины нихрома 40 и 60, Д 0,4- 0,6- 0,8- 1,1
Если кому надо- могу выслать пару метров ( письмом biggrin )
есть даже нихромовые спирали для СНОЛов, но там нихром Д 2-3мм
Для зажимов электродов ЭКГ(вместо фирменных ) идеально подходят старые кнопки (большие)


Сообщение отредактировал andrew2709 - Среда, 27.Авг.2014, 13:53
 
МастерБакуДата: Среда, 27.Авг.2014, 10:40 | Сообщение # 36
У вас сообщений: 11269
инженер
OFFлайн
Российская Федерация

Нижний Новгород
разрезать корпус штекера можно скальпелем , диском , или импульсным паяльником сменинив нить . а собирать обратно лучше так :
оборачиваем плотно в один слой фторопластовой лентой от кондесаторов типа ФТ и простым паяльником через ленту заплавляем разрез. получается очень аккуратно . при большой глубине материала надо предварительно паяльником подварить на глубине. удобно использовать паяльник , включённый через регулятор освещения.
1896716.jpg (5.7 Kb) · 8926361.jpg (2.7 Kb)


Сообщение отредактировал МастерБаку - Среда, 27.Авг.2014, 10:42
 
SeptДата: Воскресенье, 07.Сен.2014, 21:43 | Сообщение # 37
OFFлайн
Украина

Житомир
Ребята, покажите готовые изделия.
Дырку пропилить не штука. Как запустить и закрепить коаксиаль.
Как выглядит зажим? (от старых кнопок)
Как выглядит готовый результат после фторопластовой пленки?
 
prostopunkДата: Среда, 17.Сен.2014, 21:58 | Сообщение # 38
Участник
У вас сообщений: 59
электрокардиографы, мониторы
OFFлайн
Украина

Тернополь
Сегодня пофоткал как происходит процесс ремонта кабеля экг:
1) спиливаем на наждачном круге корпус штырька до шляпки резистора, лудим шляпку (не вывод, а именно шляпку) (рис 1)
2) готовим кабель - зачищаем, удаляем экран, лудим, изолируем термоусадкой (рис 2)
3) готовим термоусадочные кембрики: я беру кембрики диаметром 6 и разжимаю концы с помощью утконосов (лучше взять кембрики меньшего диаметра и расширить их - после усаживания будут эластичнее) (рим. 3)
4) кембрики натягиваем на кабеля (что бы потом не забыть)) (рис 4)
5) паяем кабель к залуженной шляпке резистора и приматываем его ниткой (рис 5)
6) покрываем конструкцию термоклеем (можно клеевым пистолетом) так, чтобы сгладить переход штырёк-кабель (рис 6)
7) насаживаем термоусадку (желательно на еще жидкий термоклей - лучше натягивается) (рис 7)
8) осаживаем термоусадку с помощью фена паяльной станции (прогреть нужно хорошо, что бы расплавился клей под кембриком - он так разглаживается и прилипает к кембрику) (рис. 8)
9) наносим термоклей на остальную часть штырька, что бы сгладить неровности (рис. 9)
10) готовим второй слой термоусадки - ее тоже можно расширить с помощью утконосов (рис 10)
11) надеваем вторую термоусадку и усаживаем ее феном хорошо прогревая (как и в п. 8) (рис.11) - штырек готов
12) рис. 12 - готовый кабель (однотонные - основные, комбинация цвета с белым - грудные)
служат 3 года (а то и больше) - проверено
термоклей - желательно прозрачный - не окрашивает термоусадку и эластичнее
температура воздуха для усаживания (если верить паяльной станции) 250-300 С
 
prostopunkДата: Среда, 17.Сен.2014, 22:05 | Сообщение # 39
Участник
У вас сообщений: 59
электрокардиографы, мониторы
OFFлайн
Украина

Тернополь
рисунки
ECG.zip (1.28 Mb)


Сообщение отредактировал prostopunk - Среда, 17.Сен.2014, 22:13
 
creytДата: Среда, 01.Апр.2015, 08:18 | Сообщение # 40
У вас сообщений: 546
техник
OFFлайн
Российская Федерация

Кузня
Китайские товарищи забыли провод припаять.
0135428.jpg (174.1 Kb) · 1193678.jpg (200.3 Kb) · 9766906.jpg (203.6 Kb) · 3614533.jpg (211.6 Kb) · 2473075.jpg (193.1 Kb)


у меня все диоды болят

Сообщение отредактировал creyt - Среда, 01.Апр.2015, 08:20
 
  • Страница 1 из 2
  • 1
  • 2
  • »
Поиск:



Статистика Форума
Последние обновления тем: Новые файлы хранилища: Новые участники: Top10 участников:
1. Aution max AX-4030, т...[MasterSkif (08.Дек.2025)]
2. Замена светодиода на ...[Shturman (05.Дек.2025)]
3. Анализатор поля зрени...[SpirituS (04.Дек.2025)]
4. Программный комплекс ...[mqubali (04.Дек.2025)]
5. Кардиорегистратор «ИК...[albano18 (04.Дек.2025)]
6. Thermo Scientific gem...[viggen (03.Дек.2025)]
7. Центрифуга CM-6M ф.El...[Ningen64 (03.Дек.2025)]
8. Дефибриллятор Defi B ...[san-che30 (02.Дек.2025)]
9. Коллиматор Ralco R 22...[seeker (02.Дек.2025)]
1. VIVIX Setup Operation...[12.Окт.2025]
2. GenwareMP[10.Сен.2025]
3. Настройка реагентов M...[20.Авг.2025]
4. Philips HD3-EXP[13.Авг.2025]
5. Рентгеновское оборудо...[08.Авг.2025]
6. VersaMed iVent201 Сер...[13.Фев.2025]
7. Гелпик КРД Ренекс РЦ ...[09.Фев.2025]
8. Офтальмологическая ус...[31.Окт.2024]
9. Cardinal-Health-VELA-...[03.Окт.2024]
10. Service Manual HAMILT...[02.Окт.2024]
1. Nurgazy[12.Дек.2025]
2. alviola[12.Дек.2025]
3. ServicTeh[12.Дек.2025]
4. Maks_M[12.Дек.2025]
5. barguz94[11.Дек.2025]
6. tasin[11.Дек.2025]
7. alabay[11.Дек.2025]
8. tolikhelp[11.Дек.2025]
9. Daswer[10.Дек.2025]
10. Zhenysoglasis[10.Дек.2025]
МастерБаку[583]
Yulana34[177]
Serg74[160]
Dimitrius[129]
naves[122]
РОМУЛ[121]
bektyish[121]
madmac[116]
Алекс-200[114]
begun_a[112]