[ Новые сообщения · Участники · Правила форума · Поиск · RSS ]



  • Страница 8 из 9
  • «
  • 1
  • 2
  • 6
  • 7
  • 8
  • 9
  • »
Модератор форума: zx19  
Фотометр фотоэлектрический КФК-3-01-«ЗОМЗ»
FiziqДата: Среда, 24.Фев.2010, 21:30 | Сообщение # 1
Стажер
У вас сообщений: 41
Инженер
OFFлайн
Российская Федерация

Ростов-на-Дону
Фотометр фотоэлектрический КФК-3-«ЗОМЗ», производства ОАО «Загорский оптико-механический завод» (ЗОМЗ), выпускается в трёх модификациях:
- фотометр фотоэлектрический КФК-3-01-«ЗОМЗ» - базовая модель (выпускаемый в исполнениях БШ2.853.021-02.1 и БШ2.853.021-02.2);
- фотометр фотоэлектрический КФК-3-02-«ЗОМЗ» с термостатируемым кюветным отделением;
- фотометр фотоэлектрический КФК-3-03-«ЗОМЗ» с проточной кюветой с насосом и внешним термостатом для подготовки проб, с целью обеспечения их правильной эксплуатации.


К сведению: есть также темы:
- Фотометр фотоэлектрический КФК-3-01-«ЗОМЗ» (Неполадки/проблемы, опыт и советы по их устранению);
- Фотометр фотоэлектрический КФК-3-02-«ЗОМЗ» (Неполадки/проблемы, опыт и советы по их устранению);
- Фотометр фотоэлектрический КФК-3-«ЗОМЗ». (Неполадки/проблемы, опыт и советы по их устранению).
 
lvya47Дата: Суббота, 12.Дек.2015, 17:31 | Сообщение # 281
Стажер
У вас сообщений: 5
Электромеханик
OFFлайн
Российская Федерация

-----
Добрый день!
К сообщению 256. Первое, очень разочарован что никто ничего не посоветовал. Неужели нет специалистов в этой области.
И второе продолжая искать причину, заменил фотодиод, не помогло. Длина волны не сбилась, но на длине 550,7 нм. так и осталась погрешность в 10 нм. Прибор
показывает 540-541 нм. Контроллер стоит AtMega64L-8AU. Что еще можно сделать, ведь неисправность существует...


Сообщение отредактировал lvya47 - Суббота, 12.Дек.2015, 17:32
 
IgenДата: Понедельник, 14.Дек.2015, 11:34 | Сообщение # 282
Участник
У вас сообщений: 153
уволен по сокращению штата
OFFлайн
Молдова

Кишинев
«А судью кто….», попробуйте прописать все три фильтра на двухлучевом, или псевдодвухлучевом спектрофотометре, и посмотрите визуально пики.
Да и линейность R/U/длина волны посмотрите.


Сообщение отредактировал Igen - Понедельник, 14.Дек.2015, 11:46
 
VacyДата: Вторник, 15.Дек.2015, 10:03 | Сообщение # 283
Участник
У вас сообщений: 110
инженер по ремонту СИТ
OFFлайн
Российская Федерация

Севастополь
если есть интерфереционные св.фильтры проблем не должно быть. Для начала нужно было написать с каким дефектом пришел прибор и что стало после градуировки. Нужно вернуть все на место и светодиод тоже. Проверить св. фильтры на другом аппарате (может уронили ). В оригинале ЗОМЗ дает номинал ,помоему ,до тысячных. В вашем варианте скорее всего глючит многооборотный резистор.
 
lvya47Дата: Вторник, 15.Дек.2015, 20:18 | Сообщение # 284
Стажер
У вас сообщений: 5
Электромеханик
OFFлайн
Российская Федерация

-----
К сообщению 261
Добрый день!
О проблеме с прибором было описано в сообщении №256.
Хочу дополнить прибор не укладывался по длине волны по всем трем интерференционным фильтрам.
Фильтры имеют свидетельство о поверке, а также поверялись на другом фотометре.
Откалибровал прибор по интерференционным фильтрам, начало (379,5 нм.) и конец (878,9 нм.) делаю проверку середины (550,7 нм.), прибор занижает на 10 нм. До калибровки заменил и отъюстировал лампу, хотя на длине волны 315 нм. не мог сделать более 0.01в. Напряжение на лампе нормальное, переключение происходит с 12 в. на 8 в. на длине волны 450 нм.
Решил настроить по методике из хранилища в итоге вообще не могу найти максимумы пропускания ни по одному фильтру.
Не знаю что делать дальше
 
VacyДата: Среда, 16.Дек.2015, 09:12 | Сообщение # 285
Участник
У вас сообщений: 110
инженер по ремонту СИТ
OFFлайн
Российская Федерация

Севастополь
На что жаловался пользователь когда сдавал в ремонт фотометр? При замене лампы проводить юстировку на 540н.м. на листе белой бумаги у входного окна фотоприемника. На длинах волн от 315 до 400н.м. в монохроматоре вводятся дополнительные св. фильтры- они со временем покрываются типа изморозью. Если не работают в этом диопазоне то лучше не трогать. Или снять рычаг , отполировать их с маслом и пастой г. -помыть. У меня самодельная ручная дрель(12в. мотор с патроном) и косметические палочки. Возможно из-за слабого сигнала в точке 379,5н.м. происходит настройка на ложный пик? При условии, что многооборотник хороший. Проверка-из начала диопазона медленно вращая контролировать рост показаний на дисплее. Скачков не должно быть.
 
IgenДата: Пятница, 18.Дек.2015, 13:05 | Сообщение # 286
Участник
У вас сообщений: 153
уволен по сокращению штата
OFFлайн
Молдова

Кишинев
В дополнение к вышесказанному, сказка-быль:

В аналогичном случае однажды мы посоветовали, просто настроить прибор по 540 нм, среднему фильтру, затем оценить погрешность по краям спектра.

Клиент после этого сам захотел прописать все свои светофильтры, чтобы визуально увидеть высоту, ширину, форму пиков.
 
lvya47Дата: Понедельник, 21.Дек.2015, 14:58 | Сообщение # 287
Стажер
У вас сообщений: 5
Электромеханик
OFFлайн
Российская Федерация

-----
А вообще может слететь прошивка, где пишутся расчетные коэффициенты и тогда неправильно считает?
Или это не возможно? Контроллер стоит AtMega64L-8AU.
 
IgenДата: Понедельник, 21.Дек.2015, 15:20 | Сообщение # 288
Участник
У вас сообщений: 153
уволен по сокращению штата
OFFлайн
Молдова

Кишинев
А линейность R/U/длина волны посмотрите, это проще.
 
Aleksandr_dlinniyДата: Среда, 25.Май.2016, 09:57 | Сообщение # 289
Участник
У вас сообщений: 56
Инженер
OFFлайн
Российская Федерация

Владимир
Добрый день такая проблема с КФК-3 ЗОМЗ, занижает значение по всем 3м светофильтрам из набора на 0,4%(12.2% вместо 12,6%) фильтр К1, 1,2%(76% вместо 77,2%) на К2 все на длинах 540нм. И максимальное пропускание на К3 вместо паспортных 553,8нм 558(26,4%).Он не прошел поверку как раз из-за этих погрешностей,кто сталкивался подскажите
 
VacyДата: Среда, 25.Май.2016, 10:25 | Сообщение # 290
Участник
У вас сообщений: 110
инженер по ремонту СИТ
OFFлайн
Российская Федерация

Севастополь
Исключив человеческий фактор-нужно: а)проверить все питающие напряжения, б)прогнать весь диопазон (без скачков и какаво перекрытие)
 
Aleksandr_dlinniyДата: Четверг, 26.Май.2016, 16:28 | Сообщение # 291
Участник
У вас сообщений: 56
Инженер
OFFлайн
Российская Федерация

Владимир
Напряжение о всей длине меняется плавно с 2,145В до 0,1 никаких скачков нет. Напряжение на лампе до 500нм 12,1В после 10,5 В
 
VacyДата: Пятница, 27.Май.2016, 12:45 | Сообщение # 292
Участник
У вас сообщений: 110
инженер по ремонту СИТ
OFFлайн
Российская Федерация

Севастополь
Если диопазон регулируется в пределах 320-900 нм. и питающие напряжения в норме(пульсация тоже) необходимо провести градуировку. Для этого необходимо иметь комплект интерференционных светофильтров "Ф".
 
vvpДата: Пятница, 27.Май.2016, 19:03 | Сообщение # 293
У вас сообщений: 404
инженер
В сети
Российская Федерация

Уфа
Aleksandr_dlinniy,
Цитата Aleksandr_dlinniy ()
И максимальное пропускание на К3 вместо паспортных 553,8нм 558(26,4%)

У тебя сбита длина волны. Сделай её и погрешность по фильтрам к1 и к2 уйдет.
 
Aleksandr_dlinniyДата: Понедельник, 30.Май.2016, 08:31 | Сообщение # 294
Участник
У вас сообщений: 56
Инженер
OFFлайн
Российская Федерация

Владимир
Ценник конечно на этот у ЗОМЗ кучерявый 108к, а без набора"Ф",по фильтрам из комплекта не получится провести градуировку?
 
VacyДата: Понедельник, 30.Май.2016, 08:57 | Сообщение # 295
Участник
У вас сообщений: 110
инженер по ремонту СИТ
OFFлайн
Российская Федерация

Севастополь
Нет не получится. Я поначалу у наших поверителей брал набор КНФ-1М ,был и ПС-7. Тренировался на КФК-3 недели две-не получилось. Многооборотный резистор в монохроматоре поменять можно без последующей градуировки, главное внимание.
А в твоей ситуации если предприятие не купит набор-пригласить специалиста с оплатой командировки или взять прибор и съездить. Вся работа вместе с прогревом занимает 20min.
 
IgenДата: Понедельник, 30.Май.2016, 11:29 | Сообщение # 296
Участник
У вас сообщений: 153
уволен по сокращению штата
OFFлайн
Молдова

Кишинев
Иметь нормированные интерференционные светофильтры с одиночными узкими и высокими пиками/впадинами это есть очень хорошо.

Ведь беда стекла ПС-7 (неодимовое стекло), его собрата из оксида гольмия, не в целом наборе пиков и впадин, имея распечатку графика спектральной зависимости, а их легко можно прописать на двухлучевом спектрофотометре, разобраться, где какой пик/впадина можно было бы, но пики/впадены не очень узки и не очень высоки/низки.

И если чувствительность/полезный сигнал фотометра мал, то пик/впадина как бы «размывается», и уловить его/её очень и очень трудно.

Эти светофильтры хорошо работают на двухлучевых/псевдодвухлучевых спектрофотометрах.

Фильтры серии К из набора к фотометры, лишь средство самоконтроля в межповерочный период, калибруются по «родному» фотометру, каждый раз после его поверки.

У фотометра есть проблемы с ультрафиолетом, малый полезный сигнал, незначительно превышающий шум, возможно увеличение стороннего, мешающего излучения.

Так проведя замеры по Т% на 440 нм было обнаружена значительная положительная погрешность, проведя те же замеры, но вставив в кюветную камеру светофильтр на 440 нм из КФК-2, фильтр мы прописали на спектрофотометре, погрешность по Т% была в норме.

Не устранимых проблем с длиной 540 нм не наблюдалось, да и настроить её можно, хотя бы и с помощью фильтра на 540 нм от КФК-2.
 
VacyДата: Вторник, 05.Июл.2016, 08:39 | Сообщение # 297
Участник
У вас сообщений: 110
инженер по ремонту СИТ
OFFлайн
Российская Федерация

Севастополь
В дополнение к вышесказанному. Проверять работоспособность прибора на длинах волн менее 400нм нужно при закрытом кожухе прибора и в отсутствии рядом сильных магнитных полей. Фотометр в этом диопазоне работает с повышенным коэф. усиления из-за ослабленной освещенности фотоэлемента. А также вероятная причина в двех светофильтрах(темный и голубой) вводимых поочередно в световой поток в диопазоне 315-400нм. В процессе работы на них появляется "изморозь", что является ослаблением.
 
Stanislav_FirstДата: Четверг, 20.Окт.2016, 12:06 | Сообщение # 298
Участник
У вас сообщений: 135
Инженер-электроник
OFFлайн
Украина

Запорожье
Добрый день. D - #, градуировка проходит, но после открытия крышки темнолвой ток "-8,25". Я так понимаю разбаланс усилителя фотоприемника(или с чем это может быть всязано?). Все питающие напряжение в норме. Как отстроить "ноль"?
 
Alex3Дата: Пятница, 28.Окт.2016, 15:13 | Сообщение # 299
Заглянувший
У вас сообщений: 1
инженер
OFFлайн
Российская Федерация

Йошкар-Ола
Здравствуйте! Кто может поделиться сервисной инструкцией или прошивкой на кфк-3-01 зомз (с одним дисплеем). Никак не удается настроить по длинам волн, если настроишь.например на 540 мкм, то остальные длины волн не совпадают (расянуты в обе стороны).

Сообщение отредактировал Alex3 - Пятница, 28.Окт.2016, 15:16
 
VacyДата: Понедельник, 31.Окт.2016, 08:27 | Сообщение # 300
Участник
У вас сообщений: 110
инженер по ремонту СИТ
OFFлайн
Российская Федерация

Севастополь
А как ты настраиваешь и на чем?
 
михалыч-601Дата: Вторник, 13.Дек.2016, 19:45 | Сообщение # 301
У вас сообщений: 50
ремонтник
OFFлайн
Украина

кременчуг
Подскажите КФК-3-01. начало и конец шкалы в классе в районе 72% погрешность в 2 раза прывышает допуск.
лампу поменял,настроил. не могу вогнать в клас.


будте здоровы !!!
 
medtehnik850Дата: Среда, 05.Апр.2017, 20:08 | Сообщение # 302
Стажер
У вас сообщений: 6
электромеханик
OFFлайн
Кыргызстан

Бишкек
Здравствуйте,на кфк3-01 ЗОМЗ когда настраиваешь длину волны 630 нм (смотрит мочу) ,длина волны перескакивает от 600 сразу на 700 и далее показывает 999 нм,и ярко светит лампа, а когда обратно крутишь переменный резистор, сразу высвечивается 700 и т.д. Т.е. настройка длин волн плавно не идёт. В других волнах тоже (540нм). Почистил резистор.Пожалуйста подскажите, как исправить эту ошибку.

Ruslanmedtehnik
 
VacyДата: Четверг, 06.Апр.2017, 07:43 | Сообщение # 303
Участник
У вас сообщений: 110
инженер по ремонту СИТ
OFFлайн
Российская Федерация

Севастополь
Заменить резистор
 
IgenДата: Пятница, 07.Апр.2017, 11:43 | Сообщение # 304
Участник
У вас сообщений: 153
уволен по сокращению штата
OFFлайн
Молдова

Кишинев
В том что у Вас проблемы резистором наглядно можно убедится подключив вместо него магазин сопротивлений типа Р33, появится легкость изменения длины волны, линейность преобразования можно посмотреть
 
seka74Дата: Четверг, 07.Дек.2017, 10:29 | Сообщение # 305
Заглянувший
У вас сообщений: 2
лабораторная диагностика
OFFлайн
Казахстан

шымкент
Здравствуйте,как сбросить на заводские настройки кфк-3-01 зомз.
 
doctor_farshДата: Четверг, 07.Дек.2017, 22:54 | Сообщение # 306
У вас сообщений: 792
инженер по ремонту медоборудования
OFFлайн
Российская Федерация

Благовещенск
А какие симптомы?
 
seka74Дата: Пятница, 08.Дек.2017, 06:30 | Сообщение # 307
Заглянувший
У вас сообщений: 2
лабораторная диагностика
OFFлайн
Казахстан

шымкент
при проверке стандартными фильтрами занижает
 
GallДата: Пятница, 23.Мар.2018, 09:18 | Сообщение # 308
Участник
У вас сообщений: 81
Инженер КДЛ
OFFлайн
Российская Федерация

Пятигорск
Stanislav_First, с атмеги слить не получается, фьюз-биты защиты стоят на кфк3-01. прошивка у меня есть только на кс573рт2.
 
artem521Дата: Суббота, 24.Мар.2018, 16:48 | Сообщение # 309
Стажер
У вас сообщений: 32
инженер
OFFлайн
Российская Федерация

Ачинск
Имеется КФК 3-01 ЗОМЗ с перегоревшим резистором, может кто номинал скажет? фото прилагаю
8046189.png (1.75 Mb)


Сообщение отредактировал artem521 - Суббота, 24.Мар.2018, 16:56
 
oleglovskojДата: Понедельник, 16.Июл.2018, 13:24 | Сообщение # 310
Заглянувший
У вас сообщений: 1
Медтехник
OFFлайн
Казахстан

Караганда
Здравствуйте. У меня на ремонте КФК-3-01 ЗОМЗ. При включении на экране появляется меню настройки контрастности. при этом контрастность регулируется, но на этом и все. Выйти из этого меню не получается, дальше аппарат не грузится. Подскажите пожалуйста как бороться с этой проблемой.
 
GallДата: Четверг, 26.Июл.2018, 22:35 | Сообщение # 311
Участник
У вас сообщений: 81
Инженер КДЛ
OFFлайн
Российская Федерация

Пятигорск
oleglovskoj, проверь клавиши. скорее всего клавиша "1" всегда нажата. залили видимо клавиатуру.
 
PeterPeterДата: Четверг, 20.Сен.2018, 10:48 | Сообщение # 312
Заглянувший
У вас сообщений: 3
инженер
OFFлайн
Российская Федерация

Томск
Лучше поздно, чем никогда :)

Цитата artem521 ()
Имеется КФК 3-01 ЗОМЗ с перегоревшим резистором, может кто номинал скажет? фото прилагаю
- там должно быть 47 Ом, у самого прибор с такой неисправностью.

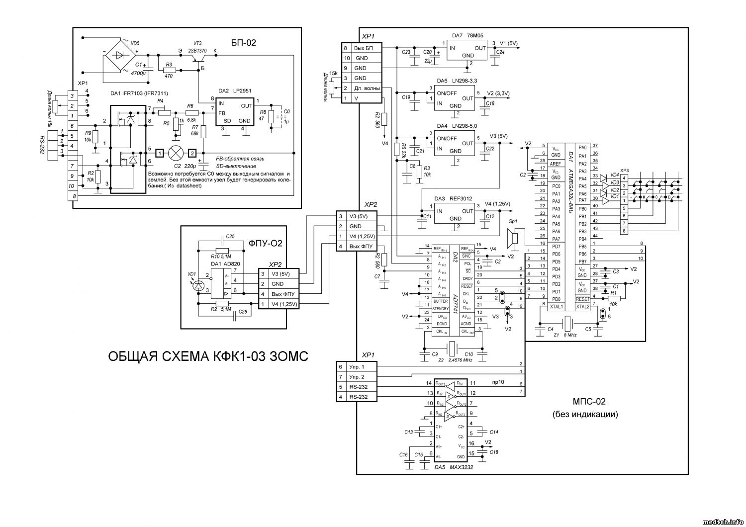
в сообщении alesk #246, выложен вариант схемы блока питания для КФК. Посмотрите её (www.medteh.info/_fr/9/8296440.jpg). В вашем случае обвязка LP2951 должна быть без изменений (ИМХО).

Только имейте ввиду, что сгоревшее в уголь сопротивление не является причиной неисправности, а скорее всего следствие неправильной уставки/неисправности цифрового потенциометра AD5162.
 
PeterPeterДата: Четверг, 20.Сен.2018, 11:19 | Сообщение # 313
Заглянувший
У вас сообщений: 3
инженер
OFFлайн
Российская Федерация

Томск
Собственно вопрос по блоку питания БПС-3 прибора КФК-3-01.

Попросили поглядеть данный прибор. При осмотре обнаружил сгоревший в уголь резистор 47(Ом) в выходной цепи LP2951CM (как в посте у artem521). Контактные площадки так-же отгорели, потому заменил на выводной резистор 0,5Вт. Передёрнул шлейф, пошевелил провода - прибор заработал.

Через полгода прибор принесли опять, уже c обуглившимся выводным резистором. Стал разбираться подробнее. Выяснил, что по непонятным причинам сдвоенный цифровой потенциометр (AD5162) при инициализации устанавливается в малое значение и тем самым открывает стабилизатор (LP2951CM) на "полную катушку" и через него начинает течь ток базы VT 2SB1370 ограниченный только R=47(Ом) при Uп~10,9В. Снял осциллограмму на выводах SPI AD5162. Увидел что "земля" болтается как хочет, прозвонил шлейф соединяющий БП и МК и увидел, что сопротивление единственного(!) земляного проводника в шлейфе зависит от изгиба кабеля :) Переобжал дефектный конец кабеля. Теперь с землёй всё нормально но потенциометр по прежнему устанавливается в малое значение.

Что копать далее? Есть ли у кого какие идеи? Заранее спасибо.

P.S. Обратил внимание, что линейный стабилизатор греется ~ до +50С.
P.S.2. Общий вид платы БПС-3 смотри во вложении.
8982348.jpg (175.8 Kb)
 
PeterPeterДата: Четверг, 20.Сен.2018, 13:35 | Сообщение # 314
Заглянувший
У вас сообщений: 3
инженер
OFFлайн
Российская Федерация

Томск
Если кому будет полезно, нарисовал по печатной плате фрагмент схемы БПС-3 с узлом управления яркостью свечения лампы. Вроде без ошибок :)
8538513.gif (157.9 Kb)
 
LeonIVДата: Воскресенье, 23.Сен.2018, 21:57 | Сообщение # 315
Стажер
У вас сообщений: 6
Ведущий специалист по измерительной
OFFлайн
Украина

Донецк
Вот здесь завалялось...
8748713.jpg (179.9 Kb)
 
Gipnot123Дата: Четверг, 29.Ноя.2018, 03:16 | Сообщение # 316
Заглянувший
У вас сообщений: 3
Новичок
OFFлайн
Канада

Харьков
Добрый день уважаемые форумчане. Помогите с проблемой. Есть прибор КФК-3-01. Не работает (от слова "ВООБЩЕ"). После включения идет прогрев, но лампочка при этом не светится (не подается питание), после 4-5 мин. прогрева на экране выскакивает ошибка отсутствует связь с АЦП. Если можете помогите советом. Заранее спасибо.
 
optimizerДата: Четверг, 29.Ноя.2018, 08:21 | Сообщение # 317
Завсегдатай
У вас сообщений: 273
инженер
OFFлайн
Российская Федерация

ЦФО
Цитата Gipnot123 ()
лампочка при этом не светится

Лампа зажигается после прогрева, чтобы ускорить процесс вкл - нажать последовательно кнопку D.
Цитата Gipnot123 ()
ошибка отсутствует связь с АЦП

Посмотрите шлейф/разъемы к ФПУ (фотоприемного устройства)
1832690.jpg (26.7 Kb)


Сообщение отредактировал optimizer - Четверг, 29.Ноя.2018, 08:23
 
Gipnot123Дата: Четверг, 29.Ноя.2018, 15:26 | Сообщение # 318
Заглянувший
У вас сообщений: 3
Новичок
OFFлайн
Канада

Харьков
Цитата optimizer ()
Посмотрите шлейф/разъемы к ФПУ (фотоприемного устройства)

Спасибо за совет. Проверил шлейф, контакты, все целое. К сожалению причина не в этом unknown
 
optimizerДата: Четверг, 29.Ноя.2018, 16:47 | Сообщение # 319
Завсегдатай
У вас сообщений: 273
инженер
OFFлайн
Российская Федерация

ЦФО
Цитата Gipnot123 ()
Проверил шлейф, контакты, все целое.

Тогда проверить напряжение на контактах шлейфа ФПУ; попробовать отключить шлейф ФПУ , повторится ли ошибка "отсутствует связь с АЦП"

Скорее всего дело в АЦП AD7741


Сообщение отредактировал optimizer - Четверг, 29.Ноя.2018, 16:52
 
Gipnot123Дата: Пятница, 30.Ноя.2018, 00:32 | Сообщение # 320
Заглянувший
У вас сообщений: 3
Новичок
OFFлайн
Канада

Харьков
При отключенном шлейфе ошибки нет, прибор переходит в режим прогрева лампы, но при этом питание на лампу не подается. unknown
 
  • Страница 8 из 9
  • «
  • 1
  • 2
  • 6
  • 7
  • 8
  • 9
  • »
Поиск:



Статистика Форума
Последние обновления тем: Новые файлы хранилища: Новые участники: Top10 участников:
1. Флюорограф ПроГраф 50...[Andruha-Andruha (24.Фев.2026)]
2. Формулировки ТЕХНИЧЕС...[seabee (24.Фев.2026)]
3. МАК-Монитор акушерски...[SeregkaS (17.Фев.2026)]
4. Аппарат С-дуга КМС-65...[nikbur (17.Фев.2026)]
5. КРД APOLLO ф.Villa Si...[Al_sml (16.Фев.2026)]
6. Стерилизатор паровой ...[yblod5 (16.Фев.2026)]
7. Установка импульсная ...[юранак (13.Фев.2026)]
8. ИВЛ Hamilton C1 ф.Ham...[masloff (12.Фев.2026)]
9. Выбор принтера для ра...[seabee (12.Фев.2026)]
1. Apollo EZ service man...[25.Дек.2025]
2. VIVIX Setup Operation...[12.Окт.2025]
3. GenwareMP[10.Сен.2025]
4. Настройка реагентов M...[20.Авг.2025]
5. Philips HD3-EXP[13.Авг.2025]
6. Рентгеновское оборудо...[08.Авг.2025]
7. VersaMed iVent201 Сер...[13.Фев.2025]
8. Гелпик КРД Ренекс РЦ ...[09.Фев.2025]
9. Офтальмологическая ус...[31.Окт.2024]
10. Cardinal-Health-VELA-...[03.Окт.2024]
1. masik05[24.Фев.2026]
2. rotor_forever[24.Фев.2026]
3. snowizard11[24.Фев.2026]
4. Dennzo[24.Фев.2026]
5. stvudi[23.Фев.2026]
6. Leus1111[23.Фев.2026]
7. iljasins[22.Фев.2026]
8. alla_dubinskaya[22.Фев.2026]
9. Иван93Rus[22.Фев.2026]
10. winleb[20.Фев.2026]
МастерБаку[583]
Yulana34[177]
Serg74[160]
Dimitrius[129]
naves[122]
РОМУЛ[121]
bektyish[121]
madmac[116]
Алекс-200[114]
генаf[112]