[ Новые сообщения · Участники · Правила форума · Поиск · RSS ]



  • Страница 1 из 2
  • 1
  • 2
  • »
Модератор форума: renmaster  
Рентген 47
DimaДата: Суббота, 13.Мар.2010, 14:26 | Сообщение # 1
Участник
У вас сообщений: 109
Инженер
OFFлайн
Российская Федерация

Нет ни одной бумаги по Рентген 47.
Братья по разуму, скинте доки по УРП-5.Help please.
 
renmasterДата: Суббота, 13.Мар.2010, 14:37 | Сообщение # 2
OFFлайн
Российская Федерация

Россия
Dima, если только доки то в - РАЗДЕЛ Схемы, здесь пытаемся поремонтировать - опиши поподробней проблемы и что делалось для их решения
 
DimaДата: Суббота, 13.Мар.2010, 14:45 | Сообщение # 3
Участник
У вас сообщений: 109
Инженер
OFFлайн
Российская Федерация

Понял.Сваливаю.
 
renmasterДата: Суббота, 13.Мар.2010, 17:18 | Сообщение # 4
OFFлайн
Российская Федерация

Россия
зачем сваливать?
Quote (renmaster)
опиши поподробней проблемы

окончания снимка нет - аппарат отрабатывает по МАСам плясать надо в измерительной части для начала. ток при снимке прибор показывает?
 
DimaДата: Суббота, 13.Мар.2010, 19:13 | Сообщение # 5
Участник
У вас сообщений: 109
Инженер
OFFлайн
Российская Федерация

Renmaster.
Неисправность сказали по телефону.Документации на аппарат нет с рождения.
Про показания mA-ра не спрашивал.
По опыту работы с ПУР-5 знаю , что без документации не сделаю.
Понятно, что неисправность в измерительной цепи mA или в интеграторе mAS.
Нужны ДОКИ.
 
proff1279omegaДата: Суббота, 13.Мар.2010, 20:22 | Сообщение # 6
У вас сообщений: 217
инженер
OFFлайн
Российская Федерация

Белгород
Схемы УРП-5 у меня есть.На следующей неделе займусь сканированием.И если ничего не помешает
постараюсь на неделе закачать в хранилище.Аппарат конечно сложный,напичкан он хорошо.
 
DimaДата: Суббота, 13.Мар.2010, 20:32 | Сообщение # 7
Участник
У вас сообщений: 109
Инженер
OFFлайн
Российская Федерация

proff1279omega. Сканировать там дофига. Зато народ скажет спасибо, потомки поставят памятник.Пожалуйста сообщи о закачке. dance2

Сообщение отредактировал Dima - Суббота, 13.Мар.2010, 20:33
 
proff1279omegaДата: Суббота, 13.Мар.2010, 20:37 | Сообщение # 8
У вас сообщений: 217
инженер
OFFлайн
Российская Федерация

Белгород
Обязательно сообщу.Памятник надеюсь нерукотворный.
 
renmasterДата: Суббота, 13.Мар.2010, 20:55 | Сообщение # 9
OFFлайн
Российская Федерация

Россия
Quote (proff1279omega)
Памятник надеюсь нерукотворный.

и не зарастет к нему народная тропа wink biggrin
 
proff1279omegaДата: Понедельник, 15.Мар.2010, 18:27 | Сообщение # 10
У вас сообщений: 217
инженер
OFFлайн
Российская Федерация

Белгород
Устройство рентгеновское питающее УРП-5 добавил в хранилище.
 
DimaДата: Понедельник, 15.Мар.2010, 23:25 | Сообщение # 11
Участник
У вас сообщений: 109
Инженер
OFFлайн
Российская Федерация

proff1279omega. Слушай не ожидал, что в наше время остались такие люди.
Ты-же кучу времени потратил.
При случае отомщу. drinks
 
proff1279omegaДата: Вторник, 16.Мар.2010, 18:26 | Сообщение # 12
У вас сообщений: 217
инженер
OFFлайн
Российская Федерация

Белгород
Просто так поучилось ,что времени было много.Да и сканер у нас формата А3,приятно сканировать.
 
renmasterДата: Вторник, 16.Мар.2010, 19:47 | Сообщение # 13
OFFлайн
Российская Федерация

Россия
Dima, как продвижение с решением проблемы?
 
DimaДата: Вторник, 16.Мар.2010, 22:57 | Сообщение # 14
Участник
У вас сообщений: 109
Инженер
OFFлайн
Российская Федерация

Renmaster. Беда одна не бывает.Простудифилис.
Доки получил, по соображал, теоретически понятно.
На этот ремонт вероятно поеду на следующей неделе.Спасибо за беспокойство.
Результат сообщу.


Сообщение отредактировал Dima - Вторник, 16.Мар.2010, 23:01
 
ЦЕХДата: Вторник, 23.Мар.2010, 15:47 | Сообщение # 15
У вас сообщений: 262
рентгентехника
OFFлайн
Российская Федерация

Белые ночи
Dima, как продвижение с решением проблемы?
Если посмотриш темы, то меня поймёш. Какого года аппарат? У меня гемора было побольше, и если мышки зубками или санитарки тряпками УРП до генераторного не трогали biggrin , то прежде чем лезть в интегратор мАс проверь на контрольной панели которая только для нас специалистовперемычку в измерительной цепи, а то я было дело мАс-метр отключил, а перемычку забыл воткнуть и получил аварийный снимок с выключением по предельным мАсам. Вообще считаю, что схемотехника данного УРП для своего времени достойная в отличии от реализации в "железе", так что начнёш копать-точи скальпель, пригодится ибо даже со схемами выискивать адреса в натуре проще по проводам. mail1
 
DimaДата: Вторник, 23.Мар.2010, 21:27 | Сообщение # 16
Участник
У вас сообщений: 109
Инженер
OFFлайн
Российская Федерация

Quote (ЦЕХ)
Вообще считаю, что схемотехника данного УРП для своего времени достойная в отличии от реализации в "железе"
ЦЕХ.Согласен, смеяться над советской техникой можно, но мы все от туда, родителей не выбирают.Перемычку по измерению тока ,ну сильно надеюсь, ни кто не трогал.


Сообщение отредактировал Dima - Вторник, 23.Мар.2010, 21:48
 
renmasterДата: Вторник, 23.Мар.2010, 22:13 | Сообщение # 17
OFFлайн
Российская Федерация

Россия
Quote (ЦЕХ)
Вообще считаю, что схемотехника данного УРП для своего времени достойная в отличии от реализации в "железе",

согласен, задумка неплоха была - а реализация хромает и на обе ноги yes
 
ЦЕХДата: Вторник, 23.Мар.2010, 22:13 | Сообщение # 18
У вас сообщений: 262
рентгентехника
OFFлайн
Российская Федерация

Белые ночи
Удачи Dima! good Я на "свой 47" скоро тоже рвану, пришла заявка на ремонт колонны томографа, надо менять подшибники, вот повеселюсь biggrin biggrin biggrin
 
ЦЕХДата: Среда, 31.Мар.2010, 22:35 | Сообщение # 19
У вас сообщений: 262
рентгентехника
OFFлайн
Российская Федерация

Белые ночи
Привет Dima, чо молчим, я вот завтра
Quote (ЦЕХ)
ремонт колонны томографа, надо менять подшибники, вот повеселюсь
 
WASДата: Воскресенье, 09.Янв.2011, 17:37 | Сообщение # 20
Стажер
У вас сообщений: 36
Рентгенология
OFFлайн
Российская Федерация

Ростов-на-Дону
Здравствуйте уважаемые!
Попал на Рентген-47 с УРП-5-1, до меня его "поковыряло" две конторы. Но самое обидное, что документацию уперли, а кто мед персонал и сказать не может.
Общая симптоматика выглядит так:
1. аппарат включается (это радует).
2. при попытке выполнить снимок (графия) загораются светодиоды "ошибка" и "Ua>135"
3. при включении скопического (на графии) режима ошибок не выдает, слышно как включается подкрутка анода, но на приборе тока не показывает;
4. в режиме "имитации" снимок проходит.
Что проделано:
1. перечистил все доступные разъемы
2. протянул все болты
3. передернул все платы и промыл разъемы спиртом
4. снял диафрагму и обнаружил воздух в излучателе (просачивался под расширительную резинку, перезарядил, воздух убрал)
Завтра поеду поставлю на место.
Но если не поможет, без документации этого зверя не осилю.
Может подскажете чего уважаемые.
 
renmasterДата: Воскресенье, 09.Янв.2011, 22:44 | Сообщение # 21
OFFлайн
Российская Федерация

Россия
Quote (WAS)
Но самое обидное, что документацию уперли

документация в хранилище в пяти частях вкладка 91-120

что с накальной частью по обоим рабочим местам? и как ведет себя режим скопии?

 
VikeyДата: Понедельник, 10.Янв.2011, 00:18 | Сообщение # 22
У вас сообщений: 303
Инженер по ремонту
OFFлайн
Украина

Украина
Quote (renmaster)
документация в хранилище в пяти частях вкладка 91-120

Такого файла нет nea

 
renmasterДата: Понедельник, 10.Янв.2011, 00:32 | Сообщение # 23
OFFлайн
Российская Федерация

Россия
Quote (Vikey)
Такого файла нет

согласен,промашка blush
файлы с обменника удалены yes
 
WASДата: Вторник, 11.Янв.2011, 07:49 | Сообщение # 24
Стажер
У вас сообщений: 36
Рентгенология
OFFлайн
Российская Федерация

Ростов-на-Дону
Здравствуйте уважаемые!
Quote (renmaster)
что с накальной частью по обоим рабочим местам? и как ведет себя режим скопии?

Где измерить накал и что должно быть - без докуметации не нашел. Визуально (через выходное окно) накал светится (смотрел на графии).
При выборе скопического места (на пульте в шифанере) из ЭСУ раздается подозрительный звук жужжания двигателя (похоже не отрабатывают концевики каретки кассеты), перемещения ЭСУ и деки работают, телевизионка пишет - УРИ исправен, думаю этим вопросом заняться попозже, главное запустить высокое.
При включении скопии (круглая ручка на блоке шифанера управления) ошибок не выдает, однако и миллиамперметр не показывает ток.
Повторюсь - при попытке выполнить снимок (графия) загораются светодиоды "ошибка" и "Ua>135", навело на мысль к.з. в высоковольтной части.
С уважением.
 
proff1279omegaДата: Вторник, 11.Янв.2011, 15:45 | Сообщение # 25
У вас сообщений: 217
инженер
OFFлайн
Российская Федерация

Белгород
схемы питающего УРП-5 ,техническое описание питающего УРП-5 добавил в хранилище.
 
renmasterДата: Вторник, 11.Янв.2011, 16:01 | Сообщение # 26
OFFлайн
Российская Федерация

Россия
Quote (WAS)
Повторюсь - при попытке выполнить снимок (графия) загораются светодиоды "ошибка" и "Ua>135", навело на мысль к.з. в высоковольтной части.

если отрубает по повышенным КВ - то можно предположить что нет нагрузки, проблема по К.З. была бы ошибкой по пониженным килловольтам,
обрати внимание на работу ( доки скачаеш уже легче будет) :
- смотрим как ведет себя накал во время самого снимка - т.е. поднакал - рабочий накал
- стоит посмотреть цепи измерения тока и схемы контроля по КВольтам
 
WASДата: Вторник, 11.Янв.2011, 21:13 | Сообщение # 27
Стажер
У вас сообщений: 36
Рентгенология
OFFлайн
Российская Федерация

Ростов-на-Дону
Здравствуйте уважаемые!
proff1279omega - большое спасибо за схемы и описания.
renmaster - спасибо за наводящие подсказки.
Завтра поеду разбираться.

С уважением.

 
WASДата: Четверг, 13.Янв.2011, 09:09 | Сообщение # 28
Стажер
У вас сообщений: 36
Рентгенология
OFFлайн
Российская Федерация

Ростов-на-Дону
Здравствуйте уважаемые!
Докладываю.
Со схемами и описаниями конечно попроще, но исполнение аппарата оставляет желать лучшего.
Что удалось сделать:
1. заменен симистор в силовом блоке (как удалось выяснить у персонала, последний "ремонт" другой организацией закончился бабахом после сборки низковольтной стойки, от те и мышки diablo , с паяльниками...)
2. восстановлено соединение провода коммутации 2р.м. (адресация проводов желает оставлять лучшего)
3. накал работает как в дежурке, так и при потготовке к снимку (правда какие значения тока накала пока не измерил)
3. прогнал графическую трубку в скопическом режиме (спокойно прошли все ступени по Кв и стал регулироваться ток от 0 до 10мА, судя по показаниям встроенного прибора и внешнему дозиметру, опять же реальные значения не смерены)
Что не работает:
1. нет снимка в графическом режиме - ошибка + Ua<10 (т.е. при нажатии первой ступени - накал светится ярче, разгоняется анод, при нажатии второй ступени - напряжение кратковременно на управляющих и силовых выводах симисторов (порядка 116В) появляется, дозиметр схватывает дозу и аппарат отрубается).
Предположения:
1. вариант К.З. в высоковольтных цепях, думаю не проходит т.к. в режиме скопии излучение проходит от 50 до 110 кВ, а цепи формирования и генерации общие (не считая правильно работающих и не коротящих, переключающих пускателей)
2. скорее всего что то "накручено" в измерительной и/или в накальной чисти. Из описания так и не понял какой должен быть ток накала (в цифрах).

С уважением.

 
petroveechДата: Четверг, 13.Янв.2011, 19:47 | Сообщение # 29
У вас сообщений: 1072
Иженер
OFFлайн
Российская Федерация

Ставрополь
Измерение U+- снимается с обратной связи генераторного. При скопическом режиме оно не нужно (задаётся пускателями). Показания в момент скопии измерительной плате совпадают ли 50-50 и т.п. Если не совпадают ос либо плата усиления ос. Если совпадают кд522 на плате управления накалом (с тумблерочком ОС и земль.). Какой не помню но тупо прозванивал все и нашел он в кз. При даже сильном раскруте регулировок хоть какой но снимок пройдет. На выхода операционника усиления ос 2.5в=50кв, должен присутствовать и + сигнал и -. Если сигнала обратной связи нет-обрыв резиков в генераторном или мышки провод подводящий съели.

При обращении пишите мыло сразу.

Сообщение отредактировал petroveech - Четверг, 13.Янв.2011, 19:48
 
renmasterДата: Четверг, 13.Янв.2011, 20:46 | Сообщение # 30
OFFлайн
Российская Федерация

Россия
Quote (petroveech)
обратной связи нет-обрыв резиков в генераторном или мышки провод подводящий съели

про мышек good для первых этажей очень актуально yes
 
WASДата: Четверг, 13.Янв.2011, 20:59 | Сообщение # 31
Стажер
У вас сообщений: 36
Рентгенология
OFFлайн
Российская Федерация

Ростов-на-Дону
Здравствуйте уважаемые!
Буду надеется, что резисторы в генераторном целые и просто провода попробовали мышки.
Судя по всему мышки там все таки водятся (и не только с паяльниками) т.к. кое где попадался помет.
И судя потому, что был обрыв провода включения соленоидов выбора 2 рабочего места в ЖГУТЕ низковольтного шкафа, могли и провода от измерительных резисторов погрызть.
з.ы.
Спасибо всем мышкам, без работы не останемся wink

Еще раз всем спасибо за отклик good

 
ЦЕХДата: Пятница, 14.Янв.2011, 02:13 | Сообщение # 32
У вас сообщений: 262
рентгентехника
OFFлайн
Российская Федерация

Белые ночи
WAS, надеюсь посмотрел все темки по 47му, у меня оказались непрожатые по причине х-го качества болтов цепи ОС на самом гене, а с документахой тоже была беда drinks
 
petroveechДата: Понедельник, 17.Янв.2011, 15:27 | Сообщение # 33
У вас сообщений: 1072
Иженер
OFFлайн
Российская Федерация

Ставрополь
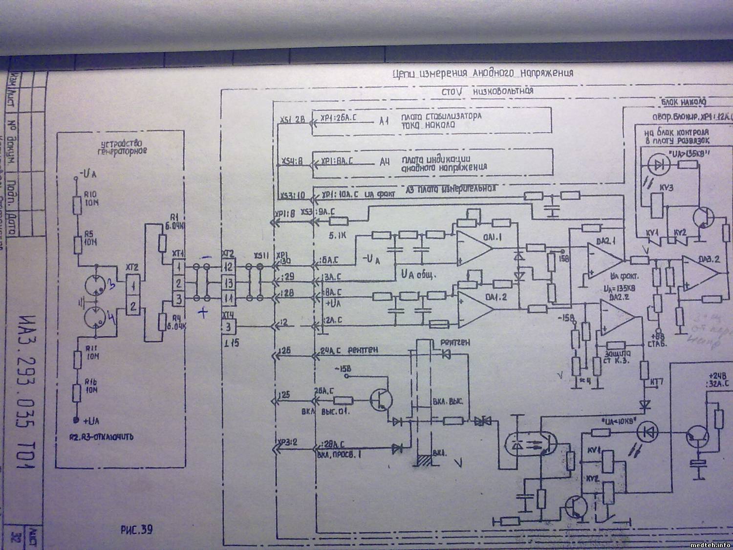
Добрался до схемы.Плата измерительная А3 (блок накала). D1.1 выв 12,10 5вольт=100 кв 48 кв=2.74в. В случае несовпадения Rp1 и Rp2. Это в режиме скопии ручной на любом рабочем месте. Попробую выложить эту документацию.
0694788.jpg (209.3 Kb)


При обращении пишите мыло сразу.
 
petroveechДата: Понедельник, 17.Янв.2011, 15:30 | Сообщение # 34
У вас сообщений: 1072
Иженер
OFFлайн
Российская Федерация

Ставрополь
И вот
1494603.jpg (199.8 Kb)


При обращении пишите мыло сразу.
 
WASДата: Вторник, 18.Янв.2011, 10:25 | Сообщение # 35
Стажер
У вас сообщений: 36
Рентгенология
OFFлайн
Российская Федерация

Ростов-на-Дону
Здравствуйте уважаемые!
Вчера опять "развлекался" с 47-м.
По началу, как и было. выдавал - ошибка+Ua<10. diablo
Отзвонил кабель идущий от генератора к низковольтному шкафу (все целое), отсоединил провода от измерения и померил напругу идущую прямо с резюков (режим 40кВ 10мАс) получилось порядка 15В (ну думаю зашибись, сами измерительные резисторы целые). rofl Собираю обратно.
Пока лазил по крышке генератора заметил, что резисторы (параллельно 3 шт), (как оказалось идущие от общих концов обмоток и нулевым проводом, на схемках их ваще нет) полопались. Меряю сопротивление - в обрыве. Заменил.
Включаю и .... о чудо... на малом фокусе снимки пошли dance2 (так, пол дела сделано). Пробую на большом... все тоже ... ошибка+Ua<10 ireful . Смотрю на резюки в блоке накала РП1, РП2, какая то подозрительная пайка и кембрики обуглившиеся, зачищаю, пропаиваю... пробую... поперло... но через раз... проверяю как посоветовал petroveech, по малому фокусу все совпадает, по большому напруги пониже на 0,5~1В, подстроил... поперло good
Расспрашиваю судьбу аппарата у персонала... трубу на графии меняли с 2006 году... так понятно... скоро сдохнет (то то мне и показалось nea при герметизации, что колба уж больно блестящая в месте выхода высокого).
Повесил диафрагму и пока регулировал центрацию, сделал с десяток снимков (правда режимчик небольшой) но отстреляла без проблем.
Перехожу на 1 р.м. (там надсадно гудит движок перемещения каретки в ЭСУ). Спрашиваю че делали - да вот все разбирали, снимали каретку потом собрали и стало гудеть, а зачем diablo (спрашиваю)?
Выясняю - пришел новый активный доктор и захотелось ему при скопии поделить кассету на 4... а оно (т.е. аппарат biggrin )не делит - вот и полезли (умельцы diablo ).
В общем пока снимали и ставили отвалился магнит (который позиционирует каретку в положении загрузки кассеты, хорошо прилип внутри ЭСУ). Закрепляю магнит на место... все в поряде... двиг не гудит... каретка летает как положено.
Запихиваю кассету... и "легким" движением руки в низ позиционирую кассету в нижнем положении... тут самое интересное... доктор и говорит... оба на, а че кассету надо вниз опускать shok (не ну я понимаю, что читать это больно, особенно документацию, но куда глядели мыши с паяльниками), я ему... ну типа да, а так оно конечно, будет наслаивать прицелки...
В общем... поигрались мы ещё с пол часа с доктором, решая ситуационные задачи с делением кассет mail1 , собрал аппарат, сделали пробные снимки и погнал я домой.
Вот уже 10 часов утра... телефон молчит... значит все работает.

Всем спасибо за помощь good

С уважением.

 
WASДата: Вторник, 18.Янв.2011, 20:02 | Сообщение # 36
Стажер
У вас сообщений: 36
Рентгенология
OFFлайн
Российская Федерация

Ростов-на-Дону
Здравствуйте уважаемые.
Ну вот, накаркал.
Часов в 12, звонок. Не делает снимки на больших мАс. Т. Е. Больше 200.
Снимок проходит но экспозиция короткая. Соответственно снимки светлые.
 
petroveechДата: Среда, 19.Янв.2011, 12:09 | Сообщение # 37
У вас сообщений: 1072
Иженер
OFFлайн
Российская Федерация

Ставрополь
Похоже трубе подходит конец. Сначала БФ накал отрывается. У нас больше 2х лет трубы на 47 не работали.

При обращении пишите мыло сразу.
 
WASДата: Среда, 19.Янв.2011, 13:08 | Сообщение # 38
Стажер
У вас сообщений: 36
Рентгенология
OFFлайн
Российская Федерация

Ростов-на-Дону
Здравствуйте уважаемые.
Этой трубе уже 4 года и нагрузка буть здоров.
Прийдется перекинуть со скопии.
В связи с чем есть вопрос. Одинаковые ли трубы на скопии и графи по моще? Документов на трубы нет.

Заранее благодарю за ответы.

 
petroveechДата: Среда, 19.Янв.2011, 17:42 | Сообщение # 39
У вас сообщений: 1072
Иженер
OFFлайн
Российская Федерация

Ставрополь
Одинаковые, только с креплением придется повозится. Там + и - бывают наоборот, и "рога" под разным углом. Перед установкой надо резьбы вокруг окошка пргонать (потом труднодоступно).

При обращении пишите мыло сразу.
 
Алекс-200Дата: Среда, 19.Янв.2011, 21:24 | Сообщение # 40
У вас сообщений: 1197
Инженер
OFFлайн
Российская Федерация

Самара
Quote (WAS)
Снимок проходит но экспозиция короткая

Quote (petroveech)
Похоже трубе подходит конец

Может быть сначала разобраться почему экспозиция короткая?
 
  • Страница 1 из 2
  • 1
  • 2
  • »
Поиск:



Статистика Форума
Последние обновления тем: Новые файлы хранилища: Новые участники: Top10 участников:
1. Замена светодиода на ...[Shturman (05.Дек.2025)]
2. Анализатор поля зрени...[SpirituS (04.Дек.2025)]
3. Программный комплекс ...[mqubali (04.Дек.2025)]
4. Кардиорегистратор «ИК...[albano18 (04.Дек.2025)]
5. Thermo Scientific gem...[viggen (03.Дек.2025)]
6. Центрифуга CM-6M ф.El...[Ningen64 (03.Дек.2025)]
7. Дефибриллятор Defi B ...[san-che30 (02.Дек.2025)]
8. Коллиматор Ralco R 22...[seeker (02.Дек.2025)]
9. КУПЛЮ/ПРИМУ в дар при...[seabee (02.Дек.2025)]
1. VIVIX Setup Operation...[12.Окт.2025]
2. GenwareMP[10.Сен.2025]
3. Настройка реагентов M...[20.Авг.2025]
4. Philips HD3-EXP[13.Авг.2025]
5. Рентгеновское оборудо...[08.Авг.2025]
6. VersaMed iVent201 Сер...[13.Фев.2025]
7. Гелпик КРД Ренекс РЦ ...[09.Фев.2025]
8. Офтальмологическая ус...[31.Окт.2024]
9. Cardinal-Health-VELA-...[03.Окт.2024]
10. Service Manual HAMILT...[02.Окт.2024]
1. Dvish[05.Дек.2025]
2. Intellect[05.Дек.2025]
3. Romanivanov[05.Дек.2025]
4. igogoigogo[05.Дек.2025]
5. 1rishka[04.Дек.2025]
6. L_V_N[04.Дек.2025]
7. ИвановИИ[04.Дек.2025]
8. Alex_U[04.Дек.2025]
9. Yarikus03[03.Дек.2025]
10. EvaLen[03.Дек.2025]
МастерБаку[583]
Yulana34[177]
Serg74[160]
Dimitrius[129]
naves[122]
РОМУЛ[121]
bektyish[121]
madmac[116]
Алекс-200[114]
begun_a[112]