[ Новые сообщения · Участники · Правила форума · Поиск · RSS ]



Модератор форума: renmaster  
Маммограф рентгеновский «Маммо-4-«МТ» ф.АО «МТЛ» (Россия)
МВРДата: Понедельник, 05.Июл.2010, 23:48 | Сообщение # 1
Медтехник
OFFлайн
Российская Федерация

.
В этой теме собрана вся имеющаяся на R-форуме информация о рентгеновском скрининговом маммографе «Маммо-4-«МТ», изготовитель: Акционерное общество "МЕДИЦИНСКИЕ ТЕХНОЛОГИИ Лтд" (производственно торговый бренд - "МТЛ"), Россия.
Регистрационное удостоверение на медицинское изделие ФСР 2008/02328 от 17.05.2018 года.


Есть темы:
- Маммограф рентгеновский «Маммо-4-"МТ" Плюс» ф.АО «МТЛ» (Россия) (Проблемы и их решения);
- Маммограф "Маммо-4ИТ-плюс" (Проблемы и их решения).
 
lis63Дата: Четверг, 30.Май.2013, 11:32 | Сообщение # 81
начальник участка
OFFлайн
Российская Федерация

Самара
Уважаемые коллеги, прошу помочь! Нахожусь сейчас на выезде в области.
Маммограф при включении пишет ошибку Filament power supply Fail.
Вскрыл кожух трубки.
Сопротивление накала 6 Ом и 6.5 Ом.
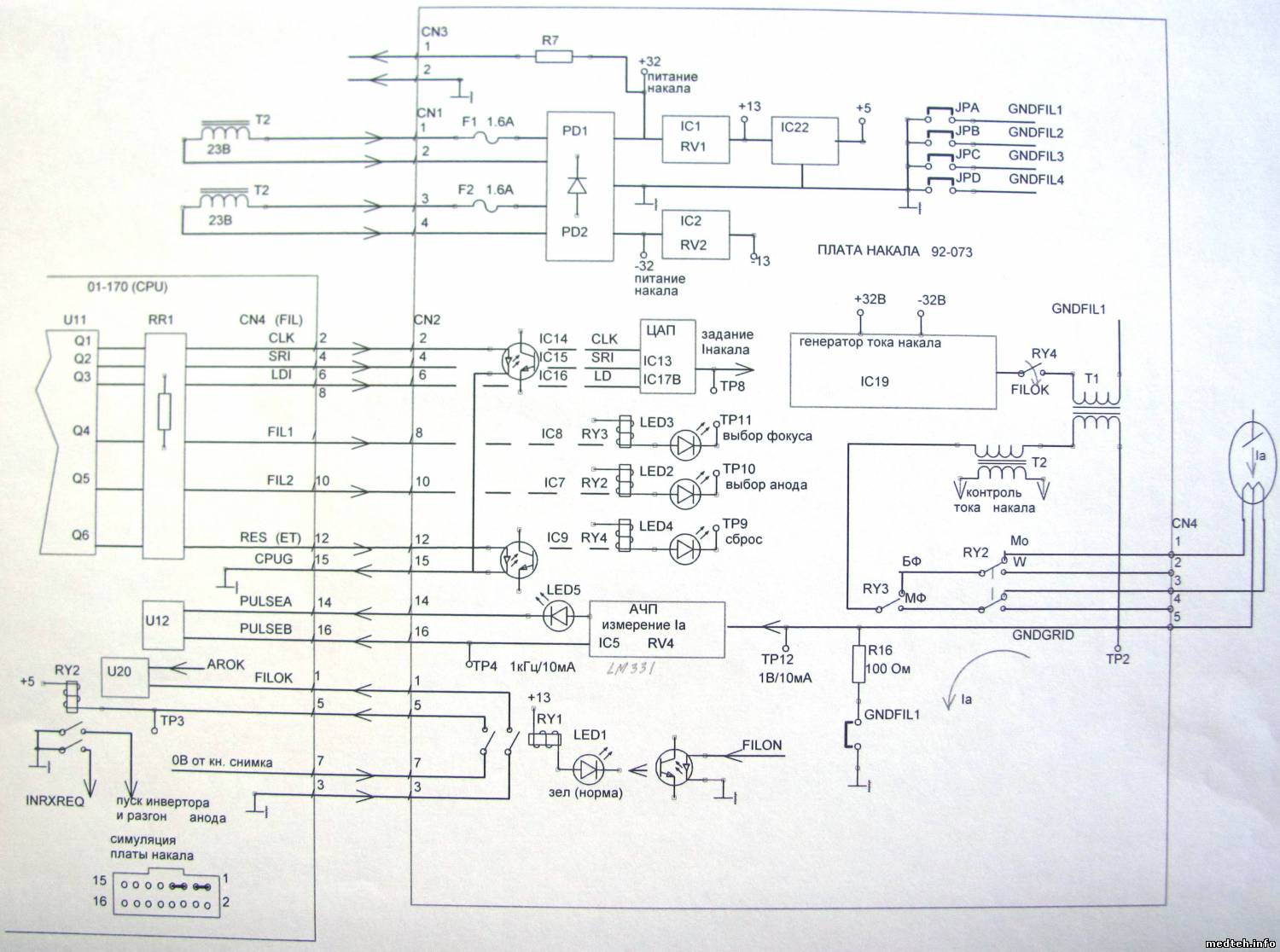
Нашел перегоревший предохранитель F2 на плате 92-073-4 (Filament Power Supply)
Поставил новый. При включении он перегорел.
С этого предохранителя дорожки идут на катушку фильтра, далее на сборку STK 4036 V и параллельно на LM 317. Что можете посоветовать для восстановления данной платы? Что это за сборка?


Сообщение отредактировал lis63 - Понедельник, 24.Июн.2013, 23:39
 
Алекс-200Дата: Четверг, 30.Май.2013, 20:28 | Сообщение # 82
У вас сообщений: 1197
Инженер
OFFлайн
Российская Федерация

Самара
Цитата (lis63)
предохранитель F2 на плате 92-073-4 (Filament Power Supply)
По схеме 92-073-5 это предохранитель источника -13В, имеющего много потребителей в границах платы накала.
 
lis63Дата: Четверг, 30.Май.2013, 22:55 | Сообщение # 83
начальник участка
OFFлайн
Российская Федерация

Самара
Спасибо, Александр Васильевич!
А у Вас принципиальная схема на данный блок есть? А то без схемы уж очень тоскливо, не хочется все разрисовывать.

По теме: поменял LM 317, ситуация не изменилась. Поскольку сборки STK 4036 не было с собой, а другие элементы, вроде бы, живые, то плату забрал. Буду дальше разбираться.
 
RomualdДата: Пятница, 31.Май.2013, 09:42 | Сообщение # 84
Техник
У вас сообщений: 440
ремонт медоборудования
OFFлайн
Российская Федерация

Липецк
lm317 это регулируемый стабилизатор напряжения,а STK 4036 V скорее всего токовый усилитель
 
lemur5931Дата: Пятница, 31.Май.2013, 10:41 | Сообщение # 85
Заглянувший
У вас сообщений: 1
медтехник
OFFлайн
Российская Федерация

екатеренбург
Маммограф Маммо-4МТ при вкл горит синий экран(дисплей)и все кто знает???
 
Алекс-200Дата: Пятница, 31.Май.2013, 18:56 | Сообщение # 86
У вас сообщений: 1197
Инженер
OFFлайн
Российская Федерация

Самара
Цитата (lis63)
А у Вас принципиальная схема на данный блок есть?
Есть на 92-073-5.
 
lis63Дата: Суббота, 01.Июн.2013, 23:33 | Сообщение # 87
начальник участка
OFFлайн
Российская Федерация

Самара
Спасибо, Александр Васильевич! Нашел свободную минуту дома, решил плату прозвонить biggrin . Сгорел оптотранзистор IC 4, в понедельник пойду покупать. После сымитирую подачу напряжения и посмотрю, сгорит ли F2 снова, т.к. на месте экспериментировать затруднительно. Я правильно понимаю, что на разъеме CN1 1-2 и 3-4 это 220 В?
 
lis63Дата: Понедельник, 03.Июн.2013, 20:28 | Сообщение # 88
начальник участка
OFFлайн
Российская Федерация

Самара
Осмотрев, плату, пришел к выводу, что питается она 220В, предположив, что с т. зр. разработчика нерационально ставить какой-либо трансформатор в данном случае. При подаче 220В предохранитель не перегорает. -13 В есть. Поставлю плату на место- отпишусь по результатам.
 
Алекс-200Дата: Понедельник, 03.Июн.2013, 20:29 | Сообщение # 89
У вас сообщений: 1197
Инженер
OFFлайн
Российская Федерация

Самара
Цитата (lis63)
Я правильно понимаю, что на разъеме CN1 1-2 и 3-4 это 220 В?
Совсем неправильно!
Это выводы двух обмоток трансформатора по 23 В. ireful
Извините, пожалуйста, за поздний ответ. Надеюсь, что не слишком поздний. Выходные провёл на даче вдали от компьютера. dance2
 
Алекс-200Дата: Вторник, 04.Июн.2013, 19:51 | Сообщение # 90
У вас сообщений: 1197
Инженер
OFFлайн
Российская Федерация

Самара
Дополнительно к принципиальной схеме - функциональная.
2906931.jpg (163.6 Kb)
 
lis63Дата: Воскресенье, 23.Июн.2013, 19:20 | Сообщение # 91
начальник участка
OFFлайн
Российская Федерация

Самара
В общем, разобрался.
Извините за долгий ответ. Поменял снова диодный мост и ЛМ-ку.Заработало. Был очень рад, что ничего особо не пожег.
Пронесло :-)
 
AleksДата: Вторник, 27.Авг.2013, 15:13 | Сообщение # 92
Участник
У вас сообщений: 97
инженер
OFFлайн
Российская Федерация

nea 30 минут аппарат был не работоспособный,а затем появлялась готовность.Теперь и этого не стало.Если без подготовки включать высокое,то появляется текст "открыта ширма".Проверил микрик,геркон в коллиматоре.Подскажите пожалуйста,где искать?

Сообщение отредактировал Aleks - Четверг, 29.Авг.2013, 14:36
 
Алекс-200Дата: Вторник, 27.Авг.2013, 18:55 | Сообщение # 93
У вас сообщений: 1197
Инженер
OFFлайн
Российская Федерация

Самара
unknown Упоминания ширмы не встречал ни разу.
 
medplusДата: Четверг, 29.Авг.2013, 12:34 | Сообщение # 94
Техник
У вас сообщений: 311
специалист
OFFлайн
Российская Федерация

Орёл
Звоните на ф.МЕДИЦИНСКИЕ ТЕХНОЛОГИИ (МТЛ)-те подскажут.

Удалены персональные данные (номер тел.) третьего лица.
Алекс-200


Сообщение отредактировал medplus - Четверг, 29.Авг.2013, 12:44
 
medplusДата: Пятница, 30.Авг.2013, 12:58 | Сообщение # 95
Техник
У вас сообщений: 311
специалист
OFFлайн
Российская Федерация

Орёл
в коллиматоре зеркало должно проехать назад при подготовке ,а потом уж снимок.
 
AleksДата: Воскресенье, 01.Сен.2013, 08:48 | Сообщение # 96
Участник
У вас сообщений: 97
инженер
OFFлайн
Российская Федерация

Проезжает зеркало
 
medplusДата: Воскресенье, 01.Сен.2013, 09:42 | Сообщение # 97
Техник
У вас сообщений: 311
специалист
OFFлайн
Российская Федерация

Орёл
и что потом-вращ.анода и т.д. есть? может зеркало не доходит до конц (механика)
 
AleksДата: Воскресенье, 01.Сен.2013, 13:35 | Сообщение # 98
Участник
У вас сообщений: 97
инженер
OFFлайн
Российская Федерация

Если нет надписи "готов",то о каком вращении анода может идти речь? Готовность стала иногда появляться при включении аппарата.Если аппарат никогда не выключать,то проблема исчезает.Хорошо было бы иметь описание срабатывания элементов эл.схемы в процессе выполнения готовности

Сообщение отредактировал Aleks - Воскресенье, 01.Сен.2013, 14:00
 
medplusДата: Воскресенье, 01.Сен.2013, 14:29 | Сообщение # 99
Техник
У вас сообщений: 311
специалист
OFFлайн
Российская Федерация

Орёл
похоже на контакты реле,нужно войти в меню и посмотреть процесс.
 
RADIATIONДата: Воскресенье, 01.Сен.2013, 21:35 | Сообщение # 100
У вас сообщений: 275
Трудоголик
OFFлайн
Российская Федерация

Центр
medplus, вы прежде, чем сливать мобильный телефон, у человека спросили разрешение?
 
medintellДата: Четверг, 13.Мар.2014, 08:53 | Сообщение # 101
Участник
У вас сообщений: 104
Инженер
OFFлайн
Российская Федерация

Тюмень
Здравствуйте. В инструкции написано, что лампа в коллииматоре галогеновая 24 в 100Вт. Местный техник в больнице говорит, что там вместо галогеновой лампы светодиод. Такое может быть? Заранее спасибо. Если не может, то не подскажете марку лампы, что бы купить заранее.
 
Sokolov_SKYДата: Вторник, 25.Мар.2014, 20:36 | Сообщение # 102
Участник
У вас сообщений: 93
Инженер
OFFлайн
Российская Федерация

Новосибирск
Здравствуйте.

Возникла странная задача. Маммограф работает исправно, но после снимка перестал поднимать автоматически прижимной лоток (признаться, не знаю как он правильно называется).
Лоток поднимается нажатием педали, но это не совсем удобно, да, и не правильно это.
Может кто то сталкивался с таким небольшим нюансом?
Или же есть справедливое решение, как вернуть автоматический подъём лотка.
 
vvv3vvvДата: Вторник, 25.Мар.2014, 21:15 | Сообщение # 103
Участник
У вас сообщений: 103
электромеханик по рентг.
OFFлайн
Российская Федерация

приморск
если не ошибаюсь , есть кнопка отменяющая отъезд лотка после снимка, завтра посмотрю, наверное лаборанты поиграли...
 
vvv3vvvДата: Вторник, 25.Мар.2014, 22:42 | Сообщение # 104
Участник
У вас сообщений: 103
электромеханик по рентг.
OFFлайн
Российская Федерация

приморск
на пульте нажата кнопка- символ компрессии перечеркнутый крестиком(декомпрессия, после выполнения снимка полка не будет отъезжать)
 
speshlistДата: Среда, 26.Мар.2014, 08:43 | Сообщение # 105
Участник
У вас сообщений: 215
рентген, служба крови
OFFлайн
Российская Федерация

Вологда
100% кнопка, тоже ко мне обращались с такой проблемой. Никто из лаборантов инструкции не читает.
 
petroveechДата: Пятница, 30.Май.2014, 14:59 | Сообщение # 106
У вас сообщений: 1072
Иженер
OFFлайн
Российская Федерация

Ставрополь
Маммограф Маммо-4-МТ, слетели калибровки (нужен экспонометр). Поделитесь пожалуйста доками. Наше тех описание какое-то мутное. Пластины и ноутбуки с сом портом есть. Если не сюда то на почту tekeevich@mail.ru

При обращении пишите мыло сразу.
 
speshlistДата: Понедельник, 02.Июн.2014, 10:24 | Сообщение # 107
Участник
У вас сообщений: 215
рентген, служба крови
OFFлайн
Российская Федерация

Вологда
ещё такая
http://yadi.sk/d/vmR3lI0WRxLaT


Сообщение отредактировал speshlist - Понедельник, 02.Июн.2014, 10:31
 
petroveechДата: Понедельник, 02.Июн.2014, 20:44 | Сообщение # 108
У вас сообщений: 1072
Иженер
OFFлайн
Российская Федерация

Ставрополь
Это то я читал, только не понял ни чего. Фантомы куда? Прогу реально с чего запустить? Что за точки? Кто делал, расскажите с чего начать. И файл сервисного меню на русском есть, поподробнее
9382091.doc (1005.5 Kb)


При обращении пишите мыло сразу.
 
speshlistДата: Вторник, 03.Июн.2014, 08:53 | Сообщение # 109
Участник
У вас сообщений: 215
рентген, служба крови
OFFлайн
Российская Федерация

Вологда
Позвоните в МТЛ, если не понятно, там объяснят.
Я подстраивал потенциометры в экспонометре успешно, там вроде все описано. Калибруются три поля последовательно на гэйн и офсет.
Если хотите прогой, то вы уже будете править кривую в памяти, про это вроде тоже написано. Прогу запускать с ноута с com-портом, кабель в комплекте идет.
 
sloniksДата: Вторник, 03.Июн.2014, 12:55 | Сообщение # 110
Техник
У вас сообщений: 307
Инженер
OFFлайн
Российская Федерация

Вологда
petroveech, какие претензии к экспонометру? может дело в калибровке трубки?
 
petroveechДата: Вторник, 03.Июн.2014, 15:06 | Сообщение # 111
У вас сообщений: 1072
Иженер
OFFлайн
Российская Федерация

Ставрополь
При нажатии на кнопку снимка выдаёт "режим не откалиброван". На ручном всё ок. Что-то делали до нас, как обычно, и техник и электрик. Мы пришли уже когда всё случилось. Движение компрессии вверх тож нету, мотор работает муфта не срабатывает.

При обращении пишите мыло сразу.
 
sloniksДата: Вторник, 03.Июн.2014, 22:06 | Сообщение # 112
Техник
У вас сообщений: 307
Инженер
OFFлайн
Российская Федерация

Вологда
С муфтой разберётесь.. С восстановлением калибровки интереснее.. сам не пробовал, но раз у Вас есть описание, то и программа тоже имеется. Только вот из-за чего слетела? Никогда ещё не слышал о такой проблеме.
 
petroveechДата: Вторник, 03.Июн.2014, 22:28 | Сообщение # 113
У вас сообщений: 1072
Иженер
OFFлайн
Российская Федерация

Ставрополь
Кнопку вкл перепаяли, и кирдык.

При обращении пишите мыло сразу.
 
petroveechДата: Среда, 25.Июн.2014, 19:03 | Сообщение # 114
У вас сообщений: 1072
Иженер
OFFлайн
Российская Федерация

Ставрополь
С калибровкой разобрался, теперь другое. При нажатии кнопки, высокого нет. Перещелкивание реле, столик рывками вверх идёт. Светодиоды мигают в такт реле.

При обращении пишите мыло сразу.
 
valerik-33Дата: Понедельник, 01.Дек.2014, 22:18 | Сообщение # 115
Стажер
У вас сообщений: 5
Инженер
OFFлайн
Российская Федерация

Центр
У нас похожая ситуация. При нажатии на кнопку снимка в автоматическом режиме выдаёт "режим не откалиброван". На ручном всё ок. Съемочный штатив не поворачивается, градусы не показывает, но когда SW2 переключаешь DIP1 = ON (отключение системы торможения движений съемочного штатива для проведения сервисного обслуживания) начинает двигаться и градусы появляются. Можно поподробней как войти в калибровку и откалибровать без программы.
 
igoriyДата: Четверг, 04.Дек.2014, 10:04 | Сообщение # 116
Участник
У вас сообщений: 81
Медтехник
OFFлайн
Российская Федерация

Миасс
Здравствуйте. При движении вниз, срабатывает первый концевик в крайней точке и все нормально, просто останавливается.Все как положено. При движении вверх, при срабатывании первого верхнего концевика не просто ограничивает движение, а еще и выдает ошибку: "Неисправность рессоры компрессии". Вручную маховиком сдвигаешь с концевика, сбрасываешь ошибку, все нормально.

Сообщение отредактировал igoriy - Четверг, 04.Дек.2014, 10:04
 
Алекс-200Дата: Четверг, 04.Дек.2014, 15:38 | Сообщение # 117
У вас сообщений: 1197
Инженер
OFFлайн
Российская Федерация

Самара
igoriy, в верхней части газовой пружины стоит концевик, контролирующий силу её (газовой пружины) давления. Вероятно пружина у Вас в конце хода прекращает исполнять свои функции.
 
petroveechДата: Четверг, 04.Дек.2014, 19:00 | Сообщение # 118
У вас сообщений: 1072
Иженер
OFFлайн
Российская Федерация

Ставрополь
Там микрик есть какой-то секретный по движению пружины. Пока она не испортилась совсем, его можно подрегулировать.

При обращении пишите мыло сразу.
 
igoriyДата: Пятница, 05.Дек.2014, 07:44 | Сообщение # 119
Участник
У вас сообщений: 81
Медтехник
OFFлайн
Российская Федерация

Миасс
Спасибо. Если честно, то я залез в него первый раз и для меня проблематично: что есть газовая пружина и где оно живет? И существует ли по этому аппарату какой-нибудь сервис-мануал, типо как у аполло? За ранее спасибо.
 
marfa-555Дата: Пятница, 05.Дек.2014, 10:29 | Сообщение # 120
Участник
У вас сообщений: 157
рентгентехник
OFFлайн
Российская Федерация

Москва
Все есть в хранилище
 
Поиск:



Статистика Форума
Последние обновления тем: Новые файлы хранилища: Новые участники: Top10 участников:
1. Анализатор поля зрени...[SpirituS (04.Дек.2025)]
2. Программный комплекс ...[mqubali (04.Дек.2025)]
3. Кардиорегистратор «ИК...[albano18 (04.Дек.2025)]
4. Thermo Scientific gem...[viggen (03.Дек.2025)]
5. Центрифуга CM-6M ф.El...[Ningen64 (03.Дек.2025)]
6. Дефибриллятор Defi B ...[san-che30 (02.Дек.2025)]
7. Коллиматор Ralco R 22...[seeker (02.Дек.2025)]
8. КУПЛЮ/ПРИМУ в дар при...[seabee (02.Дек.2025)]
9. Центрифуга MiniSpin P...[AntonioPetty (01.Дек.2025)]
1. VIVIX Setup Operation...[12.Окт.2025]
2. GenwareMP[10.Сен.2025]
3. Настройка реагентов M...[20.Авг.2025]
4. Philips HD3-EXP[13.Авг.2025]
5. Рентгеновское оборудо...[08.Авг.2025]
6. VersaMed iVent201 Сер...[13.Фев.2025]
7. Гелпик КРД Ренекс РЦ ...[09.Фев.2025]
8. Офтальмологическая ус...[31.Окт.2024]
9. Cardinal-Health-VELA-...[03.Окт.2024]
10. Service Manual HAMILT...[02.Окт.2024]
1. Romanivanov[05.Дек.2025]
2. igogoigogo[05.Дек.2025]
3. 1rishka[04.Дек.2025]
4. L_V_N[04.Дек.2025]
5. ИвановИИ[04.Дек.2025]
6. Alex_U[04.Дек.2025]
7. Yarikus03[03.Дек.2025]
8. EvaLen[03.Дек.2025]
9. dankurets[03.Дек.2025]
10. Velis1566[03.Дек.2025]
МастерБаку[583]
Yulana34[177]
Serg74[160]
Dimitrius[129]
naves[122]
РОМУЛ[121]
bektyish[121]
madmac[116]
Алекс-200[114]
begun_a[112]