[ Новые сообщения · Участники · Правила форума · Поиск · RSS ]



  • Страница 1 из 1
  • 1
Модератор форума: renmaster  
Генератор Магнум
AVAMДата: Четверг, 22.Июн.2017, 17:05 | Сообщение # 1
Завсегдатай
У вас сообщений: 299
инженер
OFFлайн
Российская Федерация

москва
Здравствуйте.
Скиньте пожалуйста схемку в личку:Auxiliary Board 732219

Не управляется транзистор включающий контактор к5 ???


ANDRY
 
petroveechДата: Пятница, 23.Июн.2017, 07:02 | Сообщение # 2
У вас сообщений: 1072
Иженер
OFFлайн
Российская Федерация

Ставрополь
Питающее какое? В смысле периферийная плата и пульт.

При обращении пишите мыло сразу.
 
sasanikДата: Пятница, 23.Июн.2017, 13:58 | Сообщение # 3
Стажер
У вас сообщений: 28
инженер
OFFлайн
Украина

Днепр
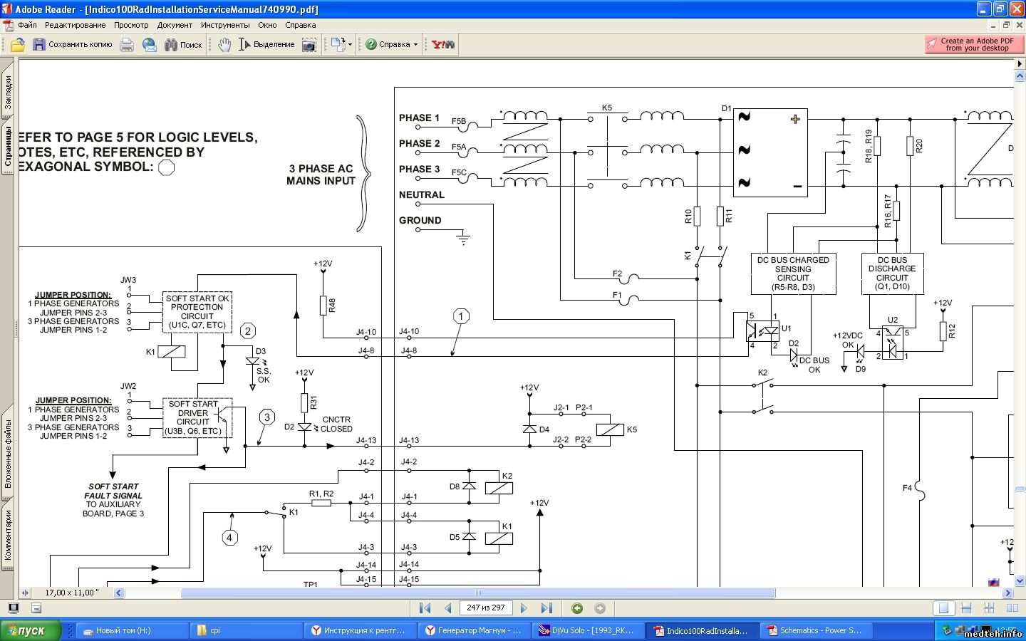
Это CPI с пультом магнум и для включения К5 сначала надо зарядить конденсаторы через включенное К1 и резисторы р10 и Р11. Должно загореться ВС BUS OK и на J4-8 появиться 12В -это сигнал снятия блокировки включения К5.

Сообщение отредактировал sasanik - Пятница, 23.Июн.2017, 21:12
 
sasanikДата: Пятница, 23.Июн.2017, 13:59 | Сообщение # 4
Стажер
У вас сообщений: 28
инженер
OFFлайн
Украина

Днепр
Это CPI с пультом магнум и для включения К5 сначала надо зарядить конденсаторы через включенное К1 и резисторы р10 и Р11. Должно загореться ВС BUS OK и на J4-8 появиться 12В -это сигнал снятия блокировки включения К5.
4576848.jpg (195.3 Kb)
 
AVAMДата: Пятница, 23.Июн.2017, 18:09 | Сообщение # 5
Завсегдатай
У вас сообщений: 299
инженер
OFFлайн
Российская Федерация

москва
Эту плату проверил в другом аппарате, оказалась рабочая .
Кажется вспомнил, что эта ошибка подготовки или педали скопии, возможно залипла. В понедельник проверю.


ANDRY
 
AVAMДата: Понедельник, 26.Июн.2017, 17:13 | Сообщение # 6
Завсегдатай
У вас сообщений: 299
инженер
OFFлайн
Российская Федерация

москва
Померил на емкостях-400в, оптрон исправен, далее в схеме обозначение фильтра зарядки в квадрате, кроме резисторов нечего гореть.Такие проволочные резисторы горят часто.
7699893.jpg (120.4 Kb) · 4802207.jpg (111.3 Kb)


ANDRY

Сообщение отредактировал AVAM - Понедельник, 26.Июн.2017, 17:20
 
sasanikДата: Вторник, 27.Июн.2017, 00:17 | Сообщение # 7
Стажер
У вас сообщений: 28
инженер
OFFлайн
Украина

Днепр
400в маловато будет и проверь синие бочки 47 ом и кусок помощи
8266630.jpg (218.0 Kb)
 
sasanikДата: Вторник, 27.Июн.2017, 00:20 | Сообщение # 8
Стажер
У вас сообщений: 28
инженер
OFFлайн
Украина

Днепр
400в маловато будет и проверь синие бочки 47 ом и кусок помощи
3627387.jpg (218.0 Kb)
 
AVAMДата: Вторник, 27.Июн.2017, 17:09 | Сообщение # 9
Завсегдатай
У вас сообщений: 299
инженер
OFFлайн
Российская Федерация

москва
Да маловато, но я мерил при выключеном к5, а потом забыл проверить. Все звонил, только не мог добраться до этих керамических по 24к.
Все заработало. ДА,там еще сильный перекос фаз.


ANDRY

Сообщение отредактировал AVAM - Вторник, 27.Июн.2017, 17:11
 
  • Страница 1 из 1
  • 1
Поиск:



Статистика Форума
Последние обновления тем: Новые файлы хранилища: Новые участники: Top10 участников:
1. Замена светодиода на ...[Shturman (05.Дек.2025)]
2. Анализатор поля зрени...[SpirituS (04.Дек.2025)]
3. Программный комплекс ...[mqubali (04.Дек.2025)]
4. Кардиорегистратор «ИК...[albano18 (04.Дек.2025)]
5. Thermo Scientific gem...[viggen (03.Дек.2025)]
6. Центрифуга CM-6M ф.El...[Ningen64 (03.Дек.2025)]
7. Дефибриллятор Defi B ...[san-che30 (02.Дек.2025)]
8. Коллиматор Ralco R 22...[seeker (02.Дек.2025)]
9. КУПЛЮ/ПРИМУ в дар при...[seabee (02.Дек.2025)]
1. VIVIX Setup Operation...[12.Окт.2025]
2. GenwareMP[10.Сен.2025]
3. Настройка реагентов M...[20.Авг.2025]
4. Philips HD3-EXP[13.Авг.2025]
5. Рентгеновское оборудо...[08.Авг.2025]
6. VersaMed iVent201 Сер...[13.Фев.2025]
7. Гелпик КРД Ренекс РЦ ...[09.Фев.2025]
8. Офтальмологическая ус...[31.Окт.2024]
9. Cardinal-Health-VELA-...[03.Окт.2024]
10. Service Manual HAMILT...[02.Окт.2024]
1. zef1984[05.Дек.2025]
2. Dvish[05.Дек.2025]
3. Intellect[05.Дек.2025]
4. Romanivanov[05.Дек.2025]
5. igogoigogo[05.Дек.2025]
6. 1rishka[04.Дек.2025]
7. L_V_N[04.Дек.2025]
8. ИвановИИ[04.Дек.2025]
9. Alex_U[04.Дек.2025]
10. Yarikus03[03.Дек.2025]
МастерБаку[583]
Yulana34[177]
Serg74[160]
Dimitrius[129]
naves[122]
РОМУЛ[121]
bektyish[121]
madmac[116]
Алекс-200[114]
begun_a[112]