[ Новые сообщения · Участники · Правила форума · Поиск · RSS ]



  • Страница 3 из 5
  • «
  • 1
  • 2
  • 3
  • 4
  • 5
  • »
Модератор форума: renmaster  
Флюорограф ПроСкан-7000 на базе КамАЗа
05myslim86Дата: Вторник, 19.Июн.2012, 11:35 | Сообщение # 81
Стажер
У вас сообщений: 27
инженер
OFFлайн
Российская Федерация

махачкала
у меня похожая беда, только легче чуть чуть, накопители полетели. есть возможность обойтись без них, запустить на прямую. вот только есть небольшие сомнения. проканает это у меня или нет. добавив удвоитель напряжения, и силовой выпрямитель. как думаете стоит ли это делать не взорву я его biggrin
есть схемы кому нужно могу скинуть
 
АГИДата: Вторник, 19.Июн.2012, 13:49 | Сообщение # 82
Техник
У вас сообщений: 382
Инженер
OFFлайн
Российская Федерация

Ставрополь
Quote (05myslim86)
стоит ли это делать не взорву я его

Взорвешь!!!
Да и не имеешь права это делать!!!
 
serg7vetrДата: Вторник, 19.Июн.2012, 17:41 | Сообщение # 83
Завсегдатай
У вас сообщений: 225
инженер
OFFлайн
Российская Федерация

волгоград
Quote (инженер05)
ЗДРАСТВУЙ! ПОМОГИТЕ ПОЖАЛУЙСТА ! НЕ ЗАРЯЖАЕТСЯ МОЛЕКУЛЯРКА ,СГОРАЕТ ПРЕДОХРАНИТЕЛ НА ПЛАТЕ ЗАРЯДА НАКОПИТЕЛЯ !!!!!
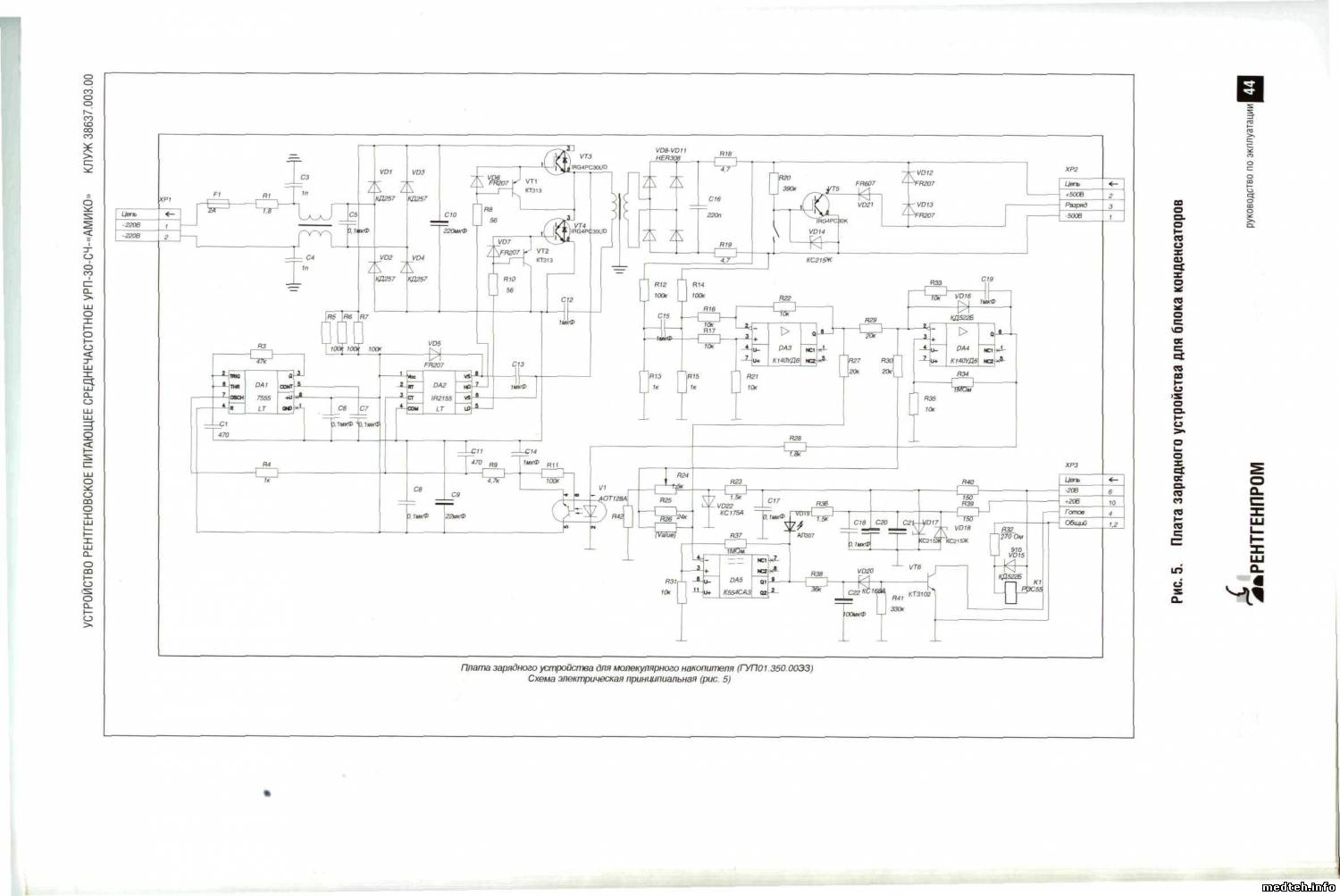
На плате заряда два транзистора полевых, поменяй.Как правило больше ничего там не летит. И проверь накопители на тему замыкания.Подключи последовательно пару лампочек 220 вольт 100 ватт.
 
CrashBashДата: Понедельник, 25.Июн.2012, 15:20 | Сообщение # 84
Заглянувший
У вас сообщений: 2
Инженер
OFFлайн
Российская Федерация

Томск
Отсоедини один провод от накопителя ,подключи вольтметр .если есть заряд более 300в, то меняй накопитель , если нет ,плату заряда накопителя....
 
05myslim86Дата: Среда, 27.Июн.2012, 14:52 | Сообщение # 85
Стажер
У вас сообщений: 27
инженер
OFFлайн
Российская Федерация

махачкала
Quote (АГИ)
Взорвешь!!!

есть схема ВС с питанием однофазной сети, без малекулярного накопителя на кондинсаторах, для теристорного инвертора, не могу ли я воспользоваться ею под инвертор IGBT модуля.
 
АГИДата: Среда, 27.Июн.2012, 16:01 | Сообщение # 86
Техник
У вас сообщений: 382
Инженер
OFFлайн
Российская Федерация

Ставрополь
Quote (05myslim86)
есть схема ВС с питанием однофазной сети, без малекулярного накопителя на кондинсаторах, для теристорного инвертора, не могу ли я воспользоваться ею под инвертор IGBT модуля.

А как с мозгами аппарата? В частности с МКУ.
 
petroveechДата: Четверг, 28.Июн.2012, 14:26 | Сообщение # 87
У вас сообщений: 1072
Иженер
OFFлайн
Российская Федерация

Ставрополь
Лично взрывал подобный аппарат. Кроме напряжения и тока заряда есть очень много других параметров. А долго заряжается из-за накопителя. Недавно поменяно 2, один не держал другой до обеда заряжался. Термистор брал из компутерного блока питания 500вт.
 
kostilloДата: Вторник, 13.Авг.2013, 10:27 | Сообщение # 88
Стажер
У вас сообщений: 12
электромеханик
OFFлайн
Российская Федерация

Магнитогорск
Проскан 7000 с накопителем МНЭ 0,93/360 установленный стационарно. Питание однофазное. Отдельно на стене щиток 220 В AC переводит в 400 В DC. То есть на выходе постоянное напряжение. Эти 400 В идут на флюрограф, так вот на концах провода идущих на флюрограф там где 400 в имеется сопротивление постоянному току 180 Ом. При включении этот блок питания выбивает и сгорает диодный мостик: От инвертора шлейф отцеплял - вышибает. Сейчас пока что ищется документация по урп сч 30 с накопителем.
Кто нибудь сталкивался с подобной проблемой?


Сообщение отредактировал kostillo - Вторник, 13.Авг.2013, 10:28
 
vfДата: Вторник, 13.Авг.2013, 12:41 | Сообщение # 89
У вас сообщений: 473
инженер
OFFлайн
Российская Федерация

полевики пробиты?
8711517.jpg (103.7 Kb)
 
kostilloДата: Среда, 14.Авг.2013, 10:06 | Сообщение # 90
Стажер
У вас сообщений: 12
электромеханик
OFFлайн
Российская Федерация

Магнитогорск
Не пробиты. Выход с блока питания отключаю замыканий нет, на дисплее входное и выходное напряжения отображаются. Может есть еще схемы на Проскан 7000 с накопителем? А то в документации на аппарат только монтажные, без электрической схемы и ремонтировать не получится.

По теме выходит что блок питания целый и его замыкает что то в следующей цепи. Схем нет гадать не буду.


Сообщение отредактировал kostillo - Среда, 14.Авг.2013, 10:14
 
vfДата: Среда, 14.Авг.2013, 22:24 | Сообщение # 91
У вас сообщений: 473
инженер
OFFлайн
Российская Федерация

Цитата (kostillo)
Выход с блока питания отключаю замыканий нет

Что такое "блок питания"? Это щиток на стене? Или плата заряда конденсаторов? Или что-то другое?
Если щиток на стене - посмотрите плату заряда. Если плата заряда - посмотрите инвертор. Если что-то еще- напишите, что именно
 
MickДата: Четверг, 15.Авг.2013, 08:36 | Сообщение # 92
Участник
У вас сообщений: 64
медтехник
OFFлайн
Российская Федерация

Новокузнецк
Есть методика проверки молекулярных накопителей!
____.pdf (573.9 Kb)
 
kostilloДата: Четверг, 15.Авг.2013, 13:00 | Сообщение # 93
Стажер
У вас сообщений: 12
электромеханик
OFFлайн
Российская Федерация

Магнитогорск
vf Что такое "блок питания"? щиток на стене с дисплеем показывающим напряжение, я про него имею ввиду на выходе он имеет 400 - 409 Вольт. Буду смотреть плату заряда.
От инвертора (тот что с радиатором вплотную к высоковольтному баку) большой шлейф отсоединял - все равно выбивает.

Mick спасибо ознакомлюсь
 
petroveechДата: Вторник, 20.Авг.2013, 12:22 | Сообщение # 94
У вас сообщений: 1072
Иженер
OFFлайн
Российская Федерация

Ставрополь
Щиток на стене и есть плата заряда. Там внутри собрано, сверху не вино. Срабатывает защита из-за броска тока. Снимайте, смотрите. У нас транзисторы выбивало (внутри штук 3). И прокладки изоляционные не очень хороши.
 
kostilloДата: Четверг, 22.Авг.2013, 11:03 | Сообщение # 95
Стажер
У вас сообщений: 12
электромеханик
OFFлайн
Российская Федерация

Магнитогорск
Сегодня запустился аппарат с балластом в виде двух ламп накаливания вместо молекулярного накопителя. Сам накопитель имеет пробой минусового вывода на землю поэтому выбивает блок питания.
 
vik_rockДата: Четверг, 03.Окт.2013, 09:41 | Сообщение # 96
Стажер
У вас сообщений: 37
техник
OFFлайн
Российская Федерация

Липецк
Предположительно после скачка напряжения аппарат при включении сканирования включается высокое напряжение и сразу выключается, линейка продолжает движение а двери открываются. Соответственно снимка нет.
В режимах тренировки и калибровки трубки все проходит нормально, ток соответствует.
Концевики проверяли до платы управления.
 
speshlistДата: Четверг, 03.Окт.2013, 12:02 | Сообщение # 97
Участник
У вас сообщений: 215
рентген, служба крови
OFFлайн
Российская Федерация

Вологда
Снимок должен закончится когда будет набрано 250 мАс. Либо 6,5 сек. времени, что в вашем случае не может быть, наверное. Надо проверить сколько мАс у вас получается. Может сбиты настройки по току.
 
petroveechДата: Четверг, 03.Окт.2013, 22:16 | Сообщение # 98
У вас сообщений: 1072
Иженер
OFFлайн
Российская Федерация

Ставрополь
А после чего такой глюк?
 
vik_rockДата: Пятница, 04.Окт.2013, 23:04 | Сообщение # 99
Стажер
У вас сообщений: 37
техник
OFFлайн
Российская Федерация

Липецк
Проблема решена. Не было связи с детектором, плохой контакт в системном блоке платы детектора на PCI разъеме.
 
ChulaevДата: Четверг, 13.Мар.2014, 15:03 | Сообщение # 100
Участник
У вас сообщений: 70
новичок
OFFлайн
Российская Федерация

Шелковская
Приветствую всех!
Проблема заключается в том что при подаче высокого нету тока трубки как видно на фото
Дальше при осмотре обнаружил что вытекло масло
Вопрос могла ли повлиять утечка масла на ток трубки?
6521671.jpg (269.4 Kb) · 5694536.jpg (171.3 Kb) · 5830734.jpg (168.7 Kb)
 
serg7vetrДата: Четверг, 13.Мар.2014, 17:10 | Сообщение # 101
Завсегдатай
У вас сообщений: 225
инженер
OFFлайн
Российская Федерация

волгоград
А масло полностью вытекло? Большая вероятность, что транзисторам IGBT кирдык-мердык...Из-за пробоя. При условии, конечно, что трубка еще живая... В любом случае попадалово.
 
ChulaevДата: Четверг, 13.Мар.2014, 19:16 | Сообщение # 102
Участник
У вас сообщений: 70
новичок
OFFлайн
Российская Федерация

Шелковская
После того как все прочистил от масла и высушил, начал работать и проработал несколько дней и снова такая же картина.
Масло вытекает немного, но этого хватает что бы он вышел из строя.
 
petroveechДата: Четверг, 13.Мар.2014, 22:37 | Сообщение # 103
У вас сообщений: 1072
Иженер
OFFлайн
Российская Федерация

Ставрополь
Остаётся ещё немножко экспериментов с маслом и тогда точно кирдык-мердык. Течь то убрать надо.
 
serg7vetrДата: Четверг, 13.Мар.2014, 23:19 | Сообщение # 104
Завсегдатай
У вас сообщений: 225
инженер
OFFлайн
Российская Федерация

волгоград
Подожди, еще не все вытекло... Долив масла, похоже, и не производился. Извините за шутливый тон, а еще об этих аппаратах плохие отзывы... Крепкий однако. Теперь по делу. Течь однозначно устраните, Петрович прав. И на всякий случай проверь на БУ внутри блока штеккер питания, идущий на плату от большого военного железного разъема. Извини, фото под рукой нет, по этому штеккеру приходит питание от накопителя на плату IGBT. Было такое, подгорел штеккер. Контакт терялся. В старого типа БУ полностью питание пропадало, БУ выключался. В новых не пропадает, но тока нет.Ну и разъемы на трубке разведи и подточи. Может и цепь накала прерываться.
 
ChulaevДата: Пятница, 14.Мар.2014, 00:15 | Сообщение # 105
Участник
У вас сообщений: 70
новичок
OFFлайн
Российская Федерация

Шелковская
Спасибо за подсказку. Завтра разберу и для уверенности залью сюда фото.
Я новичок и только осваиваюсь, так что я вас чуток помучаю))
 
ChulaevДата: Пятница, 14.Мар.2014, 18:42 | Сообщение # 106
Участник
У вас сообщений: 70
новичок
OFFлайн
Российская Федерация

Шелковская
Ну вот вся картина в картинках))

Как видно на фотках, масло вытекает сверху.
Теперь посоветуйте чем лучше заделать утечку?
4170693.jpg (141.1 Kb) · 4377644.jpg (113.2 Kb) · 4717653.jpg (122.8 Kb) · 5908810.jpg (106.6 Kb) · 4821341.jpg (188.8 Kb) · 4059672.jpg (152.7 Kb)
 
serg7vetrДата: Пятница, 14.Мар.2014, 22:07 | Сообщение # 107
Завсегдатай
У вас сообщений: 225
инженер
OFFлайн
Российская Федерация

волгоград
Ах, так вот откуда масло вытекает. Могу успокоить, ничего страшного не произойдет. Заделать можно герметиком автомобильным.Я подрисовал слабое место на твоем рисунке БУ, проверь, может быть поможет. У меня было такое, и симптомы похожи.И передерни разъемы внутри БУ. Хотя бы поподтыкай их не разбирая блок.
4335372.jpg (229.6 Kb)
 
ChulaevДата: Пятница, 14.Мар.2014, 22:27 | Сообщение # 108
Участник
У вас сообщений: 70
новичок
OFFлайн
Российская Федерация

Шелковская
serg7vetr Спасибо огромное за советы и подсказки) Завтра буду собирать, кстати эти провода просто болтаются там, что с ними можно сделать?
 
serg7vetrДата: Суббота, 15.Мар.2014, 18:42 | Сообщение # 109
Завсегдатай
У вас сообщений: 225
инженер
OFFлайн
Российская Федерация

волгоград
А ничего не делай. Проверь контакт провода- разъем- плата. Мы о тех проводах говорим? Которые на фото желто- зеленые? В блоке управления(БУ)? У меня в разъеме был контакт плохой. Пропаяй если не в лом. А спасибо лучше нажатием кнопки скажи. Тщеславен, блин...
 
ChulaevДата: Суббота, 15.Мар.2014, 21:14 | Сообщение # 110
Участник
У вас сообщений: 70
новичок
OFFлайн
Российская Федерация

Шелковская
Цитата serg7vetr ()
А ничего не делай. Проверь контакт провода- разъем- плата. Мы о тех проводах говорим? Которые на фото желто- зеленые? В блоке управления(БУ)?

да желто- зеленые. Проверю все внимательно.
Цитата Chulaev ()
А спасибо лучше нажатием кнопки скажи.

Нажатие кнопки произвел)
 
ChulaevДата: Воскресенье, 16.Мар.2014, 23:24 | Сообщение # 111
Участник
У вас сообщений: 70
новичок
OFFлайн
Российская Федерация

Шелковская
Сегодня заделал место утечки герметиком, все собрал и проверил, передернул все штекера.
Результат нулевой((
Заметил что в гнезде одного штекера просачивается масло, на первой фотке видно про какое гнездо я говорю, может ли это влиять на то что нету тока трубки?
Выкладываю фотки, может кто заметит что то:
8449331.jpg (262.4 Kb) · 1674668.jpg (186.8 Kb) · 6812146.jpg (159.7 Kb) · 8440635.jpg (115.7 Kb) · 7133358.jpg (269.4 Kb)


Сообщение отредактировал Chulaev - Воскресенье, 16.Мар.2014, 23:27
 
serg7vetrДата: Понедельник, 17.Мар.2014, 13:14 | Сообщение # 112
Завсегдатай
У вас сообщений: 225
инженер
OFFлайн
Российская Федерация

волгоград
Эге,да у тебя высокое напряжение- то есть!!! Добавь накал.Вместо 361 добавь 380 и далее, пока не получишь ток трубки(жирные цифры слева) 5-6 мА. В режиме тренировки трубки. Излучение у тебя точно есть. Иначе бы слева на снимке затемненной полосы не было бы. Поставь точку в поле "ручной" и добавь накал. Могла и труба подсесть.

Сообщение отредактировал serg7vetr - Понедельник, 17.Мар.2014, 13:15
 
serg7vetrДата: Понедельник, 17.Мар.2014, 13:18 | Сообщение # 113
Завсегдатай
У вас сообщений: 225
инженер
OFFлайн
Российская Федерация

волгоград
После того, как получишь 5-6 мА, делай снимок. Далее пиши, а если все в норме, ставь новые параметры в "установки" и готовь айболитов в плане "безвременно, безвременно" попадалово на трубку.
 
StasikДата: Среда, 02.Апр.2014, 10:40 | Сообщение # 114
Техник
У вас сообщений: 342
электромеханик
OFFлайн
Российская Федерация

Красноярский край
А у тебя работает блок питания 220/12 на плате что на фото 1674668. ( должен гореть светодиод )
И DC/DC преобразователь 12/15 проверь на этой же плате.


Сообщение отредактировал Stasik - Среда, 02.Апр.2014, 10:41
 
SemenPetrДата: Понедельник, 21.Апр.2014, 13:03 | Сообщение # 115
Стажер
У вас сообщений: 9
Сервисный инженер
OFFлайн
Российская Федерация

Москва
Коллеги, доброго дня!

При включении аппарата, сразу же закрывается дверь и нет готовности к снимку. С чего начать искать причину?

Заранее спасибо!
 
SanSanichДата: Понедельник, 21.Апр.2014, 14:01 | Сообщение # 116
Участник
У вас сообщений: 58
Инженер - испытатель
OFFлайн
Российская Федерация

Майский
Проверь концевики на приводе двери. Фото у меня нет, но по памяти там их три шт. Вот один из тех,что стоят в паре,залипает интересным способом. Т.е. сам рычажок откинут,а кнопочка залипает. Я в запасе всегда их держу прямо в машине.Уже штуки четыре поменял.
 
saddam-095Дата: Воскресенье, 27.Апр.2014, 15:12 | Сообщение # 117
Завсегдатай
У вас сообщений: 269
электромеханик
OFFлайн
Российская Федерация

гудермес
уважаемые коллеги, помогите разобраться... ireful после переустановки по нет высокого. думал проблема в версии программы установил другую тоже самое. передернул разъемы в питающем, почистил стаканы высоковольтных кабелей высокое появились. начал делать калибровку трубки прошла, при калибровке детектора примерно половина процесса пропало высокое. процедуру чистки разъемов проделал более тщательно и высокое опять появилось. прошли калибровки высокое есть, но собрав аппарат проба снимка высокого опять нет unknown снял крышки и с ноги по питающему высокое есть. друзья может кто сталкивался с такой проблемой??? помогите разобратся пжлст
 
saddam-095Дата: Воскресенье, 27.Апр.2014, 15:18 | Сообщение # 118
Завсегдатай
У вас сообщений: 269
электромеханик
OFFлайн
Российская Федерация

гудермес
и еще программа ошибок не выдает, звуковое сопровождение высокого пропадает с высоким, светодиод который гаснет в момент подачи высокого тоже не реагирует
 
sekosДата: Воскресенье, 27.Апр.2014, 21:23 | Сообщение # 119
Участник
У вас сообщений: 194
инженер
OFFлайн
Российская Федерация

Пенза
Разговор медтехников, в присутствии молоденьких рентгенлаборанток: "Ты ножки раздвинь, засунь и будет
контакт". Это о высоковольтном кабеле.
Да и смазка не помешает.


Сообщение отредактировал sekos - Воскресенье, 27.Апр.2014, 21:28
 
saddam-095Дата: Понедельник, 28.Апр.2014, 01:15 | Сообщение # 120
Завсегдатай
У вас сообщений: 269
электромеханик
OFFлайн
Российская Федерация

гудермес
Ножки раздвинул, даже напустил до блеска, смазки с собой небыло.
 
  • Страница 3 из 5
  • «
  • 1
  • 2
  • 3
  • 4
  • 5
  • »
Поиск:



Статистика Форума
Последние обновления тем: Новые файлы хранилища: Новые участники: Top10 участников:
1. Анализатор поля зрени...[SpirituS (04.Дек.2025)]
2. Программный комплекс ...[mqubali (04.Дек.2025)]
3. Кардиорегистратор «ИК...[albano18 (04.Дек.2025)]
4. Thermo Scientific gem...[viggen (03.Дек.2025)]
5. Центрифуга CM-6M ф.El...[Ningen64 (03.Дек.2025)]
6. Дефибриллятор Defi B ...[san-che30 (02.Дек.2025)]
7. Коллиматор Ralco R 22...[seeker (02.Дек.2025)]
8. КУПЛЮ/ПРИМУ в дар при...[seabee (02.Дек.2025)]
9. Центрифуга MiniSpin P...[AntonioPetty (01.Дек.2025)]
1. VIVIX Setup Operation...[12.Окт.2025]
2. GenwareMP[10.Сен.2025]
3. Настройка реагентов M...[20.Авг.2025]
4. Philips HD3-EXP[13.Авг.2025]
5. Рентгеновское оборудо...[08.Авг.2025]
6. VersaMed iVent201 Сер...[13.Фев.2025]
7. Гелпик КРД Ренекс РЦ ...[09.Фев.2025]
8. Офтальмологическая ус...[31.Окт.2024]
9. Cardinal-Health-VELA-...[03.Окт.2024]
10. Service Manual HAMILT...[02.Окт.2024]
1. Intellect[05.Дек.2025]
2. Romanivanov[05.Дек.2025]
3. igogoigogo[05.Дек.2025]
4. 1rishka[04.Дек.2025]
5. L_V_N[04.Дек.2025]
6. ИвановИИ[04.Дек.2025]
7. Alex_U[04.Дек.2025]
8. Yarikus03[03.Дек.2025]
9. EvaLen[03.Дек.2025]
10. dankurets[03.Дек.2025]
МастерБаку[583]
Yulana34[177]
Serg74[160]
Dimitrius[129]
naves[122]
РОМУЛ[121]
bektyish[121]
madmac[116]
Алекс-200[114]
begun_a[112]