[ Новые сообщения · Участники · Правила форума · Поиск · RSS ]



  • Страница 1 из 1
  • 1
Модератор форума: renmaster  
Ап-т ренгеномаммографический автоматизированый МАММО-Р-Амико
dan_devilДата: Среда, 10.Июн.2009, 10:17 | Сообщение # 1
OFFлайн
Российская Федерация

Аппарат ренгеномаммографический автоматизированный (маммограф) "МАММО-Р-Амико".

Был случай - на одном из аппаратов сгорел двигатель компрессии и шимы на плате мастер-модуля.
Всем, у кого есть таки аппараты на обслуживании советую проверить натяжение ленты, маскирующей держатель компрессионного прижима. При плохом натяжении или небольшом перекосе может произойти описанная выше поломка при произведении боковых снимков с автодекомпрессией - лента сползает с валков и металлическая платина, фиксирующая верхний край ленты, попадает в механизм и препятствует поднятию прижима в верхнюю точку. Там стоит датчик, фиксирующий эту самую точку и пока он не будет перекрыт, двигатель не отключется. Т.к. в аппарате нет дащиты по току или времени, происходит выгорание движка и платы управления.
Так что будьте внимательны ;)
 
dan_devilДата: Среда, 11.Ноя.2009, 23:13 | Сообщение # 2
OFFлайн
Российская Федерация

На данный момент в конструкцию включили защиту.

Сообщение отредактировал dan_devil - Среда, 11.Ноя.2009, 23:14
 
renmasterДата: Среда, 11.Ноя.2009, 23:15 | Сообщение # 3
OFFлайн
Российская Федерация

Россия
Quote (dan_devil)
На данный момент данная недоработка устранена, в конструкцию включили защиту.

с аппаратов кого времени выпуска стали ставить?
 
genasДата: Пятница, 06.Май.2011, 09:51 | Сообщение # 4
Стажер
У вас сообщений: 33
сервисный инженер
OFFлайн
Российская Федерация

Волгоград
Был такой геморрой. Лента по бокам разлохматилась даже. Транзисторы сгорели. Причем такой марки мы даже не нашли, повесили два полевика на радиаторах на проводах сбоку. Работает...
 
StasrДата: Среда, 23.Ноя.2011, 10:01 | Сообщение # 5
Участник
У вас сообщений: 189
инженер-медтехник
OFFлайн
Российская Федерация

На маммографе МАММО-Р-Амико не загружается ПО, зависает на этапе движения горизонтальной полоски, где-то 10% и тёмносиний экран и просит нажать КТРЛ-Д, перезагружается и просит пароль.
.

Не уточнил - зависает пульт. В качестве пульта служит комп моноблок, компактный с сенсорным дисплеем, дистрибутивов нет. Связь с аппаратом USB через коммутационную коробку.
 
serg544Дата: Среда, 23.Ноя.2011, 16:24 | Сообщение # 6
Участник
У вас сообщений: 79
Менеджер
OFFлайн
Российская Федерация

Москва
внутри что стоит?
Карта CF или HDD ?
 
ЭлкаДата: Среда, 23.Ноя.2011, 20:09 | Сообщение # 7
У вас сообщений: 153
электромеханик
OFFлайн
Российская Федерация

.
Такую ситуацию я встречал на двух маммографах все заканчивалось перезагрузкой программы. Раньше использовали образ Акрониса сейчас загрузочную флешку при установке необходимо вводить несколько паролей и активировать программу, а потом калибровать аппарат, насколько мне известно Рентгенпром п/о держит в секрете так что без них вам наверное не обойтись.
 
StasrДата: Пятница, 25.Ноя.2011, 03:52 | Сообщение # 8
Участник
У вас сообщений: 189
инженер-медтехник
OFFлайн
Российская Федерация

вот это выходит. И в доках немогу найти праоли. точнее нет сервисной инструкции.
0140869.jpg (147.7 Kb) · 1979555.jpg (145.3 Kb)


Сообщение отредактировал Stasr - Пятница, 25.Ноя.2011, 04:03
 
serg544Дата: Пятница, 25.Ноя.2011, 10:33 | Сообщение # 9
Участник
У вас сообщений: 79
Менеджер
OFFлайн
Российская Федерация

Москва
Попробуй вот это
login - su
password - linux
 
StasrДата: Понедельник, 28.Ноя.2011, 07:52 | Сообщение # 10
Участник
У вас сообщений: 189
инженер-медтехник
OFFлайн
Российская Федерация

пароль прошетл. Но дальше оказывается в линуксах я ноль.
 
maxirayДата: Четверг, 29.Дек.2011, 09:27 | Сообщение # 11
Стажер
У вас сообщений: 28
Инженер-наладчик
OFFлайн
Российская Федерация

Ставрополь
Добрый день, коллеги!
Проблема в следующем: "посыпался" жёсткий диск выносного пульта управления AFL12-500 - при включении - (INVALID SYSTEM DISK, INSERT SYSTEM DISK AND PRESS ENTER)
После REMAP'a BAD секторов и fsck с linux recoveryCD ожил загрузчик GRUB, система начинает загружаться и виснет, в Single user mode видно, что виснет из-за отсутствия некоторых файлов в папке \SBIN\INIT\ (скорее всего, не только в ней, т.к. в папке LOST+FOUND очень много файлов).
В связи с этим прошу помочь с образом жёсткого диска на данный аппарат.
 
serg544Дата: Четверг, 29.Дек.2011, 09:52 | Сообщение # 12
Участник
У вас сообщений: 79
Менеджер
OFFлайн
Российская Федерация

Москва
образ под 2 Гб карту CF весит 675 мб.
Образ для загрузочной флешки на Линуксе.
Лучше заказать готовую флешку в Рентгенпроме.


Сообщение отредактировал serg544 - Четверг, 29.Дек.2011, 09:54
 
ЦЕХДата: Воскресенье, 01.Янв.2012, 22:36 | Сообщение # 13
У вас сообщений: 262
рентгентехника
OFFлайн
Российская Федерация

Белые ночи
Всех с наступившим!
Quote (maxiray)
Проблема в следующем: "посыпался" жесткий диск выносного пульта управления AFL12-500 при включении - (INVALID SYSTEM DISK, INSERT SYSTEM DISK AND PRESS ENTER) после REMAP'a BAD секторов и fsck с linux recoveryCD ожил загрузчик GRUB, система начинает загружаться и виснет, в Single user mode видно, что виснет из-за отсутствия некоторых файлов в папке \SBIN\INIT\ (скорее всего не только в ней т.к. в папке LOST+FOUND очень много файлов) в связи с этим прошу помочь с образом жесткого диска на данный аппарат.

Тёзка! Может
Quote (serg544)
образ под 2 Гб карту CF весит 675 мб. Образ для загрузочной флешки на Линуксе. Лучше заказать готовую флешку в Рентгенпроме.

высылать вместе с монтажным комплектом, аля ЗИП? biggrin
 
StasrДата: Четверг, 05.Янв.2012, 13:29 | Сообщение # 14
Участник
У вас сообщений: 189
инженер-медтехник
OFFлайн
Российская Федерация

отправляйте в рентгенпром. секретами не делятся, но делают. У нас уже третий там на ремонте, плохо что попал как раз в праздники. двое пепрвых сейчас в работе.

Сообщение отредактировал Stasr - Четверг, 05.Янв.2012, 13:30
 
maxirayДата: Среда, 21.Мар.2012, 08:00 | Сообщение # 15
Стажер
У вас сообщений: 28
Инженер-наладчик
OFFлайн
Российская Федерация

Ставрополь
Проблема решена переустановкой ПО пульта (с Рентгенпромовской флешки). Спасибо Всем откликнувшимся !!!
 
medtehДата: Понедельник, 02.Апр.2012, 23:54 | Сообщение # 16
Admin


Добрый день!
Открываю тему по данному аппарату, дабы не плодить похожие по названию. Проблема такая, периодический излучатель аппарата сам переворачивается не по программе, а также может сделать пару снимков нормальных и после этого перестать снимать. Все это со слов персонала. Данный аппарат сам еще не видел, но хотелось бы приблизительно определится что и как. Возможно что есть у кого-нибудь документация сервисная.
 
ЭлкаДата: Среда, 04.Апр.2012, 22:53 | Сообщение # 17
У вас сообщений: 153
электромеханик
OFFлайн
Российская Федерация

.
Расскажу историю ну прямо анекдот. При монтаже маммографа возникла мысль вот будет прикольно, если во время процедуры скоба начнет вращаться, на что инженеры с Рентген Прома ответили что это исключено все продуманно проверенно ну итд...итп.... Через полгода мои слова оказались пророчеством женщину с трудом удалось вырвать из цепких лап аппарата. Н а теперь о неисправности на валу редуктора поворота скобы установлен энкодер в торце вала просверлено отверстие куда вставлена ось энкодера криво из-за чего энкодер работает "на излом" вылечилось ослаблением винтов крепящих пластину с энкодером к редуктору. То есть энкодеру дали возможность болтатся. Так как аппарат стал неуправляемым от перегрузки двигателя сгорела плата управления. Вот такая история!

Сообщение отредактировал Элка - Среда, 04.Апр.2012, 23:02
 
kramerBTДата: Пятница, 06.Дек.2013, 13:49 | Сообщение # 18
Участник
У вас сообщений: 70
инженер
OFFлайн
Российская Федерация

Иваново
ДОБРЫЙ ДЕНЬ
Подскажите последовательность поиска с такой неисправностью.В ручном снимок нормальной.В автомате темнота .Постоянно висит ошибка Е-12


Сообщение отредактировал kramerBT - Пятница, 06.Дек.2013, 14:09
 
andrew2709Дата: Пятница, 06.Дек.2013, 14:29 | Сообщение # 19
Участник
У вас сообщений: 149
инженер по медоборудованию
OFFлайн
Российская Федерация

Екатеринбург
батарейка в СБ давно стоит ?
 
kramerBTДата: Воскресенье, 08.Дек.2013, 15:37 | Сообщение # 20
Участник
У вас сообщений: 70
инженер
OFFлайн
Российская Федерация

Иваново
Добрый день
Сам аппарат 2005 год. Думаю что никто там ничего не менял
Да и еще в начале загрузки выдает Е5 ограничение счетчика снимков.
 
ZergДата: Вторник, 10.Дек.2013, 09:23 | Сообщение # 21
Стажер
У вас сообщений: 40
инженер
OFFлайн
Российская Федерация

Россия
Напишу, может инфа будет полезна. Была такая же проблема с маммографом astra, тоже E12 и нормально работает только в ручном режиме, но появилась ошибка после скачка напряжения, вылечилась переключением в меню пункта c-arm control board с 0 на 1.
 
medplusДата: Среда, 24.Сен.2014, 08:40 | Сообщение # 22
Техник
У вас сообщений: 311
специалист
OFFлайн
Российская Федерация

Орёл
Маммограф АМИКО 2005 г.в. во всех режимах пишет ошибка "Е12", но в ручном и полуавтоматическом режимах снимки выдаёт, а в автоматическом - нет.
Чтобы это значило?
Виноват экспонометр?
 
bevДата: Среда, 08.Окт.2014, 09:13 | Сообщение # 23
Стажер
У вас сообщений: 34
инженер
OFFлайн
Российская Федерация

Челябинск
В мануале: Е12 - ошибка связи.
Проверить связь между Платой Центрального Процессора и Платой Управления.
 
denvimДата: Понедельник, 30.Мар.2015, 22:16 | Сообщение # 24
Стажер
У вас сообщений: 21
инженер
OFFлайн
Молдова

И у меня такой цирк с энкодерами был, вышел из положения так-же. Но после очередной замены энкодера и сгоревшего модуль-мастера перестал идти вверх подъемник(опускается нормально).Пока не очень понимаю что делать - благо лаборант неприхотливый и работает так.блок управления подъемником точно рабочий.
 
kramerBTДата: Пятница, 03.Июл.2015, 22:09 | Сообщение # 25
Участник
У вас сообщений: 70
инженер
OFFлайн
Российская Федерация

Иваново
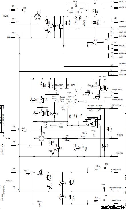
Ищу схему MGF Supli Board 32030-3KD
Моя почта: kramer.ru @list.ru


Сообщение отредактировал kramerBT - Суббота, 04.Июл.2015, 07:18
 
AlexiumДата: Пятница, 03.Июл.2015, 23:51 | Сообщение # 26
Инженер медтехник
OFFлайн
Российская Федерация

Саратов
____________________________
4982155.jpg (50.5 Kb)
 
Medteh27Дата: Пятница, 08.Апр.2016, 05:15 | Сообщение # 27
Заглянувший
У вас сообщений: 2
Бриг
OFFлайн
Российская Федерация

Ванино, Хабаровский край
Цитата denvim ()
перестал идти вверх подъёмник (опускается нормально). Пока не очень понимаю что делать - благо лаборант неприхотливый и работает так. Блок управления подъёмником точно рабочий.
Может кому будет полезно - у меня была такая же проблема - вылечилось заменой релюшек в силовом модуле подъёмника и удалении одного резистора на плате, на датчике тока.
 
trueman585Дата: Среда, 28.Фев.2018, 16:00 | Сообщение # 28
Стажер
У вас сообщений: 32
Инженер
OFFлайн
Российская Федерация

Самара
Здравствуйте!
Подскажите, может у кого есть образ системы или образ установочного диска?
У нас ситуация такая, что система местными умельцами была переделана на системный блок, т.к. планшет помер.
А теперь слетел софт. Может его можно как-то и без переустановки восстановить?
 
hafДата: Понедельник, 04.Фев.2019, 09:16 | Сообщение # 29
Участник
У вас сообщений: 100
Инженер
OFFлайн
Российская Федерация

Уфа
Цитата trueman585 ()
слетел софт
Нужно начать с конфигурации оборудования, чтобы Вам не насували левого софта ...


Неэлектромеханик
 
  • Страница 1 из 1
  • 1
Поиск:



Статистика Форума
Последние обновления тем: Новые файлы хранилища: Новые участники: Top10 участников:
1. Анализатор поля зрени...[SpirituS (04.Дек.2025)]
2. Программный комплекс ...[mqubali (04.Дек.2025)]
3. Кардиорегистратор «ИК...[albano18 (04.Дек.2025)]
4. Thermo Scientific gem...[viggen (03.Дек.2025)]
5. Центрифуга CM-6M ф.El...[Ningen64 (03.Дек.2025)]
6. Дефибриллятор Defi B ...[san-che30 (02.Дек.2025)]
7. Коллиматор Ralco R 22...[seeker (02.Дек.2025)]
8. КУПЛЮ/ПРИМУ в дар при...[seabee (02.Дек.2025)]
9. Центрифуга MiniSpin P...[AntonioPetty (01.Дек.2025)]
1. VIVIX Setup Operation...[12.Окт.2025]
2. GenwareMP[10.Сен.2025]
3. Настройка реагентов M...[20.Авг.2025]
4. Philips HD3-EXP[13.Авг.2025]
5. Рентгеновское оборудо...[08.Авг.2025]
6. VersaMed iVent201 Сер...[13.Фев.2025]
7. Гелпик КРД Ренекс РЦ ...[09.Фев.2025]
8. Офтальмологическая ус...[31.Окт.2024]
9. Cardinal-Health-VELA-...[03.Окт.2024]
10. Service Manual HAMILT...[02.Окт.2024]
1. Romanivanov[05.Дек.2025]
2. igogoigogo[05.Дек.2025]
3. 1rishka[04.Дек.2025]
4. L_V_N[04.Дек.2025]
5. ИвановИИ[04.Дек.2025]
6. Alex_U[04.Дек.2025]
7. Yarikus03[03.Дек.2025]
8. EvaLen[03.Дек.2025]
9. dankurets[03.Дек.2025]
10. Velis1566[03.Дек.2025]
МастерБаку[583]
Yulana34[177]
Serg74[160]
Dimitrius[129]
naves[122]
РОМУЛ[121]
bektyish[121]
madmac[116]
Алекс-200[114]
begun_a[112]