[ Новые сообщения · Участники · Правила форума · Поиск · RSS ]



  • Страница 1 из 1
  • 1
Модератор форума: renmaster  
Палатный рентгенаппарат GE VMX
kardisДата: Среда, 15.Июн.2011, 11:15 | Сообщение # 1
Стажер
У вас сообщений: 40
инженер
OFFлайн
Российская Федерация

уфа
Кто сталкивался с заменой газовых пружин?
 
renmasterДата: Пятница, 17.Июн.2011, 21:02 | Сообщение # 2
OFFлайн
Российская Федерация

Россия
kardis, подробней суть неисправности опиши и желательно фото проблемного узла скинуть, чтоб визуально иметь представление
 
zoil107Дата: Суббота, 18.Июн.2011, 07:36 | Сообщение # 3
У вас сообщений: 133
рентгентехник
OFFлайн
Российская Федерация

Москва
И в чем проблема?
 
kardisДата: Среда, 22.Июн.2011, 08:32 | Сообщение # 4
Стажер
У вас сообщений: 40
инженер
OFFлайн
Российская Федерация

уфа
Фиксацию и легкое передвижение колонны вверх\вниз обеспечивают газовые пружины. У них видимо изменились характеристики усилия (написано 2200 Ньютонов). Нашел инструкцию по их замене. Нужен инструмент чтобы зафиксировать колонну в сервисном положении. Это можно сделать и при помощи "человеческой силы". Сейчас вопрос только поставки пружин из европейской страны. Там еще есть защита от резкого падения с помощью страховочных тросиков, но как я понял это если одна из пружин совсем перестанет держать. Вот и смущает тот факт, что даже если она потихонечку опустится на лежачего пациента, то приятного мало.
 
КорсарДата: Четверг, 06.Дек.2012, 15:31 | Сообщение # 5
Стажер
У вас сообщений: 35
инженер
OFFлайн
Российская Федерация

М
Господа, помогите советом! Аппарат GE VMX Plus? выдает ошибку 563. Кое как нашел коды ошибок(документации нет в принципе), выяснил, что данная ошибка означает неисправность нагревателя. Что это за нагреватель, где он стоит? Буду благодарен за любую инфу.
 
AlexiumДата: Четверг, 06.Дек.2012, 17:01 | Сообщение # 6
Инженер медтехник
OFFлайн
Российская Федерация

Саратов
Quote (Корсар)
Что это за нагреватель, где он стоит?

Эта такая фиговина, называется катодом, стоит в стеклянной банке без воздуха.

563 - Heating error - оборвался в/в провод катода или обрыв накала или неисправность схемы регулировки накала.


Сообщение отредактировал Alexium - Четверг, 06.Дек.2012, 17:12
 
КорсарДата: Понедельник, 10.Дек.2012, 19:28 | Сообщение # 7
Стажер
У вас сообщений: 35
инженер
OFFлайн
Российская Федерация

М
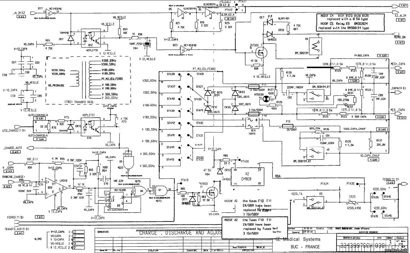
Проверил высоковольтный провод-исправен, нить накала цела и визуально(через окошко, снимал лолиматор) и тестером проверил. Нашел сгоревший пред F-13, после его замены появилась ошибка 430. Я так понимаю, что конденсаторы не заряжаются. Почему это может происходить? Кроме скана листа с кодами ошибок вообще нет ничего. Помогите разобраться.
 
AlexiumДата: Понедельник, 10.Дек.2012, 20:29 | Сообщение # 8
Инженер медтехник
OFFлайн
Российская Федерация

Саратов
-----------
1485628.jpg (262.7 Kb)
 
AlexiumДата: Среда, 20.Фев.2013, 19:59 | Сообщение # 9
Инженер медтехник
OFFлайн
Российская Федерация

Саратов
______________
4920024.jpg (382.9 Kb)
 
dozer-Дата: Вторник, 24.Сен.2013, 17:00 | Сообщение # 10
Участник
У вас сообщений: 176
Сервисный инженер
OFFлайн
Российская Федерация

Сергиев Посад
Господа подскажите кто встречался с этим аппаратом. Изначально не включался, нашел пробитый предохранитель, включается на пару секунд показывает ошибку 431 и выключается unknown
6526731.jpg (127.7 Kb)
 
dozer-Дата: Четверг, 26.Сен.2013, 13:59 | Сообщение # 11
Участник
У вас сообщений: 176
Сервисный инженер
OFFлайн
Российская Федерация

Сергиев Посад
Никто не сталкивался с этим аппаратом?
 
GrafДата: Среда, 12.Мар.2014, 17:16 | Сообщение # 12
Стажер
У вас сообщений: 44
студент
OFFлайн
Российская Федерация

Москва
Не включается пульт на аппарате, при включении слышен включение реле, а на пульте пусто. Диоды на центральной плате горят
 
  • Страница 1 из 1
  • 1
Поиск:



Статистика Форума
Последние обновления тем: Новые файлы хранилища: Новые участники: Top10 участников:
1. УЗИ Mylab 50 ф.ESAOTE...[seeker (01.Апр.2026)]
2. Маммограф МАММОСКАН ф...[FAINT (01.Апр.2026)]
3. Стерилизатор паровой ...[agolenda (01.Апр.2026)]
4. Дигитайзер Regius 110...[nicfeer (25.Мар.2026)]
5. КРД «РИМ АМ» ф.ООО &q...[bespalnik72 (22.Мар.2026)]
6. Анализатор биохимичес...[walkman8196 (20.Мар.2026)]
7. ИВЛ Neumovent Graph[Рома (19.Мар.2026)]
8. Аппарат "Мустанг...[Romuald (19.Мар.2026)]
9. Помогите опознать ком...[Romuald (19.Мар.2026)]
1. Apollo EZ service man...[25.Дек.2025]
2. VIVIX Setup Operation...[12.Окт.2025]
3. GenwareMP[10.Сен.2025]
4. Настройка реагентов M...[20.Авг.2025]
5. Philips HD3-EXP[13.Авг.2025]
6. Рентгеновское оборудо...[08.Авг.2025]
7. VersaMed iVent201 Сер...[13.Фев.2025]
8. Гелпик КРД Ренекс РЦ ...[09.Фев.2025]
9. Офтальмологическая ус...[31.Окт.2024]
10. Cardinal-Health-VELA-...[03.Окт.2024]
1. Medtex_VRN[01.Апр.2026]
2. evgvas[01.Апр.2026]
3. Instek[01.Апр.2026]
4. PospelovM[01.Апр.2026]
5. ATers[01.Апр.2026]
6. Valdis_57rus[01.Апр.2026]
7. kafar[31.Мар.2026]
8. Sergey1966[31.Мар.2026]
9. Akhan[31.Мар.2026]
10. Smol47[31.Мар.2026]
МастерБаку[583]
Yulana34[177]
Serg74[160]
Dimitrius[129]
naves[122]
РОМУЛ[121]
bektyish[121]
madmac[116]
Алекс-200[114]
генаf[112]