[ Новые сообщения · Участники · Правила форума · Поиск · RSS ]



  • Страница 1 из 1
  • 1
Модератор форума: renmaster  
Kodak Min-R MAMMOGRAPHY PROCESSOR
КорсарДата: Четверг, 18.Авг.2011, 20:13 | Сообщение # 1
Стажер
У вас сообщений: 35
инженер
OFFлайн
Российская Федерация

М
Доброго времени суток! Господа, прошу помощи. Не работает проявочная машина Kodak Min-R MAMMOGRAPHY PROCESSOR. Не за долго до полной остановки машина начала "выделываться", то есть то работает, то нет. Теперь стала совсем. При включении машины, включается насос, но мотор механизма протяжки пленки не пускается. Всё установлено правильно, но..... машина непускается. В чем может быть пичина? unknown
 
AlexiumДата: Четверг, 18.Авг.2011, 20:26 | Сообщение # 2
Инженер медтехник
OFFлайн
Российская Федерация

Саратов
Проверяйте по книжке
dg3752_1.pdf (196.8 Kb)
 
КорсарДата: Суббота, 20.Авг.2011, 10:31 | Сообщение # 3
Стажер
У вас сообщений: 35
инженер
OFFлайн
Российская Федерация

М
Alexium, спасибо за документацию. Проверил всё. У меня нет питания на катушках реле СВ1, СВ2. Откуда оно приходит? Может ли это означать, что неисправна плата управления?
 
AlexiumДата: Суббота, 20.Авг.2011, 10:47 | Сообщение # 4
Инженер медтехник
OFFлайн
Российская Федерация

Саратов
Вы про это?
1702798.jpg (41.7 Kb)
 
AlexiumДата: Суббота, 20.Авг.2011, 11:09 | Сообщение # 5
Инженер медтехник
OFFлайн
Российская Федерация

Саратов
Если так, то CB1 - сетевой выключатель (для вас пусть будет реле), СВ2 - блокировочный концевик (для вас пусть будет реле), проверьте предохранитель F1 - это такая стеклянная/керамическая трубочка с металлическими колпачками - он должен звониться КЗ. И проверьте концевик CB2.
 
КорсарДата: Суббота, 20.Авг.2011, 11:22 | Сообщение # 6
Стажер
У вас сообщений: 35
инженер
OFFлайн
Российская Федерация

М
biggrin юмор понял. Могу ошибаться. Стекляная трубочка цела и работает. Рядом с предом находится реле на 2 контакта, на крышке находится такое же реле но на один контакт. Вот на их катушках нет питания.
 
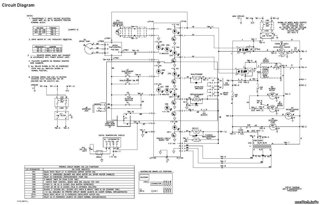
AlexiumДата: Суббота, 20.Авг.2011, 14:29 | Сообщение # 7
Инженер медтехник
OFFлайн
Российская Федерация

Саратов
Вот схема, проверяйте. В первую очередь 12 в.
5857929.jpg (123.4 Kb)
 
  • Страница 1 из 1
  • 1
Поиск:



Статистика Форума
Последние обновления тем: Новые файлы хранилища: Новые участники: Top10 участников:
1. Замена светодиода на ...[Shturman (05.Дек.2025)]
2. Анализатор поля зрени...[SpirituS (04.Дек.2025)]
3. Программный комплекс ...[mqubali (04.Дек.2025)]
4. Кардиорегистратор «ИК...[albano18 (04.Дек.2025)]
5. Thermo Scientific gem...[viggen (03.Дек.2025)]
6. Центрифуга CM-6M ф.El...[Ningen64 (03.Дек.2025)]
7. Дефибриллятор Defi B ...[san-che30 (02.Дек.2025)]
8. Коллиматор Ralco R 22...[seeker (02.Дек.2025)]
9. КУПЛЮ/ПРИМУ в дар при...[seabee (02.Дек.2025)]
1. VIVIX Setup Operation...[12.Окт.2025]
2. GenwareMP[10.Сен.2025]
3. Настройка реагентов M...[20.Авг.2025]
4. Philips HD3-EXP[13.Авг.2025]
5. Рентгеновское оборудо...[08.Авг.2025]
6. VersaMed iVent201 Сер...[13.Фев.2025]
7. Гелпик КРД Ренекс РЦ ...[09.Фев.2025]
8. Офтальмологическая ус...[31.Окт.2024]
9. Cardinal-Health-VELA-...[03.Окт.2024]
10. Service Manual HAMILT...[02.Окт.2024]
1. Dvish[05.Дек.2025]
2. Intellect[05.Дек.2025]
3. Romanivanov[05.Дек.2025]
4. igogoigogo[05.Дек.2025]
5. 1rishka[04.Дек.2025]
6. L_V_N[04.Дек.2025]
7. ИвановИИ[04.Дек.2025]
8. Alex_U[04.Дек.2025]
9. Yarikus03[03.Дек.2025]
10. EvaLen[03.Дек.2025]
МастерБаку[583]
Yulana34[177]
Serg74[160]
Dimitrius[129]
naves[122]
РОМУЛ[121]
bektyish[121]
madmac[116]
Алекс-200[114]
begun_a[112]