[ Новые сообщения · Участники · Правила форума · Поиск · RSS ]



  • Страница 1 из 2
  • 1
  • 2
  • »
Модератор форума: renmaster  
КРД-СМ 50/125-1 "Спектрап"
faf-saДата: Пятница, 07.Окт.2011, 16:02 | Сообщение # 1
Стажер
У вас сообщений: 19
инж.электронщик
OFFлайн
Российская Федерация

ульяновск
Летом в рентгенустановке КРД-СМ 50/125-1 Спектрап в самой трубке начался не понятный шум, как возня солинойда, проявлялась периодически думалось от жары, комп показывал завышение температуры. Сейчас осень, температура норма, а шум стал посильнее.
Кто подскажет что-нибудь?
.

Есть тема: КРД-СМ 50/125 "Спектрап"


Сообщение отредактировал Юрий-46 - Пятница, 07.Окт.2011, 17:01
 
zvm47Дата: Пятница, 07.Окт.2011, 17:41 | Сообщение # 2
У вас сообщений: 167
инж
OFFлайн
Российская Федерация

Москва
Добрый день.
Поплыли подшипники трубы. В трубах SRO (9000 об/мин)
обычно как металлический шелест. Постепенно шум возрастает.
Подшипники во многих трубах на основе плавящегося металла.
В момент разгона от трения металл плавится и служит смазкой.
Если он постепенно уходит, то и появляется шелест, а затем и скрежет.
Результат : через какое-то время стекло от рывков трескается и
конверторы могут приказать долго жить.
Виктор
 
Алекс-200Дата: Пятница, 07.Окт.2011, 17:51 | Сообщение # 3
У вас сообщений: 1197
Инженер
OFFлайн
Российская Федерация

Самара
faf-sa, каков возраст аппарата, количество выполненных снимков?
Если ресурс трубки выбран, то вполне возможен износ подшипников анодного узла.
Проконтролируйте (и огласите) время до полной остановки анода после снимка.
 
renmasterДата: Пятница, 07.Окт.2011, 19:56 | Сообщение # 4
OFFлайн
Российская Федерация

Россия
faf-sa, шум при первом нажатии кнопки высокого? - если Да, то ребята сказали в выше написанных постах, если НЕТ - то уже картина другого характера...
Quote (Алекс-200)
каков возраст аппарата, количество выполненных снимков?

вполне резонный вопрос насчет выработанного ресурса трубки yes
 
Aleks86Дата: Четверг, 19.Июл.2012, 13:53 | Сообщение # 5
Участник
У вас сообщений: 141
Медтехник
OFFлайн
Российская Федерация

ЮФО
Кто знаком с данным типом МТ прошу дать на него документацию. Сам аппарат не видел, он находится далеко от города, поэтому данных на него не имею. И прежде, чем ехать разбираться с ним мне необходима документация ...
 
AlexiumДата: Четверг, 19.Июл.2012, 16:13 | Сообщение # 6
Инженер медтехник
OFFлайн
Российская Федерация

Саратов
Комплект документации можно набрать по частям - http://www.niiin.ru/catalog/show.php?node_id=186
 
FAINTДата: Среда, 08.Янв.2014, 13:55 | Сообщение # 7
Участник
У вас сообщений: 147
Медтехник
OFFлайн
Российская Федерация

Россия
Убедитесь в отсутствии шума в коллиматоре (при включенном аппарате без снимка, во время простоя,Без раскрутки анода)-могут работать двигатели шторок, диафрагмы.А это уже только при вскрытии можно увидеть.
 
dfilinДата: Четверг, 31.Июл.2014, 12:34 | Сообщение # 8
Стажер
У вас сообщений: 5
диагностика
OFFлайн
Российская Федерация

Астрахань
Доброго времени суток Уважаемые форумчане.
Имеем рентгенаппарат СпектрАп крд-см 50/125-1, аппарат в эксплуатации с 2007 года.
Проблема заключается в следующем: в один прекрасный день, при включении аппарат выдал "Ошибка инвертора".
Попытались сделать снимок, попытка оказалась неудачной. Аппарат несколько раз перезапускали-все безрезультатно.
На следующий день при включении аппарат уже выдал сообщение "Низкий ток на аноде".
Проверили напряжение в щитке все нормально (230 вольт), перепадов напряжение на момент поломки зафиксировано не было.
Переключили работу трубки на малый фокус-ошибка пропала, снимки делает, но естественно проникающая способность излучения низкая и позвоночник снять уже не удается. При включении большого фокуса все таже ошибка.

Подскажите где копать?
 
RomualdДата: Четверг, 31.Июл.2014, 15:40 | Сообщение # 9
Техник
У вас сообщений: 440
ремонт медоборудования
OFFлайн
Российская Федерация

Липецк
"пошевелить"высоковольтные кабеля,катод особенно (раскрутить,почистить)на трубе и на питающем,как вариант

...пусть спасёт лишь того, кого можно спасти...
 
dfilinДата: Четверг, 31.Июл.2014, 15:56 | Сообщение # 10
Стажер
У вас сообщений: 5
диагностика
OFFлайн
Российская Федерация

Астрахань
Цитата Romuald ()
"пошевелить"высоковольтные кабеля,катод особенно (раскрутить,почистить)на трубе и на питающем,как вариант


Спасибо за ответ. Это все было сделано в первую очередь как само по себе разумеющееся, поэтому не писал в первом сообщении.
 
terbunyДата: Четверг, 31.Июл.2014, 16:06 | Сообщение # 11
Завсегдатай
У вас сообщений: 228
рентгенотехник
OFFлайн
Российская Федерация

Россия
А накал на большом фокусе есть?
 
dfilinДата: Четверг, 31.Июл.2014, 16:12 | Сообщение # 12
Стажер
У вас сообщений: 5
диагностика
OFFлайн
Российская Федерация

Астрахань
Цитата terbuny ()
А накал на большом фокусе есть?


Если включен большой фокус, то при попытке сделать снимок на пульте сразу вылезает сообщение "низкий ток на аноде" и аппарат как бы подвисает на короткое время .
 
webfoxДата: Четверг, 31.Июл.2014, 19:13 | Сообщение # 13
Участник
У вас сообщений: 144
стажер
OFFлайн
Российская Федерация

Китай
калибровку тока не пробовали ?
 
medplusДата: Четверг, 31.Июл.2014, 23:24 | Сообщение # 14
Техник
У вас сообщений: 311
специалист
OFFлайн
Российская Федерация

Орёл
нужно сделать калиброку трубки ,причём оба фокуса-если пройдёт,то всё ОК,а если нет ,то может "сдох" инвертор. "
 
terbunyДата: Пятница, 01.Авг.2014, 06:15 | Сообщение # 15
Завсегдатай
У вас сообщений: 228
рентгенотехник
OFFлайн
Российская Федерация

Россия
Если есть возможность подключите другую рентгеновскую трубку. Я думаю, что проблемы с большим фокусом.
 
M-IshevskДата: Пятница, 01.Авг.2014, 08:32 | Сообщение # 16
Завсегдатай
У вас сообщений: 258
рентгентехник
OFFлайн
Российская Федерация

Ижевск
Было именно такое. Пришлось менять трубу - большой фокус сдох. Отлично подошла б/у от электроновской флюшки - Toshiba 7239
 
Aleks86Дата: Среда, 12.Апр.2017, 11:44 | Сообщение # 17
Участник
У вас сообщений: 141
Медтехник
OFFлайн
Российская Федерация

ЮФО
Подскажите можно ли на этот рентген подобрать трубку Светлана или аналоги. Оригинальный излучатель ИРД54 150кв 0,6/1,2. И как откалибровать потом трубку Светлана если вообще она подойдет. Питающее Indico 100RF
 
Alex70ttДата: Среда, 12.Апр.2017, 11:46 | Сообщение # 18
У вас сообщений: 524
рентген техник
OFFлайн
Российская Федерация

вся Россия
можно любую трубу поставить и ручками выставить ее параметры при калибровке

!
 
petroveechДата: Среда, 12.Апр.2017, 12:44 | Сообщение # 19
У вас сообщений: 1072
Иженер
OFFлайн
Российская Федерация

Ставрополь
Цитата Alex70tt ()
можно любую трубу поставить и ручками выставить ее параметры при калибровке

Можно то можно. Откалибруется ли? С родными гемор был. То же интересен этот вопрос. Кстати туда прогой можно любую загнать.


При обращении пишите мыло сразу.
 
Aleks86Дата: Среда, 12.Апр.2017, 17:59 | Сообщение # 20
Участник
У вас сообщений: 141
Медтехник
OFFлайн
Российская Федерация

ЮФО
Если есть у кого то сервисное руководство к данному аппарату скиньте пожалуйста
 
petroveechДата: Четверг, 13.Апр.2017, 05:48 | Сообщение # 21
У вас сообщений: 1072
Иженер
OFFлайн
Российская Федерация

Ставрополь
Сервиску то же не видел. Только питающее. Если есть у кого и мне пожалуйста скинте.

При обращении пишите мыло сразу.
 
Алекс-200Дата: Четверг, 13.Апр.2017, 19:50 | Сообщение # 22
У вас сообщений: 1197
Инженер
OFFлайн
Российская Федерация

Самара
Современные "Светлановские" трубки по характеристикам накала мало отличаются от "родных" импортных.
В сервисе (можно и в ручном) обозначаете мощность фокусов и пределы накала. Далее - калибровка.
 
petroveechДата: Суббота, 15.Апр.2017, 12:22 | Сообщение # 23
У вас сообщений: 1072
Иженер
OFFлайн
Российская Федерация

Ставрополь
Цитата Алекс-200 ()
В сервисе (можно и в ручном) обозначаете мощность фокусов и пределы накала. Далее - калибровка.

Не пойдёт. Если пошло удача.


При обращении пишите мыло сразу.
 
Алекс-200Дата: Воскресенье, 16.Апр.2017, 07:35 | Сообщение # 24
У вас сообщений: 1197
Инженер
OFFлайн
Российская Федерация

Самара
Цитата petroveech ()
Не пойдёт.
Возможно, я неверно сформулировал процедуру:
1. Входите в сервисный режим, предпочитаю ручной (без GenWare), когда понимаешь, что означает каждый шаг и его (шага) последствия.
2. В библиотеке выбираете трубку с близкими к имеющейся у Вас (но не превышающими) мощностями фокусов и равной скоростью вращения анода.
3. Устанавливаете пределы накала. Обычно макс. ток не трогаем, а мин. ток корректируем на 0.2-0.3 А ниже.
4. Там же ограничиваем анодный ток малого фокуса.
5. В предельных параметрах генератора ограничиваем анодный ток (по параметрам большего фокуса) и, если есть желание, анодное напряжение (обычно до 125 кВ).
Поскольку генератор читать маркировку реально установленной трубки не умеет, то можно запускать калибровку. Обычно калибровка проходит успешно. Иногда "спотыкается" на токах накала, но это успешно корректируется.
 
medplusДата: Воскресенье, 16.Апр.2017, 19:58 | Сообщение # 25
Техник
У вас сообщений: 311
специалист
OFFлайн
Российская Федерация

Орёл
Всё сказанное выше-верно, главное правильно установить параметры Р-трубки(менял на разные).
 
Aleks86Дата: Среда, 07.Июн.2017, 19:15 | Сообщение # 26
Участник
У вас сообщений: 141
Медтехник
OFFлайн
Российская Федерация

ЮФО
При нажатии на кнопку высокое происходит разгон и на экране загорается ошибка "Резон цепь ошибка"
 
Hampelman66Дата: Среда, 07.Июн.2017, 19:42 | Сообщение # 27
Стажер
У вас сообщений: 16
электромеханик
OFFлайн
Российская Федерация

Екатеринбург
Потому что у отечественных трубок обмотки на разгон одинаковые, а на импортных есть стартующая и поддерживающая вращение
 
Aleks86Дата: Среда, 07.Июн.2017, 20:17 | Сообщение # 28
Участник
У вас сообщений: 141
Медтехник
OFFлайн
Российская Федерация

ЮФО
До этого стоял излучатель Тошиба 7252 в кожухе ИРД354. Мы попробовали поставить IAE X50H с похожими харакеристиками. Результата не дало. Ошибка осталась. Генератор Indico. Пульт Магнум
 
Hampelman66Дата: Среда, 07.Июн.2017, 21:27 | Сообщение # 29
Стажер
У вас сообщений: 16
электромеханик
OFFлайн
Российская Федерация

Екатеринбург
А скорость вращения какая? Попробуйте низкую поставить
 
acheДата: Среда, 07.Июн.2017, 22:13 | Сообщение # 30
Стажер
У вас сообщений: 5
электромеханик
OFFлайн
Российская Федерация

Екатеринбург
Это штатив Baccara? На него могу скинуть мануал. И на G100 должно быть
 
Aleks86Дата: Четверг, 08.Июн.2017, 07:07 | Сообщение # 31
Участник
У вас сообщений: 141
Медтехник
OFFлайн
Российская Федерация

ЮФО
Скорость вращения стоит низкая. Штатив Baccara.
 
acheДата: Четверг, 08.Июн.2017, 16:07 | Сообщение # 32
Стажер
У вас сообщений: 5
электромеханик
OFFлайн
Российская Федерация

Екатеринбург
Почему решили что проблема в трубке? Мне кажется проблема в плате разгона. Ну и немного глупый совет, на iae P=main A=shift C=common при подключении к генератору (на всякий случай)
 
acheДата: Четверг, 08.Июн.2017, 16:27 | Сообщение # 33
Стажер
У вас сообщений: 5
электромеханик
OFFлайн
Российская Федерация

Екатеринбург
И еще
Цитата medplus ()
"Резон цепь ошибка"
это какой код?
 
Aleks86Дата: Четверг, 08.Июн.2017, 21:15 | Сообщение # 34
Участник
У вас сообщений: 141
Медтехник
OFFлайн
Российская Федерация

ЮФО
Ошибка загорается на пульту Магнум без кода. В документации ни слова про ошибку
 
acheДата: Четверг, 08.Июн.2017, 21:29 | Сообщение # 35
Стажер
У вас сообщений: 5
электромеханик
OFFлайн
Российская Федерация

Екатеринбург
Ну как вариант подключить GenWare и посмотреть ошибку там. Если ошибка все-таки по разгону, а трубу вы поменяли и результата нет, скорее всего неисправность на стороне питающего. Была как то неисправность, правда, не на g100, в реле цепи разгона анода подгорели контакты
 
Алекс-200Дата: Понедельник, 12.Июн.2017, 14:29 | Сообщение # 36
У вас сообщений: 1197
Инженер
OFFлайн
Российская Федерация

Самара
Цитата Aleks86 ()
Ошибка загорается на пульту Магнум без кода.
А почему обсуждение ошибки сводится к системе вращения анода?
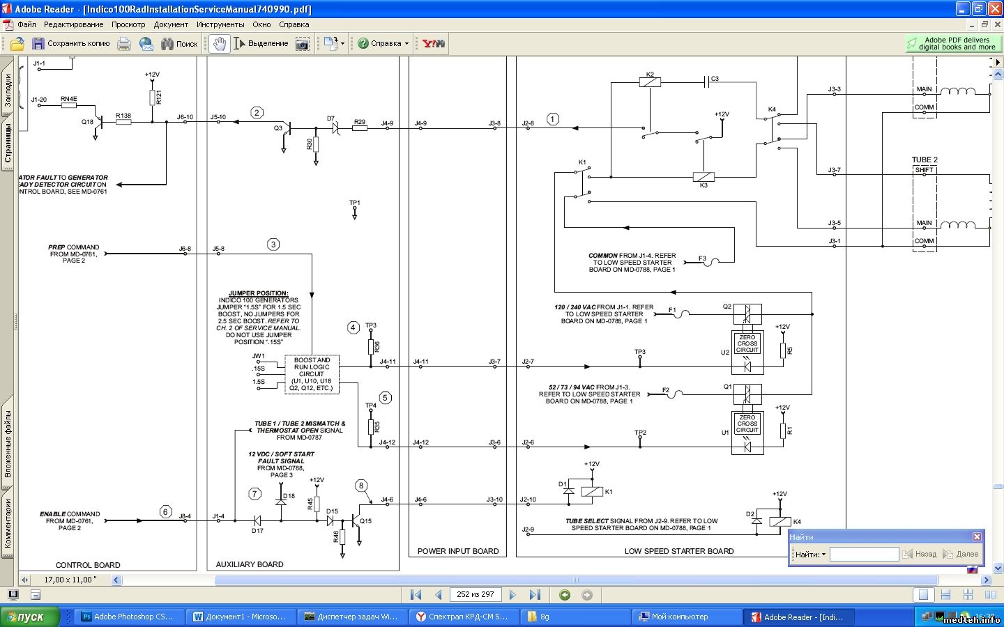
Если говорить о резонансной цепи, то искать ее, в первую очередь, следует в главной цепи - судя по схеме в "RESONANT BOARD".
 
dozer-Дата: Четверг, 15.Июн.2017, 14:08 | Сообщение # 37
Участник
У вас сообщений: 176
Сервисный инженер
OFFлайн
Российская Федерация

Сергиев Посад
Добрый день.Необходимо провести калибровку на данном аппарате( штатив Baccara, питающие Magnum). на рабочее станции стоит GenWare, выдает ошибку С5( не удается прочесть данные). Подскажите пожалуйста, распиновку кабеля, куда подключается, как происходит весь процесс калибровки( тупо через авто калибровку?). Впервые столкнулся с GenWare
Спасибо drinks
2133365.jpg (72.6 Kb) · 0568582.jpg (51.8 Kb)


Сообщение отредактировал dozer- - Пятница, 16.Июн.2017, 09:20
 
sasanikДата: Пятница, 16.Июн.2017, 16:42 | Сообщение # 38
Стажер
У вас сообщений: 28
инженер
OFFлайн
Украина

Днепр
Немного о цепях разгона. В разгоне используются два напряжения. 220 или 120 для старта и 52 или 73 или 94 для работы. в каждой цепи статора есть реле тока которые при разгоне срабатывают и говорят об отсутствии ошибок. в мануале на аппарат указано напряжение работы для различных кожухов. Это напряжение берется с трансформатора t1. Напряжения старта и работы коммутируются симисторами.
3631617.jpg (177.0 Kb)


Сообщение отредактировал sasanik - Пятница, 16.Июн.2017, 20:27
 
medelectДата: Четверг, 06.Июл.2017, 16:24 | Сообщение # 39
Стажер
У вас сообщений: 23
инженер-механик
OFFлайн
Российская Федерация

Нижний Новгород
Добрый день!
Может, не совсем по теме, но связанный вопрос.
Подскажите, камрады, пожалуйста, при использовании GenWare при операции сохранения конфигурации генератора G100 в файл с расширением *.gen происходит ли сохранение ранее созданной таблицы калибровок трубок? И соответственно при восстановлении из файла её загрузка? Остальные параметры - входы/выходы, AEC-и и прочее ОК, проверено, а вот калибровочные таблицы? В нашем случае, почему-то, никак. После загрузки сохраненного *.gen аппарат требует повторную калибровку излучателей... Конфигурация железа восстановилась адекватно.
Восстановление после умирания батарейки blush


Сообщение отредактировал medelect - Четверг, 06.Июл.2017, 16:27
 
val1966Дата: Четверг, 06.Июл.2017, 16:58 | Сообщение # 40
Участник
У вас сообщений: 104
инженер тех. центра
OFFлайн
Российская Федерация

Добрый день.
Не сохраняются, заново надо калибровать.
 
  • Страница 1 из 2
  • 1
  • 2
  • »
Поиск:



Статистика Форума
Последние обновления тем: Новые файлы хранилища: Новые участники: Top10 участников:
1. Замена светодиода на ...[Shturman (05.Дек.2025)]
2. Анализатор поля зрени...[SpirituS (04.Дек.2025)]
3. Программный комплекс ...[mqubali (04.Дек.2025)]
4. Кардиорегистратор «ИК...[albano18 (04.Дек.2025)]
5. Thermo Scientific gem...[viggen (03.Дек.2025)]
6. Центрифуга CM-6M ф.El...[Ningen64 (03.Дек.2025)]
7. Дефибриллятор Defi B ...[san-che30 (02.Дек.2025)]
8. Коллиматор Ralco R 22...[seeker (02.Дек.2025)]
9. КУПЛЮ/ПРИМУ в дар при...[seabee (02.Дек.2025)]
1. VIVIX Setup Operation...[12.Окт.2025]
2. GenwareMP[10.Сен.2025]
3. Настройка реагентов M...[20.Авг.2025]
4. Philips HD3-EXP[13.Авг.2025]
5. Рентгеновское оборудо...[08.Авг.2025]
6. VersaMed iVent201 Сер...[13.Фев.2025]
7. Гелпик КРД Ренекс РЦ ...[09.Фев.2025]
8. Офтальмологическая ус...[31.Окт.2024]
9. Cardinal-Health-VELA-...[03.Окт.2024]
10. Service Manual HAMILT...[02.Окт.2024]
1. Dvish[05.Дек.2025]
2. Intellect[05.Дек.2025]
3. Romanivanov[05.Дек.2025]
4. igogoigogo[05.Дек.2025]
5. 1rishka[04.Дек.2025]
6. L_V_N[04.Дек.2025]
7. ИвановИИ[04.Дек.2025]
8. Alex_U[04.Дек.2025]
9. Yarikus03[03.Дек.2025]
10. EvaLen[03.Дек.2025]
МастерБаку[583]
Yulana34[177]
Serg74[160]
Dimitrius[129]
naves[122]
РОМУЛ[121]
bektyish[121]
madmac[116]
Алекс-200[114]
begun_a[112]