[ Новые сообщения · Участники · Правила форума · Поиск · RSS ]



  • Страница 1 из 1
  • 1
Модератор форума: renmaster  
Дентальный портативный R-аппарат DX-3000
viachickДата: Вторник, 03.Июл.2012, 14:47 | Сообщение # 1
Стажер
У вас сообщений: 31
Электромеханик
OFFлайн
Российская Федерация

Архангельск
Принесли мне сий агрегат в нерабочем виде. При попытке сделать снимок он просто выключался. При вскрытии обнаружил внутри два винта, один из которых закоротил мощный транзистор(даже приварился!). После того как всё восстановил симптомы такие - в момент снимка если выдержка более 0.6 сгорает транзистор B80NF55 который что-то питает в трубке(не знаю что!). Все генераторы работают нормально (проверено без нагрузки). Винты внутри оказались от оторванной ручки сбоку, следовательно делаю вывод что аппарат уронили. По этому поводу вопрос - может кто сталкивался с блоком High Voltage Tank модель DXG-601. Надо узнать распиновку этой штуки и что там внутри. Спасибо
 
bahnДата: Четверг, 05.Июл.2012, 22:58 | Сообщение # 2
Стажер
У вас сообщений: 29
Инженер-рентгенотехник
OFFлайн
Российская Федерация

Ростов-на-Дону
Конкретно этот не скажу, но физиология у всех одна - высоковолтьный транс с умножителем питает анод, катод на землю. накал - один на землю, один питает, выход контроля тока и выход контроля напряжения. ток меряется обычно у земли(катод), напряжение или через делитель с анода(одно плечо МОм этак 200, другое кОм этак 10) или с транса до умножителя
 
AlexiumДата: Четверг, 05.Июл.2012, 23:27 | Сообщение # 3
Инженер медтехник
OFFлайн
Российская Федерация

Саратов
-
6222622.jpg (62.0 Kb)
 
viachickДата: Пятница, 06.Июл.2012, 10:05 | Сообщение # 4
Стажер
У вас сообщений: 31
Электромеханик
OFFлайн
Российская Федерация

Архангельск
Да, кстати, забыл написать что излучения конечно же нет. За схему лампы спасибо. Может у кого вообще схема этого агрегата есть? было бы здорово не вслепую копаться.....
 
viachickДата: Пятница, 06.Июл.2012, 10:12 | Сообщение # 5
Стажер
У вас сообщений: 31
Электромеханик
OFFлайн
Российская Федерация

Архангельск
И ещё добавлю - нет индикации заряда батареи, схема была бы кстати.....
 
bahnДата: Пятница, 06.Июл.2012, 10:18 | Сообщение # 6
Стажер
У вас сообщений: 29
Инженер-рентгенотехник
OFFлайн
Российская Федерация

Ростов-на-Дону
Quote (viachick)
Все генераторы работают нормально

Quote (viachick)
излучения конечно же нет

shok
Генератор выдает на первичку транса? Если выдает в пределах ожидаемого по напряжению, а по току холостой ход - то нет накала, или в умножителе перегорело больше одного каскада(их там до десятка). Если к.з. - то к.з. в первичке или вторичке. Накал-то есть? на время снимка должно приходить 3-5 Вольт по толстым проводам, если между ними в моноблоке обрыв - то караул((
 
viachickДата: Пятница, 06.Июл.2012, 10:33 | Сообщение # 7
Стажер
У вас сообщений: 31
Электромеханик
OFFлайн
Российская Федерация

Архангельск
Quote (bahn)
Накал-то есть? на время снимка должно приходить 3-5 Вольт по толстым проводам, если между ними в моноблоке обрыв - то караул((

Знать бы точно где у этого блока накал - было бы отлично..... Из блока - 7(!) контактов, и где чего можно тока догадываться
 
bahnДата: Пятница, 06.Июл.2012, 19:00 | Сообщение # 8
Стажер
У вас сообщений: 29
Инженер-рентгенотехник
OFFлайн
Российская Федерация

Ростов-на-Дону
И считаем: два на трансформатор, два на накал, два на обратную связь по току, два на обратную связь по напряжению, два на датчик перегрева: 8 . Не хватает... nea
должно быть минимум три мощных провода: транс, накал и общий у них . на транс от мощных транзисторов, наверняка полевиков, на накал опционально от регулируемого стабилизатора напряжения типа LM2519 или тож от полевика, если ШИМ. всякого рода обратные связи тонкими и наверняка в оплетке.
Давайте фото, будем решать!
Моноблок можно разобрать, кстати
 
AlexiumДата: Пятница, 06.Июл.2012, 20:09 | Сообщение # 9
Инженер медтехник
OFFлайн
Российская Федерация

Саратов
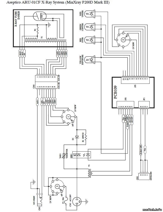
- вот схема от другого мобильного рентгена, у вас стоит инвертор, здесь впрямую от электросети, но для понимания принципов вполне понятно -
9600247.jpg (68.6 Kb)
 
viachickДата: Понедельник, 09.Июл.2012, 16:38 | Сообщение # 10
Стажер
У вас сообщений: 31
Электромеханик
OFFлайн
Российская Федерация

Архангельск
Спасибо за схемку - интересно........ Фотографии выложу завтра, сегодня просто нету времени. И с платой и отдельно.
 
viachickДата: Вторник, 10.Июл.2012, 10:39 | Сообщение # 11
Стажер
У вас сообщений: 31
Электромеханик
OFFлайн
Российская Федерация

Архангельск
Вот фотографии как обещал
3942860.jpg (194.5 Kb) · 3853677.jpg (176.6 Kb) · 1283229.jpg (131.8 Kb) · 0773455.jpg (201.1 Kb)
 
viachickДата: Четверг, 19.Июл.2012, 10:01 | Сообщение # 12
Стажер
У вас сообщений: 31
Электромеханик
OFFлайн
Российская Федерация

Архангельск
Ау, народ! Куда все потерялись? Неужто никто мне не поможет?
 
AlexiumДата: Четверг, 19.Июл.2012, 11:56 | Сообщение # 13
Инженер медтехник
OFFлайн
Российская Федерация

Саратов
А чем вам помочь, я по фото не лечу. Отзванивайте выводы моноблока, определяйте где накал (предположительно cn4), где подключение в/в трансформатора, где обратная связь по kV и mA.
И фотографии чтобы можно было определить что за микросхемы на плате и читать надписи на элементах. Схема моноблока от той что я приводил отличается незначительно.
 
bahnДата: Суббота, 21.Июл.2012, 21:11 | Сообщение # 14
Стажер
У вас сообщений: 29
Инженер-рентгенотехник
OFFлайн
Российская Федерация

Ростов-на-Дону
Снять свинину, разобрать моноблок и позырить. Ничего военного в этом нету
 
viachickДата: Четверг, 26.Июл.2012, 10:52 | Сообщение # 15
Стажер
У вас сообщений: 31
Электромеханик
OFFлайн
Российская Федерация

Архангельск
Ладно, как посвободней буду - разберу. Потом отпишусь
 
ЦЕХДата: Среда, 14.Окт.2015, 16:21 | Сообщение # 16
У вас сообщений: 262
рентгентехника
OFFлайн
Российская Федерация

Белые ночи
viachick, три года прошло biggrin пора отписаться drinks
 
madmacДата: Среда, 14.Окт.2015, 16:58 | Сообщение # 17
У вас сообщений: 1293
стоматология и связанное с ней
OFFлайн
Российская Федерация

СПб
Цитата ЦЕХ ()
пора отписаться

а где гарантия, что он жив и есть чем писать? может, хозяин фотика его уже того...
 
antoniodriverДата: Четверг, 28.Фев.2019, 15:48 | Сообщение # 18
Участник
У вас сообщений: 93
инженер
OFFлайн
Российская Федерация

Краснодар
извиняюсь что влезаю, у кого нибудь есть в разборе данный аппарат? нужен lcd дислей
 
  • Страница 1 из 1
  • 1
Поиск:



Статистика Форума
Последние обновления тем: Новые файлы хранилища: Новые участники: Top10 участников:
1. Замена светодиода на ...[Shturman (05.Дек.2025)]
2. Анализатор поля зрени...[SpirituS (04.Дек.2025)]
3. Программный комплекс ...[mqubali (04.Дек.2025)]
4. Кардиорегистратор «ИК...[albano18 (04.Дек.2025)]
5. Thermo Scientific gem...[viggen (03.Дек.2025)]
6. Центрифуга CM-6M ф.El...[Ningen64 (03.Дек.2025)]
7. Дефибриллятор Defi B ...[san-che30 (02.Дек.2025)]
8. Коллиматор Ralco R 22...[seeker (02.Дек.2025)]
9. КУПЛЮ/ПРИМУ в дар при...[seabee (02.Дек.2025)]
1. VIVIX Setup Operation...[12.Окт.2025]
2. GenwareMP[10.Сен.2025]
3. Настройка реагентов M...[20.Авг.2025]
4. Philips HD3-EXP[13.Авг.2025]
5. Рентгеновское оборудо...[08.Авг.2025]
6. VersaMed iVent201 Сер...[13.Фев.2025]
7. Гелпик КРД Ренекс РЦ ...[09.Фев.2025]
8. Офтальмологическая ус...[31.Окт.2024]
9. Cardinal-Health-VELA-...[03.Окт.2024]
10. Service Manual HAMILT...[02.Окт.2024]
1. umbra777[06.Дек.2025]
2. Embenz[06.Дек.2025]
3. Зеленая[06.Дек.2025]
4. zef1984[05.Дек.2025]
5. Dvish[05.Дек.2025]
6. Intellect[05.Дек.2025]
7. Romanivanov[05.Дек.2025]
8. igogoigogo[05.Дек.2025]
9. 1rishka[04.Дек.2025]
10. L_V_N[04.Дек.2025]
МастерБаку[583]
Yulana34[177]
Serg74[160]
Dimitrius[129]
naves[122]
РОМУЛ[121]
bektyish[121]
madmac[116]
Алекс-200[114]
begun_a[112]