[ Новые сообщения · Участники · Правила форума · Поиск · RSS ]



  • Страница 3 из 4
  • «
  • 1
  • 2
  • 3
  • 4
  • »
Модератор форума: genvik, енот, evven, babysh-m  
Аппарат для УВЧ-терапии УВЧ-60-"Мед ТеКо" (Россия, г.Мытищи)
ivobldebtsДата: Вторник, 14.Апр.2009, 17:03 | Сообщение # 1
У вас сообщений: 220
негр
OFFлайн
Российская Федерация

ИВАНОВО
Чтобы тема не стала, как, например, в темах про аппараты типа УВЧ-30..., "гремучей" смесью постов "профессионалов" (но явно не специалистов ) медтехников и якобы "и"нженерОв с вопросами о проблемах с различными марками (с разными схемами) и разных производителей аппаратов УВЧ-терапии в одной теме, обязательно, не сокращая, чтобы не провоцировать непонятливых "профессионалов" на ответы/советы не по теме темы, ТОЧНО указывайте марку аппарата - УВЧ-60-Мед ТеКо!

Нужна принципиальная схема на аппарат для УВЧ-терапии УВЧ 60-"Мед ТеКо".
.

Регистрационное удостоверение ФСР 2012/13524 от 12.05.2020 (ранее от 07.06.2012 и от 02.07.2018) года на Аппарат для УВЧ-терапии со ступенчатой регулировкой мощности УВЧ-60-"Мед ТеКо", производства ООО "Мед ТеКо", Россия, Московская область, г. Мытищи.
 
YurkevichДата: Четверг, 21.Апр.2011, 23:23 | Сообщение # 81
У вас сообщений: 567
инженер-наладчик
OFFлайн
Российская Федерация

выборг
Babysh-m. не переносите методы ремонты массовой аппаратуры на другие ее виды. При миллионных тиражах (как в персональных компьютерах, бытовой технике) себестоимость отдельных плат или блоков "копейки" Фирме экономически выгоднее выпустить на конвеере новое изделие, чем задействовать высококваллифицированного ремонтника с его "ручным" дорогим трудом. Один из примеров: На радиозаводе на монтаже (набивка элементов на платы) поменяли местами две кассеты с деталями. для устранения нужно было эти две детальки на каждой плате выпаять и затем запаять на "свои" места. оказалось дешевле их выбросить на переработку, чем привлечь нескольких ремонтников для исправления брака.
Ремонт сложной и малосерийной аппаратуры разделен на две большие части. Для прибора составляется перечень типовых неисправностей и методов устранения (несколько шагов). Например: Неисправность - аппарат не включается. Методы устранения - 1. включить в сеть. 2 - нажать клавишу сеть. 3. - если лампочка "Питание" на загорелась заменить предохранитель. 4. Если лампочка загорелась а аппарат не работает заменить блок..или в блоке заменить субблок... - если после замены блока аппарат не заработал то отправить в ремонт в ......
И так для нескольких десятков типовых неисправностей. Все это оформляют в виде сервисного документа, вручают бывшему школьнику и отправляют по вызову. Если неисправность простейшая (типа заменить предохранитель) и описана. то "отремонтированный" аппарат вручается заказчику. Если что-то более серьезное или аппарат или целиком или отдельные блоки отправляют в специализированные центры. Вот это первая часть, не надо ни высококвалифицированный персонал, ни сложные измерительные приборы. Кстати, эту часть большинство и видит и делает выводы о всей системе.
Во второй части находятся высокопрофессиональные работники, оснащенные кучей приборов, специального инструмента. И диагностика может идти до элемента, и на платах детали перепаиваются, вплоть до многовыводных (в несколько сот выводов) микросхем. Одновременно, по результатам работы этих специалистов, редактируют и документы для первой части ремонтников. Практика показывает, что процентов 75 простейшие или явно видимые и не требуют "большого ума" А на оставшиеся случаи достаточно небольшого количества спецов.
Кстати, Вы ЗИП (армейский) радиостанции, РЛС или другой сложной техники видели? Поблочно (по платам) - вторая, или даже больше, станция.
 
verookoДата: Понедельник, 25.Апр.2011, 00:54 | Сообщение # 82
Стажер
У вас сообщений: 19
Ремонтник
OFFлайн
Российская Федерация

Раменское
Quote (Yurkevich)
Разработчики что, хотят сказать: - "Все в г..., а мы в белом смокинге".

Будь разработчик УВЧ60 порядочным человеком, ему следовало бы застрелиться ...

Сообщение отредактировал verooko - Понедельник, 25.Апр.2011, 00:59
 
verookoДата: Понедельник, 25.Апр.2011, 01:18 | Сообщение # 83
Стажер
У вас сообщений: 19
Ремонтник
OFFлайн
Российская Федерация

Раменское
Quote (babysh-m)
Этот ваш профессионализм полностью соответствует началу 20 века и ни как не позднее. Везде в мире ремонт производится до блока. До детали только работаем мы и то от безисходности и безденежья.

В мире давно уже 21 век, но не в наших физ.кабинетах. Мало того что надо менять по детально, но и ещё желательно заменить на копеечную , чтоб не дорого. А иногда и просто "изолентой замотай, лишь бы держалось" ( типа и так сойдёт)
Попробуйте им предложить поменять блок целиком....

 
sevaДата: Вторник, 26.Апр.2011, 13:26 | Сообщение # 84
Стажер
У вас сообщений: 45
нач.сервиса
OFFлайн
Украина

Киев
seva писал(а):
Хотя бывают исключение, попался аппарат 2005 г.в. (однокулерный) и он до сих пор РАБОТАЕТ.

Этот УВЧ собран на советском транзисторе, там и схема совсем другая. Он действительно работает как трактор.

Один маленький нюанс - эти аппараты на сегодняшний день МедТеКо не ремонтирует.

 
verookoДата: Вторник, 26.Апр.2011, 21:04 | Сообщение # 85
Стажер
У вас сообщений: 19
Ремонтник
OFFлайн
Российская Федерация

Раменское
видимо сложно найти советские транзисторы.
 
verookoДата: Понедельник, 16.Май.2011, 21:51 | Сообщение # 86
Стажер
У вас сообщений: 19
Ремонтник
OFFлайн
Российская Федерация

Раменское
Есть ещё желающие поделиться своим опытом по ремонту и настройке УВЧ 60?
 
sevaДата: Среда, 18.Май.2011, 13:45 | Сообщение # 87
Стажер
У вас сообщений: 45
нач.сервиса
OFFлайн
Украина

Киев
Вот очередной вопрос по однокулерному УВЧ - на выходе КТ985АС (пробит), стоит он порядка 40 у.е. - так стоит ли ремонтировать такой аппарат? Гибкие электроды-фидеры с учетом доставки по 100у.е. за штуку. Овчинка выделки не стоит.
 
YurkevichДата: Среда, 18.Май.2011, 18:28 | Сообщение # 88
У вас сообщений: 567
инженер-наладчик
OFFлайн
Российская Федерация

выборг
Seva. для заказчика составляете "комерческое предложение" - перечень элементов, деталей и пр., что требуется для ремонта, и их ориентировочную стоимость. Одновременно можно указать, что в процессе ремонта могут выявится и другие неисправности. А дальше дело заказчика - что он предпочтет - ремонт или списание прибора. Согласие на ремонт также желательно оформить юридически: бывали случаи, когда заказчики отказывались от оплаты ремонта, ввиду его большой стоимости. Хорошо, если использованные запчасти можно использовать для других работ, а если это какие-то узкоспециальные, малоиспользуемые и дорогие?
 
verookoДата: Суббота, 21.Май.2011, 17:12 | Сообщение # 89
Стажер
У вас сообщений: 19
Ремонтник
OFFлайн
Российская Федерация

Раменское
Quote (seva)
Вот очередной вопрос по однокулерному УВЧ - на выходе КТ985АС (пробит), стоит он порядка 40 у.е. - так стоит ли ремонтировать такой аппарат? Гибкие электроды-фидеры с учетом доставки по 100у.е. за штуку. Овчинка выделки не стоит.

А что случилось с родными фидерами? Почему вы решили их заменить? Может стоит их отремонтировать?По опыту знаю, что один однокулерный УВЧ - лучше трёх двукулерных. На месте заказчика, я бы его починил, чем списал.

 
verookoДата: Пятница, 24.Июн.2011, 18:28 | Сообщение # 90
Стажер
У вас сообщений: 19
Ремонтник
OFFлайн
Российская Федерация

Раменское
Извините, если долго не отвечаю на личные сообщения. Я редко стал заходить на этот сайт.
 
vadmorozДата: Среда, 29.Июн.2011, 04:37 | Сообщение # 91
Участник
У вас сообщений: 217
медтехник
OFFлайн
Российская Федерация

Прошу выложить схему или фотографии подключений внутри УВЧ выпуска 2005г на сове5тских транзисторах,мне достался весь разобраный,при проверке блока питания нет выхода с входного транса shok
0157738.jpg (111.6 Kb)
 
SeptДата: Четверг, 30.Июн.2011, 00:01 | Сообщение # 92
OFFлайн
Украина

Житомир
Судя по фотке, у тебя только один разьм отключен. Больше покажи, всю плату источника.
Quote (vadmoroz)
нет выхода с входного транса

С какого именно?
 
AlexiumДата: Четверг, 30.Июн.2011, 09:40 | Сообщение # 93
Инженер медтехник
OFFлайн
Российская Федерация

Саратов
На фото дроссель сетевого фильтра, использовался в модулях питания советских телевизоров 3-4 поколения. На барахолках навалом.
 
vadmorozДата: Четверг, 30.Июн.2011, 11:42 | Сообщение # 94
Участник
У вас сообщений: 217
медтехник
OFFлайн
Российская Федерация

Какой куда разъем?
5176400.jpg (134.2 Kb) · 1680635.jpg (134.2 Kb)
 
vadmorozДата: Четверг, 30.Июн.2011, 11:55 | Сообщение # 95
Участник
У вас сообщений: 217
медтехник
OFFлайн
Российская Федерация

1.C платы в/ч 2 провода,думаю один более мощный +64в,другой3-х проводный тоже питание,еще один с датчика в/ч двухпроводный и два 3-х проводных цветных на двигатель КПЕ 2.С платы управления один 3-х проводный один 2-х проводный 3.С кулера один 2-х проводный цветной
 
FatalДата: Воскресенье, 23.Окт.2011, 20:23 | Сообщение # 96
Участник
У вас сообщений: 88
Инженер медтехник
OFFлайн
Российская Федерация

Обнаружил визуально сгоревшими два резистора
Один резистор, идущий с конденсаторов 100мкф и 100в- 2 штуки и диода шотки, далее последовательно другой резистор, он же шунтирует светодиод оптрона
МОжет кто нибудь сталкивался с такой проблемой и подскажет номиналы резисторов?
Думаю сначала заменить сгоревшие резисторы.
 
eksanДата: Среда, 26.Окт.2011, 17:37 | Сообщение # 97
Стажер
У вас сообщений: 8
speh
OFFлайн
Украина

tuhytik
схема
5486948.jpg (22.5 Kb)
 
DimitriusДата: Вторник, 22.Ноя.2011, 00:09 | Сообщение # 98
У вас сообщений: 410
инженер
OFFлайн
Украина

Украина
Quote (Fatal)
Один резистор, идущий с конденсаторов 100мкф и 100в- 2 штуки и диода шотки, далее последовательно другой резистор, он же шунтирует светодиод оптрона


Сегодня был в ремонте аппарат, на сколько понял с ваших слов то это 4.7кОм и 240 Ом. Но опять смотря какой БП стоит (видел уже 3 вида блоков питания).
 
DimitriusДата: Пятница, 25.Ноя.2011, 00:00 | Сообщение # 99
У вас сообщений: 410
инженер
OFFлайн
Украина

Украина
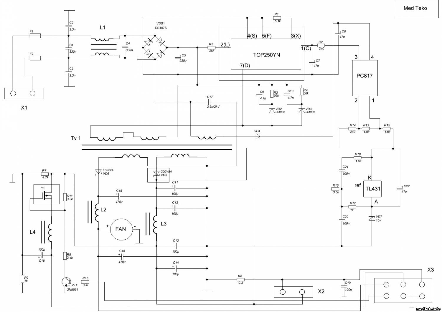
Вот кстати выкладываю ещё схему БП (одну из нескольких) этого УВЧ (получили откуда то с России ), так что за правильность не ручаюсь, вроде бы,на первый взгляд, всё сходится, так что корректируйте если что.
Предложения начинаются с заглавной буквы.
Причина редактирования: Грамматические ошибки.
7829491.jpg (115.6 Kb)


Сообщение отредактировал babysh-m - Пятница, 25.Ноя.2011, 05:26
 
GarinichДата: Вторник, 13.Дек.2011, 11:28 | Сообщение # 100
Заглянувший
У вас сообщений: 1
Инженер по медтехнике
OFFлайн
Украина

луцк
Скажите пожалуйста кто нибудь тема еще открыта или закрыт? есть проблемный однокулерный увч-60. не могу настроить токи. думаю що полевик КП901, но толком не знаю как его проверить
 
STarasДата: Вторник, 13.Дек.2011, 21:18 | Сообщение # 101
инженер-электроакустика, ультразвук
OFFлайн
Украина

Ровно
Garinich, на гугле не забанен?
Введи "проверка полевого транзистора мультиметром" - зачитаешься.
 
новичокДата: Четверг, 12.Янв.2012, 11:46 | Сообщение # 102
Стажер
У вас сообщений: 15
инженер
OFFлайн
Российская Федерация

Махачкала
Народ помогите пож. Сгорел блок питания от УВЧ60, конкретно ТL431 и два резистора 0,125Вт по питанию этой TL-ки, один черный вроде показывает 3.3кОм, второй в обрыве у кого есть схема на блок питания помогите, заранее благодарен. В крайнем случае номиналы резисторов, или фото блока питания
 
DimitriusДата: Четверг, 12.Янв.2012, 19:37 | Сообщение # 103
У вас сообщений: 410
инженер
OFFлайн
Украина

Украина
новичок, а Вы просматривали тему вврех? Конкретней Дата: Вторник, 22.11.2011, 00:09 | Сообщение # 76 там есть вложение

Сообщение отредактировал Dimitrius - Четверг, 12.Янв.2012, 19:38
 
Alex_UssRДата: Четверг, 13.Сен.2012, 20:32 | Сообщение # 104
У вас сообщений: 525
Электромеханик
OFFлайн
Беларусь

Барановичи
товарищи - двухкулерный УВЧ.
Ставлю нагрузкой лаМпочку на 60 Вт (подключаю ее к средним электродам от УВЧ 66). НА всех мощностях (10-60) одинаковое свечение.
Т.е. мощность не регулируется
Почему?
P.S. не автомат


Сообщение отредактировал Alex_UssR - Четверг, 13.Сен.2012, 23:21
 
DimitriusДата: Четверг, 13.Сен.2012, 22:28 | Сообщение # 105
У вас сообщений: 410
инженер
OFFлайн
Украина

Украина
Quote (Alex_UssR , Сегодня))
Т.е. мощность не регулируется


Смотрите сперва блок питания(схему выкладывалась в этой теме) - а именно транзистор регулировки напряжения +40В промежуточного каскада IRF9610. Если оно регулируется то смотрите выходной каскад по очереди
 
Alex_UssRДата: Пятница, 21.Сен.2012, 17:19 | Сообщение # 106
У вас сообщений: 525
Электромеханик
OFFлайн
Беларусь

Барановичи
регулируется, походу точно что-то пробило под экранами :(
 
DimitriusДата: Пятница, 21.Сен.2012, 22:43 | Сообщение # 107
У вас сообщений: 410
инженер
OFFлайн
Украина

Украина
Quote (Alex_UssR , Сегодня))
походу точно что-то пробило под экранами :(


Тогда остаётся смотреть в первую очередь IRF610, а потом и выходной IRFР244(240)
 
Alex_UssRДата: Воскресенье, 23.Сен.2012, 00:14 | Сообщение # 108
У вас сообщений: 525
Электромеханик
OFFлайн
Беларусь

Барановичи
были загнуты пластины переменного конденсатора, на короткое. Но мощность вроде как есть
 
vadmanДата: Пятница, 21.Июн.2013, 19:14 | Сообщение # 109
Стажер
У вас сообщений: 4
инженер
OFFлайн
Украина

Винница
Товарищи коллеги более детально о настройке УВЧ60 Медтеко и режиме програмирования
 
Alex_UssRДата: Суббота, 22.Июн.2013, 21:57 | Сообщение # 110
У вас сообщений: 525
Электромеханик
OFFлайн
Беларусь

Барановичи
поищи в темах про ремонт медтеко. Там все есть - схемы и программирование
 
petroveechДата: Понедельник, 24.Июн.2013, 09:27 | Сообщение # 111
У вас сообщений: 1072
Иженер
OFFлайн
Российская Федерация

Ставрополь
Только мощность не надо до 60 вт доводить, там допуск есть.
 
petroveechДата: Среда, 07.Авг.2013, 19:40 | Сообщение # 112
У вас сообщений: 1072
Иженер
OFFлайн
Российская Федерация

Ставрополь
Прочитал всё, аппарат сделал. Поработал 4 месяца и здох. Хотя на столе он вообще не грелся и максимальную мощность сознательно занизил до 45 вт. И?
 
DimitriusДата: Среда, 07.Авг.2013, 22:09 | Сообщение # 113
У вас сообщений: 410
инженер
OFFлайн
Украина

Украина
Цитата (petroveech)
Поработал 4 месяца и здох


А что тут такого? для такого аппарата это нормально. Если так мало проработал значит где то допустили ошибку
 
Alex_UssRДата: Воскресенье, 11.Авг.2013, 23:35 | Сообщение # 114
У вас сообщений: 525
Электромеханик
OFFлайн
Беларусь

Барановичи
Да они вообще не работают больше года с новья. В некотором роде помогают умереть медсестры - перекрещивают фидеры конденсаторных пластин. Изоляция прогарает и аппарат издав море вони сгорает.
 
serg_89Дата: Четверг, 03.Окт.2013, 10:12 | Сообщение # 115
Участник
У вас сообщений: 50
Рентген
OFFлайн
Украина

Тернополь
Такой вопрос
апарат не работает в обичном режиме, после ввода мощносте ы времени наприжение на средний транзистор не подаетса, в сервисном режиме все работает отлично
ето наверное прошивка можно гдето роздобить прошивку????
 
babysh-mДата: Четверг, 03.Окт.2013, 21:37 | Сообщение # 116
сервисный инженер
OFFлайн
Российская Федерация

Екатеринбург
Цитата (serg_89)
можно гдето роздобить прошивку????

Может проще краску достать и ...... выбросить?
 
serg_89Дата: Пятница, 04.Окт.2013, 00:08 | Сообщение # 117
Участник
У вас сообщений: 50
Рентген
OFFлайн
Украина

Тернополь
Цитата (babysh-m)
Может проще краску достать и ...... выбросить?

rofl краски много нужно апарат не один з таким диагнозом blush
 
VitalikMEDДата: Пятница, 04.Окт.2013, 11:46 | Сообщение # 118
Участник
У вас сообщений: 67
электромеханик
OFFлайн
Украина

Ахтырка
Цитата (serg_89)
нужно апарат не один з таким диагнозом


Значит что то не так делаете при настройке, тут выше писались все этапы настройки
 
serg_89Дата: Понедельник, 07.Окт.2013, 13:59 | Сообщение # 119
Участник
У вас сообщений: 50
Рентген
OFFлайн
Украина

Тернополь
Цитата (VitalikMED)
Значит что то не так делаете при настройке, тут выше писались все этапы настройки

та кажется все верно делаю, а аппарат не работает unknown
 
DjheawymetalДата: Вторник, 17.Дек.2013, 21:51 | Сообщение # 120
Участник
У вас сообщений: 53
Инжерен по темонту
OFFлайн
Украина

Луганск
Проблема такаяже -был пробит выходной транзистро IRF240. Транзюк то я купил и поменял ,но по своей глупости потерял родную слюду. Попытка поставить другую прокладку результатов не дала. Аппарат то ожил(запустился),однако генерации ВЧ не было. Че делать теперь не знаю. будем ломать гоолову. АППАРАТ полнаое ГГГГ, как и все аппараты МЕДТЕКО
 
  • Страница 3 из 4
  • «
  • 1
  • 2
  • 3
  • 4
  • »
Поиск:



Статистика Форума
Последние обновления тем: Новые файлы хранилища: Новые участники: Top10 участников:
1. Помощь в техобслужива...[dzyatel (29.Май.2026)]
2. Аппараты НЧ электроте...[aleksan (28.Май.2026)]
3. При операции с примен...[susel63 (28.Май.2026)]
4. Техническая поддержка...[UPZ (25.Май.2026)]
5. MOVIPLAN (УниКоРД-МТ)...[SpirituS (24.Май.2026)]
6. Аппарат магнитотерапе...[SpirituS (24.Май.2026)]
7. Стоматустановка K3 ф....[zizeroman (24.Май.2026)]
8. Анализатор гематологи...[fred1 (22.Май.2026)]
9. ЭХВЧ-400 ск-"Ник...[Olegosh (21.Май.2026)]
1. Apollo EZ service man...[25.Дек.2025]
2. VIVIX Setup Operation...[12.Окт.2025]
3. GenwareMP[10.Сен.2025]
4. Настройка реагентов M...[20.Авг.2025]
5. Philips HD3-EXP[13.Авг.2025]
6. Рентгеновское оборудо...[08.Авг.2025]
7. VersaMed iVent201 Сер...[13.Фев.2025]
8. Гелпик КРД Ренекс РЦ ...[09.Фев.2025]
9. Офтальмологическая ус...[31.Окт.2024]
10. Cardinal-Health-VELA-...[03.Окт.2024]
1. Julia_Howlter[30.Май.2026]
2. Medtehaktauarsen[30.Май.2026]
3. artudav[30.Май.2026]
4. Астим[30.Май.2026]
5. RomanGrek[30.Май.2026]
6. vapinic[29.Май.2026]
7. wenderer861[28.Май.2026]
8. karabas1167[28.Май.2026]
9. Paulus[28.Май.2026]
10. hismatulinaKsenia[28.Май.2026]
МастерБаку[583]
Yulana34[177]
Serg74[160]
Dimitrius[129]
naves[122]
РОМУЛ[121]
bektyish[121]
madmac[116]
Алекс-200[114]
генаf[112]