[ Новые сообщения · Участники · Правила форума · Поиск · RSS ]



  • Страница 2 из 2
  • «
  • 1
  • 2
Модератор форума: dima_perikov, YRA46  
Скалер Piezotek. Неустойчивая работа
solo46Дата: Среда, 10.Июн.2015, 17:37 | Сообщение # 41
Участник
У вас сообщений: 140
инженер-электронщик
OFFлайн
Российская Федерация

Курск
vev1974, проверьте на обрыв обозначенное.
7488170.jpg (109.4 Kb)
 
goscha-belДата: Среда, 10.Июн.2015, 17:50 | Сообщение # 42
У вас сообщений: 2303
Инженер сервисной службы
OFFлайн
Российская Федерация

Белгород
Цитата solo46 ()
, проверьте на обрыв обозначенное.

Обрыв, он и есть обрыв, чего ему появляться и пропадать? unknown А вот "просадка" питания - очень похоже: "заводится" и тут же издыхает. blush
 
vev1974Дата: Среда, 10.Июн.2015, 19:18 | Сообщение # 43
Техник
У вас сообщений: 315
Техник по эксплуатации и ремонту
OFFлайн
Беларусь

Витебск
Цитата solo46 ()
vev1974 почитайте тут

Спасибо огромное, просто на работе нет инета, чтобы было сразу под рукой что то почитать вспомнить и сразу все проверить.
Цитата solo46 ()
Без осцилографа можно долго "прыгать" вокруг платы. Инструкция не сохранилась на аппарат?
Фото наконечника не мешало бы.

Осцилографа нет к сожалению, Инструкции тоже нет, так как аппарат подарил друг главного, он его отдал в кабинет врачам. Наконечник завтра сделаю фото, но он без каких либо знаков отличия и надписей, возможно стерлись со временем, могу даже в разобранном виде.


Учиться никогда не поздно!!
 
vev1974Дата: Среда, 10.Июн.2015, 19:20 | Сообщение # 44
Техник
У вас сообщений: 315
Техник по эксплуатации и ремонту
OFFлайн
Беларусь

Витебск
Цитата yblod5 ()
Умоляю, не надо ничего рыть! Отнесите Всё как есть в сервис.

Его дешевле выбросить, но не в этом суть. Суть чтобы его восстановить самому.


Учиться никогда не поздно!!
 
vev1974Дата: Среда, 10.Июн.2015, 19:21 | Сообщение # 45
Техник
У вас сообщений: 315
Техник по эксплуатации и ремонту
OFFлайн
Беларусь

Витебск
Цитата yblod5 ()
N-канального вида: тут правильно

И вашу ссылочку взял на заметку. Благодарю!


Учиться никогда не поздно!!
 
vev1974Дата: Среда, 10.Июн.2015, 19:23 | Сообщение # 46
Техник
У вас сообщений: 315
Техник по эксплуатации и ремонту
OFFлайн
Беларусь

Витебск
Цитата bektyish ()
http://www.liarre.it/ - сайт производителя - но он не открывается , как будь то и предприятие закрылось

Может быть, ведь прибор 2001 года образца.


Учиться никогда не поздно!!
 
vev1974Дата: Среда, 10.Июн.2015, 19:26 | Сообщение # 47
Техник
У вас сообщений: 315
Техник по эксплуатации и ремонту
OFFлайн
Беларусь

Витебск
solo46, смотрел пайку и сами элементы индуктивность и резистор - в норме unknown

Учиться никогда не поздно!!

Сообщение отредактировал vev1974 - Среда, 10.Июн.2015, 19:34
 
МастерБакуДата: Среда, 10.Июн.2015, 19:35 | Сообщение # 48
У вас сообщений: 11269
инженер
OFFлайн
Российская Федерация

Нижний Новгород
Цитата vev1974 ()
смотрел пайку и сами элементы- все норма.
с вашим опытом - не факт.
 
vev1974Дата: Среда, 10.Июн.2015, 23:57 | Сообщение # 49
Техник
У вас сообщений: 315
Техник по эксплуатации и ремонту
OFFлайн
Беларусь

Витебск
Цитата МастерБаку ()
с вашим опытом - не факт

Может быть! Но все приходит с опытом, я же не работал после получения образования в мастерских, поэтому будем учиться заново. blush


Учиться никогда не поздно!!
 
yblod5Дата: Четверг, 11.Июн.2015, 00:28 | Сообщение # 50
У вас сообщений: 791
Сервис-инженер
OFFлайн
Российская Федерация

Владивосток
Цитата vev1974 ()
поэтому будем учиться заново

Приступайте. Для ремонта, вам и нам желательно иметь принципиальную схему. Её можно составить имея саму плату и тестер. Как будет готово, выложите здесь что получилось.
 
solo46Дата: Четверг, 11.Июн.2015, 12:36 | Сообщение # 51
Участник
У вас сообщений: 140
инженер-электронщик
OFFлайн
Российская Федерация

Курск
Цитата goscha-bel ()
Обрыв, он и есть обрыв, чего ему появляться и пропадать?

контроллер , скорее всего проверяет и наличие генерации и ее изменение по амплитуде, при неполадке просто прекращает работу.
Цитата goscha-bel ()
А вот "просадка" питания - очень похоже: "заводится" и тут же издыхает.

мало вероятно с таким трансформатором, был бы импульсный БП , другое дело.


Сообщение отредактировал solo46 - Четверг, 11.Июн.2015, 12:37
 
yblod5Дата: Четверг, 11.Июн.2015, 12:57 | Сообщение # 52
У вас сообщений: 791
Сервис-инженер
OFFлайн
Российская Федерация

Владивосток
Цитата solo46 ()
контроллер , скорее всего проверяет и наличие генерации и ее изменение по амплитуде, при неполадке просто прекращает работу.

а иначе на кой он там стоит. Но ему тогда надо как-то и проинформировать пользователя об этом и указать ошибку- это правило.
..только что пришла в голову мысль чем проверить пъезо наконечник(я бы с него начал) подручными средствами.Там же 30КГц всего. Делюсь. УНЧ(ватт на 200) плюс генератор ну и осциллограф чтоб глянуть на синус. Правда не разу так не делал, прокомментируйте кто в теме.


Сообщение отредактировал yblod5 - Четверг, 11.Июн.2015, 13:47
 
solo46Дата: Четверг, 11.Июн.2015, 13:07 | Сообщение # 53
Участник
У вас сообщений: 140
инженер-электронщик
OFFлайн
Российская Федерация

Курск
Цитата yblod5 ()
Но ему тогда надо как-то и проинформировать пользователя об этом и указать ошибку

Цитата vev1974 ()
А эта лампа как бы показывает что произошло аварийное отключение и моргает пока не отпустишь педаль управления. На ней написано "WORK"
 
yblod5Дата: Четверг, 11.Июн.2015, 13:20 | Сообщение # 54
У вас сообщений: 791
Сервис-инженер
OFFлайн
Российская Федерация

Владивосток
тады без сервисной документации в нём вообще нечего дилетанту делать, разьве что менять всё по очереди, пока не угадает.
 
bektyishДата: Четверг, 11.Июн.2015, 15:50 | Сообщение # 55
У вас сообщений: 1876
Электромеханик по слаботочным сетям
OFFлайн
Российская Федерация

Дистрикт 74
"прибор 2001 года " - даже если его починят , кто возьмёт на себя ответственность за соответствие его параметров и характеристик заявленным , завтра из за утечки на корпус кто ни будь пострадает - кто ответит ? Делай акцент на отсутствие схем , оборудования , моральный и физический износ аппарата - когда его отдадут на запчасти , вот тогда и экспериментируй с ним
 
vev1974Дата: Четверг, 11.Июн.2015, 17:07 | Сообщение # 56
Техник
У вас сообщений: 315
Техник по эксплуатации и ремонту
OFFлайн
Беларусь

Витебск
Цитата bektyish ()
вот тогда и экспериментируй с ним

Да еще немного поковыряю, тогда и заявлю о вашем предложении. Меня с ним никто не напрягает, это пожилая женщина доктор попросила меня по возможности, кроме нее с ним никто не работал. Ну я и взялся, авось, что выйдет с ним.


Учиться никогда не поздно!!
 
МастерБакуДата: Четверг, 11.Июн.2015, 17:59 | Сообщение # 57
У вас сообщений: 11269
инженер
OFFлайн
Российская Федерация

Нижний Новгород
Цитата yblod5 ()
УНЧ(ватт на 200)

Цитата yblod5 ()
плюс генератор

Цитата yblod5 ()
и осциллограф чтоб глянуть на синус
а может просто электронный трансформатор для галогеновой лампы ?
 
bektyishДата: Четверг, 11.Июн.2015, 19:50 | Сообщение # 58
У вас сообщений: 1876
Электромеханик по слаботочным сетям
OFFлайн
Российская Федерация

Дистрикт 74
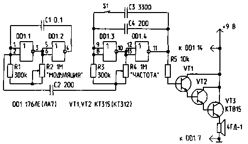
схема ультразвукового генератора для отпугивания мышей - частота совпадает , мощности наверно не хватит для полной мощности
8788459.gif (5.2 Kb)
 
yblod5Дата: Пятница, 12.Июн.2015, 01:19 | Сообщение # 59
У вас сообщений: 791
Сервис-инженер
OFFлайн
Российская Федерация

Владивосток
Я к чему: предполагаю, существует в природе приспособа (а не "на глазок") для измерения механической мощности воздействия на предмет от вибрации наконечника скалера в зависимости от подводимой электрической. Имея такое устройство, снимается проблема дефектовки, ведь часто затруднительно определить из-за чего "не так молотит" наконечник.
 
  • Страница 2 из 2
  • «
  • 1
  • 2
Поиск:



Статистика Форума
Последние обновления тем: Новые файлы хранилища: Новые участники: Top10 участников:
1. ЭКГ СARDIOVIT AT-2 ф....[AlexanderRu (15.Апр.2026)]
2. Маммограф Giotto Imag...[lavista (14.Апр.2026)]
3. GE Revolution EVO[Jugene (13.Апр.2026)]
4. УВЧ-80 НОВОАН - ЭМА[Parkincjn (11.Апр.2026)]
5. УЗИ MyLab 25 ф.Esaote...[sun_man (11.Апр.2026)]
6. ТУРБИННЫЕ НАКОНЕЧНИКИ[georgiykaz (09.Апр.2026)]
7. Эмблема (логотип) мед...[medteh (08.Апр.2026)]
8. УЗИ Logiq E ф.GE[tomios (08.Апр.2026)]
9. Стоматустановка Azimu...[Yulana34 (08.Апр.2026)]
1. Apollo EZ service man...[25.Дек.2025]
2. VIVIX Setup Operation...[12.Окт.2025]
3. GenwareMP[10.Сен.2025]
4. Настройка реагентов M...[20.Авг.2025]
5. Philips HD3-EXP[13.Авг.2025]
6. Рентгеновское оборудо...[08.Авг.2025]
7. VersaMed iVent201 Сер...[13.Фев.2025]
8. Гелпик КРД Ренекс РЦ ...[09.Фев.2025]
9. Офтальмологическая ус...[31.Окт.2024]
10. Cardinal-Health-VELA-...[03.Окт.2024]
1. evin201[16.Апр.2026]
2. Kostyan_ch[16.Апр.2026]
3. kmatus[16.Апр.2026]
4. esin1988[16.Апр.2026]
5. Aluria[15.Апр.2026]
6. Timurnurgaleev[15.Апр.2026]
7. fox-nsk[14.Апр.2026]
8. bombaster[14.Апр.2026]
9. maxvic[14.Апр.2026]
10. Natarhiv[14.Апр.2026]
МастерБаку[583]
Yulana34[177]
Serg74[160]
Dimitrius[129]
naves[122]
РОМУЛ[121]
bektyish[121]
madmac[116]
Алекс-200[114]
генаf[112]