[ Новые сообщения · Участники · Правила форума · Поиск · RSS ]



  • Страница 1 из 1
  • 1
Модератор форума: evven  
Общие сведения о лабораторных фотометрах
evvenДата: Воскресенье, 31.Май.2009, 17:07 | Сообщение # 1
Инженер по ремонту ИМТ
OFFлайн
Российская Федерация

г.Чита
Фотометры

Общие сведения о лабораторных фотометрах

Фотоэлектроколориметрия - это определение концентрации вещества
в растворе по изменению тока в фотоэлементе при попадании на него луча,
прошедшего через исследуемый раствор. Степень поглощения света
(коэффициент экстинкции) прямо пропорциональна концентрации вещества в растворе. Концентрацию растворенного вещества определяют путем сравнивания силы тока в фотоэлементе через исследуемый раствор с силой тока на выходном ФЭ при прохождении луча через контрольную жидкость - бесцветный растворитель.
Нефелометрия - это то же, что и фотоэлектроколориметрия, но оценивается не степень поглощения или экстинкции, а степень рассеивания света в эмульсиях и взвесях.
Спектрофотометрия - это то же, что фотоэлектроколориметрия и нефелометрия, но предназначенная для измерения светопоглощения или рассеивания строго определенной длины волн.
Примеры лабораторных исследований, проводимых посредством

фотометрических приборов:
− концентрацию гемоглобина в специальном растворе крови определяют
в спектрофотометре при зеленом светофильтре с h = 500… 560 нм в кювете с рабочей шириной 10 мм [3, с. 8];
− процесс агрегации тромбоцитов исследуют в ФЭК, перемешивая смесь
плазмы крови и специального раствора в течение 16 мин [3, с. 63];
− исследуя в ФЭК кровь в кислотном физиологическом растворе, строят эритрограммы - зависимости коэффициента экстинкции от времени в течение 10 мин - и делают выводы о кислотной резидентности крови
−;
− белок в моче дает помутнение при добавлении в нее специального раствора, это помутнение регистрируется ФЭК, расчет ведут по калибровочному графику ;
− для определения сахара в моче исследуют цветную реакцию мочи и
щелочи (светофильтр зеленый, ширина кюветы - 5 мм), смесь нагревают в водяной бане, сахар определяют по калибровочной кривой.
Примеры промышленных фотометров:
− колориметры фотоэлектрические концентрационные КФК-2, КФК-1;
− колориметр фотоэлектрический однолучевой КФО;
− фотоэлектроколориметр ФЭК-56м, ФЭК-М;
− спектрофотометры СФ-4, СФ-16;
− минифотометры Metertech (Тайвань):
- модель 6 для кювет и планшет 400…700 нм;
- модель SP-810 (на 330…1000 нм содержит аналоговый индикатор-
самописец);
- модель SР-870 (на 300…1000 нм, включает клавиатуру, дисплей, 30
ячеек памяти для программы измерений).
Фотометры классифицируют:
- по количеству каналов (одноканальные и многоканальные фотометры);
- по типу источников света (с лампами накаливания, с водородными
и ртутными лампами);
- по типу фотоприемников (с фоторезисторами, селеновыми
фотоэлементами, фотодиодами и с фототранзисторами);
- по устройству индикации (стрелочные, цифровые и микрометрические).

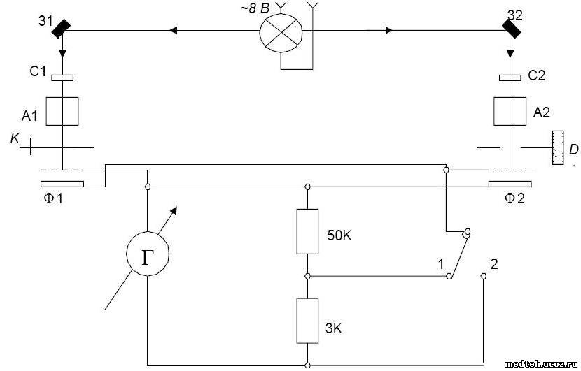
Фотоэлектрический колориметр ФЭК-М
Устройство (рис. 1) применяется в медицинских лабораториях всех направлений.
Технические характеристики прибора:
− количество каналов .………………………….……………………2;
− диапазон исследуемых коэффициентов экстинкции .….. 2…100%;
− погрешность прибора ..…................……………………………..1%;
− длины волн фильтров (зеленый, синий, красный) …. 300…700 нм.

На рис. 1 обозначены: 31, 32 – зеркала, С1, С2 – светофильтры, A1, A2 - кюветы с исследуемым и контрольным растворами, Ф1, Ф2 – фотоэлементы селеновые, К - клин (заслонка), применяемый для изменения светового потока по оптическому каналу, D - диафрагма с микрометрическим винтом, отградуированным в единицах коэффициентов экстинкции, Г - гальванометр.
Фотоэлементы Ф1, Ф2 включены дифференциально, поэтому при идентичных каналах световые токи фотоэлементов вычитаются и гальванометр показывает нуль. Идентичность каналов обеспечивается идентичностью фотоэлементов и световых потоков. Переключатель в первом положении обеспечивает меньшую чувствительность гальванометра, во втором – полную.
Этапы работы с прибором следующие. В кюветы AI и А2 помещают контрольный раствор. Диафрагму устанавливают на 100%. Регулируя клин
(левый световой поток), обеспечивают идентичность каналов по нулю гальванометра, в кювету А1 ставят исследуемый раствор. Гальванометр показывает не нуль. Изменяя переключателем чувствительность гальванометра и вращая лимб диафрагмы D, устанавливают стрелку гальванометра на нуль. На лимбе читают коэффициент экстинкции.

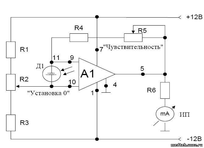
Колориметр фотоэлектрический одноканальный КФО
Колориметр КФО используется в аналитических лабораториях для измерения коэффициента пропускания через раствор света определённых длин волн.
Технические характеристики:
− коэффициент пропускания ..……………....………......... 5… 100%;
− погрешность измерения коэффициента пропускания ……. 1...5%;
− разделение на цвета длин волн: 415 нм – синий, 500 нм - сине-зеленый,
530 нм - зеленый, 600 нм – оранжевый, 630 нм – красный, 320…720 нм -
нейтральный.
В приборе используются лампа накаливания и селеновый фотоприемник. Оптический принцип работы устройства - одноканальный
(эталонный и исследуемый раствор анализируется последовательно во времени).
Принципиальная схема устройства приведена на рис. 2, где Д1 -
селеновый фотоприемник, AI - операционный усилитель, R1, R2, R5 - сопротивление установки на нуль, ИП - измерительный прибор, R4, R5 – цепь отрицательной обратной связи (ООС) для регулировки чувствительности ИП.

Работа с прибором заключается в следующем. Затемнив фотоприемник, потенциометром R2 стрелку прибора устанавливают на нуль, затем вводят кювету с контрольным раствором с коэффициентом пропускания λ = 5…100% и потенциометром R5 добиваются максимума шкалы, соответствующей Фо. После этого устанавливают исследуемый раствор, измеряют Физм и по формуле λ = Физм/Фо рассчитывают λ.

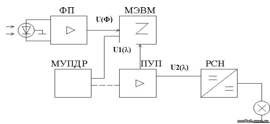
Спектрофотометры КФК-3, КФК-2МП
Спектрофотометры КФК-3, КФК-2МП предназначены для измерения коэффициента пропускания, оптической плотности растворов и твердых образцов, скорости изменения оптической плотности и концентрации вещества в растворах.
Технические показатели прибора КФК-3:
− коэффициент пропускания ……………….…….………. 0,1…100%;
− погрешность измерения коэффициента пропускания ………… 5%;
− длины волн ………………………………...………….. 315…990 нм;
− разрешение по длине волны ……………………………………7 нм;
− оптическая плотность ………………………………….……… 0…3.
Оптическая схема двухканальная (раствор и растворитель исследуются одновременно). Лампа галогенная, фотоприемник фотодиодный. В этом приборе в качестве дифрагирущего элемента используется дифракционная решетка.

Технические характеристики прибор КФК-2МП:
− коэффициент пропускания ……………………….................... 1... 100%;
− погрешность измерения коэффициента пропускания ..................... 1%;
− длины волн ……………………………............................... 315…980 нм;
− оптическая плотность ……………………………….................….. 0…2.
В приборе используются оптическая схема одноканальная, лампа галогенная, фотоприемники фотодиодные (Ф26 - для 315…500 нм, ФД-24К
- для 500...980 нм), дифрагирущие элементы - светофильтры.
На рис. 3 показан КФК-3 и даны такие обозначения: ФП – фотоприемник, МУПДР - механизм угла поворота дифракционной решётки, МЭВМ – микроЭВМ, ПУП - преобразователь угла поворота, PСH
- регулируемый стабилизатор напряжения.

Свет от лампы попадает на фотодиод Д через раствор. Фотоприемник формирует напряжение U(Ф), которое вводится через АЦП в микроЭВМ. Механизм управления углом поворота дифракционной решетки изменяет длину волны света, проходящего через раствор. Это изменение
(механическое) устройством ПУП преобразуется в напряжения U1 и U2,
пропорциональные длине волны. U1 поступает в МЭВМ через второй АЦП, a U2 преобразуется в напряжение питания лампы так, чтобы на нижней длине волны 315 нм это напряжение было равно I2 B, а на верхней
- 10 В. При этом осуществляется коррекция силы света от длины волны.
В МЭВМ вводятся U(Ф) и U1() в автоматическом режиме, а градуировочный коэффициент Кг - с клавиатуры. Кроме этого, в МЭВМ имеется таймер, который дает информацию об интервале времени t между замерами последовательных коэффициентов пропускания. Благодаря этому в МЭВМ рассчитываются такие параметры:
λ = (Физм/Фо) 100% - коэффициент пропускания;
Д = lg(1/ λ) - оптическая плотность;
А = (Дкон - Днач)/t - скорость изменения оптической плотности;
С = Д⋅Кр - концентрация, где Кг - градуировочный коэффициент.
Кроме этого, МЭВМ управляет механизмом угла поворота дифракционной решетки и переключает оптический путь луча через эталонный и исследуемый растворы. Процесс измерения параметров осуществляется по программе, заложенной в МЭВМ. Программа вводится посредством клавиатуры.
Фотометр КФК-2МП работает аналогично КФК-3, но в нем отсутствует блок МУПДР, а содержится кассета с одиннадцатью фильтрами. Смена фильтров осуществляется дискретно по команде МЭВМ.
Достоинство фотометров заключается в том, что обеспечивается автоматизированный режим измерения параметров (благодаря наличию МЭВМ), а недостаток - в сложности устройств.

Турбиниметр-мутнометр аналитический AOМ-102
Прибор AOМ-102 (рис. 4) предназначен для измерения концентраций растворов путем определения оптической плотности.
Технические характеристики AOМ-102:
− диапазон измерения оптической плотности ………...... 0...1,5;
− погрешность измерения ...……………………………..... 0,015;
− пределы установки нуля ........…………………………..0…0,.5;
− время установления показаний …………………………….5 с.

На рис. 4 обозначены: ИП - источник питания, БИ - блок индикации,
ФПСК - фотоприёмник сравнительного канала, МБ - микропроцессорный
блок, ФПИК - фотоприёмник измерительного канала, ОР - оптические разъемы, СВ – световоды, Л - линзы.

В основу положен турбиниметрический принцип исследования жидкости - исследование светового потока, прошедшего через жидкость. Прибор AOМ-102 двухканальный, в нем сравнительный и измерительный сигналы фотоприёмников Uсp и Uизм обрабатывает микропроцессорный блок по таким формулам:
Д = (lg Uср – lg Uизм) + Дкомп,
С = Кг⋅Д,
где Дкомп - величина, компенсирующая неидентичность каналов.
Параметр Дкомп генерируется автоматической системой "автонуль". Эта система контролируется микропроцессором. Процессор также формирует цифровые данные для блока индикации. Градуировочный коэффициент вводится с клавиатуры.
Достоинство AOM-102 - современный прибор на основе
микропроцессора с использованием световодной техники.
1892194.jpg (28.0 Kb) · 1678375.jpg (27.4 Kb) · 9459506.jpg (24.3 Kb) · 6533761.jpg (38.8 Kb)


Я молод, и пока еще только учусь...
 
valeri-nemcovДата: Понедельник, 08.Июн.2009, 12:29 | Сообщение # 2


А можно, точно также все, подробно по другим лабораторным приборам и другой технике? Это для того что не все бывает упомнишь или запомнишь, а так вроде как шпаргалка.

Сообщение отредактировал valeri-nemcov - Понедельник, 08.Июн.2009, 12:32
 
evvenДата: Вторник, 09.Июн.2009, 16:53 | Сообщение # 3
Инженер по ремонту ИМТ
OFFлайн
Российская Федерация

г.Чита
valeri-nemcov, Постепенно раздел будет пополняться.
Уважаемые пользователи, присылайте на форум Ваши материалы....


Я молод, и пока еще только учусь...
 
svv29Дата: Вторник, 01.Дек.2009, 19:02 | Сообщение # 4
Стажер
У вас сообщений: 6
элекромеханик
OFFлайн
Российская Федерация

В хранилище файлов отправил неплохой учебник "МЕДИЦИНСКИЕ ЛАБОРАТОРНЫЕ
УСТРОЙСТВА И ПРИБОРЫ". Там много чего есть...
 
DolfДата: Пятница, 31.Дек.2010, 09:57 | Сообщение # 5
Техник
У вас сообщений: 367
инженер
OFFлайн
Российская Федерация

Москва
Добавил в хранилище 2 материала - как раз для начинающих (сам по ним готовил инженеров к НП 2006-2007): Методы вычислений при фотометрировании и Методы лабораторной диагностики. Почитайте - может кому-нибудь пригодится wink

Продолжатель династии
 
АГИДата: Четверг, 11.Авг.2011, 14:42 | Сообщение # 6
Техник
У вас сообщений: 382
Инженер
OFFлайн
Российская Федерация

Ставрополь
Quote (evven)
− погрешность измерения коэффициента пропускания ………… 5%

Вообще то в паспорте на КФК-3 написано:
2.4. Предел допустимого значения основной абсолютной погрешности фотометра при измерении коэффициента пропускания, %(абс.) 05.

Это метрологическая величина. Можете объяснить?
 
АлександрДата: Воскресенье, 11.Дек.2011, 16:19 | Сообщение # 7
Участник
У вас сообщений: 140
инженер
OFFлайн
Российская Федерация

Самара
Я общался с метрологами по поводу этого вопроса ,они говорят , что это обычная относительная погрешность , выраженная в абсолютной величине . то есть погрешность в любой точке диапазона не превышает заданную в процентах от полного диапазона (конечно при условии устойчивости нуля и 100 %) Всё подробно изложено в методике по поверке КФК
 
AlexiumДата: Среда, 06.Мар.2013, 19:19 | Сообщение # 8
Инженер медтехник
OFFлайн
Российская Федерация

Саратов
-- http://www.technomedica.ru/site_files/docs/books/1-Photo-Lab.pdf
 
YurkevichДата: Среда, 06.Мар.2013, 20:38 | Сообщение # 9
У вас сообщений: 567
инженер-наладчик
OFFлайн
Российская Федерация

выборг
"Ох уж эти сказочки, ох уж эти сказочники" В любом "приличном" справочнике или учебнике по метрологии говорится: - "абсолютная погрешность" - разница между измеренным и истинным значением, и имеет ту-же размерность. "Относительная погрешность" - отношение величины абсолютной погрешности к истинному (или измеренному) значению величины. "Класс точности" - отношение максимального значения абсолютной погрешности к максимальному значению измеряемому измерительным прибором.
 
оптик-АДата: Четверг, 07.Мар.2013, 13:18 | Сообщение # 10
Завсегдатай
У вас сообщений: 293
инженер-оптик
OFFлайн
Российская Федерация

Третий
В перечень приборов можно ещё добавить СФ-26,СФ-46,СФ-56. Если мне не изменяет память до СФ-26 стояли натуральные зеркала, мы их использовали для изготовления небольших телескопов! После стали делать решётки. Принцип работы простой, берётся растворитель, если растворителем является вода, то вода и.т.д. 100 по воде и сравнивается с раствором. и так все эти приборы.
 
IgenДата: Четверг, 07.Мар.2013, 13:32 | Сообщение # 11
Участник
У вас сообщений: 153
уволен по сокращению штата
OFFлайн
Молдова

Кишинев
В СФ вплоть до СФ-26 включительно, в качестве диспергирующего элемента использовалась призма.
 
оптик-АДата: Четверг, 07.Мар.2013, 23:42 | Сообщение # 12
Завсегдатай
У вас сообщений: 293
инженер-оптик
OFFлайн
Российская Федерация

Третий
Совершенно верно, призму тоже использовали! Затем пошли на удешевление и заменили фильтрами.
 
IgenДата: Вторник, 12.Мар.2013, 18:05 | Сообщение # 13
Участник
У вас сообщений: 153
уволен по сокращению штата
OFFлайн
Молдова

Кишинев
Цитата (оптик-А)
Совершенно верно, призму тоже использовали! Затем пошли на удешевление и заменили фильтрами.

Диспергирующие призмы были заменены решетками (репликами), действительно дешевле, да и линейность хорошая по длине волны от смещения решетки, в отличие от призмы.
 
JIA3OДата: Пятница, 19.Апр.2013, 07:46 | Сообщение # 14
Стажер
У вас сообщений: 31
инженер
OFFлайн
Российская Федерация

Барнаул
Народ, у кого есть кроме умных формул схема на СФ-102 ну или как проверить дейтеривую лампу. Подозрение, что она померла, подкинуть не откуда. Накал загарается, через 20 мин гаснет а розжига лампы нет.
 
mihail2015Дата: Пятница, 10.Июл.2015, 20:08 | Сообщение # 15
Заглянувший
У вас сообщений: 3
починка оборудования
OFFлайн
Российская Федерация

Севастополь
Здравствуйте.
Информация по прибору:
Колориметр фотоэлектрический концентрационный КФК-2.
Не разобрался как добавлять данные в файловое хранилище, так что выкладываю ссылки на следующие файлы:
1. колориметр кфк-2 методика поверки ми 1236-86.djvu
2. колориметр кфк-2 методы и средства поверки.djvu
3. колориметр кфк-2 тех описание и инструкция по эксплуатации1.djvu
4. колориметр кфк-2 тех описание и инструкция по эксплуатации2.djvu
5. колориметр кфк-2 ухл4.2 паспорт2.djvu
6. прибор м1792.10 паспорт.djvu
7. фотоэлемент ф-26 паспорт.djvu
собственно ссылки:
https://yadi.sk/i/K5H26f-ahnxxr
https://yadi.sk/i/SXKdNPPChny25
https://yadi.sk/i/W5bfLBRZhny27
https://yadi.sk/i/ZaPK2A44hny2B
https://yadi.sk/i/qV31oOoVhny2D
https://yadi.sk/i/F4zPEnYmhny2K
https://yadi.sk/i/ByqiFyvVhny2T

В добавок - позновательная история работы с прибором:
Принесли мне на ремонт 2 прибора кфк-2. Проблема состояла в том, что после включения и прогрева, стрелка прибора не стояла на месте, а самопроизвольно отклонялась, то в сторону увеличения, то в сторону уменьшения по шкале. При чем хаотично. После нескольких дней "опытов" обнаружилось, что сгорел диодный мост одного прибора, а так же диодный мост другого прибора (состоящий из четырех диодов на текстолитовой пластинке). Параметры этих диодных мостов рассчитаны до 280 вольт и до 12 ампер. Вероятно произошел скачек напряжения, что и привело к перегоранию мостов. После замены их на современные диодные мосты, рассчитанные на ток от 15 ампер и напряжение до 600-800 вольт, приборы исправно заработали (стрелка больше не смещалась самопроизвольно). После ремонта приборы заново откалибровали и используют в лаборатории.
Описание этой проблемы в инструкциях сводилось к замене лампы, фотоэлемента и чистке контактов, но про диодный мост не было упоминаний. Если у кого-нибудь будет та же проблема с кфк-2, можете попробовать сделать все по инструкции, и если не поможет - заменить диодный мост, (только берите мост с "отверстием", для крепления на корпус и отвода тепла, т. к. они хорошо греются). Может кому-то и пригодится этот обзор.
Хочется отдельно добавить, что не смотря на то, что приборы серии кфк-2 стрелочные (аналоговые и с виду похожи на приборы из прошлого), они способны трудится в жестких условиях эксплуатации (по состоянию атмосферы) и режимах работы (многократное включение-отключение), с чем возможно, не справятся их современные (и даже более точные) цифровые собратья.
Чтобы не горели родные мосты приборов кфк-2 нужно использовать сетевые стабилизаторы с функцией задержки включения, а не источники бесперебойного питания. Дело в том, что в момент отключения сети стабилизатор погасит скачек напряжения, а после появления напряжения в сети - включит прибор не сразу, а через некоторое время (что актуально, если происходит очень быстрое отключение-включение сети, при котором не действуют защитные функции стабилизаторов без задержки включения). использование источников бесперебойного питания, в плане защиты, опасно тем, что при отключении сети, они подают свое напряжение 220в, но с гораздо меньшим током, и при этом прибор кфк-2 (рассчитанный на ток и напряжение из сети) начинает откровенно врать, что может привести к неправильной интерпретации результатов всего анализа.
Вероятно, эта зависимость между качеством питания и точностью данных (при чем без фактической поломки), может быть у любых аналитических приборов.
Так что будьте осторожны.


Сообщение отредактировал mihail2015 - Пятница, 10.Июл.2015, 20:27
 
AltairДата: Четверг, 28.Ноя.2019, 17:12 | Сообщение # 16
Заглянувший
У вас сообщений: 3
Инженер
OFFлайн
Российская Федерация

Хабаровск
Существенная поправка:
Цитата evven ()
Нефелометрия - это то же, что и фотоэлектроколориметрия, но оценивается не степень поглощения или экстинкции, а степень рассеивания света в эмульсиях и взвесях.

Нефелометрия (от др.-греч. νεφέλη — «облако» и μετρέω — «измеряю») — метод исследования и анализа вещества по интенсивности светового потока, рассеиваемого взвешенными частицами данного вещества.
http://portal.tpu.ru/SHARED/g/GERINII/stud/2/Tab1/Laboratory_work_5.pdf
Т.е. ход лучей от источника к пробе, и от пробы к фотоприёмнику при нефелометрии - под углом. Поэтому разница в конструкции принципиальная: для фотоэлектроколориметрии, для турбидиметрии источник-проба-фотоприёмник расположены на одной прямой, а для нефелометра - нет, ход лучей не по прямой.
И если фотоэлектроколориметр ещё можно приспособить для турбидиметрии - пусть даже частицы будут прозрачные - но они рассеивают(!) свет, и за счёт этого получаемая экстинкция зависит от концентрации частиц.
Фотоэлектроколориметр никак не приспособить как нефелометр.
P.S.Если говорить о косвенной(!) нефелометрии, как в случае с ФЭК-56М, то да, можно измерить. Только важно понимать, что в данном случае измеряется не только рассеяние, но и поглощение(!) света частицами, всё вместе.


Сообщение отредактировал Altair - Четверг, 28.Ноя.2019, 17:43
 
IgenДата: Четверг, 28.Ноя.2019, 19:20 | Сообщение # 17
Участник
У вас сообщений: 153
уволен по сокращению штата
OFFлайн
Молдова

Кишинев
6.3. Нефелометрический и турбидиметрический анализы

В нефелометрическом и турбидиметрическом анализах используется явление рассеяния света твердыми частицами, находящимися в растворе во взвешенном состоянии.

Нефелометрическим методом анализа (нефелометрией) называют метод, основанный на измерении интенсивности потока света, рассеянного твердыми частицами, находящимися в растворе во взвешенном состоянии (т. е. под углом 90 или каким-либо другим).

Турбидиметрическим методом анализа (турбидиметрией) называют метод, основанный на измерении интенсивности потока света, прошедшего через раствор, содержащий взвешенные частицы. Интенсивность уменьшается вследствие поглощения и рассеяния светового потока.

При турбидиметрических измерениях величина, называемая мутностью, соответствует оптической плотности.

Для турбидиметрических измерений можно использовать любой фотометр или спектрофотометр. Если растворитель и рассеивающие частицы бесцветны, максимальная чувствительность достигается при использовании излучения голубой или ближней ультрафиолетовой области. Для окрашенных систем оптимальную длину волны необходимо подбирать экспериментально.

При этих методах анализа получаемые осадки, вернее, взвеси, должны иметь ничтожную растворимость и быть стойкими во времени, а получение правильных результатов при анализе суспензий зависит от методики получения суспензий и воспроизводимости их оптических свойств. На размеры частиц и оптические свойства суспензий влияют концентрация ионов, образующих осадок, отношение между концентрациями смешиваемых растворов, порядок смешивания растворов, скорость смешивания, время, требуемое для получения максимальной мутности, стабильность дисперсии, присутствие посторонних электролитов, присутствие неэлектролитов, температура, наличие защитных коллоидов.

https://studfile.net/preview/3536009/page:19/

drinks

Это я тому, что турбидиметрия, то же весьма неплоха rofl


Сообщение отредактировал Igen - Четверг, 28.Ноя.2019, 19:58
 
YumstersinoДата: Понедельник, 22.Фев.2021, 09:56 | Сообщение # 18
Заглянувший
У вас сообщений: 1
Начальник лабораторії
OFFлайн
Украина

Кропивницький
Доброго дня. Електросхема плати з цифровим табло до кфк 3 01. Вийшов з ладу резистор у правому куті. Пропадає зображення або переходить у фон. Без маркування. Плата МиВС зав 3001

Шпак
 
  • Страница 1 из 1
  • 1
Поиск:



Статистика Форума
Последние обновления тем: Новые файлы хранилища: Новые участники: Top10 участников:
1. Анализатор поля зрени...[SpirituS (04.Дек.2025)]
2. Программный комплекс ...[mqubali (04.Дек.2025)]
3. Кардиорегистратор «ИК...[albano18 (04.Дек.2025)]
4. Thermo Scientific gem...[viggen (03.Дек.2025)]
5. Центрифуга CM-6M ф.El...[Ningen64 (03.Дек.2025)]
6. Дефибриллятор Defi B ...[san-che30 (02.Дек.2025)]
7. Коллиматор Ralco R 22...[seeker (02.Дек.2025)]
8. КУПЛЮ/ПРИМУ в дар при...[seabee (02.Дек.2025)]
9. Центрифуга MiniSpin P...[AntonioPetty (01.Дек.2025)]
1. VIVIX Setup Operation...[12.Окт.2025]
2. GenwareMP[10.Сен.2025]
3. Настройка реагентов M...[20.Авг.2025]
4. Philips HD3-EXP[13.Авг.2025]
5. Рентгеновское оборудо...[08.Авг.2025]
6. VersaMed iVent201 Сер...[13.Фев.2025]
7. Гелпик КРД Ренекс РЦ ...[09.Фев.2025]
8. Офтальмологическая ус...[31.Окт.2024]
9. Cardinal-Health-VELA-...[03.Окт.2024]
10. Service Manual HAMILT...[02.Окт.2024]
1. igogoigogo[05.Дек.2025]
2. 1rishka[04.Дек.2025]
3. L_V_N[04.Дек.2025]
4. ИвановИИ[04.Дек.2025]
5. Alex_U[04.Дек.2025]
6. Yarikus03[03.Дек.2025]
7. EvaLen[03.Дек.2025]
8. dankurets[03.Дек.2025]
9. Velis1566[03.Дек.2025]
10. xloaders[03.Дек.2025]
МастерБаку[583]
Yulana34[177]
Serg74[160]
Dimitrius[129]
naves[122]
РОМУЛ[121]
bektyish[121]
madmac[116]
Алекс-200[114]
begun_a[112]