[ Новые сообщения · Участники · Правила форума · Поиск · RSS ]



  • Страница 1 из 1
  • 1
Модератор форума: genvik, енот, dima_perikov  
Операционная бестеневая лампа Martin MarLed V16
jackhash3Дата: Суббота, 14.Апр.2018, 19:23 | Сообщение # 1
Участник
У вас сообщений: 128
Медтехник
OFFлайн
Российская Федерация

Москва
Доброго времени суток, коллеги.
Есть ли у кого опыт по монтажу, ремонту или по ТО данных ламп?
 
ChupsДата: Среда, 18.Апр.2018, 10:18 | Сообщение # 2
Участник
У вас сообщений: 106
Лаборатория/функционалка
OFFлайн
Российская Федерация

Сибирь
Пока $ был "подъёмный", наша компания их неплохо поставляла.
А, собственно, что конкретно, какие-то проблемы?
 
mojiotДата: Среда, 17.Июн.2020, 19:13 | Сообщение # 3
Стажер
У вас сообщений: 9
город Москва
OFFлайн
Российская Федерация

Москва
Добрый день!
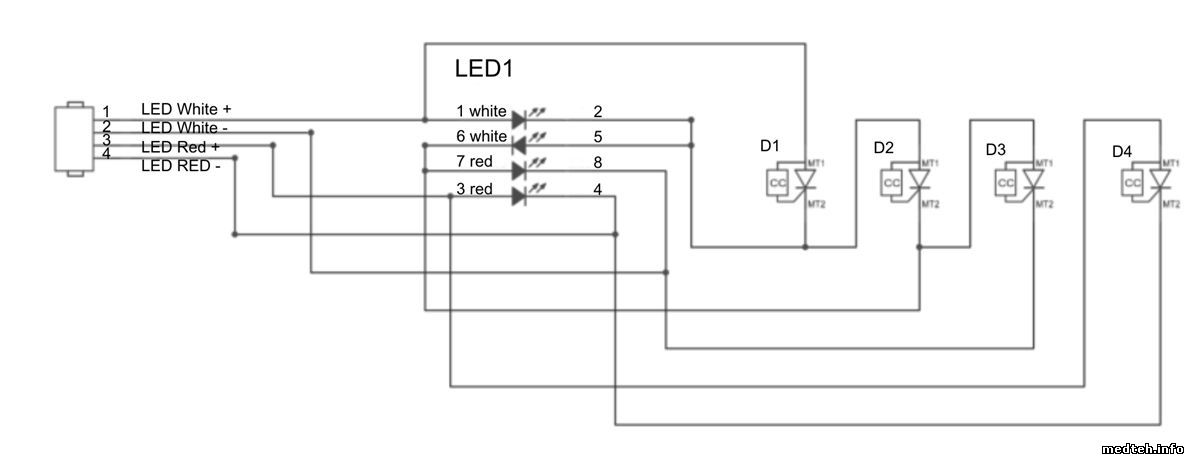
Подскажите, marled v10 часть светодиодов горят красным цветом. Меняли местами нормальный светодиод и светящий красным местами. Тот, который горел красным стал гореть белым. Тот, который горел белым стал красным.
Что это может быть? Может есть сервис-мануал?
2099752.jpg (137.3 Kb) · 2071550.jpg (84.7 Kb)
 
AlexiumДата: Среда, 17.Июн.2020, 21:56 | Сообщение # 4
Инженер медтехник
OFFлайн
Российская Федерация

Саратов
-------------
5198567.jpg (38.0 Kb)
 
  • Страница 1 из 1
  • 1
Поиск:



Статистика Форума
Последние обновления тем: Новые файлы хранилища: Новые участники: Top10 участников:
1. Замена светодиода на ...[Shturman (05.Дек.2025)]
2. Анализатор поля зрени...[SpirituS (04.Дек.2025)]
3. Программный комплекс ...[mqubali (04.Дек.2025)]
4. Кардиорегистратор «ИК...[albano18 (04.Дек.2025)]
5. Thermo Scientific gem...[viggen (03.Дек.2025)]
6. Центрифуга CM-6M ф.El...[Ningen64 (03.Дек.2025)]
7. Дефибриллятор Defi B ...[san-che30 (02.Дек.2025)]
8. Коллиматор Ralco R 22...[seeker (02.Дек.2025)]
9. КУПЛЮ/ПРИМУ в дар при...[seabee (02.Дек.2025)]
1. VIVIX Setup Operation...[12.Окт.2025]
2. GenwareMP[10.Сен.2025]
3. Настройка реагентов M...[20.Авг.2025]
4. Philips HD3-EXP[13.Авг.2025]
5. Рентгеновское оборудо...[08.Авг.2025]
6. VersaMed iVent201 Сер...[13.Фев.2025]
7. Гелпик КРД Ренекс РЦ ...[09.Фев.2025]
8. Офтальмологическая ус...[31.Окт.2024]
9. Cardinal-Health-VELA-...[03.Окт.2024]
10. Service Manual HAMILT...[02.Окт.2024]
1. zef1984[05.Дек.2025]
2. Dvish[05.Дек.2025]
3. Intellect[05.Дек.2025]
4. Romanivanov[05.Дек.2025]
5. igogoigogo[05.Дек.2025]
6. 1rishka[04.Дек.2025]
7. L_V_N[04.Дек.2025]
8. ИвановИИ[04.Дек.2025]
9. Alex_U[04.Дек.2025]
10. Yarikus03[03.Дек.2025]
МастерБаку[583]
Yulana34[177]
Serg74[160]
Dimitrius[129]
naves[122]
РОМУЛ[121]
bektyish[121]
madmac[116]
Алекс-200[114]
begun_a[112]