[ Новые сообщения · Участники · Правила форума · Поиск · RSS ]



  • Страница 1 из 1
  • 1
Модератор форума: Alexium  
МикроЭВМ "Электроника" МС2703 для КФК-2МП и КФК-3
svromДата: Воскресенье, 01.Май.2011, 00:10 | Сообщение # 1
Стажер
У вас сообщений: 43
инженер
OFFлайн
Украина

Одесса
Коллеги, нетяне, может кто-нибудь поделится схемами на микроЭВМ "Электроника" МС2703. Уменя в ремонте 2 варианта: один - на ИВ-28А, а второй на АЛС324А. Но схемы нет ни на один. Насколько я знаю, и КФК-2МП и КФК-3 уже давно идут с новым вариантом МС2703! По моему мнению, "Светлана" могла бы и выложить схемы на старые разработки!!! mail1
 
STarasДата: Воскресенье, 01.Май.2011, 08:06 | Сообщение # 2
инженер-электроакустика, ультразвук
OFFлайн
Украина

Ровно
Quote (svrom)
"Светлана" могла бы и выложить схемы на старые разработки!!!
- а кто тогда новые покупать будет?


Чти вело свое – ибо не ты на нём едешь, но оно везёт тебя
 
AlexiumДата: Воскресенье, 01.Май.2011, 10:20 | Сообщение # 3
Инженер медтехник
OFFлайн
Российская Федерация

Саратов
Схема ,при желании, разрисовывается за 1-2 часа в основных деталях. Только зачем?
Если вы знаете электронику ремонт занимает не больше 1-2 часов. В противном случае стоит 11 200 руб. http://www.nikimlt.ru/price.html.
Может лучше скажете что неисправно, у меня есть небольшой опыт ремонта может чем нибудь помогу.
 
svromДата: Воскресенье, 01.Май.2011, 17:27 | Сообщение # 4
Стажер
У вас сообщений: 43
инженер
OFFлайн
Украина

Одесса
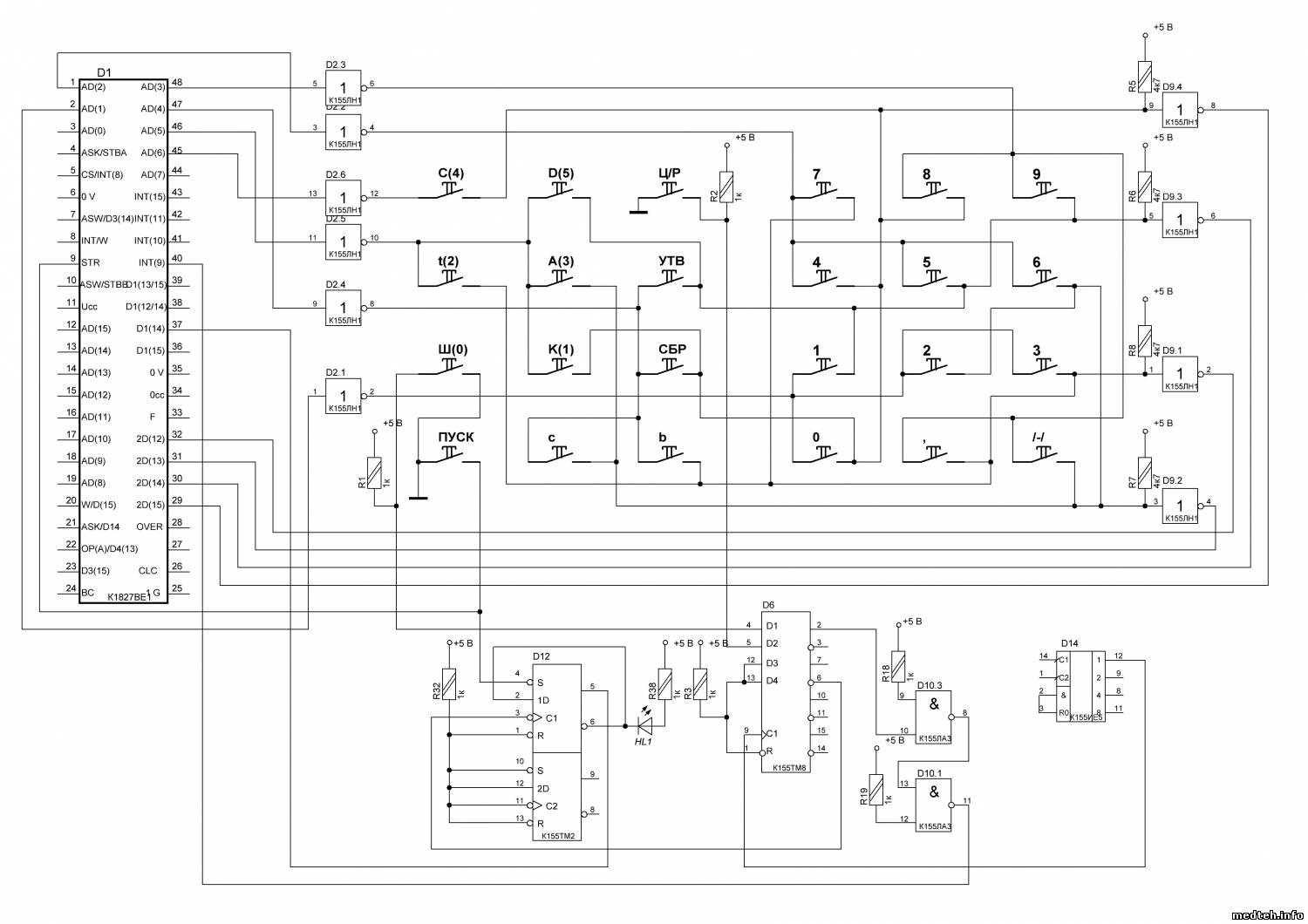
Не работает часть кнопок - соответственно нужна схема дешифрации. Выкладываю схему индикации МС2703.
5048077.jpg (186.6 Kb)
 
AlexiumДата: Вторник, 03.Май.2011, 10:58 | Сообщение # 5
Инженер медтехник
OFFлайн
Российская Федерация

Саратов
Неисправность самой клавиатуры, выпаивайте и меняйте местами блоки клавиатуры. Промойте спиртом плату под клавиатурой. Если неисправность устранили, ищите клавиатуру, или меняйте на что-то типа TL-S-G-G-N, KAN1210 или SWT-9
 
svromДата: Вторник, 03.Май.2011, 11:04 | Сообщение # 6
Стажер
У вас сообщений: 43
инженер
OFFлайн
Украина

Одесса
Кнопки - работают, проверено в первую очередь, а клавиатуру все таки придется выпаять - можно будет хотя бы дорожки отследить!!!
 
AlexiumДата: Вторник, 03.Май.2011, 12:28 | Сообщение # 7
Инженер медтехник
OFFлайн
Российская Федерация

Саратов
Это динамическая индикация и опрос клавиатуры, опрос с кнопок идет на 155ЛН1 расположенную "ниже" 1827ве1 и уходит на шину 1827ве1. 90% неисправна клавиатура или сгнили дорожки под ней. 10% неисправен транзистор (или др. элемент подключающий столбцы клавиатуры к 5 В)
 
fatДата: Понедельник, 09.Май.2011, 20:08 | Сообщение # 8
Заглянувший
У вас сообщений: 1
мастер
OFFлайн
Российская Федерация

СПб
Есть схема платы от nikimlt. http://www.nikimlt.ru/mc2703/appointment.html. Отдать не могу, могу продать.
 
svromДата: Вторник, 10.Май.2011, 00:11 | Сообщение # 9
Стажер
У вас сообщений: 43
инженер
OFFлайн
Украина

Одесса
Покупать я не буду, а вот схему дешифрации команд Электроники МС2703 могу выложить!!!
8869597.jpg (142.0 Kb)
 
AlexiumДата: Вторник, 10.Май.2011, 10:02 | Сообщение # 10
Инженер медтехник
OFFлайн
Российская Федерация

Саратов
Svrom - работу вы проделали серьёзную.
Как у Вас с клавиатурой? Решилась проблема?
 
svromДата: Вторник, 10.Май.2011, 22:47 | Сообщение # 11
Стажер
У вас сообщений: 43
инженер
OFFлайн
Украина

Одесса
К сожалению, пришел к выводу, что битый - входной регистр К1827ВЕ1! А найти проц, который давно сняли с производства, по нормальной цене - проблема, тем более в Украине!
 
AlexiumДата: Среда, 11.Май.2011, 09:54 | Сообщение # 12
Инженер медтехник
OFFлайн
Российская Федерация

Саратов
Не повезло Вам. Но может кто вышлет паяный со списанных. У меня есть паяный, но в Украину послать будет проблема!
 
bbk072Дата: Среда, 07.Ноя.2012, 21:52 | Сообщение # 13
Заглянувший
У вас сообщений: 2
химик
OFFлайн
Украина

смлиалш
прошу помощи!,в электроника мс 2703 после замены ёмкостей при нажатии на кнопку Ш(0) все по нулям либо 1n в левом углу как при отрытой шторке так при закрытой
 
оптик-АДата: Четверг, 08.Ноя.2012, 09:29 | Сообщение # 14
Завсегдатай
У вас сообщений: 293
инженер-оптик
OFFлайн
Российская Федерация

Третий
Проверьте внимательно там где паяли, всё почистите. Изначально, какая была неисправность?
 
bbk072Дата: Пятница, 09.Ноя.2012, 10:57 | Сообщение # 15
Заглянувший
У вас сообщений: 2
химик
OFFлайн
Украина

смлиалш
с двучасовом прогреве начинал стабиьно работать,ёмкасти были высохшие,есть подозрение на полевик КП305,а так все читенько залипов нет
 
оптик-АДата: Пятница, 09.Ноя.2012, 11:21 | Сообщение # 16
Завсегдатай
У вас сообщений: 293
инженер-оптик
OFFлайн
Российская Федерация

Третий
Проверь "0" при закрытой шторке! Как я понял у тебя КФК-2МП. Открой описание, там есть раздел проверка работоспособности или подготовка к работе. Потом отпиши, какой пункт не проходит. А вообще такое впечатление, что у тебя шторка открыта этот значок 1n переполнение! Очень сильный сигнал. Открой кюветное и посмотри шторка закрыта или нет. Всё по описанию.
 
KirillATSДата: Среда, 01.Май.2019, 13:20 | Сообщение # 17
Заглянувший
У вас сообщений: 1
инженер
OFFлайн
Российская Федерация

Санкт-Петербург
Здравствуйте! Прошу прощения, что поднимаю старую тему. Приму в дар/приобрету/ обменяю микроЭВМ Электроника МС2703 в любом состоянии.
 
genitanДата: Четверг, 24.Окт.2019, 23:50 | Сообщение # 18
Стажер
У вас сообщений: 7
инженер
OFFлайн
Украина

Одесса
Добрый день. У меня на ремонте несколько плат МС2703 от КФК с разными проблемами. Я их отремонтировал, но заметил одну странность на которую раньше не обращал внимания. Если входное напряжение (выводы В18-А16) например 0,8в. то при нажатии на кнопку Ш(0) на индикации выводиться 16. Т.е. при любом входном напряжении показания на индикации примерно в 20 раз завышены. Это нормально?
рис1 - сигнал на К554СА3 вывод 4 и 3
рис2 - сигнал на К554СА3 вывод 4 и 9
рис3 - сигнал на В18 и К554СА3 вывод 4
6814981.jpg (64.7 Kb) · 9466168.jpg (80.6 Kb) · 3744304.jpg (57.6 Kb)
 
  • Страница 1 из 1
  • 1
Поиск:



Статистика Форума
Последние обновления тем: Новые файлы хранилища: Новые участники: Top10 участников:
1. Установка импульсная ...[юранак (13.Фев.2026)]
2. ИВЛ Hamilton C1 ф.Ham...[masloff (12.Фев.2026)]
3. Выбор принтера для ра...[seabee (12.Фев.2026)]
4. Sonoscanner Orcheo li...[Azatus7 (10.Фев.2026)]
5. рентген.аппарат Prote...[medplus (06.Фев.2026)]
6. ремонт спектрофотоме...[specordm (06.Фев.2026)]
7. Вошер PW-40 ф.Bio-Rad[zennka (06.Фев.2026)]
8. Медицинское лаборатор...[ruha (05.Фев.2026)]
9. MicroAire 5020 гаснет...[Sergei_m (04.Фев.2026)]
1. Apollo EZ service man...[25.Дек.2025]
2. VIVIX Setup Operation...[12.Окт.2025]
3. GenwareMP[10.Сен.2025]
4. Настройка реагентов M...[20.Авг.2025]
5. Philips HD3-EXP[13.Авг.2025]
6. Рентгеновское оборудо...[08.Авг.2025]
7. VersaMed iVent201 Сер...[13.Фев.2025]
8. Гелпик КРД Ренекс РЦ ...[09.Фев.2025]
9. Офтальмологическая ус...[31.Окт.2024]
10. Cardinal-Health-VELA-...[03.Окт.2024]
1. vladimir_r[13.Фев.2026]
2. vlknv[13.Фев.2026]
3. Ormet[13.Фев.2026]
4. Pyrkin_Vladislav[13.Фев.2026]
5. cassius77[13.Фев.2026]
6. Dadasha[12.Фев.2026]
7. Vadka1977[12.Фев.2026]
8. Igoda[12.Фев.2026]
9. svetla[12.Фев.2026]
10. nz911[12.Фев.2026]
МастерБаку[583]
Yulana34[177]
Serg74[160]
Dimitrius[129]
naves[122]
РОМУЛ[121]
bektyish[121]
madmac[116]
Алекс-200[114]
генаf[112]