[ Новые сообщения · Участники · Правила форума · Поиск · RSS ]



  • Страница 1 из 1
  • 1
Модератор форума: genvik, енот  
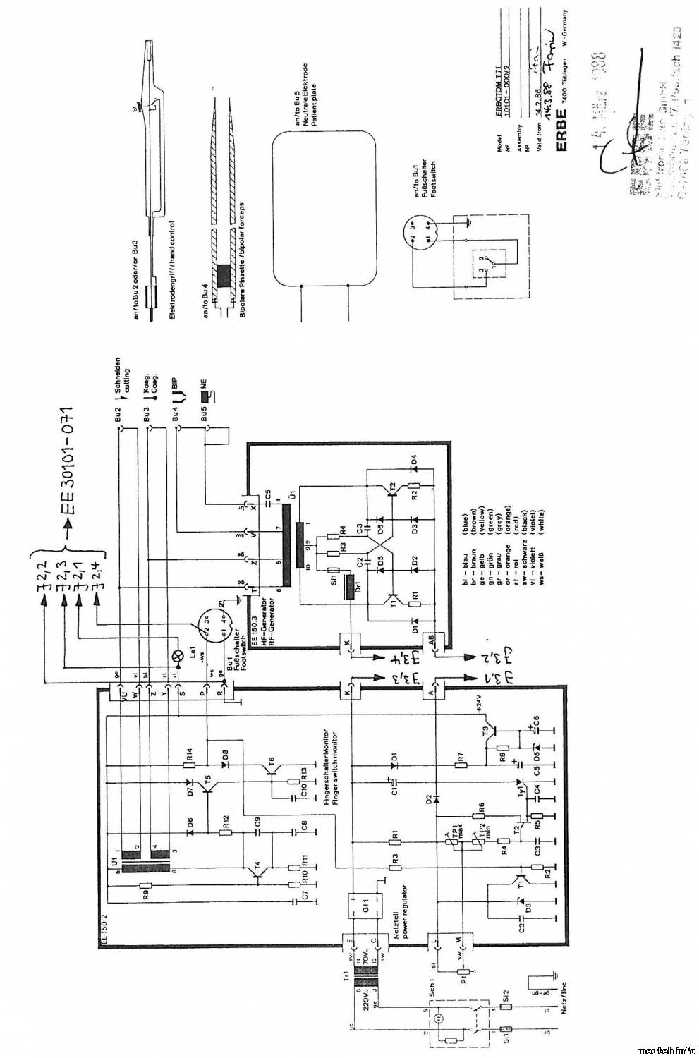
Аппарат ERBOTOM T71MD
VladoДата: Среда, 28.Сен.2011, 18:17 | Сообщение # 1
Участник
У вас сообщений: 162
лентяй,лодырь,алкоголик.
OFFлайн
Российская Федерация

Perm
Пожалуйста, подскажите, может есть схема, может есть просто мануал на аппарат ERBOTOM T71MD у него проблемма, нет ВЧ выхода ... Напряжение на выходных трнзисторах регулируеться до 70В ... Это всё, что я смог проверить все кабеля целые, реакция на педальку есть. blush

Сообщение отредактировал Sept - Среда, 28.Сен.2011, 22:52
 
AlexiumДата: Среда, 28.Сен.2011, 19:07 | Сообщение # 2
Инженер медтехник
OFFлайн
Российская Федерация

Саратов
Может это поможет
7195493.jpg (134.5 Kb)
 
VladoДата: Среда, 28.Сен.2011, 23:17 | Сообщение # 3
Участник
У вас сообщений: 162
лентяй,лодырь,алкоголик.
OFFлайн
Российская Федерация

Perm
благодарю,завтра буду пробовать.
 
VladoДата: Среда, 12.Окт.2011, 23:55 | Сообщение # 4
Участник
У вас сообщений: 162
лентяй,лодырь,алкоголик.
OFFлайн
Российская Федерация

Perm
Извиняюсь,но никак немогу въехать в чем прикол...отпаиваю транс с мультика (вторичка в воздухе) аппарат начинает генерировать...впаиваю, опять нехочет отпаиваю 2ой на плате управления он вообще не реагирует на нжития кнопки или педальки..подскажите где что померить...вся элементная база целая(судя по прозвонке).
 
VladoДата: Суббота, 15.Окт.2011, 11:11 | Сообщение # 5
Участник
У вас сообщений: 162
лентяй,лодырь,алкоголик.
OFFлайн
Российская Федерация

Perm
Проблему нашел, выходной трансформатор поджарился. сгорела вотиричная обмотка 4-6-7. Возникли вопросы:почему у него нет железа , и есть ли какие то тонкости в его намотке?
 
AlexiumДата: Суббота, 15.Окт.2011, 12:14 | Сообщение # 6
Инженер медтехник
OFFлайн
Российская Федерация

Саратов
Quote (Vlado)
Возникли вопросы:почему у него нет железа , и есть ли какие то тонкости в его намотке?

Это феррит. На высокой частоте железо не работает. Феррит материал хрупкий - соблюдайте максимум осторожности. Намотку лучше вести многожильным тонким проводом (или литцендратом) - т.к. на высоких частотах большое влияние оказывает скин-эффект.
 
VladoДата: Суббота, 15.Окт.2011, 12:25 | Сообщение # 7
Участник
У вас сообщений: 162
лентяй,лодырь,алкоголик.
OFFлайн
Российская Федерация

Perm
корпус у него из пластика сейчас снял первичку,и увидели,что он на пловину прогорел. замыкание еще и в первичке есть.
 
VladoДата: Суббота, 15.Окт.2011, 12:38 | Сообщение # 8
Участник
У вас сообщений: 162
лентяй,лодырь,алкоголик.
OFFлайн
Российская Федерация

Perm
выкладываю фото
7144529.jpg (95.4 Kb) · 9063987.jpg (141.6 Kb) · 1262536.jpg (175.6 Kb) · 3029157.jpg (115.9 Kb)


Сообщение отредактировал Vlado - Суббота, 15.Окт.2011, 12:40
 
AlexiumДата: Суббота, 15.Окт.2011, 12:59 | Сообщение # 9
Инженер медтехник
OFFлайн
Российская Федерация

Саратов
Трансформатор (индуктор) вообще без сердечника - очень интересно (похоже на ЭН-57). Считайте витки, записывайте порядок чередования обмоток, направление намотки и т.д.
 
VladoДата: Воскресенье, 16.Окт.2011, 21:15 | Сообщение # 10
Участник
У вас сообщений: 162
лентяй,лодырь,алкоголик.
OFFлайн
Российская Федерация

Perm
транс,я перемотал и аппарат зарботал,но есть вопросы по режимам биполярная коагуляция работает,работает режим где молния с электрода(незнаю правильного названия) а вот резка и спрей (одновременно) не работет.
 
VladoДата: Понедельник, 17.Окт.2011, 08:14 | Сообщение # 11
Участник
У вас сообщений: 162
лентяй,лодырь,алкоголик.
OFFлайн
Российская Федерация

Perm
Все,данный вопрос снимаю. понял в чем косяк тема решена. последний вопрос, чем лучше смазывать коврик, когда тестил я обычной водой с солью и проверял на куске мяса конечно воняет зато условия более реальные.
тему можно закрывать
 
AlexiumДата: Понедельник, 17.Окт.2011, 10:37 | Сообщение # 12
Инженер медтехник
OFFлайн
Российская Федерация

Саратов
Не сектретничайте - скажите параметры трансформатора по обмоткам.
Тестирую просто - на куске хозяйственного мыла (желательно его смочить водой - на пассивном электроде не будет разводов).
А для проверки после ремонта - осциллограф и эквивалент (100 ом 100-200 вт и 300-500 ом - 100 вт).
 
VladoДата: Понедельник, 17.Окт.2011, 13:51 | Сообщение # 13
Участник
У вас сообщений: 162
лентяй,лодырь,алкоголик.
OFFлайн
Российская Федерация

Perm
Никаких секретов нет...данные привожу не точно т.к. многое пришлось изменять.
данные по трансу: трансформатор выходной как видно по предыдущим фото- жареный, на вторичке обмотки 4-7-6 пришлось отрезать около 0,5м проволки т.к. изоляция пришла в негодность, издевался как мог ,расстояние между витками составляло местами примерно 1мм. Витки намотал встречно после каждого слоя изоляция, использовал изоленту и бумагу от старых реле типа"РЭН 18"
После сборки как уже писал ,5мин пластал курицу,транс не сдался.
скидываю фото за качество и красоту рисования не бейте.
3593445.jpg (84.5 Kb)


Сообщение отредактировал Vlado - Понедельник, 17.Окт.2011, 13:54
 
AlexiumДата: Понедельник, 17.Окт.2011, 18:55 | Сообщение # 14
Инженер медтехник
OFFлайн
Российская Федерация

Саратов
Спасибо - думаю это пригодится! good
 
VladoДата: Вторник, 18.Окт.2011, 22:42 | Сообщение # 15
Участник
У вас сообщений: 162
лентяй,лодырь,алкоголик.
OFFлайн
Российская Федерация

Perm
Тему забыли закрыть.
 
  • Страница 1 из 1
  • 1
Поиск:



Статистика Форума
Последние обновления тем: Новые файлы хранилища: Новые участники: Top10 участников:
1. Анализатор поля зрени...[SpirituS (04.Дек.2025)]
2. Программный комплекс ...[mqubali (04.Дек.2025)]
3. Кардиорегистратор «ИК...[albano18 (04.Дек.2025)]
4. Thermo Scientific gem...[viggen (03.Дек.2025)]
5. Центрифуга CM-6M ф.El...[Ningen64 (03.Дек.2025)]
6. Дефибриллятор Defi B ...[san-che30 (02.Дек.2025)]
7. Коллиматор Ralco R 22...[seeker (02.Дек.2025)]
8. КУПЛЮ/ПРИМУ в дар при...[seabee (02.Дек.2025)]
9. Центрифуга MiniSpin P...[AntonioPetty (01.Дек.2025)]
1. VIVIX Setup Operation...[12.Окт.2025]
2. GenwareMP[10.Сен.2025]
3. Настройка реагентов M...[20.Авг.2025]
4. Philips HD3-EXP[13.Авг.2025]
5. Рентгеновское оборудо...[08.Авг.2025]
6. VersaMed iVent201 Сер...[13.Фев.2025]
7. Гелпик КРД Ренекс РЦ ...[09.Фев.2025]
8. Офтальмологическая ус...[31.Окт.2024]
9. Cardinal-Health-VELA-...[03.Окт.2024]
10. Service Manual HAMILT...[02.Окт.2024]
1. Romanivanov[05.Дек.2025]
2. igogoigogo[05.Дек.2025]
3. 1rishka[04.Дек.2025]
4. L_V_N[04.Дек.2025]
5. ИвановИИ[04.Дек.2025]
6. Alex_U[04.Дек.2025]
7. Yarikus03[03.Дек.2025]
8. EvaLen[03.Дек.2025]
9. dankurets[03.Дек.2025]
10. Velis1566[03.Дек.2025]
МастерБаку[583]
Yulana34[177]
Serg74[160]
Dimitrius[129]
naves[122]
РОМУЛ[121]
bektyish[121]
madmac[116]
Алекс-200[114]
begun_a[112]