[ Новые сообщения · Участники · Правила форума · Поиск · RSS ]



  • Страница 1 из 1
  • 1
Модератор форума: genvik, енот  
Электрокоагулятор Autocon 200 ф.Karl Storz
EwgeniusДата: Суббота, 25.Фев.2012, 10:25 | Сообщение # 1
Стажер
У вас сообщений: 22
Инженер-электроник
OFFлайн
Российская Федерация

Чита
На аппарате работает только режим "мягкой" коагуляции. При выборе другого режима при нажатии педали выходит ошибка Err 48 и загорается индикация "misdosage". Ни схем, ни расшифровок ошибок нет. Транзисторы прозвонил, явно битых не нашел. Если есть информация, буду благодарен.
 
AlexiumДата: Суббота, 25.Фев.2012, 10:29 | Сообщение # 2
Инженер медтехник
OFFлайн
Российская Федерация

Саратов
Karl Storz не выпускает коагуляторы - это ERBE. Если найдете соответствие с моделью от ERBE то я попробую вам помочь.
 
ZlobujanДата: Понедельник, 27.Фев.2012, 09:43 | Сообщение # 3
Участник
У вас сообщений: 64
инженер
OFFлайн
Российская Федерация

Шторцы крайне неохотно дают свою документацию. В руководстве пользователя на 200 описание ошибок кончается номером 31. В случае возникновения остальных ошибок рекомендуется обращаться в авторизованный сервисный центр.
Попробуйте зарегистрироваться у них на сайте, отвечают довольно оперативно, но просят обосновать ваше желание получить к ним доступ. Со мной по телефону выходил на связь региональный представитель. После предоставления ему номера аппарата, в какой больнице используется, где и когда был приобретен, получил от него инструкцию. Скорее всего при описании ваших проблем могут выслать и сервис-мануал.
 
AlexiumДата: Вторник, 28.Фев.2012, 21:13 | Сообщение # 4
Инженер медтехник
OFFлайн
Российская Федерация

Саратов
Предположим эта ошибка выглядит так -
Ток пациента.
Никакого сигнала контроля исходного тока.
Дефект устройства: обратитесь в сервис.
 
IgorLiДата: Пятница, 04.Сен.2015, 13:13 | Сообщение # 5
Стажер
У вас сообщений: 4
Инженер по ремонту и обслуживанию
OFFлайн
Казахстан

Павлодар
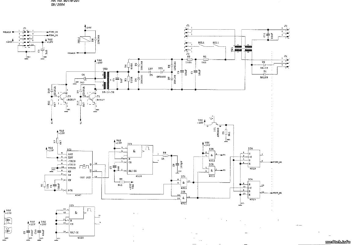
Доброго всем времени суток.Коагулятор Autocon 200 выдает ошибку Err 22.Изначально ошибка была исправлена чисткой окислений под конектором J8. Но через недели две опять выдал ту же ошибку. После разбора выявлены обгоревшие резисторы R1 и R2 на плате ERBE Mono-Output Board 40128-096/
В сервиске на ERBE ICC 200 есть только монтажная схема данной платы.
Есть ли у кого схема данной платы или хотя бы параметры резисторов на что менять.
 
AlexiumДата: Пятница, 04.Сен.2015, 21:33 | Сообщение # 6
Инженер медтехник
OFFлайн
Российская Федерация

Саратов
Попробуйте R1-56 Ом. R2 - 150 Ом. unknown
 
IgorLiДата: Понедельник, 07.Сен.2015, 11:51 | Сообщение # 7
Стажер
У вас сообщений: 4
Инженер по ремонту и обслуживанию
OFFлайн
Казахстан

Павлодар
Alexium, Спасиб мил человек!Буду пробовать,результат обязательно отпишу
 
IgorLiДата: Пятница, 11.Сен.2015, 08:25 | Сообщение # 8
Стажер
У вас сообщений: 4
Инженер по ремонту и обслуживанию
OFFлайн
Казахстан

Павлодар
Alexium, К сожалению аппарат вновь показал ошибку 22.Но был замечен момент,когда от этой платы отсоединяешь шлейф J5, аппарат включается без матюков
 
AlexiumДата: Пятница, 11.Сен.2015, 09:45 | Сообщение # 9
Инженер медтехник
OFFлайн
Российская Федерация

Саратов
_________
5232951.jpg (139.6 Kb)
 
IgorLiДата: Пятница, 11.Сен.2015, 11:17 | Сообщение # 10
Стажер
У вас сообщений: 4
Инженер по ремонту и обслуживанию
OFFлайн
Казахстан

Павлодар
Alexium, ОЙ спасибо большое!Вот это грааль)))))
 
  • Страница 1 из 1
  • 1
Поиск:



Статистика Форума
Последние обновления тем: Новые файлы хранилища: Новые участники: Top10 участников:
1. Помощь в техобслужива...[dzyatel (29.Май.2026)]
2. Аппараты НЧ электроте...[aleksan (28.Май.2026)]
3. При операции с примен...[susel63 (28.Май.2026)]
4. Техническая поддержка...[UPZ (25.Май.2026)]
5. MOVIPLAN (УниКоРД-МТ)...[SpirituS (24.Май.2026)]
6. Аппарат магнитотерапе...[SpirituS (24.Май.2026)]
7. Стоматустановка K3 ф....[zizeroman (24.Май.2026)]
8. Анализатор гематологи...[fred1 (22.Май.2026)]
9. ЭХВЧ-400 ск-"Ник...[Olegosh (21.Май.2026)]
1. Apollo EZ service man...[25.Дек.2025]
2. VIVIX Setup Operation...[12.Окт.2025]
3. GenwareMP[10.Сен.2025]
4. Настройка реагентов M...[20.Авг.2025]
5. Philips HD3-EXP[13.Авг.2025]
6. Рентгеновское оборудо...[08.Авг.2025]
7. VersaMed iVent201 Сер...[13.Фев.2025]
8. Гелпик КРД Ренекс РЦ ...[09.Фев.2025]
9. Офтальмологическая ус...[31.Окт.2024]
10. Cardinal-Health-VELA-...[03.Окт.2024]
1. RomanGrek[30.Май.2026]
2. vapinic[29.Май.2026]
3. wenderer861[28.Май.2026]
4. karabas1167[28.Май.2026]
5. Paulus[28.Май.2026]
6. hismatulinaKsenia[28.Май.2026]
7. nefrid12[28.Май.2026]
8. roser362[27.Май.2026]
9. Romany4777[27.Май.2026]
10. RVA-59[27.Май.2026]
МастерБаку[583]
Yulana34[177]
Serg74[160]
Dimitrius[129]
naves[122]
РОМУЛ[121]
bektyish[121]
madmac[116]
Алекс-200[114]
генаf[112]