[ Новые сообщения · Участники · Правила форума · Поиск · RSS ]



  • Страница 1 из 1
  • 1
Модератор форума: genvik, енот  
Ап-т электрохирургический ЕХВА-350M/120Б "Надия 2"
serg_89Дата: Среда, 11.Июл.2012, 14:29 | Сообщение # 1
Участник
У вас сообщений: 50
Рентген
OFFлайн
Украина

Тернополь
Помогите с этим "чудом" ЕХВА-350M/120Б "Надия 2". Может есть у кого фото печатной платы, а то получается какая-то "фигня". Говорят аппарат никогда не работал, думаю, может есть где-то какая-то монтажная ошибка ...
Проблема с блоком питания. unknown
 
DimitriusДата: Среда, 11.Июл.2012, 21:00 | Сообщение # 2
У вас сообщений: 410
инженер
OFFлайн
Украина

Украина
Более подробно опишите что за проблема и желательно фото в студию вашей платы. То рекомендовать устранять какую-ту фигню другой фигнёй не очень
 
serg_89Дата: Среда, 11.Июл.2012, 22:57 | Сообщение # 3
Участник
У вас сообщений: 50
Рентген
OFFлайн
Украина

Тернополь
Фото уже не нужно, я там со всем разобрался там все в норме, но проблема осталась аппарат не работает пока, а саму не запускается блок питания логики ((
 
AlexiumДата: Среда, 11.Июл.2012, 23:08 | Сообщение # 4
Инженер медтехник
OFFлайн
Российская Федерация

Саратов
serg_89, - это что твиттер? Свои естественные надобности справляйте в другом месте. Или правьте сообщения или бан и тему в помойку. diablo
 
serg_89Дата: Среда, 11.Июл.2012, 23:13 | Сообщение # 5
Участник
У вас сообщений: 50
Рентген
OFFлайн
Украина

Тернополь
Alexium - прости все понял, я просто новичок здесь, больше не повторится
 
serg_89Дата: Среда, 11.Июл.2012, 23:54 | Сообщение # 6
Участник
У вас сообщений: 50
Рентген
OFFлайн
Украина

Тернополь
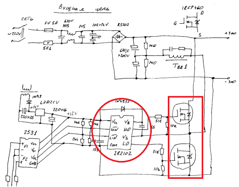
теперь конкретика, объясните кто нибудь как запускается данный блок питания на фото blush

.

. Это пост-хвост! к с.5.
. Не плодите посты-хвосты (вместо редактирования поста для добавления в него новой информации следующая прямо за ним череда, в виде монолога, только своих новых постов с этой информацией) - это всё удлиняет тему! В будущем другим её будет трудно и нудно читать ...
8229746.bmp (1.78 Mb)
 
AlexiumДата: Четверг, 12.Июл.2012, 06:42 | Сообщение # 7
Инженер медтехник
OFFлайн
Российская Федерация

Саратов
- http://www.compitech.ru/html.cgi/arhiv/00_05/stat_28.htm
 
serg_89Дата: Четверг, 12.Июл.2012, 08:48 | Сообщение # 8
Участник
У вас сообщений: 50
Рентген
OFFлайн
Украина

Тернополь
Цитата Alexium ()
Alexium
Спасибо!

.

Не увлекайтесь излишним, необдуманным цитированием, и если вы специалист, то подумайте прежде: нужна ли цитата.
 
serg_89Дата: Пятница, 13.Июл.2012, 17:43 | Сообщение # 9
Участник
У вас сообщений: 50
Рентген
OFFлайн
Украина

Тернополь
Наконец с блоком питания разобрался парацюе как годиник,
появилась вторая проблемка в том рисунке, после включения вылетает ШИМ-контроллер и полевики (((ПОМОГИТЕ а то уже две пары польвикив сжег, денег уже нет чтобы их покупать дороговатие они (((
4136336.png (117.1 Kb)
 
prostopunkДата: Пятница, 13.Июл.2012, 18:03 | Сообщение # 10
Участник
У вас сообщений: 59
электрокардиографы, мониторы
OFFлайн
Украина

Тернополь
тот что обведен кружком - не ШИМ а драйвер (грубо говоря - мощный логический эмемент (http://www.irf.com/product-info/datasheets/data/ir2101.pdf)). он,скорее всего, вылетает только после вылетания полевиков. 2531 - оптрон (http://www.datasheetcatalog.com/datasheets_pdf/H/C/P/L/HCPL-2531.shtml), если горят полевики - может проблема в ШИМе (на схеме его не вижу). Может в следующий раз включить схему в сеть с 100-Вт лампочкой вместо пердохранителя (FU-5A) (перед тем как включать - проверте входные (выпрямитель) и выходные (после силового транса) цепи и оптроны (коллектор-эмитер) на КЗ! ) и посмотреть что на затворах. А, и проверить напряжения питания драйвера, шима (если такой есть)).
PS: если лампочка горит в полную силу - что то не так, но полевики от этого выгореть не должны (если они еще целые)))
 
serg_89Дата: Пятница, 13.Июл.2012, 18:22 | Сообщение # 11
Участник
У вас сообщений: 50
Рентген
OFFлайн
Украина

Тернополь
Quote (prostopunk)
он,скорее всего, вылетает только после вылетания полевиков

тогда какая причина вылета польвикив?
хотя когда включал схему без польвикив то драйвер не горел все было в норме, напряжение на затвор Первой шла 22в, в то время на затворе другого была 1 в
 
serg_89Дата: Пятница, 13.Июл.2012, 18:29 | Сообщение # 12
Участник
У вас сообщений: 50
Рентген
OFFлайн
Украина

Тернополь
і ще одне, коли драйвер знатий на виходах оптопари 4,8В після того як вставляю IR2102 на виходах оптопари стає 10В

.

. Это пост-хвост! к с.11.
. Не плодите посты-хвосты (вместо редактирования поста для добавления в него новой информации следующая прямо за ним череда, в виде монолога, только своих новых постов с этой информацией) - это всё удлиняет тему! В будущем другим её будет трудно и нудно читать ...
 
serg_89Дата: Пятница, 13.Июл.2012, 18:33 | Сообщение # 13
Участник
У вас сообщений: 50
Рентген
OFFлайн
Украина

Тернополь
Цитата prostopunk ()
проверить напряжения питания драйвера, шима (если такой есть)).
напруга живлення драйвера в нормі +12В

.

. Это пост-хвост! к с.11.
. Не плодите посты-хвосты (вместо редактирования поста для добавления в него новой информации следующая прямо за ним череда, в виде монолога, только своих новых постов с этой информацией) - это всё удлиняет тему! В будущем другим её будет трудно и нудно читать ...
 
prostopunkДата: Пятница, 13.Июл.2012, 19:38 | Сообщение # 14
Участник
У вас сообщений: 59
электрокардиографы, мониторы
OFFлайн
Украина

Тернополь
ну... причины...
- КЗ в выходных цепях,
- неисправность ШИМ (на затворах должны быть импульсы с очень крутыми, подаваемые так, что бы в определенный момент времени был открыт только одын транзистор (если открываются 2 сразу - это равносильно КЗ (сопротивление открытого полевика меньне 1 Ом))) - транзисторы горят (в прямом смысле слова), может повреждаться изоляция затвор-канал;
- виход из строя силового транса (при перегреве ферита его магнитные свойства могут изменится);
- или - китайские полевики (что маловероятно).
PS: перевіряти треба все в зборі, з польовими транзисторами, з лампкою замість запобіжника, без наявності вихідної напруги і ЗЗ по напрузі ШІМ працювати скоріш за все, не захоче
 
serg_89Дата: Пятница, 13.Июл.2012, 23:05 | Сообщение # 15
Участник
У вас сообщений: 50
Рентген
OFFлайн
Украина

Тернополь
Quote (prostopunk)
транзисторы горят (в прямом смысле слова)
rofl
знаю перевіряв
ну за таку вичерпну відповіть велике спасибі drinks
ну зі всіх перечислених причин сама віроятніша ШІМ завтра візьмусь за нього

Quote (prostopunk)
- виход из строя силового транса (при перегреве ферита его магнитные свойства могут изменится);

в нього часу на це нема щоб нагрітись)))
 
SeptДата: Пятница, 13.Июл.2012, 23:39 | Сообщение # 16
OFFлайн
Украина

Житомир
serg_89, Respect our collectivity, рlease!
 
serg_89Дата: Суббота, 14.Июл.2012, 00:19 | Сообщение # 17
Участник
У вас сообщений: 50
Рентген
OFFлайн
Украина

Тернополь
Quote (Sept)
Respect our collectivity, рlease!

я вибачаюсь, в чому проявляється моя неповага??????


Сообщение отредактировал serg_89 - Суббота, 14.Июл.2012, 00:20
 
zx19Дата: Суббота, 14.Июл.2012, 16:06 | Сообщение # 18
Vse
OFFлайн
Российская Федерация

Саратов
Почему я должен ломать мозг, читая эту писанину? serg_89, Или по русски, или свободен.
 
serg_89Дата: Суббота, 14.Июл.2012, 20:42 | Сообщение # 19
Участник
У вас сообщений: 50
Рентген
OFFлайн
Украина

Тернополь
Quote (zx19)
Или по русски, или свободен.

нет вопросов будем на руском wink
 
AlexiumДата: Суббота, 14.Июл.2012, 22:22 | Сообщение # 20
Инженер медтехник
OFFлайн
Российская Федерация

Саратов
IR2102 - замените конденсатор питания (бутстрепный) верхнего драйвера.
Для проверки - выпаиваете полевики и вместо них м/у затвором и истоком впаиваете конденсаторы на 4700 pF. На них смотрите импульсы управления, размах напряжения должен быть не менее 10 в, фронты сигналов без всплесков и завалов.

Извините - написал бред по поводу проверки IR2102, так не получится. blush


Сообщение отредактировал Alexium - Вторник, 17.Июл.2012, 19:53
 
serg_89Дата: Понедельник, 16.Июл.2012, 18:05 | Сообщение # 21
Участник
У вас сообщений: 50
Рентген
OFFлайн
Украина

Тернополь
вся проблема в том что не запускается ШИМ TL494, питание на нем в норме 20 В а на выходах генерации импульсов нет, микросхемы менял три штуки новых ставил, а на выходе постоянное напряжение 18-21 В, в чом может быть причина??
 
prostopunkДата: Понедельник, 16.Июл.2012, 19:17 | Сообщение # 22
Участник
У вас сообщений: 59
электрокардиографы, мониторы
OFFлайн
Украина

Тернополь
http://spblan.narod.ru/bp/shim/TL494.htm - доступно о 494, еще лучше описано в книге "кучеров д.п. "источники питания пк и периферии"".
посмотите (осцилографом), что на 4 выводе
 
serg_89Дата: Понедельник, 16.Июл.2012, 19:41 | Сообщение # 23
Участник
У вас сообщений: 50
Рентген
OFFлайн
Украина

Тернополь
Quote (prostopunk)
что на 4 выводе

відносно корпуса там 2,8В постоянки
 
prostopunkДата: Понедельник, 16.Июл.2012, 21:13 | Сообщение # 24
Участник
У вас сообщений: 59
электрокардиографы, мониторы
OFFлайн
Украина

Тернополь
... если на входе DTC(4) микросхемы больше 3,3В - выходные ключи полностью закрыты... (сработала защита). а так - ХЗ... схему надо срисовывать
 
AlexiumДата: Понедельник, 16.Июл.2012, 22:08 | Сообщение # 25
Инженер медтехник
OFFлайн
Российская Федерация

Саратов
- цитирую
"Для дистанционного выключения генератора можно внешним ключом замкнуть вход Rt (6) на выход ИОНа, или - замкнуть Ct на
землю. Разумеется, сопротивление утечки разомкнутого ключа должно учитываться при выборе Rt, Ct.
Вход контроля фазы покоя (скважности) через компаратор фазы покоя задает необходимую минимальную паузу между импульсами
в плечах схемы. Это необходимо как для недопущения сквозного тока в силовых каскадах за пределами ИС, так и для стабильной
работы триггера - время переключения цифровой части TL494 составляет 200 нс. Выходной сигнал разрешен тогда, когда пила на
Cт превышает напряжение на управляющем входе 4 (DT)."

Мерьте напряжения по всем входам, значения озвучьте
 
serg_89Дата: Среда, 18.Июл.2012, 12:07 | Сообщение # 26
Участник
У вас сообщений: 50
Рентген
OFFлайн
Украина

Тернополь
Quote (Alexium)
Выходной сигнал разрешен тогда, когда пила на Cт превышает напряжение на управляющем входе 4 (DT)."

на 5 виводе єсть импульси амплітодой 1,4В, а на 4 виводе 2,8В постоянки
 
solo46Дата: Среда, 19.Сен.2012, 15:05 | Сообщение # 27
Участник
У вас сообщений: 140
инженер-электронщик
OFFлайн
Российская Федерация

Курск
Quote (serg_89 , 16.Июл.2012))
а на выходе постоянное напряжение 18-21 В, в чом может быть причина??

на каких выводах конкретно?
 
prostopunkДата: Среда, 19.Сен.2012, 18:18 | Сообщение # 28
Участник
У вас сообщений: 59
электрокардиографы, мониторы
OFFлайн
Украина

Тернополь
на выходах (8 и 11) TL494 постоянное напряжение - выходные транзисторы (те, что внутри МС) - закрыты (впринципе - не удивительно - ведь напряжение на входе DTC (4) выше уровня пилы)
 
veveeleДата: Среда, 07.Ноя.2012, 20:04 | Сообщение # 29
Участник
У вас сообщений: 123
инженер
OFFлайн
Украина

Луцк
Схема силового блока
http://www.medteh.info/load/27-1-0-1873
dance2
 
serg_89Дата: Воскресенье, 17.Мар.2013, 19:33 | Сообщение # 30
Участник
У вас сообщений: 50
Рентген
OFFлайн
Украина

Тернополь
на вход оптопари йде пила наприжение 0,9 В, а виход оптопари постоянка 3,7В вчом тут проблема, может низкое наприжение на входе оптопари????
 
SeptДата: Воскресенье, 17.Мар.2013, 21:32 | Сообщение # 31
OFFлайн
Украина

Житомир
serg_89, выпаяй D5 и глянь что будет у нее на входах?
 
serg_89Дата: Вторник, 19.Мар.2013, 00:08 | Сообщение # 32
Участник
У вас сообщений: 50
Рентген
OFFлайн
Украина

Тернополь
Цитата (Sept)
выпаяй D5 и глянь что будет у нее на входах?

з выпаяной микросхемой на вход нее ыде пыла приблизно 2В unknown
 
klimmetallДата: Пятница, 06.Сен.2013, 13:51 | Сообщение # 33
Стажер
У вас сообщений: 8
электротехник
OFFлайн
Украина

Ясиновка
Аппарат при включении пишет "Err PE" и неначто не реагирует, проблема в плате индикации, т.к. менял местами с другого рабочего аппарата. Может кто сталкивался?
 
enjДата: Воскресенье, 08.Сен.2013, 17:26 | Сообщение # 34
Заглянувший
У вас сообщений: 2
инженер
OFFлайн
Украина

киев
Цитата (klimmetall)
Аппарат при включении пишет "Err PE" и неначто не реагирует, проблема в плате индикации, т.к. менял местами с другого рабочего аппарата. Может кто сталкивался?


Err PE - это обрыв пассивного электрода. АППАРАТ ПОЛНОСТЬЮ РАБОЧИЙ! Читайте паспорт. Данная ошибка может возникнуть при обрыве пассивного электрода или просто если не вставлен штекер пассивного электрода в монополярных режимах работы М1 и М2. На нажатие кнопок смены режима плата управления реагировать должна.

serg_89, хватит мучать аппарат! Отдайте его производителю. Адрес в паспорте: Украина, г.Киев, ул.Политехническая, 33, оф.406., тел.(044) 277-18-11. Максимальная стоимость постгарантийного ремонта, кажется, не более 350 грн. Время ремонта не более 1 недели. Ну это конечно при условии отсутствия вандализма. В Вашем случае ремонт, я думаю, после Вашего вмешательства обойдется гораздо дороже.
 
klimmetallДата: Вторник, 10.Сен.2013, 11:26 | Сообщение # 35
Стажер
У вас сообщений: 8
электротехник
OFFлайн
Украина

Ясиновка
Цитата (enj)
Err PE - это обрыв пассивного электрода. АППАРАТ ПОЛНОСТЬЮ РАБОЧИЙ! Читайте паспорт. Данная ошибка может возникнуть при обрыве пассивного электрода или просто если не вставлен штекер пассивного электрода в монополярных режимах работы М1 и М2. На нажатие кнопок смены режима плата управления реагировать должна.


Всё правильно, в некоторых моделях есть такой нюанс (не вставил штекер пассивного электрода, горит Err PE). В том аппарате что у меня, такого "опроса вставлен ли штекер" нет (т.е. все гнезда одинаковые маленькие). Более того, есть точно такой же нож, но рабочий. Тосуя между ними платы, было выявлено что проблема ИМЕННО С ПЛАТОЙ ИНДИКАЦИИ. Включили, горит Err PE, не на кнопки режимов, не на нажатия педали реакции нет. Может глюк прошивки?
 
enjДата: Среда, 11.Сен.2013, 15:30 | Сообщение # 36
Заглянувший
У вас сообщений: 2
инженер
OFFлайн
Украина

киев
Цитата (klimmetall)
Всё правильно, в некоторых моделях есть такой нюанс (не вставил штекер пассивного электрода, горит Err PE). В том аппарате что у меня, такого "опроса вставлен ли штекер" нет (т.е. все гнезда одинаковые маленькие). Более того, есть точно такой же нож, но рабочий. Тосуя между ними платы, было выявлено что проблема ИМЕННО С ПЛАТОЙ ИНДИКАЦИИ. Включили, горит Err PE, не на кнопки режимов, не на нажатия педали реакции нет. Может глюк прошивки?


Странно. Сообщение "Err PE" предусмотрено только для контроля обрыва пассивного электрода и идет в прошивках всех аппаратов модельного ряда "Надия-2" более новых версий. В старых версиях, где все гнезда одинаковые, такой ошибки просто не должно быть в самой прошивке. Разве что, если плата управления была переставлена от более новой версии прибора и не заведен сигнал обратной связи по цепи пассивного электрода на процессор платы управления. В этом случае будет выводится сообщение об обрыве пассивного электрода "Err PE".
 
VladykaДата: Среда, 17.Июл.2019, 21:32 | Сообщение # 37
Участник
У вас сообщений: 187
Инженер-электронщик
OFFлайн
Украина

Донецк(ДНР)
Так какое же возможный выход из ситуации при ошибке Err PE???

<-------V/'L'@Дb)KA------->
 
  • Страница 1 из 1
  • 1
Поиск:



Статистика Форума
Последние обновления тем: Новые файлы хранилища: Новые участники: Top10 участников:
1. Помощь в техобслужива...[dzyatel (29.Май.2026)]
2. Аппараты НЧ электроте...[aleksan (28.Май.2026)]
3. При операции с примен...[susel63 (28.Май.2026)]
4. Техническая поддержка...[UPZ (25.Май.2026)]
5. MOVIPLAN (УниКоРД-МТ)...[SpirituS (24.Май.2026)]
6. Аппарат магнитотерапе...[SpirituS (24.Май.2026)]
7. Стоматустановка K3 ф....[zizeroman (24.Май.2026)]
8. Анализатор гематологи...[fred1 (22.Май.2026)]
9. ЭХВЧ-400 ск-"Ник...[Olegosh (21.Май.2026)]
1. Apollo EZ service man...[25.Дек.2025]
2. VIVIX Setup Operation...[12.Окт.2025]
3. GenwareMP[10.Сен.2025]
4. Настройка реагентов M...[20.Авг.2025]
5. Philips HD3-EXP[13.Авг.2025]
6. Рентгеновское оборудо...[08.Авг.2025]
7. VersaMed iVent201 Сер...[13.Фев.2025]
8. Гелпик КРД Ренекс РЦ ...[09.Фев.2025]
9. Офтальмологическая ус...[31.Окт.2024]
10. Cardinal-Health-VELA-...[03.Окт.2024]
1. vapinic[29.Май.2026]
2. wenderer861[28.Май.2026]
3. karabas1167[28.Май.2026]
4. Paulus[28.Май.2026]
5. hismatulinaKsenia[28.Май.2026]
6. nefrid12[28.Май.2026]
7. roser362[27.Май.2026]
8. Romany4777[27.Май.2026]
9. RVA-59[27.Май.2026]
10. Dream_29[26.Май.2026]
МастерБаку[583]
Yulana34[177]
Serg74[160]
Dimitrius[129]
naves[122]
РОМУЛ[121]
bektyish[121]
madmac[116]
Алекс-200[114]
генаf[112]