Вход
Регистрация
[
Новые сообщения
·
Участники
·
Правила форума
·
Поиск
·
RSS
]
Страница
1
из
1
1
Модератор форума:
genvik
,
енот
Форум медтехников
»
Медицинское оборудование (тех. разделы)
»
Функционально диагностическое оборудование
»
МТЦ 301.04.301 БП от ЭКГ "Р-Д"
МТЦ 301.04.301 БП от ЭКГ "Р-Д"
nikolai-m71
Дата: Четверг, 14.Авг.2014, 10:59 | Сообщение #
1
Участник
У вас сообщений:
169
инженер
OFFлайн
Российская Федерация
Ниж. Нов.
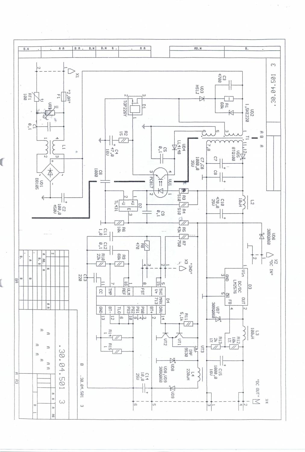
Здравствуйте.
Поступил в ремот БП МТЦ 301.04.301 от ЭКГ "Р-Д" от какого именно не знаю.
Подскажите какие два напряжения он должен выдавать и на какие выводы.
А если есть схема, то великое спасибо. Бог Вас не забудет.
Medcom
Дата: Вторник, 19.Авг.2014, 12:25 | Сообщение #
2
Стажер
У вас сообщений:
44
Ремонт и обслуживание РЭА
OFFлайн
Российская Федерация
Россия
Посмотри,вроде такая схема
8404211.jpg
(135.9 Kb)
nikolai-m71
Дата: Четверг, 21.Авг.2014, 18:19 | Сообщение #
3
Участник
У вас сообщений:
169
инженер
OFFлайн
Российская Федерация
Ниж. Нов.
Medcom
,
Большое спасибо.
Оказался не пропай. Вопрос решён. Надо съездить, проверить, заодно узнать от какого ЭКГ он.
Форум медтехников
»
Медицинское оборудование (тех. разделы)
»
Функционально диагностическое оборудование
»
МТЦ 301.04.301 БП от ЭКГ "Р-Д"
Страница
1
из
1
1
Главная страница форума
Медицинское оборудование (тех. разделы)
Правила раздела медицинского оборудования!
Другая медицинская техника
Хирургическое оборудование.
Эндоскопическое оборудование
Функционально диагностическое оборудование
Лабораторное оборудование
Рентгеновское оборудование.
Физиотерапевтическое оборудование.
Стоматологическое оборудование.
Стерилизационное оборудование
УЗИ оборудование
Компьютерные и магниторезонансные томографы
Ангиографы
Реанимационное оборудование
Наркозно-дыхательное оборудование
Оборудование урологии и очищения крови(гемодиализ)
Служба крови
ДЛЯ НАЧИНАЮЩИХ
Архив др. мед.техника
Архив для Хирургии
Архив для диагностики
Архив для лаборатории
Архив для рентгена
Архив для физиотерапии
Архив для стоматологии
Архив для стерилизации
Архив для УЗИ
Архив для МРТ
Архив (ангиографии)
Архив для реанимации
Архив для наркозного
Архив (гемодиализа)
Архив для службы крови
Косметологическое оборудование
Офтальмологическое оборудование и микроскопы
PACS-система для медицинских учреждений
Теоретические основы медицинского приборостроения
Физические принципы построения некоторых видов мд. техники
Рентгены, Компьютерная томография, МРТ
Стерилизация
Лабораторное оборудование
Ультразвук
Диагностическое оборудование
Гемодиализ
Технический флейм
Технический флейм
Радиодетали (информация по электронным компонентам)
Компьютеры
Компьютеры, железо, программное обеспечение.
Бытовка
Схемы
Что ищем?
Информационный раздел
Заявки
Организация деятельности Медтехников
Вопросы и ответы по организации работ и их оплаты
Лицензирование технического обслуживания МЕДТЕХНИКИ
Для производителей и поставщиков
Новинки! (кино, книги, компьютерные технологии...)
Курилка
Администрация форума
Корзина
АРХИВ (Схемы)
Закрытый свободный технический
Поиск:
Статистика Форума
Последние обновления тем:
Новые файлы хранилища:
Новые участники:
Top10 участников:
1.
Техническая поддержка...
[
UPZ
(25.Май.2026)]
2.
MOVIPLAN (УниКоРД-МТ)...
[
SpirituS
(24.Май.2026)]
3.
Аппарат магнитотерапе...
[
SpirituS
(24.Май.2026)]
4.
Стоматустановка K3 ф....
[
zizeroman
(24.Май.2026)]
5.
Анализатор гематологи...
[
fred1
(22.Май.2026)]
6.
ЭХВЧ-400 ск-"Ник...
[
Olegosh
(21.Май.2026)]
7.
Анализатор биохимичес...
[
laverse
(19.Май.2026)]
8.
Аппарат Luminos 2011 ...
[
medplus
(13.Май.2026)]
9.
УЗИ SonoAce X8 ф.Sams...
[
valentin17
(13.Май.2026)]
все новые сообщения
1.
Apollo EZ service man...
[25.Дек.2025]
2.
VIVIX Setup Operation...
[12.Окт.2025]
3.
GenwareMP
[10.Сен.2025]
4.
Настройка реагентов M...
[20.Авг.2025]
5.
Philips HD3-EXP
[13.Авг.2025]
6.
Рентгеновское оборудо...
[08.Авг.2025]
7.
VersaMed iVent201 Сер...
[13.Фев.2025]
8.
Гелпик КРД Ренекс РЦ ...
[09.Фев.2025]
9.
Офтальмологическая ус...
[31.Окт.2024]
10.
Cardinal-Health-VELA-...
[03.Окт.2024]
1.
nefrid12
[28.Май.2026]
2.
roser362
[27.Май.2026]
3.
Romany4777
[27.Май.2026]
4.
RVA-59
[27.Май.2026]
5.
Dream_29
[26.Май.2026]
6.
89503843712
[26.Май.2026]
7.
Divan
[26.Май.2026]
8.
lavvila
[26.Май.2026]
9.
roser
[25.Май.2026]
10.
malakhov_dmitry
[25.Май.2026]
МастерБаку
[583]
Yulana34
[177]
Serg74
[160]
Dimitrius
[129]
naves
[122]
РОМУЛ
[121]
bektyish
[121]
madmac
[116]
Алекс-200
[114]
генаf
[112]
Главная
Форум
О сайте
Файлы
Статьи
Блог
Ссылки
Объявления
Сертификаты
Отзывы
FAQ
☝
☟