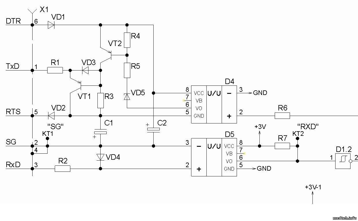
короче воткнул я панельку на это место, разместил два оптрона (6N135), подсоединил к COM-порту. включаю-выключаю, через HyperTerminal смотрю - ничего не вижу. чего-то там еще есть. может дело в дырках с вопросами на фото?
посмотрел тестером питание оптрона со стороны интерфейса - не поступает (сигнал DTR (+12В) поднят). значит питается из точки с вопросом (см. фото). осциллограф показывает что импульсы от PIC-а к интерфейсу (в сторону оптронов) идут и изменяются при замыкании всех электродов. может DC/DC-преобразователь в эти точки ставиться? а какой?
где питание рубится от DTR и для чего? 