[ Новые сообщения · Участники · Правила форума · Поиск · RSS ]



  • Страница 2 из 3
  • «
  • 1
  • 2
  • 3
  • »
Модератор форума: genvik, енот  
ЭКГ ЭК1Т-1/3-07 "Аксион"
Alhimik11Дата: Четверг, 04.Июн.2015, 09:04 | Сообщение # 41
Участник
У вас сообщений: 70
Медтехник
OFFлайн
Российская Федерация

Архангельск
Очень быстро садиться аккумулятор даже в выключенном состоянии.
Аккумулятор менял, зарядка идёт.
Что может быть?
 
yblod5Дата: Четверг, 04.Июн.2015, 10:39 | Сообщение # 42
У вас сообщений: 788
Сервис-инженер
OFFлайн
Российская Федерация

Владивосток
Плохой аккумулятор попался, сделай диагностический тест аккумулятору ...
 
Alhimik11Дата: Пятница, 05.Июн.2015, 15:31 | Сообщение # 43
Участник
У вас сообщений: 70
Медтехник
OFFлайн
Российская Федерация

Архангельск
Уже 2 сменил, эффект тот же.
 
yblod5Дата: Пятница, 05.Июн.2015, 16:43 | Сообщение # 44
У вас сообщений: 788
Сервис-инженер
OFFлайн
Российская Федерация

Владивосток
Цитата Alhimik11 ()
Что может быть?

По идее, должны быть сервисные тесты. Сначала вытащи АКК и присоедени проводами, измерь ток-напряжение заряд-разряд, чтоб приблизительно обозначить характер дефекта. Нарисуй график по времени. Затем вскрытие, измерения, может недозаряд, можь "воровайка" какая не отключается (по нагреву можно вычислить).


Сообщение отредактировал yblod5 - Пятница, 05.Июн.2015, 16:55
 
uriknuДата: Понедельник, 08.Июн.2015, 14:26 | Сообщение # 45
Стажер
У вас сообщений: 9
инженер
OFFлайн
Российская Федерация

новоуральск
Цитата zuki-56 ()
меня проблема, когда включаю аппарат, экран включается, надпись аксион и версия, больше нечего не делает, не могли бы подсказать(((

Как то решили проблему? А то у меня один в один...
 
Alhimik11Дата: Четверг, 11.Июн.2015, 14:32 | Сообщение # 46
Участник
У вас сообщений: 70
Медтехник
OFFлайн
Российская Федерация

Архангельск
Спасибо за подсказку.
Сильно греется один элемент, свежей схемы нет, поэтому опознать его не могу.
 
yblod5Дата: Четверг, 11.Июн.2015, 15:22 | Сообщение # 47
У вас сообщений: 788
Сервис-инженер
OFFлайн
Российская Федерация

Владивосток
Сфотай, опознаем ...
 
Alhimik11Дата: Понедельник, 15.Июн.2015, 13:47 | Сообщение # 48
Участник
У вас сообщений: 70
Медтехник
OFFлайн
Российская Федерация

Архангельск
Вот он!
3743912.jpg (119.6 Kb)
 
ShabalinДата: Среда, 17.Июн.2015, 21:40 | Сообщение # 49
Стажер
У вас сообщений: 10
Сервис инженер
OFFлайн
Российская Федерация

Казань
Подскажите, пожалуйста, какие коннекторы используются для подключения аккумулятора в ЭКГ ЭК1Т- 07 "Аксион"?
Может кто знает, где можно приобрести. mad


Ivanich
 
novichok2015Дата: Среда, 09.Сен.2015, 13:02 | Сообщение # 50
Стажер
У вас сообщений: 20
техник
OFFлайн
Российская Федерация

Красновишерск
Alhimik11,это стабилизатор MC78LC50NTR корпус sot 23-5

Сообщение отредактировал novichok2015 - Среда, 09.Сен.2015, 13:04
 
novichok2015Дата: Четверг, 17.Сен.2015, 12:23 | Сообщение # 51
Стажер
У вас сообщений: 20
техник
OFFлайн
Российская Федерация

Красновишерск
ЭК1Т-1/3-07 Аксион не включается, на кнопки не реагирует,батарея 7,4в. Зарядка идет, светодиод зарядки горит, в нескольких точках платы есть питание. Проверка деталей мультиметром ничего не дала. Плата многослойная, проследить-вызвонить цепи нереально. Может, есть у кого схема, а еще лучше сервис мануал?
ukandras, можете выложить инструкцию в хранилище?
 
енотДата: Суббота, 19.Сен.2015, 00:41 | Сообщение # 52
функциональная диагностика
OFFлайн
Российская Федерация

При включении горит ли светодиод "Разряд", есть ли писк, появляются ли квадраты на дисплее? Во-первых, аппарат не включится, если не подключена плата усилителя ЭКГ. Во-вторых, часто имеет место плохой контакт и отвал пайки проводов идущих к кнопке включения, предохранителю, плате. В третьих, очень часто теряется контакт в кроватке процессора (вытащить проц, почитсить его ножки и внутренности кроватки, затем загнутой иголкой чуть отогнуть каждую ножку в кроватке и вставить проц обратно). Так же посмотрите пайку на дросселях возле термопринтера и прозвоните сдвоенный диод.
 
novichok2015Дата: Вторник, 22.Сен.2015, 13:51 | Сообщение # 53
Стажер
У вас сообщений: 20
техник
OFFлайн
Российская Федерация

Красновишерск
Светодиод разряд не горит,заряд-горит при подключении БП. Плату усилителей вынул/вставил 2 раза -на дисплее появилась заставка с логотипом фирмы и надписью ver 1.11.02, при нажатии разных кнопок появляется писк - чередуются длинные и короткие сигналы, разные комбинации - коды ошибок? Проц впаян. На дросселях питание есть на обоих выводах.

Сообщение отредактировал novichok2015 - Вторник, 22.Сен.2015, 13:57
 
Alhimik11Дата: Четверг, 01.Окт.2015, 08:40 | Сообщение # 54
Участник
У вас сообщений: 70
Медтехник
OFFлайн
Российская Федерация

Архангельск
Заменил стабилизатор MC78LC50NTR корпус sot 23-5, все равно греется и садит аккумулятор. mad
 
andrameda2003Дата: Воскресенье, 04.Окт.2015, 17:21 | Сообщение # 55
Стажер
У вас сообщений: 20
'электромеханик
OFFлайн
Российская Федерация

Чебоксары
zuki-56, добрый день.
Как решили вопрос с Аксионом, включение, версия и тишина.
Заранее спасибо.
 
novichok2015Дата: Четверг, 08.Окт.2015, 06:52 | Сообщение # 56
Стажер
У вас сообщений: 20
техник
OFFлайн
Российская Федерация

Красновишерск
Alhimik11, проверяйте нагрузку, которая питается от него; конечно, без схемы муторно, но куда деваться ...
 
aduardДата: Вторник, 26.Апр.2016, 13:41 | Сообщение # 57
Участник
У вас сообщений: 65
электромеханик
OFFлайн
Российская Федерация

казань
при переключении кнопки на панели управления(0) с авто , аппарат не переходит на ручной режим

гайнулин

Сообщение отредактировал aduard - Вторник, 26.Апр.2016, 15:28
 
aduardДата: Среда, 27.Апр.2016, 11:16 | Сообщение # 58
Участник
У вас сообщений: 65
электромеханик
OFFлайн
Российская Федерация

казань
ОТПРАВИЛИ НА ЗАВОД ИЗГОТОВИТЕЛЬ НЕОБХОДИМО ЗАМЕНИТЬ КОМАНДОКОНТРОЛЕР Д28

гайнулин
 
nikdimДата: Четверг, 16.Июн.2016, 13:08 | Сообщение # 59
Стажер
У вас сообщений: 18
стажер
OFFлайн
Российская Федерация

Орел
Уважаемые участники форума, возникла такая проблема: медсестры потеряли ось для подачи бумаги в принтере на данном аппарате. Есть ли у кого-нибудь такой же списанный аппарат или похожий кардиограф с шириной бумаги 58 мм с данной осью? Мне нужна только ось.
 
YRA46Дата: Четверг, 16.Июн.2016, 13:52 | Сообщение # 60
Стоматология, Стерилизация
OFFлайн
Российская Федерация

г. Курск
Какая ось? бумага там просто лежит.
Или речь о прорезиненном валике ЛМП? Как её можно потерять?
Если последняя модификация, то там тоже проблемно её вытащить.
 
nikdimДата: Четверг, 16.Июн.2016, 16:40 | Сообщение # 61
Стажер
У вас сообщений: 18
стажер
OFFлайн
Российская Федерация

Орел
Да, там прорезиновый валик. Как потеряли, тоже не понял.
 
YRA46Дата: Понедельник, 20.Июн.2016, 10:58 | Сообщение # 62
Стоматология, Стерилизация
OFFлайн
Российская Федерация

г. Курск
фотку аппарата в студию. Такой?

http://www.medrk.ru/shop....d-22398

или такой?

http://www.promsnab.dn.ua/index.php?&sub=200&cat=5141&id=62625
 
ybrbgh12Дата: Понедельник, 20.Июн.2016, 11:25 | Сообщение # 63
Стажер
У вас сообщений: 4
Инженер по МО
OFFлайн
Российская Федерация

Казань
http://www.promsnab.dn.ua/index.php?&sub=200&cat=5141&id=62625 есть такой списанный!
 
RivegaДата: Понедельник, 29.Авг.2016, 19:10 | Сообщение # 64
Заглянувший
У вас сообщений: 1
инженер
OFFлайн
Российская Федерация

г. Санкт-Петербург
LeraD, добрый день.
Если не сложно, поделитесь, пожалуйста, программой для ЭК1Т-1/3–07 «АКСИОН».
Заранее благодарен.


Обьединяя лучшее создаем совершенное
 
зампотехДата: Суббота, 19.Ноя.2016, 08:41 | Сообщение # 65
Заглянувший
У вас сообщений: 1
техник
OFFлайн
Российская Федерация

Подольск
Доброго дня всем!
Приобрели чудо ЭК1Т-1/3–07 «АКСИОН» Аппарат работает, на комп. установился. Лучше бы производители вообще не писали про возможность работы с компьютером, т.к. кроме просмотра ЭКГ и данных пациента ничего и не увидишь. Элементарных промеров которые есть на пленке на печать не выводится. Может есть у кого самая простейшая программка под него с отображением результатов и возможностью написать заключение.
Заранее всем признателен!
 
Hunter66Дата: Понедельник, 06.Мар.2017, 13:21 | Сообщение # 66
Стажер
У вас сообщений: 5
Инженер
OFFлайн
Российская Федерация

Москва
8.1 полёт нормальный , но функционал программного обеспечения удручает
 
korusДата: Четверг, 01.Июн.2017, 15:10 | Сообщение # 67
Заглянувший
У вас сообщений: 1
инженер-программист
OFFлайн
Российская Федерация

Кемерово
Нормальной программы для ЭК1Т-1/3–07 так и не появилось? Которая с диском ECG не в счет (если она не обновилась уже).
 
YuriДата: Четверг, 01.Июн.2017, 18:41 | Сообщение # 68
Техник
У вас сообщений: 323
инженер
OFFлайн
Российская Федерация

Россия
Да нет у них нормального софта ... Даже для аппарата, заявленного, как телеЭКГ ... Никаких измерений, так - картинка бесполезная.
 
qwortДата: Пятница, 10.Ноя.2017, 14:40 | Сообщение # 69
Стажер
У вас сообщений: 4
Инженер
OFFлайн
Российская Федерация

Челябинск
Цитата zuki-56 ()
У меня проблема, когда включаю аппарат, экран включается, надпись аксион и версия, больше нечего не делает, не могли бы подсказать(((

Проблема точно такого же плана. Видать прошивки летят. Написал производителю, ответа ноль, это огорчает конечно.
 
naurДата: Понедельник, 20.Май.2019, 11:44 | Сообщение # 70
Стажер
У вас сообщений: 9
predsedatel"
OFFлайн
Российская Федерация

naur
Добрый день.
Народ, вот такая проблема с ЭКГ ЭК1Т-1/3-07, "Аксион"снимок прилагается.
Подскажите в чём может быть причина? ...
7332294.jpg (45.0 Kb)


naurcrb
 
rudakovДата: Понедельник, 20.Май.2019, 11:45 | Сообщение # 71
Участник
У вас сообщений: 55
электронщик
OFFлайн
Российская Федерация

Новосибирск
Подскажите, что может быть, прут помехи сравнимые с основным сигналом, не могу избавиться!?? ireful
 
aleksanДата: Понедельник, 20.Май.2019, 11:45 | Сообщение # 72
Участник
У вас сообщений: 133
инженер эл.техн.
OFFлайн
Казахстан

Как пытался - напиши ...
 
rudakovДата: Понедельник, 20.Май.2019, 11:45 | Сообщение # 73
Участник
У вас сообщений: 55
электронщик
OFFлайн
Российская Федерация

Новосибирск
Да сразу и не опишешь, в основном конденсаторы и земельки, проверял. ireful
 
gennadrДата: Понедельник, 20.Май.2019, 11:45 | Сообщение # 74
Стажер
У вас сообщений: 43
инженер по ремонту
OFFлайн
Украина

николаев
Ставил ли заведомо нормальный кабель отведений?
Как правило, большая часть проблем в нём.
 
gazillaДата: Вторник, 17.Авг.2021, 10:01 | Сообщение # 75
Стажер
У вас сообщений: 7
Мед. инженер
OFFлайн
Российская Федерация

Ставрополь
Всем здравствуйте.
Помогите, пожалуйста, выявить неисправность с аппаратом "Аксион" ЭК1Т-1/3-07 2019 г.в.
Два аппарата с одинаковой проблемой: шумы и ритм сердца инициируются даже при отключённых отведениях и работы от акб; лёгкие касания металлического корпуса разъёма подключения также инициируют сигнал ритма и аппарат оповещает о кардиостимуляторе.
Состояние разъёма отличное, соединение нижнего экрана под платой с землей не дало никакого результата, с отведениями также имеются шумы. С новыми, от другого производителя, отведениями сигнал ещё хуже.
Подскажите, кто что знает:
Где искать проблему?
Что проверять?
Может у кого-то схема найдётся на данный аппарат?
4636638.jpg (192.6 Kb)


Сообщение отредактировал gazilla - Среда, 18.Авг.2021, 09:28
 
CyMPaKДата: Пятница, 03.Мар.2023, 07:40 | Сообщение # 76
Стажер
У вас сообщений: 13
Инженер
OFFлайн
Российская Федерация

Чита
День добрый.
Проблема с "Аксион" ЭК1Т-1/3-07 2013 г.
При включении не запускается, зависает на версии ПО.
Возможно слетела прошивка, кто-нибудь сталкивался с такой проблемой, и где искать проблему?
 
sokowygimalkaДата: Понедельник, 06.Мар.2023, 15:36 | Сообщение # 77
Заглянувший
У вас сообщений: 3
инженер по ремонту мед оборудования
OFFлайн
Российская Федерация

Самара
Добрый день, уважаемые знатоки.
Аппарат "Аксион" ЭК1Т-1/3-07, при работе от сети по всем отведениям прут помехи, от аккумулятора - всё хорошо.
Что это и как с этим бороться.
Пробовал с двух кабель-пациентов, одинаково.
Помогите, пожалуйста.
 
Papa_CarloДата: Четверг, 30.Мар.2023, 16:44 | Сообщение # 78
Стажер
У вас сообщений: 47
Специалист по Буратинам
OFFлайн
Российская Федерация

San Miniato al Monte
Цитата CyMPaK ()
Проблема с "Аксион" ЭК1Т-1/3-07 2013 г.
При включении не запускается, зависает на версии ПО.
Возможно слетела прошивка, кто-нибудь сталкивался с такой проблемой, и где искать проблему?
Последовательность диагностики при такой неисправности:
1. Если на дисплее есть изображение экрана загрузки – процессор на верхней плате исправен;
2. Для определения неисправной микросхемы на нижней плате необходимо отпаять микросхему D27 (ISO7521CDW), соединить на плате выводы 4-13 и 5-12 через резисторы 1 кОм, соединить между собой земли GND И AGND, после чего собрать платы и включить кардиограф. Появление нормального изображения на дисплее говорит о неисправности микросхемы D27 (чаще всего), если ничего не изменится – неисправен микропроцессор D25 (STM32F103T8U6). После устранения неисправностей необходимо произвести калибровку прибора, согласно указаниям завода-изготовителя.
 
ToxaESДата: Среда, 03.Май.2023, 13:41 | Сообщение # 79
Стажер
У вас сообщений: 11
Ведущий инженер
OFFлайн
Российская Федерация

Брянск
Здравствуйте, коллеги!
Проблема с "Аксион" ЭК1Т-1/3-07 2021 г.
Зависает при передаче кардиограммы по GSM на моменте "ожидание готовности к приёму письма".
Все настройки верны, дата\время в норме, с оператором всё в порядке, флешка чистая.
Что может быть?
Где искать проблему?
 
BatooДата: Среда, 11.Сен.2024, 13:47 | Сообщение # 80
Стажер
У вас сообщений: 13
инженер электронщик
OFFлайн
Российская Федерация

Улан-Удэ
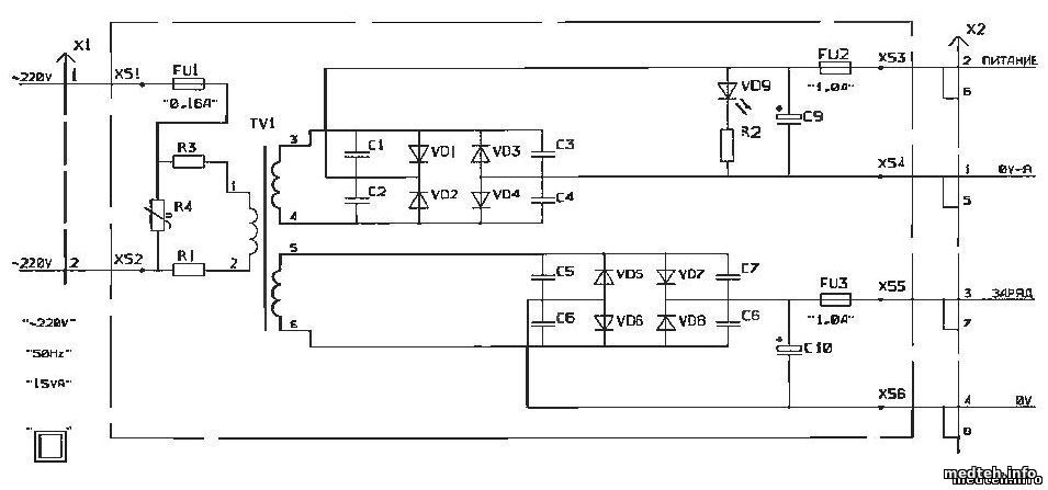
XS5 чёрный, XS6 белый, XS4 красный, Xs3 жёлтый.
Это я к тому, что на картинке не подписаны цвета проводов, и чтоб не вскрывать БП, сюда сохраню, потом БАЦ ! Надо и тут есть)
1080811.jpg (45.7 Kb)
 
  • Страница 2 из 3
  • «
  • 1
  • 2
  • 3
  • »
Поиск:



Статистика Форума
Последние обновления тем: Новые файлы хранилища: Новые участники: Top10 участников:
1. Анализатор поля зрени...[SpirituS (04.Дек.2025)]
2. Программный комплекс ...[mqubali (04.Дек.2025)]
3. Кардиорегистратор «ИК...[albano18 (04.Дек.2025)]
4. Thermo Scientific gem...[viggen (03.Дек.2025)]
5. Центрифуга CM-6M ф.El...[Ningen64 (03.Дек.2025)]
6. Дефибриллятор Defi B ...[san-che30 (02.Дек.2025)]
7. Коллиматор Ralco R 22...[seeker (02.Дек.2025)]
8. КУПЛЮ/ПРИМУ в дар при...[seabee (02.Дек.2025)]
9. Центрифуга MiniSpin P...[AntonioPetty (01.Дек.2025)]
1. VIVIX Setup Operation...[12.Окт.2025]
2. GenwareMP[10.Сен.2025]
3. Настройка реагентов M...[20.Авг.2025]
4. Philips HD3-EXP[13.Авг.2025]
5. Рентгеновское оборудо...[08.Авг.2025]
6. VersaMed iVent201 Сер...[13.Фев.2025]
7. Гелпик КРД Ренекс РЦ ...[09.Фев.2025]
8. Офтальмологическая ус...[31.Окт.2024]
9. Cardinal-Health-VELA-...[03.Окт.2024]
10. Service Manual HAMILT...[02.Окт.2024]
1. Intellect[05.Дек.2025]
2. Romanivanov[05.Дек.2025]
3. igogoigogo[05.Дек.2025]
4. 1rishka[04.Дек.2025]
5. L_V_N[04.Дек.2025]
6. ИвановИИ[04.Дек.2025]
7. Alex_U[04.Дек.2025]
8. Yarikus03[03.Дек.2025]
9. EvaLen[03.Дек.2025]
10. dankurets[03.Дек.2025]
МастерБаку[583]
Yulana34[177]
Serg74[160]
Dimitrius[129]
naves[122]
РОМУЛ[121]
bektyish[121]
madmac[116]
Алекс-200[114]
begun_a[112]