[ Новые сообщения · Участники · Правила форума · Поиск · RSS ]



  • Страница 1 из 1
  • 1
Модератор форума: zx19  
Вошер MW-12A ф.Mindray, Китай
belreamedДата: Среда, 05.Авг.2015, 13:14 | Сообщение # 1
Стажер
У вас сообщений: 16
инженер
OFFлайн
Беларусь

минск
Коллеги, добрый день!
Проблема такая, пропал контраст на монохромном дисплее промывателя планшет ИФА (вошер) MW-12A китайской фирмы Mindray, почти ничего не читается.
Подскажите, пожалуйста, в чём может быть проблема?

.
Мужики, не в тему, НО ВАЖНО !!! Вы там когда с мембранами и шлангами ковыряетесь, помните, ЧТО по ним при работе вошера прокачивается.
Соблюдайте санэпидрежим! Перчатки одевайте, всю эту гидравлику предварительно дезинфицируйте. Берегите себя!
 
doctor_farshДата: Среда, 05.Авг.2015, 13:25 | Сообщение # 2
У вас сообщений: 792
инженер по ремонту медоборудования
OFFлайн
Российская Федерация

Благовещенск
Не могу сказать точно по миндрэям (если только на плате нет резюка подстроечного), ещё контраст, как сейчас помню, на BIORAD.
Регулировался при выключеном аппарате, зажималась одна из кнопок и включалось питание - может и здесь такая же вещь ...
 
eroigorДата: Четверг, 06.Авг.2015, 08:03 | Сообщение # 3
Завсегдатай
У вас сообщений: 275
Cервисный инженер
OFFлайн
Российская Федерация

IzheVWsk
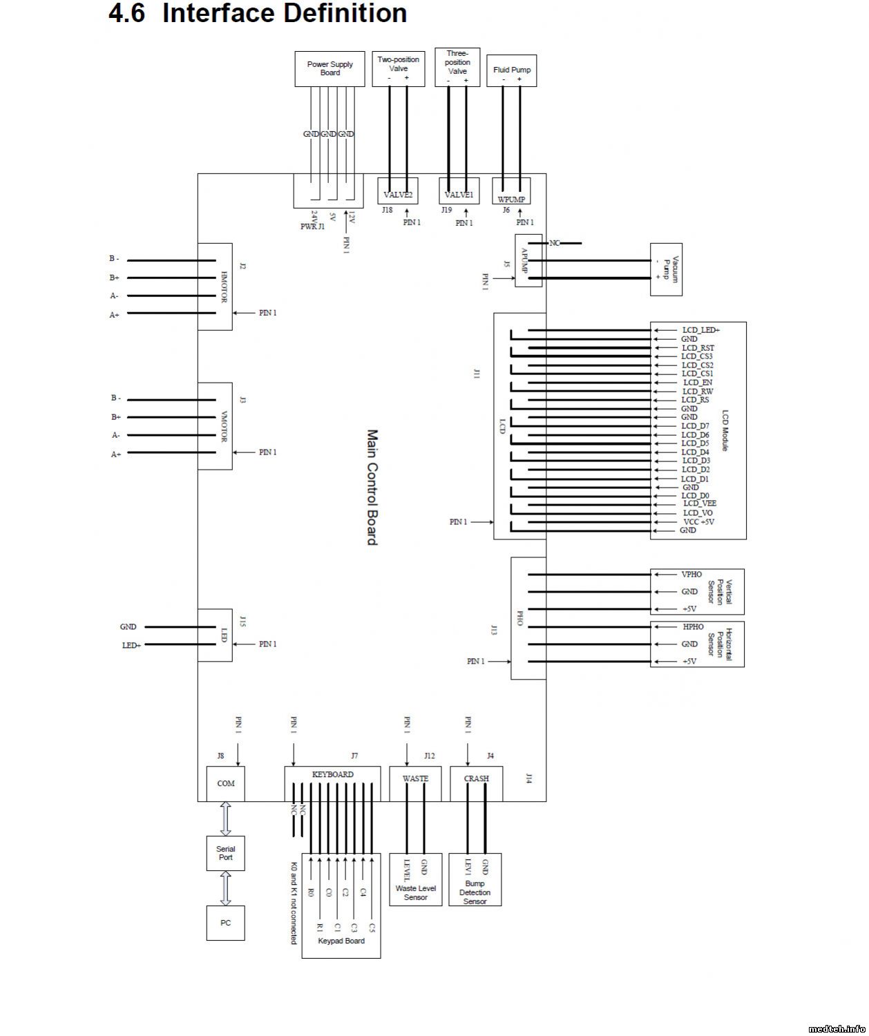
The LCD module, which is a standard low-voltage graphic dot-matrix one, has a LCD
controller KS0108 and an integrated DDRAM. The module is operated by specific
control sequences and instructions


Игорь
 
eroigorДата: Четверг, 06.Авг.2015, 08:10 | Сообщение # 4
Завсегдатай
У вас сообщений: 275
Cервисный инженер
OFFлайн
Российская Федерация

IzheVWsk
Схему добавил:
8329619.jpg (108.6 Kb)


Игорь
 
belreamedДата: Четверг, 06.Авг.2015, 10:17 | Сообщение # 5
Стажер
У вас сообщений: 16
инженер
OFFлайн
Беларусь

минск
Коллеги, спасибо большое за помощь!
Проблема решилась зачисткой контактов на main control board.
 
d4rkfl4meДата: Вторник, 14.Мар.2017, 15:57 | Сообщение # 6
Стажер
У вас сообщений: 20
Ведущий сервис-специалист
OFFлайн
Казахстан

Алматы
Добрый день!
Приехал на диагностику и ремонт оборудования в ЛДВ Кыргызстана и столкнулся с таким зверем, как промыватель планшет ИФА Mindray MW-12A (он стоит почти во всех СПИД-центрах здесь). Проблема выскочила следующая: прибор не аспирирует жидкость при промывке/прайминге. Согласно мануалу пользователя проверил все трубки, плотно ли закручены крышки бутылей реагентов, проверил гребенку на предмет засора - все чисто. Подозрение пока падает на моторчик аспирирующего насоса, правда, как к нему подобраться - не пойму.
Кто-нибудь располагает сервисным мануалом на этот аппарат?
И на что ещё можно в нём грешить при указанной проблеме?
2948330.jpg (790.5 Kb)
 
S1mb4_yoДата: Вторник, 26.Фев.2019, 10:40 | Сообщение # 7
Стажер
У вас сообщений: 7
Рентген - техник
OFFлайн
Российская Федерация

Новосибирск
Всем доброго времени суток.
Подскажите, где купить недорого 5-ть бутылей (для буфера, для буфера А, В, для слива, для промывающего раствора).

Или подскажите какой-нибудь аналог или из чего можно сделать самому.

Заранее спасибо.
 
cuporaincДата: Понедельник, 23.Май.2022, 12:55 | Сообщение # 8
Стажер
У вас сообщений: 20
сервис инженер
OFFлайн
Беларусь

Минск
Добрый день, коллеги
Может кто знает, где купить помпу для такого вошера (Mindray MW-12A Microplate THOMAS air pump)?
 
AlexiumДата: Вторник, 24.Май.2022, 08:05 | Сообщение # 9
Инженер медтехник
OFFлайн
Российская Федерация

Саратов
Цитата cuporainc ()
Может кто знает, где купить помпу для такого вошера (Mindray MW-12A Microplate THOMAS air pump)?

На АлиЭкспресс, у официального дилера Миндрэй, в булочной за углом.
 
cuporaincДата: Среда, 25.Май.2022, 09:30 | Сообщение # 10
Стажер
У вас сообщений: 20
сервис инженер
OFFлайн
Беларусь

Минск
На Алиэкспересс есть затруднения с оплатой из РБ, у официалов ничего нет, под заказ минимум 75 дней.
Может у кого донор есть? ...
 
AlexiumДата: Среда, 25.Май.2022, 10:11 | Сообщение # 11
Инженер медтехник
OFFлайн
Российская Федерация

Саратов
cuporainc, что с ней случилось?
 
Sokorutov2013Дата: Пятница, 09.Дек.2022, 16:55 | Сообщение # 12
Стажер
У вас сообщений: 16
Лабораторная диагностика
OFFлайн
Российская Федерация

Якутск
Здравствуйте.
Поделитесь, пожалуйста, инструкцией от данного вошера.
 
  • Страница 1 из 1
  • 1
Поиск:



Статистика Форума
Последние обновления тем: Новые файлы хранилища: Новые участники: Top10 участников:
1. Aution max AX-4030, т...[MasterSkif (08.Дек.2025)]
2. Замена светодиода на ...[Shturman (05.Дек.2025)]
3. Анализатор поля зрени...[SpirituS (04.Дек.2025)]
4. Программный комплекс ...[mqubali (04.Дек.2025)]
5. Кардиорегистратор «ИК...[albano18 (04.Дек.2025)]
6. Thermo Scientific gem...[viggen (03.Дек.2025)]
7. Центрифуга CM-6M ф.El...[Ningen64 (03.Дек.2025)]
8. Дефибриллятор Defi B ...[san-che30 (02.Дек.2025)]
9. Коллиматор Ralco R 22...[seeker (02.Дек.2025)]
1. VIVIX Setup Operation...[12.Окт.2025]
2. GenwareMP[10.Сен.2025]
3. Настройка реагентов M...[20.Авг.2025]
4. Philips HD3-EXP[13.Авг.2025]
5. Рентгеновское оборудо...[08.Авг.2025]
6. VersaMed iVent201 Сер...[13.Фев.2025]
7. Гелпик КРД Ренекс РЦ ...[09.Фев.2025]
8. Офтальмологическая ус...[31.Окт.2024]
9. Cardinal-Health-VELA-...[03.Окт.2024]
10. Service Manual HAMILT...[02.Окт.2024]
1. Nurgazy[12.Дек.2025]
2. alviola[12.Дек.2025]
3. ServicTeh[12.Дек.2025]
4. Maks_M[12.Дек.2025]
5. barguz94[11.Дек.2025]
6. tasin[11.Дек.2025]
7. alabay[11.Дек.2025]
8. tolikhelp[11.Дек.2025]
9. Daswer[10.Дек.2025]
10. Zhenysoglasis[10.Дек.2025]
МастерБаку[583]
Yulana34[177]
Serg74[160]
Dimitrius[129]
naves[122]
РОМУЛ[121]
bektyish[121]
madmac[116]
Алекс-200[114]
begun_a[112]