[ Новые сообщения · Участники · Правила форума · Поиск · RSS ]



  • Страница 1 из 1
  • 1
Модератор форума: zx19  
Центрифуга PC-6
stavickiiДата: Вторник, 01.Июн.2010, 22:13 | Сообщение # 1
Стажер
У вас сообщений: 11
медтехник
OFFлайн
Украина

Все центрифуги РС-6 с холодильником. Без холодильника это ОС-6М или ее новая модификация-микропроцессорная ОС-6МЦ.

Центрифуга PC-6. Кто нибудь сталкивался с ее ремонтом? сразу набирае максимальные обороты. Нет плавного разгона. Сразу вылетает предохранитель...


Работы не боюсь, могу и камни ворочать - лишь бы лёжа!

Сообщение отредактировал stavickii - Четверг, 03.Июн.2010, 21:55
 
stavickiiДата: Четверг, 03.Июн.2010, 22:05 | Сообщение # 2
Стажер
У вас сообщений: 11
медтехник
OFFлайн
Украина

В хранилище закачана схема с практическими советами, хотелось бы пообщеться с автором.

Работы не боюсь, могу и камни ворочать - лишь бы лёжа!
 
STarasДата: Четверг, 03.Июн.2010, 22:54 | Сообщение # 3
инженер-электроакустика, ультразвук
OFFлайн
Украина

Ровно
Для будущего общения скачай и это. Может пригодится.
-6.rar (145.5 Kb)


Чти вело свое – ибо не ты на нём едешь, но оно везёт тебя
 
stavickiiДата: Воскресенье, 06.Июн.2010, 11:51 | Сообщение # 4
Стажер
У вас сообщений: 11
медтехник
OFFлайн
Украина

STaras, Скачал, спасибо. У меня проблема следующего характера. При включении центрифуги, сразу выбивает предохранитель. Прозвонил все по отдельности вроде в норме. Подозрение на катушку э/м контактора. Сама по себе звониться, но сопротивление по сравнению с другими на 20 Ом меньше. В больничке небыло техника уже несколько лет, кругом завал. Я сам техник по гемодиализу, с этим оборудованием не сталкивался, вот и приходится использовать метод научного тыка, все вдруг захотели все, и сразу, не успеваю уворачиваться. Буду благодарен любоому Ц.У. Заранее спасибо! Да, я смотрю ты тоже с Украины, откуда точнее. Я, Арцизская ЦРБ Одесской области. Звать Александр.

Работы не боюсь, могу и камни ворочать - лишь бы лёжа!
 
STarasДата: Понедельник, 07.Июн.2010, 08:04 | Сообщение # 5
инженер-электроакустика, ультразвук
OFFлайн
Украина

Ровно
stavickii, по какой схеме твоя центрифуга? Какой выбивает предохранитель - их там четыре?
Твоя с охлаждением? Отключи тогда холодильник.
Проверь силовые диоды Д2-Д9.

Про Арциз смотрим здесь
http://medteh.info/forum/12-624-2#29900

А рассказываем про Арциз здесь
http://medteh.info/forum/12-4-3


Чти вело свое – ибо не ты на нём едешь, но оно везёт тебя
 
helgeДата: Понедельник, 07.Июн.2010, 09:17 | Сообщение # 6
У вас сообщений: 225
инженер
OFFлайн
Кыргызстан

Bishkek
Все центрифуги РС-6 с холодильником. Без холодильника это ОС-6М или ее новая модификация-микропроцессорная ОС-6МЦ.
STaras прав, чтобы сразу отделить что является проблемой-холодильник или схема управления приводом, можно отключить питание холодильного агрегата с помощью автомата на панели внутри центрифуги. Если не помогло, тогда причина в схеме управления приводом. Распространенными причинами могут быть: 1. Выход из строя диодов моста обмотки возбуждения двигателя Д6-Д6; 2. Выход из строя обмоток пускателей. 3. Выход из строя симистора Д1. 4. Выход из строя диодов моста силовой обмотки двигателя Д2-Д5.
Часто бывает, что в процессе разгона центрифуги выбивает предохранители или срабатывает тепловая защита двигателя. Это связано со слишком быстрым темпом разгона двигателя. Чаще всего это связано с потерей емкости конденсатора С8 - 1000мкФх25В на плате управления. Можно также увеличить время разгона с помощью подстроечного резистора R64 на плате управления.
Рекомендуется еще увеличить значение резистора R24 на плате управления до 51 Ом.
Также следует обратить на тип холодильного агрегата в центрифуги. Однофазный или трехфазный. Если холодильный агрегат однофазный, настоятельно рекомендуется перекинуть 0 провод питания холодильного агрегата - провод от контакта 18 разъема Ш9 с вывода 2 помехоподавляющего трансформатора L, на левый конец (по схеме) предохранителя Пр3. Т.е. минуя помехоподавляющий фильтр. Такая доработка позволит избежать всплесков напряжения по питанию центрифуги, при включении/выключении холодильного агрегата, которые приводят к выходу из строя симистора и обмоток пускателей. В последних годах выпуска центрифуг эта доработка уже присутствует.
Еще хочется добавить, что большая часть выходов из строя этой центрифуги приходится на неверное подключение ее к трехфазной сети при первом подключении или при перестановки ее в другое место. Очень часто путают провода фазы и 0 или заземления. При этом выгорают предохранители, пускатели, сетевой трансформатор и т.д.

Удачи.


Обязательно указывайте:
1. Полное наименование центрифуги
2. Год выпуска
3. Подробное описание неисправности
 
STarasДата: Понедельник, 07.Июн.2010, 11:05 | Сообщение # 7
инженер-электроакустика, ультразвук
OFFлайн
Украина

Ровно
Quote (stavickii)
сразу набирае максимальные обороты

Quote (helge)
Выход из строя симистора Д1


Чти вело свое – ибо не ты на нём едешь, но оно везёт тебя
 
stavickiiДата: Понедельник, 07.Июн.2010, 18:27 | Сообщение # 8
Стажер
У вас сообщений: 11
медтехник
OFFлайн
Украина

Питание 3х фазное, холодильный агрегат исключил сразу, подключение проверил. Диоды и симистр звонятся как надо. Предохранитель первый справа (вид с заду) Тепловая защита не срабатывает. Остальное проверю - отпишусь.

Работы не боюсь, могу и камни ворочать - лишь бы лёжа!
 
helgeДата: Пятница, 11.Июн.2010, 10:07 | Сообщение # 9
У вас сообщений: 225
инженер
OFFлайн
Кыргызстан

Bishkek
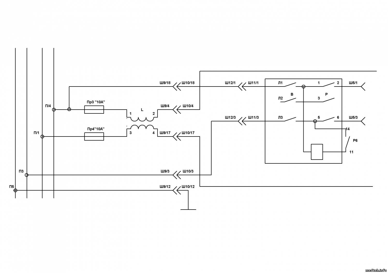
Питание центрифуги всегда трехфазное. Посмотрите схемы. rs6_sxema_old и rs6_sxema_new отличается только включением холодильного агрегата. Кстати, схема подключения к трехфазной сети в файле rs6_sxema_new изображена неверно. Правильно будет, вот так.

Первый справа предохранитель это Пр4 "10А".
Не совсем понял. При включении сразу выбивает предохранитель или сразу набирает максимальные обороты?
Максимальные обороты сколько? Идет в разнос или набирает установленное значение?
Что бы поберечь себя и двигатель, перед всеми экспериментами сними ротор центрифуги с вала электропривода.
1910198.jpg (68.1 Kb)


Обязательно указывайте:
1. Полное наименование центрифуги
2. Год выпуска
3. Подробное описание неисправности
 
kemtorДата: Вторник, 14.Сен.2010, 21:22 | Сообщение # 10
Завсегдатай
У вас сообщений: 220
электромеханик
OFFлайн
Российская Федерация

г.Ульяновск
Подскажите по щеткам в ос-6м , кто какие ставил, может из чего выточить?
 
helgeДата: Четверг, 16.Сен.2010, 09:29 | Сообщение # 11
У вас сообщений: 225
инженер
OFFлайн
Кыргызстан

Bishkek
Запасные щетки для двигателя ОС-6М должны идти в комплекте ЗИП к центрифуге. Поищите. Вообще родных щеток хватает на несколько лет эксплуатации. Марка щеток точно неизвестна, поскольку поставляется на завод в комплекте с двигателем. Что-то типа Г4, но это не точно. Наверное можно подобрать графитовые (но не медно-графитовые) по размеру. Привожу выдержку из паспорта на двигатель по притирке щеток:
"7.2. При замене щеток вынуть износившуюся щетку, а на ее место вставить запасную.
После замены щеток пришлифовать их по коллектору.
Пришлифовка щеток производится мелкой шлифовальной шкуркой.
Ширина шкурки должна быть равна аксиальной длине коллектора. Шкурка накладывается на коллектор порошком вверх и протягивается в обе стороны при вставленных в щеткодержатели щетках. Как только щетка примет форму, соответствующую коллектору, следует протягивать шкурку только в направлении вращения коллектора.
При притирке длина щетки не должна уменьшаться более, чем на 1 мм от своего первоначального размера.
После притирки щеток электродвигатель продуть сухим сжатым воздухом.
Для окончательной пришлифовки щеток к коллектору электродвигатель запустить на холостом ходу на 4—6 ч.
Рабочая поверхность щетки должна быть пришлифована не менее, чем на 80%.
Следует помнить, что даже кратковременная работа электродвигателя с непритертыми или неправильно вставленными после пришлифовки щетками, а также обратное вращение электродвигателя может привести к нарушению поверхности коллектора и выходу из строя всего электродвигателя!"

Для центрифуг создана отдельная пришпиленная тема.


Обязательно указывайте:
1. Полное наименование центрифуги
2. Год выпуска
3. Подробное описание неисправности
 
дмитрий0704Дата: Вторник, 18.Июн.2013, 14:29 | Сообщение # 12
Стажер
У вас сообщений: 4
инжинер-электронщик
OFFлайн
Российская Федерация

красногорск
здраствуйте, у меня следующая проблема, центрифуга рс-6 плавно набирает максимальные обороты, обороты не регулируются, посоветуйте, что может быть?
 
GulnaraДата: Вторник, 18.Июн.2013, 14:39 | Сообщение # 13
OFFлайн
Казахстан

Астана
Реостат?
Вообще что-нибудь смотрели уже, искали? Что было до того, как начались неполадки?
 
дмитрий0704Дата: Вторник, 18.Июн.2013, 14:46 | Сообщение # 14
Стажер
У вас сообщений: 4
инжинер-электронщик
OFFлайн
Российская Федерация

красногорск
не искал, но до этого все работало blush
 
дмитрий0704Дата: Вторник, 18.Июн.2013, 14:53 | Сообщение # 15
Стажер
У вас сообщений: 4
инжинер-электронщик
OFFлайн
Российская Федерация

красногорск
может ли влиять датчик оборотов?
 
ЕvгенДата: Суббота, 29.Июн.2013, 20:05 | Сообщение # 16
Стажер
У вас сообщений: 4
РадиоТехник
OFFлайн
Украина

Харьков
Скорей всего всё в датчике оборотов,проверьте катушку Г2,проверьте транзисторы Т9 и Т10;Д35,эта схема ограничивает превышение установленных оборотов эл.двигателя.
 
Oleg35Дата: Вторник, 30.Июл.2013, 10:27 | Сообщение # 17
Стажер
У вас сообщений: 18
инженер
OFFлайн
Российская Федерация

Вологда
добрый день, не работает холодильник
 
AlexiumДата: Вторник, 30.Июл.2013, 17:43 | Сообщение # 18
Инженер медтехник
OFFлайн
Российская Федерация

Саратов
Цитата (Oleg35)
не работает холодильник

Может он не получает нормальную зарплату, заболел или в отпуске? Прикольная фамилия - Холодильник!
 
zVeterДата: Среда, 16.Окт.2013, 08:26 | Сообщение # 19
Заглянувший
У вас сообщений: 2
пользоватнль
OFFлайн
Российская Федерация

Пермь
Здравствуйте. Попробую задать вопрос здесь, чтоб не открывать новую тему. Суть вопроса: имеем 15 центрифуг РС-6. Регламентные требования производства препарата устанавливают температуру продукта 6 (плюс минус 2) градусов Цельсия. В стаканах температура соответствует, но на температурном датчике центрифуги показывает минус два градуса. Это нормально или все таки показания должны быть идентичны? Спасибо.
 
DimitriusДата: Среда, 16.Окт.2013, 09:42 | Сообщение # 20
У вас сообщений: 410
инженер
OFFлайн
Украина

Украина
Это нормально или все таки показания должны быть идентичны

Предел отклонения не более 1 градуса. Для этого в разделе ТО предусмотрена процедура корректировки
-поместить с внутренней стороны крышки камеры центрифуги, над датчиком температуры, термометр с пределами от -10 до +30 и точностью не хуже +-0.5 градуса. Закрепить его так что бы было видно. Далее ставим ротор на вал центрифуги, где то на 1000-2000 об.мин включить холодильную систему и проверить её работу по поддержанию температуры по заложенному термометру. Если не соотвествуют показания(разница больше чем 1 градус) то отрегулировать индикатор температуры переменными резисторами R47 и R51 на плате. Далее если нужно то установить момент включения-отключения холодильной системы в середине диапазона, который задаётся следующими резисторами: от 0 до -5 резистор R63, от 0 до +5 резистор R62, от +5 до +10 резистор R57, от +10 до +15 резистор R56 ну и так далее. У нас это каждый год делается
 
zVeterДата: Среда, 16.Окт.2013, 11:22 | Сообщение # 21
Заглянувший
У вас сообщений: 2
пользоватнль
OFFлайн
Российская Федерация

Пермь
>>У нас это каждый год делается
Спасибо за оперативность. "Будем посмотреть."
 
fobocДата: Пятница, 15.Ноя.2013, 08:51 | Сообщение # 22
Заглянувший
У вас сообщений: 1
наладчик кипиа
OFFлайн
Российская Федерация

Омск
как снять крестовину чтоб снять двигатель и заменить подшипники
 
helgeДата: Пятница, 15.Ноя.2013, 13:08 | Сообщение # 23
У вас сообщений: 225
инженер
OFFлайн
Кыргызстан

Bishkek
Вообще-то в комплекте с крестовиной с завода прилагается специальный съемник.

Сообщение отредактировал helge - Пятница, 15.Ноя.2013, 13:09
 
IgorjДата: Пятница, 15.Ноя.2019, 11:34 | Сообщение # 24
Заглянувший
У вас сообщений: 1
инженер по ремонту медицинского обо
OFFлайн
Молдова

тирасполь
Центрифуга PC-6. Кто нибудь сталкивался с ее ремонтом? сразу набирае максимальные обороты. Нет плавного разгона.
 
nipeДата: Пятница, 15.Ноя.2019, 19:22 | Сообщение # 25
Стажер
У вас сообщений: 26
engineer
OFFлайн
Украина

Poltava
Проверьте датчик числа оборотов.
 
  • Страница 1 из 1
  • 1
Поиск:



Статистика Форума
Последние обновления тем: Новые файлы хранилища: Новые участники: Top10 участников:
1. Aution max AX-4030, т...[MasterSkif (08.Дек.2025)]
2. Замена светодиода на ...[Shturman (05.Дек.2025)]
3. Анализатор поля зрени...[SpirituS (04.Дек.2025)]
4. Программный комплекс ...[mqubali (04.Дек.2025)]
5. Кардиорегистратор «ИК...[albano18 (04.Дек.2025)]
6. Thermo Scientific gem...[viggen (03.Дек.2025)]
7. Центрифуга CM-6M ф.El...[Ningen64 (03.Дек.2025)]
8. Дефибриллятор Defi B ...[san-che30 (02.Дек.2025)]
9. Коллиматор Ralco R 22...[seeker (02.Дек.2025)]
1. VIVIX Setup Operation...[12.Окт.2025]
2. GenwareMP[10.Сен.2025]
3. Настройка реагентов M...[20.Авг.2025]
4. Philips HD3-EXP[13.Авг.2025]
5. Рентгеновское оборудо...[08.Авг.2025]
6. VersaMed iVent201 Сер...[13.Фев.2025]
7. Гелпик КРД Ренекс РЦ ...[09.Фев.2025]
8. Офтальмологическая ус...[31.Окт.2024]
9. Cardinal-Health-VELA-...[03.Окт.2024]
10. Service Manual HAMILT...[02.Окт.2024]
1. Nurgazy[12.Дек.2025]
2. alviola[12.Дек.2025]
3. ServicTeh[12.Дек.2025]
4. Maks_M[12.Дек.2025]
5. barguz94[11.Дек.2025]
6. tasin[11.Дек.2025]
7. alabay[11.Дек.2025]
8. tolikhelp[11.Дек.2025]
9. Daswer[10.Дек.2025]
10. Zhenysoglasis[10.Дек.2025]
МастерБаку[583]
Yulana34[177]
Serg74[160]
Dimitrius[129]
naves[122]
РОМУЛ[121]
bektyish[121]
madmac[116]
Алекс-200[114]
begun_a[112]