[ Новые сообщения · Участники · Правила форума · Поиск · RSS ]



  • Страница 1 из 1
  • 1
Модератор форума: zx19  
Цитофлуориметр проточный EPICS XL ф.Beckman Coulter
volo9yaДата: Среда, 06.Май.2020, 11:33 | Сообщение # 1
Стажер
У вас сообщений: 42
медтехник
OFFлайн
Туркменистан

Ашхабад
Проточный цитофлуориметр EPICS XL компании Beckman Coulter GmbH.

Прибор стоял без консервации около 10 лет. Были прочищены все видимые грязные трубки.Несколько раз делал прочистку и вакуумную тоже. Теперь после прохода процесса запуска, выбираю протокол, пишет вставьте образец, вставляю пустую пробирку и в процессе измерения она заполняется жидкостью. И ещё что-то измеряет, потому как общий подсчёт меняется. И ещё при измерении выскакивает предупреждение о давлении образца.
Может кто, что подскажет, куда копать?


1234
 
hafДата: Среда, 06.Май.2020, 11:57 | Сообщение # 2
Участник
У вас сообщений: 100
Инженер
OFFлайн
Российская Федерация

Уфа
а можно фото/видео? этого чуда я не видел и документашки нет, но может по аналогии с ФС500 посмотрим что не так.

Неэлектромеханик
 
volo9yaДата: Среда, 06.Май.2020, 12:23 | Сообщение # 3
Стажер
У вас сообщений: 42
медтехник
OFFлайн
Туркменистан

Ашхабад
4573388.jpg (94.8 Kb)


1234
 
hafДата: Среда, 06.Май.2020, 12:52 | Сообщение # 4
Участник
У вас сообщений: 100
Инженер
OFFлайн
Российская Федерация

Уфа
Цитата volo9ya ()
И ещё при измерении выскакивает предупреждение о давлении образца.

а в от здесь что то конкретнее можно?
PS на телефоне память кончилась? :) посмотреть бы как пробозаборник устроен, моющая станция, блок клапанов, и прочее. ведь как то аналогию с другими его братьями без понимая устройства не особо успешно пойдет.


Неэлектромеханик
 
volo9yaДата: Среда, 06.Май.2020, 13:23 | Сообщение # 5
Стажер
У вас сообщений: 42
медтехник
OFFлайн
Туркменистан

Ашхабад
4344485.jpg (175.8 Kb)


1234
 
volo9yaДата: Среда, 06.Май.2020, 13:24 | Сообщение # 6
Стажер
У вас сообщений: 42
медтехник
OFFлайн
Туркменистан

Ашхабад
4589753.jpg (141.3 Kb)


1234
 
volo9yaДата: Среда, 06.Май.2020, 13:25 | Сообщение # 7
Стажер
У вас сообщений: 42
медтехник
OFFлайн
Туркменистан

Ашхабад
4139946.jpg (157.0 Kb)


1234
 
volo9yaДата: Среда, 06.Май.2020, 13:26 | Сообщение # 8
Стажер
У вас сообщений: 42
медтехник
OFFлайн
Туркменистан

Ашхабад
8198634.jpg (147.6 Kb)


1234
 
volo9yaДата: Среда, 06.Май.2020, 13:28 | Сообщение # 9
Стажер
У вас сообщений: 42
медтехник
OFFлайн
Туркменистан

Ашхабад
9669930.jpg (149.8 Kb)


1234
 
volo9yaДата: Среда, 06.Май.2020, 13:34 | Сообщение # 10
Стажер
У вас сообщений: 42
медтехник
OFFлайн
Туркменистан

Ашхабад
Цитата haf ()
а в от здесь что то конкретнее можно?

Это предупреждение выскакивает именно при измерении образца. Цикл запуска прибор проходит без каких либо проблем... по крайней мере ничего не пишет.... В руководстве написано, что такое предупреждение может выскакивать из-за фильтра реагента sheath(меняется каждые 6 месяцев)...


1234
 
volo9yaДата: Среда, 06.Май.2020, 13:49 | Сообщение # 11
Стажер
У вас сообщений: 42
медтехник
OFFлайн
Туркменистан

Ашхабад
9602850.jpg (119.2 Kb)


1234
 
hafДата: Среда, 06.Май.2020, 14:15 | Сообщение # 12
Участник
У вас сообщений: 100
Инженер
OFFлайн
Российская Федерация

Уфа
Цитата volo9ya ()
Это предупреждение выскакивает именно при измерении образца

говорит что давление низкое? или высокое?
Цитата volo9ya ()
процессе измерения она заполняется жидкостью

здесь похоже что в моющей станции выбрасывает дилюент, скорее всего по линии промывки. MCL это моющая станция.
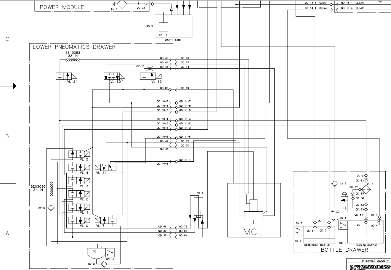
Возможно поворотный клапан подзабит. Еще нужно убедиться что идет обжимающий поток проточной ячейк, возможно воздух(FC1 qd64 65 см схему fc500), найди их и проверь что они залиты.
0605175.png (131.5 Kb)


Неэлектромеханик
 
fred1Дата: Среда, 06.Май.2020, 16:11 | Сообщение # 13
У вас сообщений: 549
инженер BeckmanCoulter, Siemens MRT
OFFлайн
Российская Федерация

Анапа
Привет !
Если прибор простоял долгое время то надо начинать с того , что поменять все трубки на клапанах, они силиконовые и слипаются от долгого простоя.
Так же сменить трубки на модуле пневматики,это справа сверху,2 клапана,есть на фото. Крутить и трогать регулировки ни в коем случае ... потом проблемно настроить. По твоему описанию, залипла одна из трубок ..., проверить герметичность емкости с дилюентом, и конечно фильтр (это при низком количестве событий)!
Прибор отличный !
6320886G_pneu_h.pdf (739.4 Kb)
 
volo9yaДата: Пятница, 08.Май.2020, 12:27 | Сообщение # 14
Стажер
У вас сообщений: 42
медтехник
OFFлайн
Туркменистан

Ашхабад
Цитата fred1 ()
поменять все трубки на клапанах

Я бы первоночально так бы и сделал! НО увы, нет таких трубок.... Нашел несколько силиконовых трубок, тоже снятые с аппарата(но хоть

какие). Ручным путем ввода-вывода жидкости через шприц, отсоединяя один конец трубки и отжимая клапан, восстановил или заменил около

30% трубок, да были залипшие!! Но проблема осталась... впринципе без изменений. Возможно нужны новые трубки, чтоб уже точно знать, что

не в этом дело...
Но почему появляется жидкость.... если пробирка поджимается к головке пробозаборника, то в ней создается давление выталкивающее

образец через иглу в проточную камеру. Или я ошибаюсь?
Если создается жидкость в пробирке, значит давление не держит..... т.е. слабое....
Заметил еще одно, при включении прибора, блок пробозаборника выезжает вниз неполностью. Приходится рукой помогать....


1234
 
fred1Дата: Пятница, 08.Май.2020, 15:59 | Сообщение # 15
У вас сообщений: 549
инженер BeckmanCoulter, Siemens MRT
OFFлайн
Российская Федерация

Анапа
Трубки не проблема, найдем ... За давление отвечают клапана 13 и 21. Возможно не в клапанах проблема, надо посмотреть внимательно на узел пробоотборника, пробирка упирается в силиконовый конус, видел лопнувшие, и вокруг иглы силиконовое колечко, уплотнение, то есть узел должен быть герметичен. Если не гермитичен 5 клапан ...За поднятие 14 и 15 клапана, возможно надо смазать шток пневмоцилиндра. Еще проверить фильтр ФЛ1, сброс воздуха из банки с отбросами, дополнительный признак банка раздувается ...
Смотри гидравлику, схема есть , изучай !
 
hafДата: Пятница, 08.Май.2020, 16:50 | Сообщение # 16
Участник
У вас сообщений: 100
Инженер
OFFлайн
Российская Федерация

Уфа
Цитата volo9ya ()
образец через иглу в проточную камеру

Да, под давлением sheath, а в момент когда только-только опустилась игла, дополнительно разряжением тянет через проточную ячейку, иногда помогает просраться функция clean и rinse(я надеюсь, там есть эти функции).
Также на экране он выдавал сообщение Sample pressure warning?! стоит обратить внимание на линию pressure, часто пластиковые фитинги ломаются, сифонят. такое может быть и в power module.


Неэлектромеханик
 
fred1Дата: Суббота, 09.Май.2020, 17:21 | Сообщение # 17
У вас сообщений: 549
инженер BeckmanCoulter, Siemens MRT
OFFлайн
Российская Федерация

Анапа
Ничего через проточную кювету не протягивается в сторону пробы !!!
Вакуум нужен для определения наличия пробирки с пробой. В момент когда пробирка попадает в положение измерения, прикладывается давление для того чтобы протолкнуть пробу в проточку, параллельно включается подача обжимающей жидкости в проточку, вот как раз если в пробирке не создано избыточное давление то через иглу жидкость пойдет в обратную сторону !!! Это типичная проблема Эпикса , тем более типичная так как прибор долго стоял !
 
  • Страница 1 из 1
  • 1
Поиск:



Статистика Форума
Последние обновления тем: Новые файлы хранилища: Новые участники: Top10 участников:
1. Анализатор поля зрени...[SpirituS (04.Дек.2025)]
2. Программный комплекс ...[mqubali (04.Дек.2025)]
3. Кардиорегистратор «ИК...[albano18 (04.Дек.2025)]
4. Thermo Scientific gem...[viggen (03.Дек.2025)]
5. Центрифуга CM-6M ф.El...[Ningen64 (03.Дек.2025)]
6. Дефибриллятор Defi B ...[san-che30 (02.Дек.2025)]
7. Коллиматор Ralco R 22...[seeker (02.Дек.2025)]
8. КУПЛЮ/ПРИМУ в дар при...[seabee (02.Дек.2025)]
9. Центрифуга MiniSpin P...[AntonioPetty (01.Дек.2025)]
1. VIVIX Setup Operation...[12.Окт.2025]
2. GenwareMP[10.Сен.2025]
3. Настройка реагентов M...[20.Авг.2025]
4. Philips HD3-EXP[13.Авг.2025]
5. Рентгеновское оборудо...[08.Авг.2025]
6. VersaMed iVent201 Сер...[13.Фев.2025]
7. Гелпик КРД Ренекс РЦ ...[09.Фев.2025]
8. Офтальмологическая ус...[31.Окт.2024]
9. Cardinal-Health-VELA-...[03.Окт.2024]
10. Service Manual HAMILT...[02.Окт.2024]
1. Intellect[05.Дек.2025]
2. Romanivanov[05.Дек.2025]
3. igogoigogo[05.Дек.2025]
4. 1rishka[04.Дек.2025]
5. L_V_N[04.Дек.2025]
6. ИвановИИ[04.Дек.2025]
7. Alex_U[04.Дек.2025]
8. Yarikus03[03.Дек.2025]
9. EvaLen[03.Дек.2025]
10. dankurets[03.Дек.2025]
МастерБаку[583]
Yulana34[177]
Serg74[160]
Dimitrius[129]
naves[122]
РОМУЛ[121]
bektyish[121]
madmac[116]
Алекс-200[114]
begun_a[112]