[ Новые сообщения · Участники · Правила форума · Поиск · RSS ]



  • Страница 2 из 2
  • «
  • 1
  • 2
Модератор форума: zx19  
Центрифуга ОС-6М
helgeДата: Воскресенье, 19.Май.2013, 22:00 | Сообщение # 41
У вас сообщений: 225
инженер
OFFлайн
Кыргызстан

Bishkek
Обсуждалось уже. Посмотрите здесь.
http://www.medteh.info/forum/32-1758-58248-16-1302107835
http://www.medteh.info/forum/32-1758-73941-16-1320321032
http://www.medteh.info/forum/32-1758-90379-16-1343286548


Сообщение отредактировал helge - Воскресенье, 19.Май.2013, 22:02
 
ЕvгенДата: Суббота, 29.Июн.2013, 19:41 | Сообщение # 42
Стажер
У вас сообщений: 4
РадиоТехник
OFFлайн
Украина

Харьков
Здравствуйте!
Есть центрифуга ОС-6,но схема соответствует РС-6,только без холодильника.
Нужна была профилактика мотора Д550Ф УХЛ4,т.к.работал со скрежетом(износ подшипников,особенно нижнего),во время работы не держал обороты,т.е.сильно плавала скорость.
За имением нового двигателя(хотя год выпуска такой же как и у изношенного)решили не ломать голову и поставить новый(подшипники нормальные,щётки новые).
Запускаем,начинает набирать обороты 2сек.,приостанавливается,потом опять начнает разгонятся 2-3сек.приостанавливается,вобщем так с паузами перезапускается 3-4раза после чего набирает установленные обороты и держит по тахометру очень стабильно.И так при начальном включении происходит пуск с паузами.
Перезапуск не сопровождается включением-отключением рэле,т.е.перезапускает электронная часть схемы.
Грешили на электролит С8,заменили новым-не помогло.
Пытались регулировать R64-м,но т.к.он был выведен начальной регулировкой на минимальное сопротивление,то чуть добавил сопротивления в результате был более резкий пуск и соответственно перегорел предохранитель 10А(это я стратил,недодумал).
Теперь собираюсь уменьшить в 2 раза сопротивление R9,дабы была у меня возможность ограничить пусковой,начальный ток двигателя,т.е.увеличить время разгона двигателя.
Подозреваю на сбой взаимодействия датчика оборотов Г2 со схемой пуска С8;R64;R9;T2(база)
Напишите пожалуйста,какие мысли есть,может кто нибудь сталкивался с аналогичной проблемой,или есть идеи.
Спасибо.
8447967.jpg (198.1 Kb)
 
AlexiumДата: Воскресенье, 30.Июн.2013, 15:06 | Сообщение # 43
Инженер медтехник
OFFлайн
Российская Федерация

Саратов
В таких древних приборах, прежде чем начинать хоть какую-то диагностику, меняю все электролиты и проверяю\меняю кт315-361 на что-то типа 2N3904-3906.
Иначе ремонт превращается в угадайку - ни один из вышеназванных элементов надежностью и стабильностью параметров не отличается.
 
МоторДата: Воскресенье, 30.Июн.2013, 20:52 | Сообщение # 44
Участник
У вас сообщений: 56
инженер
OFFлайн
Российская Федерация

Мытищи
Я бы начал с проверки питающих напряжений. Уж больно такой эффект похож на неисправные электролиты, но не С8, а С4 или С9. Успехов!
 
ЕvгенДата: Понедельник, 01.Июл.2013, 14:46 | Сообщение # 45
Стажер
У вас сообщений: 4
РадиоТехник
OFFлайн
Украина

Харьков
Я забыл написать,что все ёмкости (электролиты)заменены,а транзисторы проверены.
Спасибо.
 
ЕvгенДата: Пятница, 05.Июл.2013, 23:06 | Сообщение # 46
Стажер
У вас сообщений: 4
РадиоТехник
OFFлайн
Украина

Харьков
Всё пошло-поехало,спасибо за советы nea ,хотя всё,что советовали было сделано до написания. bye2
 
u3332006Дата: Среда, 28.Авг.2013, 14:50 | Сообщение # 47
Стажер
У вас сообщений: 39
медтехник
OFFлайн
Российская Федерация

белогорск
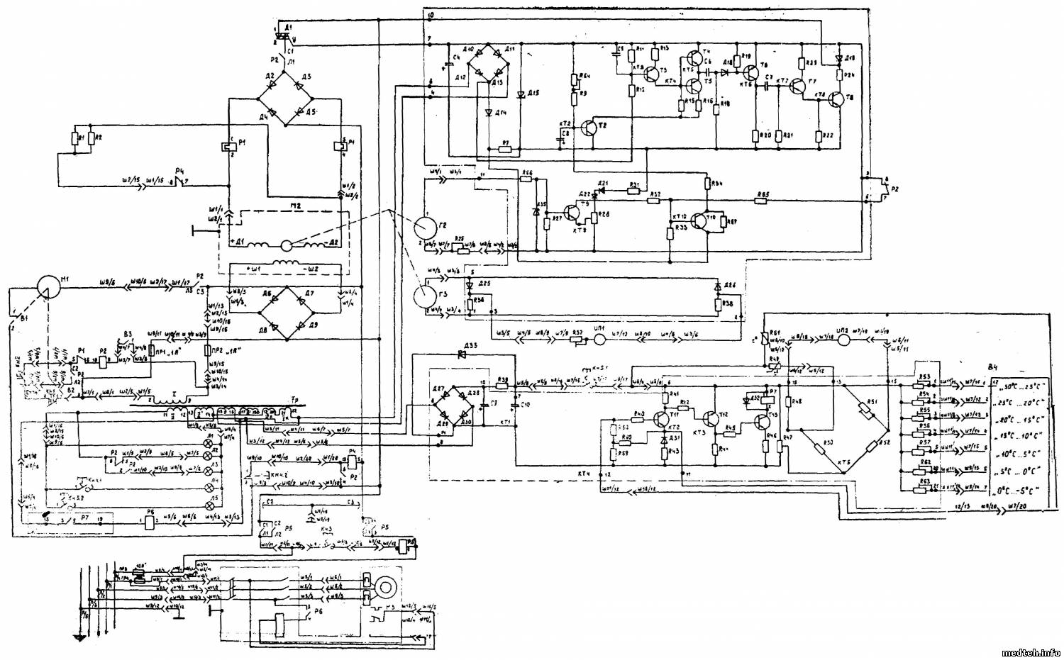
Привет всем.Вопрос по ремонту ОС-6М.После грозы вышибло пред 10а.После проверки схемы нашел битые диоды на обмотке двигателя Д6,Д8,тиристор,диод на управление тиристором Д19.Заменил Д6-Д9 все, Д19 КД522, ТС-122 на ВТА26(по характеристикам вроде одно и тоже).Пред не горит,двигатель не зпускается.Снял плату управления,запитал сетевой транс,вместо датчика вращения подвесил сопротивление.На выходе диф.усилителя наблюдаю импульсы 1.2в.Почему не раскручивается двигатель?Голову сломал.
 
helgeДата: Вторник, 03.Сен.2013, 07:39 | Сообщение # 48
У вас сообщений: 225
инженер
OFFлайн
Кыргызстан

Bishkek
В архиве с документацией на эту центрифугу есть эпюры напряжений в контрольных точках. Сверьте их с имеющимися.
Возможно перепутали местами провода, идущие к управляющему электроду и катодному выводу симистора. Симистор в каком корпусе поставили? TOP3, TO-220 или RD21?
 
u3332006Дата: Вторник, 03.Сен.2013, 12:50 | Сообщение # 49
Стажер
У вас сообщений: 39
медтехник
OFFлайн
Российская Федерация

белогорск
Прошу прощенья у уважаемого сообщества за отнятое время.Пошла центрифуга.Из-за собственной бестолковости я не заметил что одна из ног соединительной колодки отсутствует.Полез в дебри,а забыл простую истину,что все неисправности в электронике всего двух типов.Однако странно как то пропала нога,ни подгорания, ни обугливания,как будто бритвой срезана под самую заклепку.
 
helgeДата: Понедельник, 09.Сен.2013, 07:55 | Сообщение # 50
У вас сообщений: 225
инженер
OFFлайн
Кыргызстан

Bishkek
Какая нога? Какой колодки? unknown
Разговор сам с собой.
 
u3332006Дата: Среда, 13.Ноя.2013, 14:38 | Сообщение # 51
Стажер
У вас сообщений: 39
медтехник
OFFлайн
Российская Федерация

белогорск
Извините,долго не был в тырнэте.Разъем на фото.Самый нижний,правый контакт.
3070562.jpg (135.4 Kb)
 
polyideicДата: Четверг, 13.Мар.2014, 15:21 | Сообщение # 52
Заглянувший
У вас сообщений: 2
-
OFFлайн
Украина

Харьков
занимаемся ремонтом, реконструкцией и модернизацией РС-6. г. Харьков. запросы отправлять сюда: polyideic@rambler.ru Контакты: +38-063-465-1234, +38-096-206-14-01, +38-050-02-22-001, +38-098-89-33-800, +38-057-761-5-444
 
BuffaldinoДата: Воскресенье, 12.Фев.2017, 09:57 | Сообщение # 53
Стажер
У вас сообщений: 34
стажер
OFFлайн
Российская Федерация

Нефтеюганск
Цитата Maks1986 ()
Так и есть по какой то странной причине был установлен рабочим контактом на P4 5-6 контакты. Проверяю дальше.

Центрифуга ОС-6М. У меня так же установлены рабочими 5-6, какая в этом проблема, если при нажатии кнопки "Стоп" отключается весь пускатель?
Проблема другая - горели предохранители, заменил ТС122-25-6, какое-то время проработала, дальше начались проблемы с постоянным выходом из строя этой детали, уже 4 ТС-ки заменил. Заменил полностью пускатель Р2 и Р4 (на нем сгорела катушка в одном из случаев).
После замены пускателей Р2 начал при запуске центрифуги трещать, а каруселька сразу начинает разгоняться, без плавного пуска.
Сейчас куплю еще ТС-ок и заменю на 100% рабочий. Надеюсь, что поможет. Если нет - отпишу тут.
Центрифуга от сентября 2014 номер 0009 (так в паспорте указано)
 
ra6fvhДата: Четверг, 06.Июл.2017, 09:10 | Сообщение # 54
Стажер
У вас сообщений: 27
электромеханик
OFFлайн
Российская Федерация

Ростов-на-Дону
Здравствуйте. Проблема следующая: при нажатии кнопки "пуск" родные 10 а предохранители выгорают. Ставишь мощнее ,трещат со страшной силой пускатели р2 и р5 , двигатель разгоняется до 3 тысяч оборотов и выключается, регулировка оборотов не работает, все транзисторы и диоды на плате целые. Куда копать?
 
ra6fvhДата: Четверг, 06.Июл.2017, 09:11 | Сообщение # 55
Стажер
У вас сообщений: 27
электромеханик
OFFлайн
Российская Федерация

Ростов-на-Дону
Причем ,чем больше обороты двигателя,тем менее шумно трещат пускатели
 
filin1987Дата: Понедельник, 06.Авг.2018, 15:51 | Сообщение # 56
Заглянувший
У вас сообщений: 2
Инженер
OFFлайн
Российская Федерация

Самара
Всем доброго дня. Столкнулся со следующей проблемой. При включении центрифуги движок начинает крутить на полную мощность вне зависимости от регулятора вращения (согласно показанию шкалы более 6000). Хотелось бы узнать, как в данной центрифуге осуществляется поддержание необходимого количества оборотов. И что в первую очередь стоит проверить? Заранее благодарю
 
getman-2Дата: Пятница, 05.Окт.2018, 21:36 | Сообщение # 57
Стажер
У вас сообщений: 10
техник по обслуживанию мед-аппарату
OFFлайн
Украина

РІВНЕ
Здравствуйте! По этой центрифуге вопрос. Где взять стаканы, для пробирок, или может кто из чего-то делал, или есть в продаже в Украине. На ценрифуге в лаборатории разбиты все держатели пробирок...В продаже нашли только с головкой, и то уже нету...

ДОБРО, КОТОРОЕ ТЫ СДЕЛАЛ, НЕ ПРОПАДЕТ, ДАЖЕ ЕСЛИ ТЫ ЗАБУДЕШЬ О НЕМ!
 
AlexiumДата: Пятница, 05.Окт.2018, 22:15 | Сообщение # 58
Инженер медтехник
OFFлайн
Российская Федерация

Саратов
в эпоху повального использования 3D принтеров - такие вопросы это что???
 
swinДата: Суббота, 06.Окт.2018, 21:30 | Сообщение # 59
У вас сообщений: 369
врач КЛД, техник-электрик
OFFлайн
Российская Федерация

Воронеж
(-: Если 3D-пластик не разлетится при центрифугировании на пиксели.
 
AlexiumДата: Воскресенье, 07.Окт.2018, 19:26 | Сообщение # 60
Инженер медтехник
OFFлайн
Российская Федерация

Саратов
http://3dtoday.ru/blogs/rec/rec-a-test-of-strength/
http://elib.altstu.ru/journals/Files/pv2016_02/pdf/061balashov.pdf
 
КлиффДата: Понедельник, 08.Окт.2018, 10:13 | Сообщение # 61
Техник
У вас сообщений: 393
Врач КДЛ / FSE
OFFлайн
Российская Федерация

Большой
Alexium, 1500-3000 "же" не шутки же! У некоторых центрифуг видно, что пластиковые подвесы с приличным количеством армирующего металла

Подавая сигналы в рог,
Будь всегда справедлив и строг!
 
ГеохроникДата: Вторник, 19.Фев.2019, 19:42 | Сообщение # 62
Заглянувший
У вас сообщений: 2
Химик
OFFлайн
Российская Федерация

СПб
Дорогие товарищи! Очень нужна помощь в ремонте ОС-6М
Самый лучший вариант, если кто-нибудь подскажет телефон мастера в Санкт-Петербурге, кто может починить такую аппаратуру. Буду очень благодарен.
Если коротко о проблеме: сначала начали выгорать 10А предохранители при запуске - ротор начинает очень быстро раскручиваться, через секунду горит пред. Поменял тиристор Т122-25.
После этого предохранители перестали гореть, но двигатель не запускается. Двигатель отдал на диагностику - сказали все ОК. На клеммах Ш1-Ш2 есть напряжение около 195В. На клеммах Д1-Д2 в момент пуска(нажатия кнопки) ловится очень короткий импульс до 230В. Конденсаторы проверил, диоды проверил.
 
hafДата: Пятница, 22.Фев.2019, 07:00 | Сообщение # 63
Участник
У вас сообщений: 100
Инженер
OFFлайн
Российская Федерация

Уфа
Цитата Геохроник ()
После этого предохранители перестали гореть, но двигатель не запускается.

Ну, теперь, видимо, выгорела обвзяка. Судя по схеме там либо оптрон либо транзистор, пройтись мультиком.


Неэлектромеханик
 
ГеохроникДата: Вторник, 26.Мар.2019, 19:03 | Сообщение # 64
Заглянувший
У вас сообщений: 2
Химик
OFFлайн
Российская Федерация

СПб
Цитата haf ()
Ну, теперь, видимо, выгорела обвзяка. Судя по схеме там либо оптрон либо транзистор, пройтись мультиком.


О мудрейший, а подскажи дикому человеку что есть такое обвязка? А то я только альпинистскую знаю) в какие дырки мультиметром тыкать?)
 
AlexiumДата: Вторник, 26.Мар.2019, 19:07 | Сообщение # 65
Инженер медтехник
OFFлайн
Российская Федерация

Саратов
Цитата Геохроник ()
в какие дырки мультиметром тыкать?

Гусары - молчать!
 
MyatrickДата: Пятница, 06.Дек.2019, 06:13 | Сообщение # 66
Стажер
У вас сообщений: 29
инженер-электроник
OFFлайн
Российская Федерация

Кемерово
Доброго времени суток, господа инженеры! Есть многострадальная ОС-6М , вроде 2014г. по бумагам, но судя по начинке года 805го.... Поменяли уже горсть ТС-ок и 6-е ставили и 10-е. Одна только около года продержалась, последние 3 штуки спалились в течении часа. Интересная неисправность : ставим свежий триак, запускается плавно, как положено. Разгоняется до установленных оборотов, стабилизируется. Отрабатывает таймер(минуты 3-5), отключается. Ждём остановки, перекур, повторный пуск, всё ОК. Третьего пуска может не быть.... Сразу в разгон, горит предохранитель 10А. Триак пробитым не звонится, но открывается сразу, даже с отключенным управляющим электродом. Поначалу даже не понял, что триак вмэр, пока тупо непоменял его. Подключил лампу параллельно движку для визуализации. При нормальном пуске, напряжение на движке плавно растёт от 3 до 90-95В. Соответственно лампа (100Вт 240В) тускло светит, но при отключении контактора Р2 происходит вспышка, а затем опять тусклое свечение лампы до полного угасания при остановке мотора. Напряжение на мотора также плавно падает. Откуда напряжение на моторе, если триак отключается? Индукция от обмотки возбуждения (Ш+, Ш-)? И чем выбивает триак при отключении? Потому, что при следующем запуске, как я писАл выше, он может уже быть пробитым и не управляется... ПОСКАЖИТЕ, пожалуйста, ткните носом, куда рыть. Кондёры и транзисторы/диоды проверены, да и ранее установленный триак почти год оттрубил (ТС122-25-10), а сейчас горят, как спички.....

Сообщение отредактировал Myatrick - Пятница, 06.Дек.2019, 06:13
 
dimiurgДата: Суббота, 04.Янв.2020, 09:04 | Сообщение # 67
Стажер
У вас сообщений: 20
электромеханик
OFFлайн
Российская Федерация

Санкт-Петербург
После откл. пускателя движок становиться генератором. От него и напряжение на лампе. Если снять ротор эффект значительно уменьшиться. А триаки бывают браковаными и не выключаются при переходе через "0".
 
dimiurgДата: Суббота, 04.Янв.2020, 09:41 | Сообщение # 68
Стажер
У вас сообщений: 20
электромеханик
OFFлайн
Российская Федерация

Санкт-Петербург
Вопрос к коллегам: Есть ли Схема или другие информационные материалы по центрифуге ЦЛС-3.
Может быть Мастер Helge найдет схему в архивах.
 
MadTechДата: Среда, 08.Янв.2020, 17:47 | Сообщение # 69
Участник
У вас сообщений: 104
Лаборатория
OFFлайн
Российская Федерация

Самара
Для Myatrick:
Попробуйте припаять между ножками симистора (триака) - резистор ~ 10кОм – 0,5 Вт.
.
Ещё вариант, более вероятный: не выключается контактор Р2 при торможении.
Торможение + раскрутка через триак = большой ток и БАЦ – триак сгорел.
 
Serega685Дата: Среда, 15.Янв.2020, 21:44 | Сообщение # 70
Стажер
У вас сообщений: 4
инженер
OFFлайн
Российская Федерация

Армавир
Здравствуйте!!!
Центрифуга РС-6 2004г двигатель Д-550Ф УХЛ4
Сгорает двигатель, перематывали уже 2 раза, подскажите какое должно быть сопротивление на обмотках движка????? не можем понять в чём проблема? то ли так перематывают, то ли проблема в управлении
 
VladykaДата: Вторник, 25.Фев.2020, 16:44 | Сообщение # 71
Участник
У вас сообщений: 187
Инженер-электронщик
OFFлайн
Украина

Донецк(ДНР)
Добрый день.
Центрифуга ОС-6М запускается и разгоняется до максимума. На индикаторе частоты зашкал, гудит аж взлетает. Регулировка частоты не спасает. Пробовал заменить сам регулятор ПП3 15КК, нашёл тоолько ПП2 20КК., но его замена не помогла.
Подскажите, пожалуйста, в чём может быть неисправность?


<-------V/'L'@Дb)KA------->
 
nipeДата: Вторник, 25.Фев.2020, 23:26 | Сообщение # 72
Стажер
У вас сообщений: 26
engineer
OFFлайн
Украина

Poltava
Пробит тиристор, неисправен датчик оборотов?
 
VladykaДата: Среда, 26.Фев.2020, 00:18 | Сообщение # 73
Участник
У вас сообщений: 187
Инженер-электронщик
OFFлайн
Украина

Донецк(ДНР)
Цитата nipe ()
Пробит тиристор, неисправен датчик оборотов?

Датчик оборотов работает, т.к. по мере остановки ротора частота плавно уменьшается. Спасибо, за помощь, отпишусь по результату.


<-------V/'L'@Дb)KA------->
 
VladykaДата: Среда, 26.Фев.2020, 00:20 | Сообщение # 74
Участник
У вас сообщений: 187
Инженер-электронщик
OFFлайн
Украина

Донецк(ДНР)
Цитата Vladyka ()
Датчик оборотов работает, т.к. по мере остановки ротора частота плавно уменьшается. Спасибо, за помощь, отпишусь по результату.

Стрелочка на индикаторе плавно на 0 возвращается.


<-------V/'L'@Дb)KA------->
 
VladykaДата: Вторник, 03.Мар.2020, 22:42 | Сообщение # 75
Участник
У вас сообщений: 187
Инженер-электронщик
OFFлайн
Украина

Донецк(ДНР)
Цитата nipe ()
Пробит тиристор, неисправен датчик оборотов?

Таки ДА!!! Поставил ТС122-25, а там стоял почеиму-то ТС132 и всё заработало. Спасибо за хороший совет!


<-------V/'L'@Дb)KA------->
 
  • Страница 2 из 2
  • «
  • 1
  • 2
Поиск:



Статистика Форума
Последние обновления тем: Новые файлы хранилища: Новые участники: Top10 участников:
1. УЗИ Aplio 500 ф.Toshi...[nav (05.Май.2026)]
2. Кардиограф MAC 2000[vladi (05.Май.2026)]
3. Автоматический СОЭ-ме...[Dissatisfied (05.Май.2026)]
4. Анализатор гематологи...[vvp (04.Май.2026)]
5. Концентратор кислород...[AlexanderRu (04.Май.2026)]
6. Урофлоуметр Koperniku...[5saleru (02.Май.2026)]
7. Chirana Cheese easy[seabee (30.Апр.2026)]
8. Монитор реанимационны...[Alex_UssR (28.Апр.2026)]
9. ПРОДАМ/ПОДАРЮ Б/У реа...[MEDNET (28.Апр.2026)]
1. Apollo EZ service man...[25.Дек.2025]
2. VIVIX Setup Operation...[12.Окт.2025]
3. GenwareMP[10.Сен.2025]
4. Настройка реагентов M...[20.Авг.2025]
5. Philips HD3-EXP[13.Авг.2025]
6. Рентгеновское оборудо...[08.Авг.2025]
7. VersaMed iVent201 Сер...[13.Фев.2025]
8. Гелпик КРД Ренекс РЦ ...[09.Фев.2025]
9. Офтальмологическая ус...[31.Окт.2024]
10. Cardinal-Health-VELA-...[03.Окт.2024]
1. Alexeyb4[07.Май.2026]
2. yagr1[07.Май.2026]
3. Medicaparts[06.Май.2026]
4. medici[06.Май.2026]
5. Metallurg[06.Май.2026]
6. lerawave[05.Май.2026]
7. Сергей9791[05.Май.2026]
8. alrep[04.Май.2026]
9. Someone120[04.Май.2026]
10. alex09_03[04.Май.2026]
МастерБаку[583]
Yulana34[177]
Serg74[160]
Dimitrius[129]
naves[122]
РОМУЛ[121]
bektyish[121]
madmac[116]
Алекс-200[114]
генаf[112]