[ Новые сообщения · Участники · Правила форума · Поиск · RSS ]



  • Страница 1 из 2
  • 1
  • 2
  • »
Модератор форума: zx19  
Центрифуга ОС-6М
lis63Дата: Вторник, 01.Мар.2011, 22:39 | Сообщение # 1
начальник участка
OFFлайн
Российская Федерация

Самара
Не крутит двигатель. индикаторы не горят. При нажатии кнопки "Сеть" слышно срабатывание контактора. При нажатии кнопки "Пуск" ничего не происходит. Нашел пару сгоревших КТ315Г и два сгоревших предохранителя 1.2А. Кто сталкивался с подобным зверем? Из-за чего м.б. проблема? Схемы РС-6М и ОС-6М отличаются? В хранилище есть схема только на РС-6М. Завтра снова пойду ковырять, возможно, еще инфу выложу.
 
lis63Дата: Среда, 02.Мар.2011, 08:32 | Сообщение # 2
начальник участка
OFFлайн
Российская Федерация

Самара
Вчера только видел мануал на ОС-6, без схем, сегодня пропал из хранилища. Модераторы, обратите внимание.
 
helgeДата: Четверг, 03.Мар.2011, 08:54 | Сообщение # 3
У вас сообщений: 225
инженер
OFFлайн
Кыргызстан

Bishkek
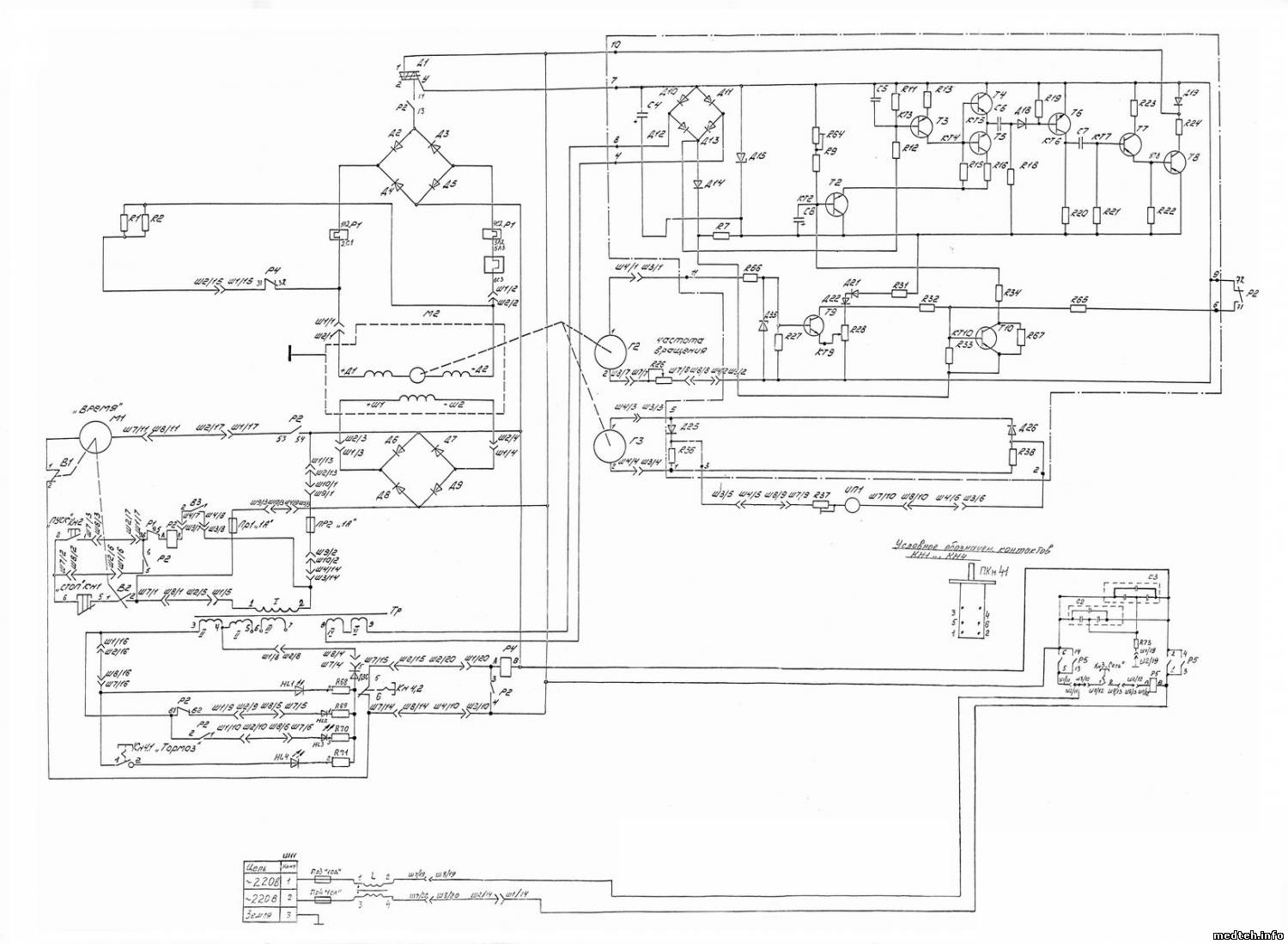
Вот схема на ОС-6М
6354064.jpg (144.8 Kb)


Обязательно указывайте:
1. Полное наименование центрифуги
2. Год выпуска
3. Подробное описание неисправности
 
helgeДата: Четверг, 03.Мар.2011, 09:00 | Сообщение # 4
У вас сообщений: 225
инженер
OFFлайн
Кыргызстан

Bishkek
Схемы управления у РС-6 и ОС-6М одинаковые. Отличие в:
-У РС-6 питание от трехфазной сети 380В
-Наличие холодильного агрегата в РС-6
-Наличие блока температурной стабилизации и управления холодильным агрегатом у РС-6

Т.е. ОС-6М - это урезанная версия РС-6


Обязательно указывайте:
1. Полное наименование центрифуги
2. Год выпуска
3. Подробное описание неисправности
 
renmasterДата: Четверг, 03.Мар.2011, 09:11 | Сообщение # 5
OFFлайн
Российская Федерация

Россия
Quote (lis63)
Вчера только видел мануал на ОС-6, без схем, сегодня пропал из хранилища. Модераторы, обратите внимание.

Quote (helge)
Схемы управления у РС-6 и ОС-6М одинаковые.

материал в двойном обьеме - смысл, занимать физическое пространство повторяющимся материалам unknown
 
lis63Дата: Четверг, 03.Мар.2011, 23:31 | Сообщение # 6
начальник участка
OFFлайн
Российская Федерация

Самара
ренмастер, остались только схемы, а в удаленном мануале описано, как она работает. Разобраться можно и без описания, но с описанием в разы удобнее. Просьба восстановить.
По теме: Обнаружил контактор Р2 (ПМЕ-111) со сгоревшей катушкой. Что-то стремное, 2 несвязанных неисправности, может, конкуренты гадят через своих людей.
 
helgeДата: Пятница, 04.Мар.2011, 08:21 | Сообщение # 7
У вас сообщений: 225
инженер
OFFлайн
Кыргызстан

Bishkek
Вот выдержка из паспорта с описанием работы.

Электрическая принципиальная схема работает следующим образом.
Нажатием на кнопку КнЗ (СЕТЬ) реле Р5 переводится во включенное состояние, его нормально разомкнутые контакты замкнутся, схема получит питание – индикаторы HL1 и HL2 кнопок КнЗ (СЕТЬ) и Кн1 (СТОП) загорятся.
Если крышка центрифуги закрыта, то контакты микровыключателя ВЗ блокировки крышки замкнуты. При нажатии на кнопку Кн2 (ПУСК) реле Р2 переводится во включенное состояние, при этом контакты реле Р2 шунтируют кнопку Кн2 (ПУСК), отключают индикатор HL1, включают индикатор HL2 кнопки Кн2 (ПУСК), разрывают цепь шунтирования конденсатора С8, подключают двигатель М2 к катодному выводу диодного моста
Д2-Д5.
На управляющий электрод триака Д1 с генератора, выполненного на транзисторах ТЗ, Т4, Т5, через дифференцирующий усилитель Т6, Т7, Т8 подаются управляющие импульсы. В начальный, момент после нажатия кнопки Кн2 напряжение на конденсаторе С8 равно нулю, что обуславливает подачу максимального управляющего напряжения с модулятора, выполненного на транзисторе Т2, на генератор.
Фазовый сдвиг управляющих импульсов относительно начала полуволны напряжения на триаке Д1 максимальный, при этом на электродвигатель М2 подается минимальное напряжение.
В результате заряда конденсатора С8 управляющее напряжение, поступающее с модулятора на генератор, уменьшается, что обуславливает уменьшение фазового сдвига управляющих импульсов и соответственно плавное нарастание напряжения на электродвигателе М2.
Происходит увеличение частоты вращения вала электродвигателя М2 до значения, заданного переменным резистором R26, валик которого связан с ручкой задатчика ЧАСТОТА ВРАЩЕНИЯ.
При достижении заданной частоты вращения напряжение на выходе датчика частоты вращения Г2 достигнет значения, при котором сработает пороговое устройство на транзисторе Т9,
конденсатор С8 начнет разряжаться через транзистор Т10, при этом фазовый сдвиг управляющих импульсов, поступающих с усилителя на триак Д1, увеличивается, напряжение, подаваемое на электродвигатель М2, уменьшается. Частота вращения вала электродвигателя снижается, напряжение на выходе тахогенератора уменьшается, транзистор Т9 закрывается, конденсатор С8 снова начнет заряжаться. Таким образом осуществляется автоматическое поддержание частоты вращения вала электродвигателя на заданном уровне.
Частота вращения контролируется по индикатору ИП1, на который подается напряжение с датчика частоты вращения ГЗ, выпрямленное диодами Д25, Д26.
Напряжение, подаваемое на электродвигатель привода центрифуги М2 через триак Д1, отключается нажатием на кнопку Кн1 (СТОП). При этом реле Р2 обесточивается, и если кнопка Кн4 (ТОРМОЗ) нажата и горит ее индикатор HL4, то электродвигатель М2 подключается к цепи из последовательно соединенных резисторов и переходит в режим динамического торможения.
Работа центрифуги с включенным механизмом отсчета времени (режим автоматического отключения привода центрифуги) отличается тем, что функцию кнопки Кн1 (СТОП) выполняет микровыключатель В2, установленный в корпусе механизма. При перемещении ручки механизма отсчета времени из положения ОТКЛ. в любое положение от 0 до 60 min центрифуга через микровыключатель В1 переводится в режим автоматического отключения привода.
Примечание - Если ручка механизма отсчета времени находится в положении «О», (что соответствует режиму автоматического выключения привода и нулевому интервалу времени работы), то при нажатии на кнопку Кн2(ПУСК) включения привода не произойдет, т.е. при работе центрифуги в режиме автоматического отключения привода для включения привода необходимо задать любой интервал времени отличный от нуля.


Обязательно указывайте:
1. Полное наименование центрифуги
2. Год выпуска
3. Подробное описание неисправности
 
lis63Дата: Пятница, 04.Мар.2011, 21:00 | Сообщение # 8
начальник участка
OFFлайн
Российская Федерация

Самара
Спасибо, коллеги. Сегодня заработала. Из дефектов:отказ транзисторов Т3, Т5, пускателя Р2. Поставил ПМУ-101, кажется.
Примечание - Если ручка механизма отсчета времени находится в положении «О», (что соответствует режиму автоматического выключения привода и нулевому интервалу времени работы), то при нажатии на кнопку Кн2(ПУСК) включения привода не произойдет, т.е. при работе центрифуги в режиме автоматического отключения привода для включения привода необходимо задать любой интервал времени отличный от нуля.
Это оч. важно. Раз-два в месяц стабильно бывают вызовы по теме: "она не крутит, сломалась!!!"
Проблема решена, всем спасибо за помощь!


Сообщение отредактировал lis63 - Суббота, 05.Мар.2011, 11:06
 
NadeborДата: Вторник, 08.Мар.2011, 08:16 | Сообщение # 9
Участник
У вас сообщений: 53
Инженер
OFFлайн
Российская Федерация

РФ
Здравствуйте. Может немного не по теме, но по центрифуге ОС6м. При нажатии кнопки "Пуск" или по истечении некоторого времени после запуска перегорали сетевые предохранители на 10а. Причина неисправности оказалась в дребезге контактов микрика в механизме отсчёта времени. Кроме этого обнаружился заводской дефект неправильная распайка кнопки "Тормоз", при её нажатии тормоз ротора отключался.
 
Maks1986Дата: Вторник, 28.Июн.2011, 17:50 | Сообщение # 10
Стажер
У вас сообщений: 30
Стажер
OFFлайн
Российская Федерация

городок
Всем доброго дня уважаемые знатоки. Проблема следующего характера: если с самого начала то в первые на этот аппарат поступила жалоба, что периодически перегорают предохранители 10A. Был заменен тиристор T122-25. Проработал стабильно 3 месяца и оба на такая же беда. При осмотре было выявлен оторванный провод (лежащий просто на клемо ) на Р2 контакте 14. Снял реле, убрал нагар, прикрутил провод. Все заработало, но вот беда очень быстро и сильно (около 170 и постоянно растет температура) греются резисторы R1,R2. Двигатель проверяли на стенде, дали заключение что исправен (сомнительная информация). В чем может быть неисправность и какая вообще температура у этих резисторов там? Заранее благодарю.
 
seatovodДата: Вторник, 28.Июн.2011, 22:06 | Сообщение # 11
У вас сообщений: 625
инженер
OFFлайн
Российская Федерация

Нижний Новгород
Maks1986, давно не попадались эти центрифуги, надо смотреть схему. Однозначно можно сказать, что резисторы R1, R2 предназначены при остановке для интенсивного (динамического) торможения, когда двигатель работает в генераторном режиме. Соответственно, при включении и нормальной работе напряжения на них быть вообще не должно (и нагрева тоже wink ). Проверь напряжение на резисторах, схема ОС-6М есть в хранилище.
 
helgeДата: Среда, 29.Июн.2011, 07:09 | Сообщение # 12
У вас сообщений: 225
инженер
OFFлайн
Кыргызстан

Bishkek
Резисторы R1, R2 работают только в режиме торможения и то, если нажата кнопка ТОРМ. В процессе разгона и установившемся режиме они не работают. Если они греются, однозначно нужно смотреть исправность пускателя Р4. В режиме ПУСК он должен быть включенным и своими контактами 31-32 должен разомкнуть резисторы от цепи двигателя.
 
Maks1986Дата: Среда, 29.Июн.2011, 12:04 | Сообщение # 13
Стажер
У вас сообщений: 30
Стажер
OFFлайн
Российская Федерация

городок
Так и есть по какой то странной причине был установлен рабочим контактом на P4 5-6 контакты. Проверяю дальше.
 
Maks1986Дата: Среда, 29.Июн.2011, 17:34 | Сообщение # 14
Стажер
У вас сообщений: 30
Стажер
OFFлайн
Российская Федерация

городок
Только я успел обрадоваться что все нормально, как вылезла еще одна беда. Когда выставляешь от 0,5 до 3 тыс оборотов все работает нормально, как только ставишь 4 и выше, то центрифуга разгоняется до 3200 оборотов и менее чем через 5 мин вырубается
и перестала включаться совсем, предохранители все целы. Через минут 30 она опять запустилась. В чем может быть беда?


Сообщение отредактировал Maks1986 - Четверг, 30.Июн.2011, 10:31
 
helgeДата: Четверг, 30.Июн.2011, 11:33 | Сообщение # 15
У вас сообщений: 225
инженер
OFFлайн
Кыргызстан

Bishkek
С таким объемом исходной информации по неисправности, могу посоветовать только танец с бубном yes Подробнее пожалуйста. С самого начала. Какого года выпуска центрифуга? В каком положении органы управления? В каком режиме:с часами-без часов? Какая индикация горит? Какие показания на стрелочном приборе? Когда не включается, горит ли индикатор сеть? Может просто вилка в розетке не контачит? Проверяли ли напряжения на центрифуге, плате управления. Или вы медик, а не ремонтник?
 
Maks1986Дата: Четверг, 30.Июн.2011, 13:02 | Сообщение # 16
Стажер
У вас сообщений: 30
Стажер
OFFлайн
Российская Федерация

городок
Центрифуга 2005 года выпуска. Органы управления находятся в положении: регулятор частоты на 4, работа в режиме с часами, регулятор находится на положении 30 минут. На стрелочном приборе показывает 3200. При включенном состоянии индикация: горит сеть и пуск. После 5-10 минут работы срабатывает реле и центрифуга выключается. Индикация горит: сеть и стоп. При повторном включении на кнопку пуск аппарат не запускается (индикация остается та же: сеть и стоп). Очень сильно греется двигатель. При работе на частоте 3000 (регулятор на положении 3) центрифуга не отключается, но заметен сильный нагрев двигателя с характерным запахом. При изменении регулятора частоты в большую сторону 5-6 частота не превышает 3200. Напряжение на контактах Д1-Д2 175В, Ш1-Ш2 98В.
 
helgeДата: Пятница, 01.Июл.2011, 07:25 | Сообщение # 17
У вас сообщений: 225
инженер
OFFлайн
Кыргызстан

Bishkek
Вероятная причина - сдох один (или два) диода моста обмотки возбуждения двигателя Д6-Д9. На контактах двигателя Ш1-Ш2 должно быть выпрямленное напряжение 220В, а не 98. Из-за этого и двигатель греется и обороты не набирает. А то, что отключается через некоторое время, то скорее всего срабатывает тепловое реле защиты Р1, которое своими контактами разрывает цепь питания пускателя Р2.
Есть ли у Вас схема на центрифугу?
 
Maks1986Дата: Пятница, 01.Июл.2011, 07:43 | Сообщение # 18
Стажер
У вас сообщений: 30
Стажер
OFFлайн
Российская Федерация

городок
Да схема и перечень элементов есть. Спасибо за совет, попробую поменять а там посмотрим что выйдет.
 
Maks1986Дата: Пятница, 01.Июл.2011, 14:30 | Сообщение # 19
Стажер
У вас сообщений: 30
Стажер
OFFлайн
Российская Федерация

городок
Заменил все диоды д2-д9 были установлены 2Д206А, заменил на КТ206В. Эффект тот же, напряжение на выводах Д1-Д2 при 3200 около 100В. померил приходящий переменный ток на диодный мост (между Д5 и Д1) равно 205. Д1 менялся на ТС2-25. На выходы Ш1-Ш2 по прежнему 195В. Может ли быть проблема в Д1 или проблема в управлении им? Насколько я понимаю на выходах Д1-Д2 должно быть 220В при максимальном вращательном движении двигателя 6000 оборотов?

Сообщение отредактировал Maks1986 - Суббота, 02.Июл.2011, 10:20
 
helgeДата: Понедельник, 04.Июл.2011, 07:16 | Сообщение # 20
У вас сообщений: 225
инженер
OFFлайн
Кыргызстан

Bishkek
Quote (Maks1986)
заменил на КТ206В

Наверное, имелось ввиду КД206В.

Quote (Maks1986)
напряжение на выводах Д1-Д2 при 3200 около 100В

Чудес не бывает. Если на входе диодного моста ~220В. То на выходе ИСПРАВНОГО моста никак не может быть =100В. Или мост спаян не верно(перемычки между выводами диодов), или диоды моста дохлые, или измерительный прибор врет. Если предположить, что обмотка возбуждения так садит напряжение, то предохранители горели бы, как спички, да сами диоды калились бы очень сильно. Копайте дальше. Именно здесь собака порылась.
 
Maks1986Дата: Пятница, 08.Июл.2011, 10:29 | Сообщение # 21
Стажер
У вас сообщений: 30
Стажер
OFFлайн
Российская Федерация

городок
Извиняюсь что долго не отвечал. Смысл в том что при разных оборотах напряжение разное, следовательно могу предположить что на 6000 оборотах на Д1-Д2 и должно быть 220В. . а так как двигатель не исправен то и развить эти обороты не может. Встает другой вопрос, возможно где нибудь найти этот двигатель?
 
helgeДата: Понедельник, 11.Июл.2011, 07:50 | Сообщение # 22
У вас сообщений: 225
инженер
OFFлайн
Кыргызстан

Bishkek
Стоп, стоп. Вы меня не путайте.
Quote (Maks1986)
При изменении регулятора частоты в большую сторону 5-6 частота не превышает 3200. Напряжение на контактах Д1-Д2 175В, Ш1-Ш2 98В.


Quote (Maks1986)
Эффект тот же, напряжение на выводах Д1-Д2 при 3200 около 100В. померил приходящий переменный ток на диодный мост (между Д5 и Д1) равно 205. Д1 менялся на ТС2-25. На выходы Ш1-Ш2 по прежнему 195В.


Так где же правильно.

Давайте еще раз уточним. Выводы двигателя Д1-Д2. Это выводы якорной обмотки, на которые подается регулируемое постоянное напряжение с диодного моста Д2-Д5 и симистора Д1. Напряжение на этих выводах изменяется от 0 до полного напряжения питания.
Выводы двигателя Ш1-Ш2. Это выводы обмотки возбуждения, на которые подается нерегулируемое постоянное напряжение 220В с диодного моста Д6-Д9.
Так где у вас что, и где какое напряжение? Определитесь пожалуйста.
 
helgeДата: Понедельник, 11.Июл.2011, 07:52 | Сообщение # 23
У вас сообщений: 225
инженер
OFFлайн
Кыргызстан

Bishkek
Может у вас провода на двигателе попутаны? Ш1-Ш2 и Д1-Д2.
 
Maks1986Дата: Понедельник, 11.Июл.2011, 15:50 | Сообщение # 24
Стажер
У вас сообщений: 30
Стажер
OFFлайн
Российская Федерация

городок
Извиняюсь за путаницу, на Ш1-Ш2 у меня около 180В, а на Д1-Д2 при 3200, около 100В (возрастает от 0 до 100)
 
helgeДата: Вторник, 12.Июл.2011, 09:17 | Сообщение # 25
У вас сообщений: 225
инженер
OFFлайн
Кыргызстан

Bishkek
Хорошо.
1. С каким ротором на валу вы проводите эти измерения (или вообще без ротора)?
2. При включенной центрифуге, в режиме СТОП замерьте ток обмотки возбуждения (в разрыв провода одной из клемм Ш1-Ш2).
3. Подключите амперметр постоянного тока в разрыв провода одной из клемм Д1-Д2. В режиме ПУСК, когда двигатель доходит до частоты 3200 и дальше не идет, замерьте ток двигателя по амперметру.
Сообщите тип ротора и измеренные значения.
 
Maks1986Дата: Вторник, 12.Июл.2011, 16:10 | Сообщение # 26
Стажер
У вас сообщений: 30
Стажер
OFFлайн
Российская Федерация

городок
1. Используется ротор РК 4х750
2. Подключал амперметр в разрыв Ш2. показал -0.18А
3. Подключал амперметр в разрыв Д2. при достижение 3200 оборотов ампераж дошел до -9.6 А и росло дальше ( остановил центрифугу так как амперметр мериет только до 10 ампер).
 
helgeДата: Четверг, 14.Июл.2011, 07:47 | Сообщение # 27
У вас сообщений: 225
инженер
OFFлайн
Кыргызстан

Bishkek
Quote (Maks1986)
1. Используется ротор РК 4х750

Нуууу! Все понятно.
Вы что, хотели его на 6000 раскрутить?
Оставьте центрифугу в покое. Она в исправности. Читайте инструкцию по эксплуатации.
Максимальная частота вращения с этим ротором - 2500 об/мин. Если поставите больше, то возможно центрифуга и вытянет 3000-3200 оборотов, да и то с сильной перегрузкой по току. Потому он и греется у вас, и тепловое реле срабатывает.
Максимальный ток двигателя для этой центрифуги составляет - не более 4,2А в установившемся режиме, и не более 7,5А в процессе разгона.
Для работы на 6000 об/мин применяются ротора РУ60х25, РУ8х90.
Если только попробовать, то совсем снимите ротор с вала и прокрутите без ротора на 6000 об/мин.
Успехов.
 
Maks1986Дата: Четверг, 14.Июл.2011, 17:35 | Сообщение # 28
Стажер
У вас сообщений: 30
Стажер
OFFлайн
Российская Федерация

городок
Спасибо огромное за помощь, а то бы так и никогда не догадался . А ввело в дезориентацию слова мед. персонала, что мы типа работали на больших оборотах (видно что большие обороты это и есть 2500 ). Пока все в норме, работает с перерывами на отдых весь день. Проблема решена.
 
sacha91Дата: Среда, 14.Сен.2011, 23:09 | Сообщение # 29
Заглянувший
У вас сообщений: 1
студент
OFFлайн
Украина

тернополь
нужна схема центрифуги лабораторной ОС-6М
 
AlexiumДата: Понедельник, 03.Окт.2011, 09:54 | Сообщение # 30
Инженер медтехник
OFFлайн
Российская Федерация

Саратов
http://electro-tech.narod.ru/schematics/medical/laboratory/os-6m.htm
 
saddam-095Дата: Четверг, 16.Май.2013, 12:00 | Сообщение # 31
Завсегдатай
У вас сообщений: 269
электромеханик
OFFлайн
Российская Федерация

гудермес
ДОБРЫЙ ДЕНЬ КОЛЛЕГИ! ТАКОЕ ДЕЛО, АППАРАТ БЕЗ ПРИЗНАКОВ ЖИЗНИ ПОСМОТРЕЛ ПРЕДОХРАНИТЕЛИ ЗАМЕНИЛ ПЕРЕГОРЕВШИЙ, ВКЛЮЧИЛСЯ... НАЖИМАЮ КНОПКУ СТАРТ, НАЧИНАНАЕТЬСЯ СИЛЬНЫЙ ГУЛ И БЫСТРЫЙ РАЗГОН РОТОРА. ДВЕ СЕКУНДЫ И ГОРИТ ПРЕДОХРАНИТЕЛЬ. ЕСТЬ СООБРАЖЕНИЯ ЧТО В МЕСТО ПЛАВНОГО РОСТА НАПРЯЖЕНИЯ НА ДВИГАТЕЛЬ ПОДАЕТСЯ СРАЗУ МАКСИМУМ.... НО Я РЕШИЛ ОБРАТИТЬСЯ К ВАМ. ДРУЗЬЯ С ЭТИМ ЯЩИКОМ Я СТАЛКНУЛСЯ ВПЕРВЫЕ И ЛЮБАЯ ПОМОШЬ НЕ ПОМЕШАЕТ. dance2
 
MunlikДата: Четверг, 16.Май.2013, 13:20 | Сообщение # 32
Завсегдатай
У вас сообщений: 250
сервис-инженер
OFFлайн
Казахстан

Петропавловск
я думаю надо вам Saddam-095 прозвонить симистор/тиристор не зря
Цитата (saddam-095)
СИЛЬНЫЙ ГУЛ И БЫСТРЫЙ РАЗГОН РОТОРА.

либо что им управляет т.е схема управления симистором, да откл движок посади в место него лампочку не будет хоть грохота ireful
Нужно точно модификацию знать есть большие для центров крови а есть маленькие для клинических лабораторий в больницах глянул в NETе
 
saddam-095Дата: Четверг, 16.Май.2013, 13:36 | Сообщение # 33
Завсегдатай
У вас сообщений: 269
электромеханик
OFFлайн
Российская Федерация

гудермес
ОС-06 УХЛ4.2, СПАСИБО ЗА ОТЗЫВ...
 
MunlikДата: Четверг, 16.Май.2013, 14:26 | Сообщение # 34
Завсегдатай
У вас сообщений: 250
сервис-инженер
OFFлайн
Казахстан

Петропавловск
ясно для центра крови
 
saddam-095Дата: Четверг, 16.Май.2013, 14:36 | Сообщение # 35
Завсегдатай
У вас сообщений: 269
электромеханик
OFFлайн
Российская Федерация

гудермес
ДРУЖИЩЕ У ВАС СХЕМЫ НЕТ СЛУЧАЙНО? ДЕЛО ВТОМ ЧТО ТАМ ГДЕ ОНА НАХОДИТЬСЯ НЕТ НИ КОМПА НИ ИНЕТА. ХОТЕЛ ПОЕХАТЬ ВООРУЖЕННЫМ....
 
MunlikДата: Четверг, 16.Май.2013, 15:07 | Сообщение # 36
Завсегдатай
У вас сообщений: 250
сервис-инженер
OFFлайн
Казахстан

Петропавловск
Цитата (saddam-095)
ДРУЖИЩЕ У ВАС СХЕМЫ НЕТ СЛУЧАЙНО?


надеюсь это схема
3952683.jpg (112.1 Kb) · 3915090.jpg (70.5 Kb)
 
YRA46Дата: Четверг, 16.Май.2013, 16:00 | Сообщение # 37
Стоматология, Стерилизация
OFFлайн
Российская Федерация

г. Курск
saddam-095, CAPS LOCK отключите.... ireful не надо тут орать biggrin
 
MickДата: Четверг, 16.Май.2013, 19:50 | Сообщение # 38
Участник
У вас сообщений: 64
медтехник
OFFлайн
Российская Федерация

Новокузнецк
Цитата (Munlik)
надеюсь это схема
Это схема ОПН-8
 
DimitriusДата: Четверг, 16.Май.2013, 20:05 | Сообщение # 39
У вас сообщений: 410
инженер
OFFлайн
Украина

Украина
Цитата (saddam-095)
У ВАС СХЕМЫ НЕТ СЛУЧАЙНО


А поиском пробывали пользоваться?
ос-6м
 
swinДата: Суббота, 18.Май.2013, 18:32 | Сообщение # 40
У вас сообщений: 369
врач КЛД, техник-электрик
OFFлайн
Российская Федерация

Воронеж
А сопротивление обмоток двигателя - нет ли межвиткового КЗ ? Не пробиты диоды моста?

Сообщение отредактировал swin - Суббота, 18.Май.2013, 18:38
 
  • Страница 1 из 2
  • 1
  • 2
  • »
Поиск:



Статистика Форума
Последние обновления тем: Новые файлы хранилища: Новые участники: Top10 участников:
1. Аппараты НЧ электроте...[aleksan (28.Май.2026)]
2. При операции с примен...[susel63 (28.Май.2026)]
3. Техническая поддержка...[UPZ (25.Май.2026)]
4. MOVIPLAN (УниКоРД-МТ)...[SpirituS (24.Май.2026)]
5. Аппарат магнитотерапе...[SpirituS (24.Май.2026)]
6. Стоматустановка K3 ф....[zizeroman (24.Май.2026)]
7. Анализатор гематологи...[fred1 (22.Май.2026)]
8. ЭХВЧ-400 ск-"Ник...[Olegosh (21.Май.2026)]
9. Анализатор биохимичес...[laverse (19.Май.2026)]
1. Apollo EZ service man...[25.Дек.2025]
2. VIVIX Setup Operation...[12.Окт.2025]
3. GenwareMP[10.Сен.2025]
4. Настройка реагентов M...[20.Авг.2025]
5. Philips HD3-EXP[13.Авг.2025]
6. Рентгеновское оборудо...[08.Авг.2025]
7. VersaMed iVent201 Сер...[13.Фев.2025]
8. Гелпик КРД Ренекс РЦ ...[09.Фев.2025]
9. Офтальмологическая ус...[31.Окт.2024]
10. Cardinal-Health-VELA-...[03.Окт.2024]
1. wenderer861[28.Май.2026]
2. karabas1167[28.Май.2026]
3. Paulus[28.Май.2026]
4. hismatulinaKsenia[28.Май.2026]
5. nefrid12[28.Май.2026]
6. roser362[27.Май.2026]
7. Romany4777[27.Май.2026]
8. RVA-59[27.Май.2026]
9. Dream_29[26.Май.2026]
10. 89503843712[26.Май.2026]
МастерБаку[583]
Yulana34[177]
Serg74[160]
Dimitrius[129]
naves[122]
РОМУЛ[121]
bektyish[121]
madmac[116]
Алекс-200[114]
генаf[112]