[ Новые сообщения · Участники · Правила форума · Поиск · RSS ]



  • Страница 1 из 1
  • 1
Модератор форума: zx19  
Центрифуга "Дніпро-МПВ"
DimitriusДата: Четверг, 10.Ноя.2011, 20:56 | Сообщение # 1
У вас сообщений: 410
инженер
OFFлайн
Украина

Украина
Получили в ремонт 5 центрифуг с абсолютно одинаковыми неисправностями(чудеса но факт)(вот такие http://www.ua.all.biz/g636130/ )
Проблема в следующем:
-при задании времени и выборе частоты вращения, не происходит старт центрифуги(ротор рассчитан на 3000 - не работает что с 2400 что с 3000 оборотов))

но, если помочь ей вначале раскрутится(поддать ускорения) то запускается и цикл отрабатывает нормально
перебирали движок - не помогло

есть догадка что тиристор не в режиме , кто сталкивался или у кого есть схема?
5914188.jpg (212.5 Kb) · 8436013.jpg (195.0 Kb) · 5722516.jpg (195.0 Kb)


Сообщение отредактировал Dimitrius - Понедельник, 21.Ноя.2011, 00:18
 
AlexiumДата: Четверг, 10.Ноя.2011, 21:45 | Сообщение # 2
Инженер медтехник
OFFлайн
Российская Федерация

Саратов
Quote (Dimitrius)
есть догадка что тиристор не в режиме , кто сталкивался или у кого есть схема?

Есть предположение, что коллектор двигателя не в режиме (если это коллекторный двигатель)
Есть подозрение, что вздулся конденсатор рядом с оптопарой.
Есть предположение, что надо померить напряжение на двигателе.
 
STarasДата: Четверг, 10.Ноя.2011, 22:16 | Сообщение # 3
инженер-электроакустика, ультразвук
OFFлайн
Украина

Ровно
Была такая недавно в ремонте - двигателю каюк. Позвонил к разработчико-продавателям - какой-то отставник (он у них сервисом заведует) запел за движок 6 тыс. грн. - отдал на хранение-списание.
 
віктор64Дата: Пятница, 11.Ноя.2011, 19:12 | Сообщение # 4
У вас сообщений: 61
Часний предприниматель по ремонту
OFFлайн
Украина

Винница
На кренке посмотри напряжение и пульсации.
 
helgeДата: Понедельник, 14.Ноя.2011, 10:04 | Сообщение # 5
У вас сообщений: 225
инженер
OFFлайн
Кыргызстан

Bishkek
Судя по фотографиям и вашему описанию можно предположить, что двигатель асинхронный конденсаторный. Скорее всего торможение осуществляется противовключением на пониженном напряжении, последовательно через мощный резистор. Также можно предположить, что не поступает питание на одну из обмоток двигателя или она сгорела. Т.е. приходится вручную раскручивать. Проверьте цепи питания, прозвоните обмотки двигателя и оба реле на плате.
 
DimitriusДата: Понедельник, 21.Ноя.2011, 00:17 | Сообщение # 6
У вас сообщений: 410
инженер
OFFлайн
Украина

Украина
Итак подведу итог по борьбе с этими умными пылесосоми
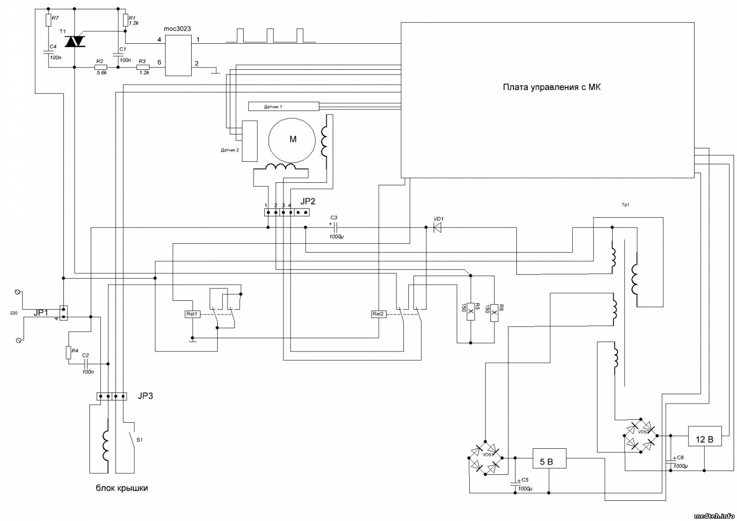
-при обследовании первой центрифуги пришлось зарисовать схему силовой части(вот выложу-может кому то пригодится), мне она помогла в 3-х центрифугах). Криво сделано - добраться до электроники можно только сняв пробиркодержатель(а тот закисает на ура от лабораторной химии - точнее шестигранный стопорящий болт ) ireful
-1)центрифуга №1 поехала на завод(датчики оборотов -а их там два: вверху и внизу движка, лапки сложили)
-2)центрифуга №2 тоже на завод - закис пробиркодержатель так что только разрезать нужно(и ещё кто то посадил на холодную сварку или что то подобное стопорный болт )
-3)центрифуга №3 была подбитая оптопара MOC3023 - замена вылечила центрифугу
-4)центрифуга №4 подгорел резистор в цепи УЭ симистора на 1.2кОМ - вылечилось заменой на новый(номинал взял из другой платы)
-5)центрифуга №5 был вздут электролит в цепи питания +5В и паршивел стабилизатор +12В - замена реанимировала
8955761.jpg (99.5 Kb)


Сообщение отредактировал Dimitrius - Понедельник, 21.Ноя.2011, 21:32
 
helgeДата: Понедельник, 21.Ноя.2011, 08:36 | Сообщение # 7
У вас сообщений: 225
инженер
OFFлайн
Кыргызстан

Bishkek
Что-то со схемой у Вас не все верно. Куда подключается верхний по схеме вывод симистора? Сейчас он висит в воздухе. Снаббер есть, а силовой цепи нет.
Да, и мое предположение, что торможение осуществляется противовключением оказалось не верным. Здесь торможение осуществляется постоянным током.
 
DimitriusДата: Понедельник, 21.Ноя.2011, 21:36 | Сообщение # 8
У вас сообщений: 410
инженер
OFFлайн
Украина

Украина
уже предоставил полную зарисовку, и торможение постоянным током.

п.с . Центрифуги вашего производства тоже не раз попадались - скажу честно не ради рекламы а своё мнение: Ваши центрифуги редко ломаются (ломаются или по вине персонала или после заливки всякой химией, или просто П2К снашиваются) и лучше в ремонте и обслуживании. Так что так и дальше держать в выпуске продукции


Сообщение отредактировал Dimitrius - Вторник, 22.Ноя.2011, 20:45
 
helgeДата: Вторник, 22.Ноя.2011, 09:21 | Сообщение # 9
У вас сообщений: 225
инженер
OFFлайн
Кыргызстан

Bishkek
Спасибо! Стараемся.
 
DimitriusДата: Пятница, 02.Дек.2011, 21:37 | Сообщение # 10
У вас сообщений: 410
инженер
OFFлайн
Украина

Украина
пришли с завода 2 горе пылесоса, 3500 грн выставили за обе
 
GermesДата: Воскресенье, 17.Июн.2012, 00:12 | Сообщение # 11
Заглянувший
У вас сообщений: 1
инженер
OFFлайн
Украина

Одесса
В центрифуге Дніпро-МПВ сгорел двигатель, отдал на перемотку забыл снять нижний таходатчик, двигатель перемотали а датчик повредили не могу разобратся каокй был. Подскажите плиз какой датчик поставить и если можно фото как оно должно быть
 
DimitriusДата: Среда, 20.Июн.2012, 20:53 | Сообщение # 12
У вас сообщений: 410
инженер
OFFлайн
Украина

Украина
Germes, лучше всего свяжитесь с заводом-там помогут.
 
serg_89Дата: Среда, 23.Апр.2014, 15:53 | Сообщение # 13
Участник
У вас сообщений: 50
Рентген
OFFлайн
Украина

Тернополь
Здравствуйте!!!
такой вопрос по центрифуге "Дніпро-МПВ" (2002 год), вигорела плата и три сопротивления нужни номинали резисторов вот фото плати
8959788.jpg (235.7 Kb)


Сообщение отредактировал serg_89 - Среда, 23.Апр.2014, 15:55
 
DimitriusДата: Среда, 23.Апр.2014, 21:30 | Сообщение # 14
У вас сообщений: 410
инженер
OFFлайн
Украина

Украина
Это только с заводом, старая модификация, или как вариант ещё искать точно такую. Скажу так- по поводу пообщаться с заводом не выйдет, там всё конспиративно, только присылайте нам, мы когда то пробывали узнать номинал одного резистора, прождали месяц а толку ноль.
 
RZVTДата: Понедельник, 15.Апр.2019, 11:42 | Сообщение # 15
Участник
У вас сообщений: 78
инженер-ремонтник
OFFлайн
Украина

Кривой Рог
На центрифуге ДНИПРО-МПВ сгорел двигатель. Отдали на перемотку. Все получилось хорошо. но забыли намотать обмотку тахогенератора :).
Выход из положения - изготовили новый блок управления под "модернизированный" двигатель.
В результате имеем в наличии оригинальный рабочий блок управления.
Если кому нужен - пишите.
8134824.jpg (185.9 Kb) · 5332754.jpg (139.9 Kb)


Я должен видеть, чем я дышу
 
  • Страница 1 из 1
  • 1
Поиск:



Статистика Форума
Последние обновления тем: Новые файлы хранилища: Новые участники: Top10 участников:
1. Аппараты НЧ электроте...[aleksan (28.Май.2026)]
2. При операции с примен...[susel63 (28.Май.2026)]
3. Техническая поддержка...[UPZ (25.Май.2026)]
4. MOVIPLAN (УниКоРД-МТ)...[SpirituS (24.Май.2026)]
5. Аппарат магнитотерапе...[SpirituS (24.Май.2026)]
6. Стоматустановка K3 ф....[zizeroman (24.Май.2026)]
7. Анализатор гематологи...[fred1 (22.Май.2026)]
8. ЭХВЧ-400 ск-"Ник...[Olegosh (21.Май.2026)]
9. Анализатор биохимичес...[laverse (19.Май.2026)]
1. Apollo EZ service man...[25.Дек.2025]
2. VIVIX Setup Operation...[12.Окт.2025]
3. GenwareMP[10.Сен.2025]
4. Настройка реагентов M...[20.Авг.2025]
5. Philips HD3-EXP[13.Авг.2025]
6. Рентгеновское оборудо...[08.Авг.2025]
7. VersaMed iVent201 Сер...[13.Фев.2025]
8. Гелпик КРД Ренекс РЦ ...[09.Фев.2025]
9. Офтальмологическая ус...[31.Окт.2024]
10. Cardinal-Health-VELA-...[03.Окт.2024]
1. wenderer861[28.Май.2026]
2. karabas1167[28.Май.2026]
3. Paulus[28.Май.2026]
4. hismatulinaKsenia[28.Май.2026]
5. nefrid12[28.Май.2026]
6. roser362[27.Май.2026]
7. Romany4777[27.Май.2026]
8. RVA-59[27.Май.2026]
9. Dream_29[26.Май.2026]
10. 89503843712[26.Май.2026]
МастерБаку[583]
Yulana34[177]
Serg74[160]
Dimitrius[129]
naves[122]
РОМУЛ[121]
bektyish[121]
madmac[116]
Алекс-200[114]
генаf[112]