[ Новые сообщения · Участники · Правила форума · Поиск · RSS ]



  • Страница 1 из 1
  • 1
Модератор форума: zx19  
Анализатор гематологический Cell-Dyn 1700
trend100Дата: Среда, 06.Июн.2012, 22:33 | Сообщение # 1
У вас сообщений: 313
лаборатория
OFFлайн


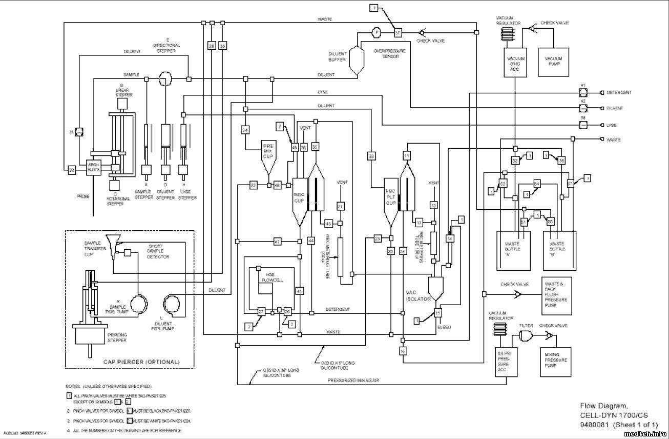
Собс-но сабж чудовищный аппарат года так 95-го со встроеном пнем 100мгц и аш 4мб оперативы.Выдает эту ошибку ...и где эти " accumulators"???? ireful Помогите разобраться после prime делает несколько щелчков всеми клапанами чуть жужнет помпами и опять выдает ошибку mad Чо с ним делать-то?

Сообщение отредактировал trend100 - Понедельник, 11.Июн.2012, 10:25
 
AlexiumДата: Среда, 06.Июн.2012, 23:03 | Сообщение # 2
Инженер медтехник
OFFлайн
Российская Федерация

Саратов
Это поможет?
The field svc rep (fsr) found that sections of tygon tubing were clogged/obstructed and proceeded to clean the tubing from the pressure accumulator to the rbc and wbc chambers. The bubble mix greatly improved. Then, the tubing from the rbc chambers was cleaned and flushed to stop fluid overflow. A complete preventive maintenance (pm) was advised to improve precision. Controls were run and passed. Subsequent instrument operations and test results were acceptable.
 
AlexiumДата: Четверг, 07.Июн.2012, 07:19 | Сообщение # 3
Инженер медтехник
OFFлайн
Российская Федерация

Саратов
-
9971885.jpg (28.9 Kb)
 
trend100Дата: Четверг, 07.Июн.2012, 14:16 | Сообщение # 4
У вас сообщений: 313
лаборатория
OFFлайн


Alexium,
Хмм...Что за accumulators? Мож у тебя гидросхема есть?там же черт голову снимет :ireful:

На левой стенке емкость полностью заполнена жидкостью, а все остальные пусты, при этом вода в сливной трубке отсутствует практически
 
AlexiumДата: Четверг, 07.Июн.2012, 15:49 | Сообщение # 5
Инженер медтехник
OFFлайн
Российская Федерация

Саратов
Waste - отходы
Accumulators - сборник, накопитель

Waste accumulator -сборник отходов.

Quote (trend100)
На левой стенке емкость полностью заполнена жидкостью

Слейте отходы из накопителя и запустите по новому, посмотрите на каком этапе возникает проблема.
 
trend100Дата: Суббота, 09.Июн.2012, 06:32 | Сообщение # 6
У вас сообщений: 313
лаборатория
OFFлайн


Alexium,
Да в том то и дело,что никакая это не бутылка с отходами... Скорее вакуумная камера
Quote (Alexium)
to clean the tubing from the pressure accumulator to the rbc and wbc chambers.
.,хотя нет уверенности,да и понять что где тяжеловато
 
AlexiumДата: Суббота, 09.Июн.2012, 07:18 | Сообщение # 7
Инженер медтехник
OFFлайн
Российская Федерация

Саратов
-
3038261.jpg (120.2 Kb)
 
trend100Дата: Понедельник, 11.Июн.2012, 10:25 | Сообщение # 8
У вас сообщений: 313
лаборатория
OFFлайн


Спасибо.Все заработало.решено
 
  • Страница 1 из 1
  • 1
Поиск:



Статистика Форума
Последние обновления тем: Новые файлы хранилища: Новые участники: Top10 участников:
1. Установка импульсная ...[юранак (13.Фев.2026)]
2. ИВЛ Hamilton C1 ф.Ham...[masloff (12.Фев.2026)]
3. Выбор принтера для ра...[seabee (12.Фев.2026)]
4. Sonoscanner Orcheo li...[Azatus7 (10.Фев.2026)]
5. рентген.аппарат Prote...[medplus (06.Фев.2026)]
6. ремонт спектрофотоме...[specordm (06.Фев.2026)]
7. Вошер PW-40 ф.Bio-Rad[zennka (06.Фев.2026)]
8. Медицинское лаборатор...[ruha (05.Фев.2026)]
9. MicroAire 5020 гаснет...[Sergei_m (04.Фев.2026)]
1. Apollo EZ service man...[25.Дек.2025]
2. VIVIX Setup Operation...[12.Окт.2025]
3. GenwareMP[10.Сен.2025]
4. Настройка реагентов M...[20.Авг.2025]
5. Philips HD3-EXP[13.Авг.2025]
6. Рентгеновское оборудо...[08.Авг.2025]
7. VersaMed iVent201 Сер...[13.Фев.2025]
8. Гелпик КРД Ренекс РЦ ...[09.Фев.2025]
9. Офтальмологическая ус...[31.Окт.2024]
10. Cardinal-Health-VELA-...[03.Окт.2024]
1. vladimir_r[13.Фев.2026]
2. vlknv[13.Фев.2026]
3. Ormet[13.Фев.2026]
4. Pyrkin_Vladislav[13.Фев.2026]
5. cassius77[13.Фев.2026]
6. Dadasha[12.Фев.2026]
7. Vadka1977[12.Фев.2026]
8. Igoda[12.Фев.2026]
9. svetla[12.Фев.2026]
10. nz911[12.Фев.2026]
МастерБаку[583]
Yulana34[177]
Serg74[160]
Dimitrius[129]
naves[122]
РОМУЛ[121]
bektyish[121]
madmac[116]
Алекс-200[114]
генаf[112]