[ Новые сообщения · Участники · Правила форума · Поиск · RSS ]



  • Страница 1 из 1
  • 1
Модератор форума: zx19  
Анализатор биохимический бекман культер Синхрон СХ9
Dima0873Дата: Понедельник, 18.Июн.2012, 21:15 | Сообщение # 1
Стажер
У вас сообщений: 23
инженер
OFFлайн
Российская Федерация

Екатеринбург
Всем привет!
помогите советом кто может. Прибор при запуске выдает ошибку "низкое давление". Анализатор "навароченный", мануала никакого нет, что делать не знаю. Вакуум и давление воды в норме.
 
fred1Дата: Понедельник, 18.Июн.2012, 22:06 | Сообщение # 2
У вас сообщений: 550
инженер BeckmanCoulter, Siemens MRT
OFFлайн
Российская Федерация

Анапа
Сколько эксплуатировался,где стоит,не простаивал ли перед запуском ?

Открой переднюю дверь(левую) на блоке гидропневматики стоят манометры,стрелки должны быть в зеленых секторах.
жду информацию !
 
Dima0873Дата: Вторник, 19.Июн.2012, 22:24 | Сообщение # 3
Стажер
У вас сообщений: 23
инженер
OFFлайн
Российская Федерация

Екатеринбург
Сколько лет эксплуатировался сказать не могу, не знаю. В пятницу работал, а после выходных не завелся.
Стрелка на манометре высокого давления(красная магистраль) зашкаливает, а вот низкого давления(синяя) вообще нет-стрелка лежит на нуле. Может какой клапан надо посмотреть?
 
fred1Дата: Среда, 20.Июн.2012, 23:07 | Сообщение # 4
У вас сообщений: 550
инженер BeckmanCoulter, Siemens MRT
OFFлайн
Российская Федерация

Анапа
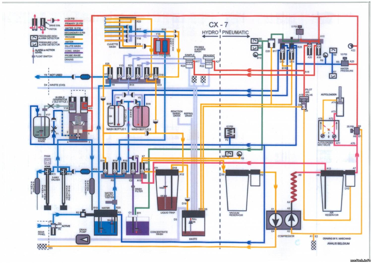
Посмотри схему гидравлики, есть подозрение что заклинило какой то клапан, либо вышел из строя регулятор давления 25 PSI , сначала разбери и прочисти его, а потом можно смотреть далее. Еще бывает проблема с pilot air valve , его надо разобрать почистить и смазать силиконовой смазкой ( стоит справа над компрессором) В синей линии с давлением не все так просто, там присутствует как бы два давления, от поступающей воды и от регулятора на 10 PSI , сначала надо все проверить ! Схема теперь у тебя есть !
2002601.jpg (196.3 Kb)
 
Dima0873Дата: Четверг, 21.Июн.2012, 17:49 | Сообщение # 5
Стажер
У вас сообщений: 23
инженер
OFFлайн
Российская Федерация

Екатеринбург
Спасибо за советы и за схему!!! Уезжаю в командировку до июля, приеду буду разбираться, потом отпишусь.
 
Dima0873Дата: Четверг, 21.Июн.2012, 20:18 | Сообщение # 6
Стажер
У вас сообщений: 23
инженер
OFFлайн
Российская Федерация

Екатеринбург
Регуляторы разберу, почищу потом как их отрегулировать? По зеленым секторам на манометрах?
 
fred1Дата: Пятница, 22.Июн.2012, 20:55 | Сообщение # 7
У вас сообщений: 550
инженер BeckmanCoulter, Siemens MRT
OFFлайн
Российская Федерация

Анапа
Именно так, сообщи город где стоит Сенька, может подскажу грамотного инженера поблизости !
 
Dima0873Дата: Понедельник, 02.Июл.2012, 16:21 | Сообщение # 8
Стажер
У вас сообщений: 23
инженер
OFFлайн
Российская Федерация

Екатеринбург
fred1 привет!
Все по порядку. прибор стоит в Екатеринбурге. Разобрал регулятор высокого давления, все почистил, помазал, собрал и настроил давление по зел. сектору. Разбирал и чистил pilot air valve - там как мне показалось все хорошо.Немного разобрался с менюшкой прибора, запустил диагностику и получил несколько ошибок. Я подозреваю, что клапана вообще не открываются и дело не вних, а в ММС модуле. Фото прилагаю.
Да,кстати, с цветом трубок я перепутал. Давления нет в зеленом контуре, а не в синем как я писал выше. В синем давление воды- оно впорядке. Сейчас все давления в норме кроме зеленого( 5 РSI)
2286844.jpg (70.4 Kb) · 9468448.jpg (70.1 Kb) · 4043924.jpg (76.3 Kb) · 0262357.jpg (93.3 Kb)
 
fred1Дата: Понедельник, 02.Июл.2012, 19:00 | Сообщение # 9
У вас сообщений: 550
инженер BeckmanCoulter, Siemens MRT
OFFлайн
Российская Федерация

Анапа
DI water out of limits - не интересно, грязная вода
MMC communication - это следствие какой то предыдущей ошибки
Запомни когда выскакивает ошибка интересно только первое сообщение,остальное следствие !
Если что то делал,двигал,трогал,то нужно нажать клавишу home,если с первого цикла какое то устройство не достигло home то надо повторить, как правило на 2 раз все нормально.
4 картинка непонятна,не видно самого верха,возможно это сообщение от ISE модуля.
Регулятор на 5PSI находится на правом манифолде(прозрачная такая плата куда прикручены клапана) скорее всего ему конец пришел , такое случается, я его временно заменял но это проблематично...
О блин вспомнил - проверь сперва wash concentrat 2 литровый , внизу стоит ,не закручена крышка,или у меня было канюля отломилась там как раз это давление подходит !

определись что это он,тогда надо заказывать,отпишись я пришлю потом каталожный номер.
К стати там рядом в Тюмени есть хороший инженер по Синхронам !
 
swinДата: Понедельник, 02.Июл.2012, 21:35 | Сообщение # 10
У вас сообщений: 369
врач КЛД, техник-электрик
OFFлайн
Российская Федерация

Воронеж
На последней картинке:
Проблемы с платами модулей прибора. Ошибки памяти и межмодульных коммуникаций.
RAM CHECKSUM not implemented - проверка оперативной памяти не осуществлена
HOST communications failed - ошибка хост-соединения (сеть комп-прибор или комп-комп).
В модуле MSC сообщения об ошибках контрольный сумм памяти RAM и EPROM (оперативной и постоянной памяти)
Вероятно стоит заглянуть на плату встроенного компьютера (компьютеров) - если там батарейка-таблетка не села ли она, вынуть-вставить модули памяти.
Перемычки сброса (обнуления) памяти EPROM до исходного могут быть на платах - типа Reset bios.
Т.е. похоже на "компьютерную" ошибку, из-за которой прибор не выходит на "исходную позицию" при запуске, т.к. встроенное программное обеспечение нормально не работает..


Сообщение отредактировал swin - Понедельник, 02.Июл.2012, 21:42
 
Dima0873Дата: Четверг, 12.Июл.2012, 13:17 | Сообщение # 11
Стажер
У вас сообщений: 23
инженер
OFFлайн
Российская Федерация

Екатеринбург
Всем привет!
Синхрон меня победил! Что делать дальше не знаю. Проблема кроется где то в " мозгах" прибора. При инициализации блок СХ3 инициализируется, а СХ4 вообще не шевелиться, ни карусели,ни пробозаборники, ни миксеры - вообще ничего! нажатие на кнопку home ни к чему не приводит. Разобрал весь прибор, все почистил от пыли, проверил соединения, разъемы и клеммы. Проверил батарейку на плате, поменял местами платы CPU наблоках СХ3 и СХ4 - результат тот же самый! Убрал вообще плату ММС и ни чего не изменилось, вылезли те же ошибки!!! Вот я и думаю, толи до ММС сигналы не доходят, толи в ней теряются! Напряжения все в норме(горят все контрольные светодиоды на панели и в меню диагностика все цифры совпадают). fred1, как бы мне узнать телефон инженера из Тюмени? Может поможет, чем может.
 
MasterSynchronДата: Суббота, 22.Сен.2012, 22:15 | Сообщение # 12
Заглянувший
У вас сообщений: 2
Биохим анализаторы
OFFлайн
Российская Федерация

Москва
Ну и как? Удалось одолеть???
 
OnewordДата: Пятница, 27.Окт.2017, 13:48 | Сообщение # 13
Стажер
У вас сообщений: 47
Инженер
OFFлайн
Российская Федерация

Москва
Коллеги! Кто нибудь модернизировал системный блок Синхрона? У нас их целых три еще работают!
Там штатная карта устройства ставиться в разъем ISA компьютера.
Материнки с ISA еще 10 лет назад все пользователи повыкидывали. Даже на барахолке не найти.
Флопи-дисководы и сами флопики уже раритет! Винчестеров на IDE шине тоже не найти.
Вопрос 1: Можно ли как то умудриться подружить штатную карту Синхрона с компом на шине хотя бы PCI ?
Вопрос 2: В РС Синхрона крутиться операционка Qunix. Инстилляция софта капризна и без промежуточной диагностики. Можно ли перетянуть на linux ?


МАИ рулит
 
optimizerДата: Пятница, 27.Окт.2017, 16:16 | Сообщение # 14
Завсегдатай
У вас сообщений: 273
инженер
OFFлайн
Российская Федерация

ЦФО
Цитата Oneword ()
Можно ли перетянуть на linux ?

Наверное только на базе материнки TR-ATX-865G - https://www.transduction.com/transduc/atx865g.htm http://www.nstor.ru/ru....67.html
 
AlexiumДата: Пятница, 27.Окт.2017, 19:32 | Сообщение # 15
Инженер медтехник
OFFлайн
Российская Федерация

Саратов
Если операционка QNX, даже железо поменять будет проблема, а уж перенести на Linux ПО - это фантастика.
 
doctor_farshДата: Суббота, 28.Окт.2017, 01:30 | Сообщение # 16
У вас сообщений: 792
инженер по ремонту медоборудования
OFFлайн
Российская Федерация

Благовещенск
все таки проще наверное по всей стране системные блоки от синхронов пособирать - их сейчас много где списывают. У нас в области почти все списали (один только работает).
Хорошая машина была для своего времени. Да и на сегодняшний день многих заткнет. Но габариты, стоимость запчастей, обслуживание заставляют задуматься. Хотя есть и свои ценители, которых все устаривает...


Сообщение отредактировал doctor_farsh - Суббота, 28.Окт.2017, 01:32
 
  • Страница 1 из 1
  • 1
Поиск:



Статистика Форума
Последние обновления тем: Новые файлы хранилища: Новые участники: Top10 участников:
1. Стерилизатор паровой ...[seabee (13.Янв.2026)]
2. Dirui CS-1200[fred1 (08.Янв.2026)]
3. Поршневые кольца безм...[Visitor (06.Янв.2026)]
4. Стоматустановка Primu...[ina (04.Янв.2026)]
5. Аппарат Luminos 2011 ...[medplus (01.Янв.2026)]
6. Аппарат для гемодиали...[artur2308 (24.Дек.2025)]
7. Анализатор иммуноферм...[5saleru (20.Дек.2025)]
8. Коагулометры CA, CS ф...[МедТех22 (19.Дек.2025)]
9. Периметр автоматическ...[mk1992 (18.Дек.2025)]
1. Apollo EZ service man...[25.Дек.2025]
2. VIVIX Setup Operation...[12.Окт.2025]
3. GenwareMP[10.Сен.2025]
4. Настройка реагентов M...[20.Авг.2025]
5. Philips HD3-EXP[13.Авг.2025]
6. Рентгеновское оборудо...[08.Авг.2025]
7. VersaMed iVent201 Сер...[13.Фев.2025]
8. Гелпик КРД Ренекс РЦ ...[09.Фев.2025]
9. Офтальмологическая ус...[31.Окт.2024]
10. Cardinal-Health-VELA-...[03.Окт.2024]
1. Sandy_2026[13.Янв.2026]
2. vladusia2109734[12.Янв.2026]
3. bagb[10.Янв.2026]
4. Dank[08.Янв.2026]
5. evgenuel[08.Янв.2026]
6. litdn[07.Янв.2026]
7. kulikovnikol[06.Янв.2026]
8. abuw01[06.Янв.2026]
9. Lenar[06.Янв.2026]
10. Vladimir100[05.Янв.2026]
МастерБаку[583]
Yulana34[177]
Serg74[160]
Dimitrius[129]
naves[122]
РОМУЛ[121]
bektyish[121]
madmac[116]
Алекс-200[114]
генаf[112]