Дата: Понедельник, 22.Апр.2013, 09:25 | Сообщение # 1
Стажер
У вас сообщений: 6
инженер по ремонту медтехники
OFFлайн
Российская Федерация
Красноярск
При рассмотрении неисправности блока термостатирования кюветы обнаружены вышедшие из строя компаратор IL311AN и цепь его питания - резистор и нечто похожее на стабилитрон марки: 31b1 - ?. Подскажите точнее питающее напряжение компаратора и режим (стационарный или импульсный) выходного транзистора термостата.
При рассмотрении неисправности блока термостатирования кюветы обнаружены вышедшие из строя компаратор IL311AN и цепь его питания - резистор и нечто похожее на стабилитрон марки: 31b1 - ?. Подскажите точнее питающее напряжение компаратора и режим (стационарный или импульсный) выходного транзистора термостата.
IL311 редко дохнет. Там элемент 31b1 - это стабилитрон на 31В, выше 31В питания компаратор не работает, резистор с питания (около 34 до 38 В) 470Ом 0,5Вт. Также проверьте два стабилитрона на 9,1 В и 4,7В, установлены там же рядом. Для проверки: при перемыкании 2 и 3 ноги IL311 (аналог 554СА3А) на 7 ноги уровень с питания должен свалиться почти до нуля 0,7В.
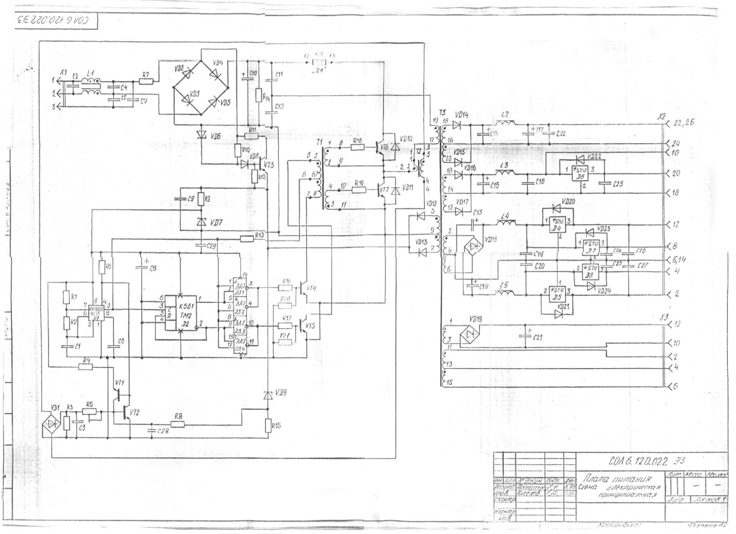
vovanushka, Добрый день, нет ли у Вас схемы. Нестабильно питание лампы, и соответственно нестабильны показания опт. плотности (особенно высокие значения более 1.5). На плате сделаны перемычки из провода, интересно бы узнать это заводские или чей то апгрейд.
Нестабильно питание лампы, и соответственно нестабильны показания опт. плотности (особенно высокие значения более 1.5). На плате сделаны перемычки из провода, интересно бы узнать это заводские или чей то апгрейд.
Это не заводское, это кто-то похоже попытался земли соединить, хоть они изначально и соединены.
Цитатаvvp ()
Ещё нежданчик.
Что-то я не узнаю данный узел, может сфотаете покрупнее. Вроде плата питания (судя по расположению), но как-то сильно дореволюционно, возможно у Вас в руках раритетный прибор, один из первых.
Маленькая плата как раз регулятор напряжения лампы. Проблема как выяснилось в следующем: на длине волны 340 при запуске обнуления бланка (зеро) регулятор выставляет напряжение на лампе около 27В, а питающее напряжение с блока питания в районе 29В(и зависит от напряжения сети, преобразователь с 220В нестабилизированный). Напряжение в сети гуляет и напруга на лампе тоже гуляет. Я вылизал всю оптику, установил новую лампу, отъюстировал хорошо, очень хорошо, но напряжение ниже 27В не становится.
Маленькая плата как раз регулятор напряжения лампы. Проблема как выяснилось в следующем: на длине волны 340 при запуске обнуления бланка (зеро) регулятор выставляет напряжение на лампе около 27В, а питающее напряжение с блока питания в районе 29В(и зависит от напряжения сети, преобразователь с 220В нестабилизированный). Напряжение в сети гуляет и напруга на лампе тоже гуляет. Я вылизал всю оптику, установил новую лампу, отъюстировал хорошо, очень хорошо, но напряжение ниже 27В не становится.
На 340нм и не должно быть меньше 27В, в идеале должно подняться до 27,5В. Нестабильность свечения лампы должна компенсироваться ФДУКом опорного канала. Реально получается на лампе около 27В, на выходе операционника измерительного канала от 0,7 до 1В, на опорном приблизительно в 10 раз меньше. На 520нм напряжение на лампе должно остановиться где-то около 15-18В, в измерительном канале около 5В, в опорном в 10 раз меньше. Если ноль стабилен на 520нм, и не стабилен на 340нм, значит мало ультрофиолета: грязь, пальцы на оптике или лампе; помутневшая или потемневшая лампа.
vovanushka, Год выпуска похоже 2000, зав. ном. 120586. На 540нм измерительный канал 6В, опора 0.8В На 520нм измерительный канал 4В, опора 0.6В на 340нм измерительный канал 0.12В опора мв. Оптику почистил всю(95% спирт). Либо лампа не дает ультрафиолет, либо светофильтр.
Сообщение отредактировал vvp - Среда, 29.Авг.2018, 11:57
vovanushka, Год выпуска похоже 2000, зав. ном. 120586. На 540нм измерительный канал 6В, опора 0.8В На 520нм измерительный канал 4В, опора 0.6В на 340нм измерительный канал 0.12В опора мв. Оптику почистил всю(95% спирт). Либо лампа не дает ультрафиолет, либо светофильтр.
Именно так. Надо менять лампу скорее всего, а фильтр можно посмотреть на яркий свет, если не расслоился, то всё должно быть нормально. Номер странный, у нас семизначная маркировка заведена. Либо это вообще прототип серийного прибора.
Поставил другую лампу, поднял напряжении сети до 250В. на лампе 27.5В, на 340нм измерительный канал 0.3В, по контрольным стеклам проходит(показания немного пляшут, но терпимо). Никак не могу вытянуть до 0.7-1В. Поднять бы немного напряжение на лампе.
Сообщение отредактировал vvp - Среда, 29.Авг.2018, 13:06
Поставил другую лампу, поднял напряжении сети до 250В. на лампе 27.5В, на 340нм измерительный канал 0.3В, по контрольным стеклам проходит(показания немного пляшут, но терпимо). Никак не могу вытянуть до 0.7-1В. Поднять бы немного напряжение на лампе.
Самому напругу не поднять, она на максимуме из того что может выдать блок питания. Разве что взять и домотать виток на трансформатор и вставить в обмотку 30В.
Дата: Четверг, 02.Янв.2020, 16:33 | Сообщение # 16
Стажер
У вас сообщений: 32
инженер-электроник
OFFлайн
Беларусь
Минск
ЦитатаSirBugor ()
День добрый, может кто-нибудь скинуть схему, сервис мануал по ремонту данного аппарата? Лампа не загорается - пишет "ошибка 1"...
Здравствуйте! Схемы нету под рукой, на каникулах, но, обратите внимание на транзистор КТ853А на плате питания, чаще всего проблема именно с ним, вместе с ним часто вылетает резистор 1Ом в цепи эмиттера. Если всё таки нужна схема, то повторите свое сообщение после 8 января.