[ Новые сообщения · Участники · Правила форума · Поиск · RSS ]



  • Страница 2 из 3
  • «
  • 1
  • 2
  • 3
  • »
Модератор форума: zx19  
Термостат ТС-1/80 СПУ
yramerДата: Суббота, 16.Янв.2010, 03:59 | Сообщение # 1
Стажер
У вас сообщений: 22
инженер по ремонту
OFFлайн
Российская Федерация

Петропавловск-Кмчатский
ВНИМАНИЕ ! Прежде, чем изложить в этой теме своё сообщение (пост ), проследите за тем, чтобы тематика вашего сообщения соответствовала ИЗНАЧАЛЬНОЙ тематике темы, и чтобы информации, подобной вашей, в ней не было!
http://www.medteh.info/_fr/8/2012207.png
В противном случае –
потрудитесь найти на Форуме тему с нужной вам тематикой!

.

.

.


цьоанкпимраепаиреквюлнармиыкуиипекавоулсиавкуаавв
 
creytДата: Среда, 18.Май.2011, 05:27 | Сообщение # 41
У вас сообщений: 546
техник
OFFлайн
Российская Федерация

Кузня
доки
0465788.doc (30.0 Kb) · 4705332.jpg (68.3 Kb)
 
NemridisДата: Среда, 18.Май.2011, 10:53 | Сообщение # 42
Стажер
У вас сообщений: 30
Ремонтник
OFFлайн
Российская Федерация

Симферополь
Если на вашей версии платы есть подстроечный резистор R18- попробуйте воспользоватся им. Если нет (мне попадался без него) Подстройку можно проводить изменяя количество витков в датчике.

Quote (lis63)
Со слов лаборантов, меняли датчик.

После замены датчика это нормальная ситуация. Параметры нового датчика слегка отличаются от старого.
Очень часто приходитсяч подстраивать.

Quote (lis63)
прибор врет на 2-3 градуса

Кстати- это происходит с включенным вентилятором или без?

Сообщение отредактировал Nemridis - Среда, 18.Май.2011, 10:53
 
lis63Дата: Суббота, 21.Май.2011, 21:45 | Сообщение # 43
начальник участка
OFFлайн
Российская Федерация

Самара
Пока ничего не делал ибо не добрался до прибора. Доберусь-отпишусь.
 
lis63Дата: Среда, 25.Май.2011, 19:58 | Сообщение # 44
начальник участка
OFFлайн
Российская Федерация

Самара
Все, проблема решена калибровкой по двум температурам как в мануале. (подстройка R18 и R11) Никаких засад. Просьба к модераторам, мануал калибровочной инструкции выложить в хранилище.
 
Alex_UssRДата: Суббота, 23.Июл.2011, 23:21 | Сообщение # 45
У вас сообщений: 524
Электромеханик
OFFлайн
Беларусь

Барановичи
Надо отсканировать письмо с завода) Там все просто, хотя и время на это придется убить много. ireful
 
Alex_UssRДата: Четверг, 15.Дек.2011, 16:10 | Сообщение # 46
У вас сообщений: 524
Электромеханик
OFFлайн
Беларусь

Барановичи
Мб у кого есть снятые "мерки" с внутреннего стекла-перегородки.
 
STarasДата: Четверг, 15.Дек.2011, 17:43 | Сообщение # 47
инженер-электроакустика, ультразвук
OFFлайн
Украина

Ровно
Это где пластмассовые петли полопались? Наши успели поймать на полпути к полу - не разбилось. И не мерялось.
 
Alex_UssRДата: Четверг, 15.Дек.2011, 19:58 | Сообщение # 48
У вас сообщений: 524
Электромеханик
OFFлайн
Беларусь

Барановичи
Quote (STaras)
Это где пластмассовые петли полопались? Наши успели поймать на полпути к полу - не разбилось. И не мерялось.

Жаль что так бывает не часто) Вот щас 2 термоса стоят без стекол, а те что со стеклами разбирать не дают blush
 
a-tokarev2008Дата: Вторник, 06.Мар.2012, 13:39 | Сообщение # 49
Заглянувший
У вас сообщений: 3
Техник
OFFлайн
Российская Федерация

Пермь
Помогите юным техникам biggrin
Проблема с ТС-1/80 такая:
При включении в сеть идёт нагрев сразу же, а информация на дисплее не отображается, точнее не изменяется в течении всего нагрева. Показания приближены к "0". При установке температуры "27" градусов, термометр показывает "31+" градусов и понемногу поднимается ...
Контрольные точки +5 Вольт - исправны. Термодатчик при комнатной температуре показывает сопротивление "56 оМ", при нагреве увеличивается.
 
zx19Дата: Вторник, 06.Мар.2012, 13:50 | Сообщение # 50
Vse
OFFлайн
Российская Федерация

Саратов
a-tokarev2008, я ж выше сказал, что нужно сделать. почему не сделано, а вопрос уже задан?
 
a-tokarev2008Дата: Среда, 07.Мар.2012, 12:47 | Сообщение # 51
Заглянувший
У вас сообщений: 3
Техник
OFFлайн
Российская Федерация

Пермь
В общем дело было не в датчике !!! Дело всё было в микросхеме "DA2". Купили новую, заменили, вуаля, всё заработало !!! good
 
Alex_UssRДата: Среда, 29.Авг.2012, 01:45 | Сообщение # 52
У вас сообщений: 524
Электромеханик
OFFлайн
Беларусь

Барановичи
Quote (STaras)
Это где пластмассовые петли полопались? Наши успели поймать на полпути к полу - не разбилось. И не мерялось.

Вот, у нас санитарка с серологии словила) Вначале в одном, потом в новом гарантийном.
Причем в последнем петли с мет вставками)))))) Правда завод не удосужился их продлить до конца петли (там где стопор-шарнир обрывается). Плюс еще и пластик плохой - от температуры сильно старится и трескается.
Получил новые петли - усилил по наружке полосой от актюатора сигналки.
 
AlexanderRuДата: Вторник, 27.Ноя.2012, 19:48 | Сообщение # 53
Участник
У вас сообщений: 106
Инженер
OFFлайн
Российская Федерация

Урюпинск
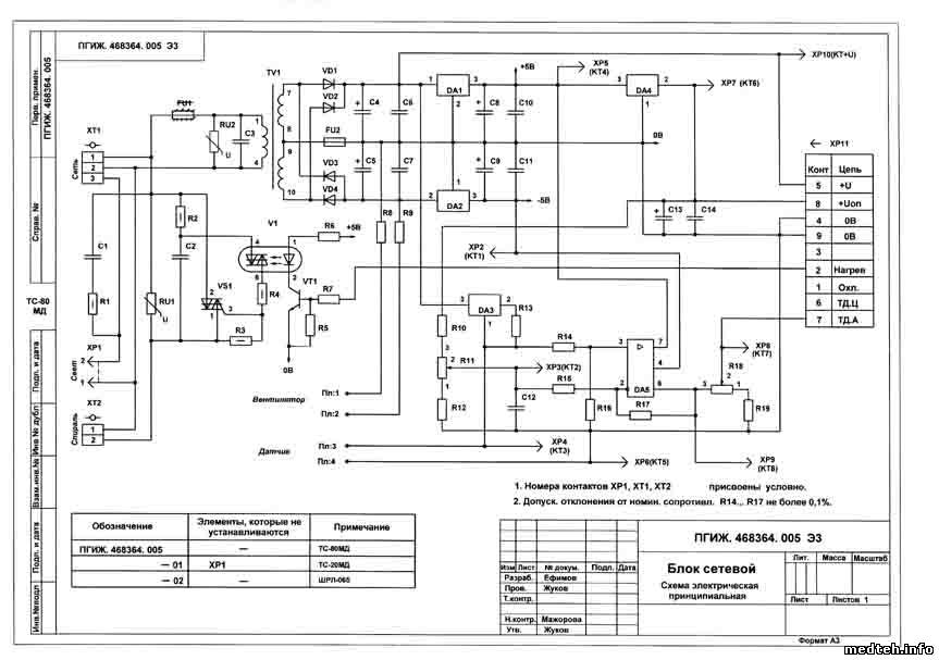
Добрый день, помогите разобраться с неисправностью. Термостат ТС-1/80 СПУ (ОАО "Смоленское СКТБ СПУ") 2000 г/в. Сегодня посмотрел аппарат без схемы. При установке температуры на индикаторе изменяются значения от 2,5 до 12 градусов. При переключении на контроль постоянно высвечиваются 50 градусов. Напряжения питания 5 и 15в на стабилизаторах есть, на плате замерял не выпаивая сопротивление температурного датчика, оно составило 8,2 Ома. Сейчас скачал схему. Вопрос такой: какое сопротивление должно быть у температурного датчика и на что обратить внимание, для устранения неисправности.
4432883.jpg (146.9 Kb)


Сообщение отредактировал AlexanderRu - Пятница, 30.Ноя.2012, 13:47
 
nik_nikДата: Среда, 28.Ноя.2012, 00:50 | Сообщение # 54
У вас сообщений: 202
инженер по ремонту
OFFлайн
Российская Федерация

Приморский кр.
В перечне элементов только его децимальный номер. А в ГПшках они ставят Гр 50П

Сообщение отредактировал nik_nik - Среда, 28.Ноя.2012, 01:24
 
AlexanderRuДата: Пятница, 30.Ноя.2012, 13:47 | Сообщение # 55
Участник
У вас сообщений: 106
Инженер
OFFлайн
Российская Федерация

Урюпинск
Причиной неисправности был температурный датчик. Сопротивление исправного термодатчика 56 Ом.

Сообщение отредактировал AlexanderRu - Пятница, 30.Ноя.2012, 14:22
 
MunlikДата: Среда, 26.Июн.2013, 11:25 | Сообщение # 56
Завсегдатай
У вас сообщений: 250
сервис-инженер
OFFлайн
Казахстан

Петропавловск
А у нас такая же беда была с этими петлями на ТС-80/01 СПУ. Сейчас проблем нет, т.к. заказали по эскизу на заводе железные и сразу при пуско-наладке тупо ставим.
.

Было бы не плохо, AlexUssR, сканированный doc глянуть ТС-1/80 СПУ.
Может дождёмся ... wink
 
DenVer_01Дата: Среда, 26.Июн.2013, 15:09 | Сообщение # 57
Завсегдатай
У вас сообщений: 252
сервисный инженер
OFFлайн
Российская Федерация

Брянск
Инструкции с завода для новой и старой версии
_221___.doc (69.5 Kb) · _172___.doc (70.0 Kb)
 
MaverickДата: Четверг, 27.Июн.2013, 15:38 | Сообщение # 58
Заглянувший
У вас сообщений: 2
Биотехнология
OFFлайн
Российская Федерация

Санкт-Петербург
Ого! Стоит принять превентивные меры? Хотя он у нас, конечно, стоит на полу...
 
Alex_UssRДата: Вторник, 02.Июл.2013, 01:16 | Сообщение # 59
У вас сообщений: 524
Электромеханик
OFFлайн
Беларусь

Барановичи
конечно стоит. Там петли прям рассыхаются и трескаются вдоль ушей под оську.
У меня нас всех эти термостатах повыпадали стекла. Часть до меня разбили, часть после моего прихода (я еще это фигни не знал).
Новый пришел - сразу усилил blush
 
sevaДата: Среда, 03.Июл.2013, 11:54 | Сообщение # 60
Стажер
У вас сообщений: 45
нач.сервиса
OFFлайн
Украина

Киев
Документ _172___.doc - настройка ГП, а не старых ТС.
.

Размеры стекол:
8498948.jpg (155.2 Kb) · 4612358.jpg (220.7 Kb) · 6031214.jpg (185.4 Kb)
 
GallДата: Среда, 14.Авг.2013, 21:10 | Сообщение # 61
Участник
У вас сообщений: 81
Инженер КДЛ
OFFлайн
Российская Федерация

Пятигорск
Или это может быть не оптотиристор, а ключ BT139.
.

Кстати, подскажите, на ТС-80 какую бы температуру ни выставляю термостат работает как-будто на поддержание температуры. то есть ТЭНы включает повторно-кратковременно, температура растёт очень медленно. При этом, если выставить температуру ниже уже набранной, ТЭНы всё равно работают в том же режиме. Видимо, сбилась программа.
Можно ли её как-то сбросить, что-ли?
Там есть какие-то джамперы возле МК.
 
AlexanderRuДата: Воскресенье, 18.Авг.2013, 09:58 | Сообщение # 62
Участник
У вас сообщений: 106
Инженер
OFFлайн
Российская Федерация

Урюпинск
Добрый день.
В термостате ТС-1/80 СПУ (ОАО "Смоленское СКТБ СПУ") 2000 г/в. требуется настроить температуру. Выставляю температуру 35 градусов, термостат входит в режим, на индикаторе показывает 35, реально 33,5.
Не подскажите методику настройки температуры.


3976576.jpg (73.8 Kb) · 4123025.jpg (147.4 Kb)


Сообщение отредактировал AlexanderRu - Понедельник, 19.Авг.2013, 15:04
 
yblod5Дата: Воскресенье, 18.Авг.2013, 15:29 | Сообщение # 63
У вас сообщений: 788
Сервис-инженер
OFFлайн
Российская Федерация

Владивосток
Цитата (AlexanderRu)
реально 33,5

что значит реально?
 
AlexanderRuДата: Воскресенье, 18.Авг.2013, 16:03 | Сообщение # 64
Участник
У вас сообщений: 106
Инженер
OFFлайн
Российская Федерация

Урюпинск
Судя ко контрольному термометру, который я установил в термостат для проверки, температура ниже примерно на 1,5 градуса. Эта настройка требуется, после установки нового термодатчика.

Сообщение отредактировал AlexanderRu - Воскресенье, 18.Авг.2013, 16:08
 
babysh-mДата: Понедельник, 19.Авг.2013, 08:08 | Сообщение # 65
сервисный инженер
OFFлайн
Российская Федерация

Екатеринбург
AlexanderRu, посмотри тут http://electro-tech.narod.ru/schemat...._aj.htm
 
MunlikДата: Понедельник, 19.Авг.2013, 10:23 | Сообщение # 66
Завсегдатай
У вас сообщений: 250
сервис-инженер
OFFлайн
Казахстан

Петропавловск
а градусник гос.поверку прошел (может врёт) ireful
 
yblod5Дата: Понедельник, 19.Авг.2013, 12:38 | Сообщение # 67
У вас сообщений: 788
Сервис-инженер
OFFлайн
Российская Федерация

Владивосток
Цитата (AlexanderRu)
Судя ко контрольному термометру, который я установил в термостат для проверки, температура ниже примерно на 1,5 градуса. Эта настройка требуется, после установки нового термодатчика

В разных местах камеры и температура разная, допуск +-1град., на табло среднее, плюс погрешность вашего контрольного термометра. Вообще-то существует методика проверки , как и чем мерить, что подкрутить ( типа такой: http://electro-tech.narod.ru/schemat...._aj.htm ). Лучше раздобыть родную, проделать как написано и спать спокойно.


Сообщение отредактировал yblod5 - Понедельник, 19.Авг.2013, 12:55
 
AlexanderRuДата: Понедельник, 19.Авг.2013, 15:04 | Сообщение # 68
Участник
У вас сообщений: 106
Инженер
OFFлайн
Российская Федерация

Урюпинск
Цитата (yblod5)
Лучше раздобыть родную, проделать как написано и спать спокойно.
Это понятно, для этого я и задал вопрос. Проблема была решена настройкой резистором R3 и подстройкой R11.
 
FatalДата: Четверг, 24.Окт.2013, 19:50 | Сообщение # 69
Участник
У вас сообщений: 88
Инженер медтехник
OFFлайн
Российская Федерация

Как отрегулировать температуру в термостате тс 1/180?
 
МастерБакуДата: Четверг, 24.Окт.2013, 20:43 | Сообщение # 70
У вас сообщений: 11269
инженер
OFFлайн
Российская Федерация

Нижний Новгород
http://electro-tech.narod.ru/schemat...._aj.htm
http://www.medteh.info/forum/55-7887-1
http://www.medteh.info/forum/55-4833-1
http://www.medteh.info/forum/32-805-1


Сообщение отредактировал МастерБаку - Четверг, 24.Окт.2013, 20:55
 
Alex_UssRДата: Среда, 30.Окт.2013, 10:47 | Сообщение # 71
У вас сообщений: 524
Электромеханик
OFFлайн
Беларусь

Барановичи
На работе сканера нетути blush
7497928.jpg (119.2 Kb)
 
gold-corsairДата: Четверг, 22.Окт.2015, 10:14 | Сообщение # 72
Стажер
У вас сообщений: 8
инженер
OFFлайн
Российская Федерация

Пятигорск
Добрый день!
Народ, не подскажите в термостате ТС 1/80 СПУ стоит нагреватель, в перечне он указан как ПГИЖ 681814.003, а какой он мощности, каким его можно заменить?
 
AndreyДата: Среда, 02.Мар.2016, 14:36 | Сообщение # 73
Стажер
У вас сообщений: 28
Инженер
OFFлайн
Российская Федерация

Курск
Здравствуйте, коллеги!
Здесь инструкция установки температуры термостатов ТС-1/... СПУ выпуска с ноября 2006 г по настоящее время, полученная из первых рук. На производстве отличные ребята, чем могут - помогают всегда.
_183___.doc (78.5 Kb)
 
Nurbol90Дата: Среда, 05.Авг.2020, 16:40 | Сообщение # 74
Заглянувший
У вас сообщений: 1
электрик
OFFлайн
Казахстан

Караганда
Всем салам.
ПЕРВЫЙ ВОПРОС: инженеры, нужна помощь. Термостат ТС-1/80 СПУ 2015 года. На табло ноль и горит индикатор "Авария". Проверил симистор и оптопару МОС3063 - рабочие. Отпаял датчик - на табло 97.6. Индикатор светится при касанием 8-ой ножки ОУ OPO7DP щупом мультиметра. Нагрев идёт. При прекращении же касания шупом нагрев не идёт. Датчик, вроде, целый. Какое сопротивление должно быть на датчике.

ВТОРОЙ ВОПРОС: термостат ТС 1/80 СПУ. Греется до 37 градусов, дальше не поднимается. Индикаторы на табло постоянно показывает 0.10.


nurbol
 
MeRlIoNДата: Пятница, 09.Дек.2022, 15:37 | Сообщение # 75
Стажер
У вас сообщений: 13
Телемастер
OFFлайн
Узбекистан

Нукус
Приветствую форумчан.
Просьба к Админу сильно меня не пинать.
Нужны платы управления от ТС-80 СПУ.
Фото попробую загрузить для ясности картины.
Интересует цена и желательно по городу Москва.


mavr
 
yblod5Дата: Суббота, 10.Дек.2022, 02:39 | Сообщение # 76
У вас сообщений: 788
Сервис-инженер
OFFлайн
Российская Федерация

Владивосток
Цитата MeRlIoN ()
Нужны платы управления от ТС-80 СПУ
Они есть, всякие. Что конкретно? ...
 
Yulana34Дата: Суббота, 10.Дек.2022, 10:08 | Сообщение # 77
У вас сообщений: 2578
Электро-сантехник
OFFлайн
Российская Федерация

Волгоград
MeRlIoN,
А почему к ним не обратиться?
https://sktb-spu.ru/katalog/termostaty/
 
MeRlIoNДата: Понедельник, 12.Дек.2022, 17:50 | Сообщение # 78
Стажер
У вас сообщений: 13
Телемастер
OFFлайн
Узбекистан

Нукус
Так, они то есть, это понятно. Почему-то не получается загрузить фото. Даже скрин с этих же фото не грузит.
Первое - http://www.medteh.info/_fr/8/4560716.png
Второе - http://www.medteh.info/_fr/8/8537899.png
И третье на десерт. Это высоко квалифицированное вмешательство медсервиса - http://www.medteh.info/_fr/8/2012207.png
.

Белорусам писал насчёт плат. Говорят, цена будет известна только в феврале.
До февраля я и сам восстановлю платы.
Одно пока неясно - живы ли "мозги" у плат ...
.

В общем, я года три тому назад работал в том "медсервисе". У них нет электронщика и, по ходу эти платы они возили к теледоломастеру. Тупо перерезал дорожки от цифры. Точнее, спаял лапы, чтобы светились чисто три нолика - типа работает. У меня дичайшее желание выдернуть ему руки от самых ступней.
.

Я много чего видел, когда вскрывал те или иные аппараты, но такое впервые.
.

Попробую в Смоленск удочку закинуть.
Проблема в том, что я живу в Нукусе. Доставка может выйти дороже самого термостата.


mavr
 
Yulana34Дата: Вторник, 13.Дек.2022, 14:22 | Сообщение # 79
У вас сообщений: 2578
Электро-сантехник
OFFлайн
Российская Федерация

Волгоград
Цитата MeRlIoN ()

Белорусам писал насчёт плат. Говорят, цена будет известна только в феврале

А Белорусы здесь при чем? Это Смоленск выпускает.
 
MeRlIoNДата: Пятница, 16.Дек.2022, 19:05 | Сообщение # 80
Стажер
У вас сообщений: 13
Телемастер
OFFлайн
Узбекистан

Нукус
Восстанавливаю платы до завода.
До нового года надо завести, ибо сверху давят на главврача.


mavr
 
  • Страница 2 из 3
  • «
  • 1
  • 2
  • 3
  • »
Поиск:



Статистика Форума
Последние обновления тем: Новые файлы хранилища: Новые участники: Top10 участников:
1. Анализатор поля зрени...[SpirituS (04.Дек.2025)]
2. Программный комплекс ...[mqubali (04.Дек.2025)]
3. Кардиорегистратор «ИК...[albano18 (04.Дек.2025)]
4. Thermo Scientific gem...[viggen (03.Дек.2025)]
5. Центрифуга CM-6M ф.El...[Ningen64 (03.Дек.2025)]
6. Дефибриллятор Defi B ...[san-che30 (02.Дек.2025)]
7. Коллиматор Ralco R 22...[seeker (02.Дек.2025)]
8. КУПЛЮ/ПРИМУ в дар при...[seabee (02.Дек.2025)]
9. Центрифуга MiniSpin P...[AntonioPetty (01.Дек.2025)]
1. VIVIX Setup Operation...[12.Окт.2025]
2. GenwareMP[10.Сен.2025]
3. Настройка реагентов M...[20.Авг.2025]
4. Philips HD3-EXP[13.Авг.2025]
5. Рентгеновское оборудо...[08.Авг.2025]
6. VersaMed iVent201 Сер...[13.Фев.2025]
7. Гелпик КРД Ренекс РЦ ...[09.Фев.2025]
8. Офтальмологическая ус...[31.Окт.2024]
9. Cardinal-Health-VELA-...[03.Окт.2024]
10. Service Manual HAMILT...[02.Окт.2024]
1. Romanivanov[05.Дек.2025]
2. igogoigogo[05.Дек.2025]
3. 1rishka[04.Дек.2025]
4. L_V_N[04.Дек.2025]
5. ИвановИИ[04.Дек.2025]
6. Alex_U[04.Дек.2025]
7. Yarikus03[03.Дек.2025]
8. EvaLen[03.Дек.2025]
9. dankurets[03.Дек.2025]
10. Velis1566[03.Дек.2025]
МастерБаку[583]
Yulana34[177]
Serg74[160]
Dimitrius[129]
naves[122]
РОМУЛ[121]
bektyish[121]
madmac[116]
Алекс-200[114]
begun_a[112]