[ Новые сообщения · Участники · Правила форума · Поиск · RSS ]



  • Страница 1 из 2
  • 1
  • 2
  • »
Модератор форума: zx19  
Анализатор иммуноферментных реакций АИФР-01 "Униплан"
les_nik_178Дата: Суббота, 30.Янв.2010, 16:32 | Сообщение # 1
У вас сообщений: 1094
Медтехник
OFFлайн
Российская Федерация

Far East
Анализатор иммуноферментных реакций "Униплан"
Не могу выставить год. Устанавливается только до 1998 года.
На сайте производителя скачал программу. Ставить пока не пытался.

Если кто сталкивался может подскажите.
После переустановки глюк уйдет? Переустановка прибор не угробит?
Никогда так программу не переставлял поэтому и вопрос.

Анализатор у нас стоит отдельно. Подключение к компу не использует.
Если переставлю программу он будет отдельно от компа работать?
 
Sergey62Дата: Суббота, 30.Янв.2010, 17:32 | Сообщение # 2
У вас сообщений: 358
лабораторная и рентгентехника
OFFлайн
Российская Федерация

Томск
День добрый
С такой проблемой не сталкивался...Если не подключен к ПК, то зачем вообще устанавливать дату? Если для распечатки результатов, так можно и исправить, неудобно, но не смертельно. Прибор как помнится старый, может и не рассчитан на больший год. Переустановка программ на старых приборах может вылезти в большую проблему вплоть до несовместимости железа и программы.


Сергей
 
les_nik_178Дата: Суббота, 30.Янв.2010, 18:04 | Сообщение # 3
У вас сообщений: 1094
Медтехник
OFFлайн
Российская Федерация

Far East
Sergey62,
Вот я и боюсь его угробить.
Вся заморочка только в неверном годе.
В лаборатории они подшивают распечатки а там с годом нестыковки.
Вообще есть смысл скрещивать его с компом?
Больничка небольная. Поселок всего 5 тысяч.
 
pyo5Дата: Воскресенье, 31.Янв.2010, 01:02 | Сообщение # 4
У вас сообщений: 794
ИВЛ, лаборатория и т.д.
OFFлайн
Российская Федерация

Петропавловск-камчатский
Quote (les_nik_178)
Вообще есть смысл скрещивать его с компом?

Это ещё и не так то просто. Скорее всего из под современных систем он работать не будет.


Пётр
 
Sergey62Дата: Воскресенье, 31.Янв.2010, 14:28 | Сообщение # 5
У вас сообщений: 358
лабораторная и рентгентехника
OFFлайн
Российская Федерация

Томск
День добрый
Quote (les_nik_178)
Больничка небольная. Поселок всего 5 тысяч.

Думаю, особого смысла нет, надо постараться убедить/испугать врачей в нецелесообразности этих трат и действий и жить дальше спокойно, а не искать приключений, если можно без них обойтись.


Сергей
 
СолярисДата: Среда, 14.Июл.2010, 21:17 | Сообщение # 6
У вас сообщений: 301
инженер
OFFлайн
Российская Федерация

Набережные Челны
На табло нет никаких символов (светится зеленым цветом) , на нажатие кнопок реагирует, пробовал ставить плату индикации на другой анализатор - она рабочая.
 
СолярисДата: Среда, 12.Янв.2011, 20:48 | Сообщение # 7
У вас сообщений: 301
инженер
OFFлайн
Российская Федерация

Набережные Челны
Аппарат восстановил, Всего лишь нужно было отрегулировать контрастность подстроечником на плате индикации
 
coronerДата: Среда, 09.Мар.2011, 16:30 | Сообщение # 8
Участник
У вас сообщений: 114
Инженер
OFFлайн
Российская Федерация

Северный Кавказ
Ребят есть наработки с этим анализатором, интересует поставщики кто офицалы?
И есть ли на него сервис мануал?
 
vvpДата: Среда, 09.Мар.2011, 20:23 | Сообщение # 9
У вас сообщений: 405
инженер
OFFлайн
Российская Федерация

Уфа
http://www.pikon.ru
 
coronerДата: Четверг, 10.Мар.2011, 11:57 | Сообщение # 10
Участник
У вас сообщений: 114
Инженер
OFFлайн
Российская Федерация

Северный Кавказ
Спасибо посмотрю
 
AKirДата: Четверг, 22.Сен.2011, 12:07 | Сообщение # 11
Участник
У вас сообщений: 104
Начинающий инженер
OFFлайн
Российская Федерация

Пермь
Ошибка 20. При включении лампа трижды зажигается и ступенями гаснет. После этого появляется сообщение об ошибке. Нет ли у кого методики юстировки ламы или вдруг сервис мануал есть? Год выпуска 1997.

Сообщение отредактировал AKir - Четверг, 22.Сен.2011, 12:10
 
IBWTДата: Четверг, 24.Ноя.2011, 14:50 | Сообщение # 12
Стажер
У вас сообщений: 6
инженер-электромеханик
OFFлайн
Российская Федерация

Астрахань
"На индикаторе загорается надпись: "Error 20, 22" - Нарушен режим лам-пы"

Все на сайте производителя ЗАО ПИКОН. Вот прямая ссылка на Ваш Униплан Poverka.zip
 
les_nik_178Дата: Понедельник, 01.Окт.2012, 14:20 | Сообщение # 13
У вас сообщений: 1094
Медтехник
OFFлайн
Российская Федерация

Far East
"УНИПЛАН" - анализатор иммуноферментных реакций.
Сгорела лампа на "Униплане". На фото в круге. Заменил на КГМН 6.3 - 15.
У родной сама колба чуть длинее и ножки тоже длинные.
Положение спирали в колбах от основания примерно на одинаковом уровне.
При установке - выставил накальную спираль напротив отверстия в щитке.
При первом включении была ошибка 112. Поменял положение лампы - все заработало.

Есть ли у кого нибудь методика настройки лампы? На глазок настройка это не всегда хорошо.

К заводчанам обращаться бесполезно.
Аппарат 2003 года выпуска, а они работают только со свежими.
6622201.jpg (27.9 Kb)
 
генаfДата: Понедельник, 01.Окт.2012, 19:47 | Сообщение # 14
У вас сообщений: 611
медтехникl
OFFлайн
Российская Федерация

les_nik_178, может поможет
1 файл -до 2005 г
2 файл - с 2005г
Poverka-_2005-.doc (39.5 Kb) · Poverka_2005-.doc (73.5 Kb)


Сообщение отредактировал генаf - Понедельник, 01.Окт.2012, 19:50
 
СолярисДата: Понедельник, 01.Окт.2012, 21:39 | Сообщение # 15
У вас сообщений: 301
инженер
OFFлайн
Российская Федерация

Набережные Челны
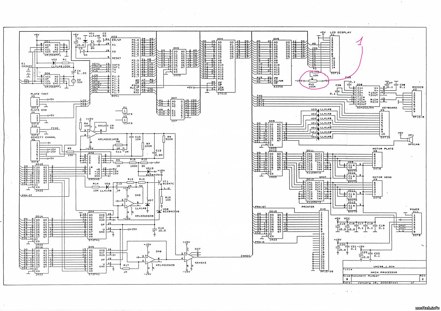
Был у меня в ремонте Униплан 2001 г. выпуска. Очень помог инженер с "Пикон" Кочкин Павел pasha@pikon.ru , даже схему прислал. Говорит "Появятся вопросы ,пиши не стесняйся."
0117921.jpg (236.1 Kb)
 
les_nik_178Дата: Вторник, 02.Окт.2012, 02:33 | Сообщение # 16
У вас сообщений: 1094
Медтехник
OFFлайн
Российская Федерация

Far East
генаf, Спасибо. Методики у меня есть. Они на сайте. Там про замену лампы нет.

Менял по аналогии с КФК. Там добраться до лампы проще. Да и видно как спираль стоит.
Тут не так удобно.


Сообщение отредактировал les_nik_178 - Вторник, 02.Окт.2012, 03:09
 
les_nik_178Дата: Вторник, 02.Окт.2012, 02:43 | Сообщение # 17
У вас сообщений: 1094
Медтехник
OFFлайн
Российская Федерация

Far East
Солярис, Понял, спасибо. Обрашался в этом по другому аппарату к ним. Нужна была шестеренка.
Запросили счет на оплату
Пришел ответ:

Для Промывателя планшет автоматический «ПРОПЛАН» установлены следующие сроки:
1. Срок гарантии 1 год
2. Срок службы 5 лет
3. Максимальный срок обслуживания: 6 лет
Таким образом мы не можем выставить Вам счет.
С уважением,
Коммерческий директор ЗАО "ПИКОН"
телефон/факс: +7 (495) 963-50-22, 963-46-64, телефон: 223-68-76, 748-78-03


Вот так biggrin Проплан и Униплан выпускают они.
Попробую вновь.
 
nikolai-m71Дата: Пятница, 05.Июл.2013, 08:52 | Сообщение # 18
Участник
У вас сообщений: 169
инженер
OFFлайн
Российская Федерация

Ниж. Нов.
Здраствуйте.
Принесли анализанор АИФР-01 Униплан, при включении начинает самотест и выдаёт ошибку 107 (засветка). Пробовал закрыть приёммую головку. Не помогает. Раньше с таким аппаратом не сталкивался. Подскажите что делать. Если есть возможность спасибо за схему. Аппарат 2004г.
Спасибо.
 
vvpДата: Суббота, 06.Июл.2013, 20:29 | Сообщение # 19
У вас сообщений: 405
инженер
OFFлайн
Российская Федерация

Уфа
Посмотреть сигнал на выходах фотометрических усилителей(сверху основного канала и снизу референтного).
Возможно неисправен один из усилителей или обрыв кабеля.
 
vik100Дата: Вторник, 04.Ноя.2014, 16:09 | Сообщение # 20
Стажер
У вас сообщений: 34
метролог
OFFлайн
Украина

Черновцы
Добрый день.
У меня такая проблемма. Есть анализатор ИФА АИФР-01 УНИПЛАН фирмы Пикон и при тестировании выдает ошибку 105 -ошибка при измерении базовой калибровки.Оптику почистил. Может кто-то сталкивался с такой проблеммой.
Заранее благодарен.
 
fred1Дата: Вторник, 04.Ноя.2014, 17:38 | Сообщение # 21
У вас сообщений: 551
инженер BeckmanCoulter, Siemens MRT
OFFлайн
Российская Федерация

Анапа
В инструкции есть описание по калибровке лампы, еще надо осмотреть лампочку, если потемнела колба то на выброс, я вклеивал лампочку от КФК-2(надо только с юстировкой повозиться) , после калибровки все работало !

Удачи !
 
Chigis92Дата: Понедельник, 09.Мар.2015, 18:27 | Сообщение # 22
Стажер
У вас сообщений: 14
Инженер
OFFлайн
Российская Федерация

Чита
Здравствуйте, Аппарат униплан аифр-01, лаборантша жалуется на иероглифы в распечатке результатов, цифры (результаты) показывает нормально, а названия тестов в виде иероглифов, принтер LX300 , пробовал на самом принтере менять шрифты не получается, только иероглифы по-другому отображаются. Помогите пожалуйста разобраться с проблемой, может какие-то настройки в аппарате есть?

31011992
 
vvpДата: Понедельник, 09.Мар.2015, 18:36 | Сообщение # 23
У вас сообщений: 405
инженер
OFFлайн
Российская Федерация

Уфа
Chigis92, Поменяй кабель подключения принтера, такая ерунда возникает при обрыве жил в кабеле.
 
Chigis92Дата: Понедельник, 09.Мар.2015, 18:40 | Сообщение # 24
Стажер
У вас сообщений: 14
Инженер
OFFлайн
Российская Федерация

Чита
спасибо, попробую, отпишусь))

31011992
 
Chigis92Дата: Четверг, 19.Мар.2015, 16:29 | Сообщение # 25
Стажер
У вас сообщений: 14
Инженер
OFFлайн
Российская Федерация

Чита
Спасибо за совет, замена кабеля помогла)

31011992
 
ipatoveaДата: Понедельник, 01.Июн.2015, 11:46 | Сообщение # 26
Стажер
У вас сообщений: 8
Радиомеханик
OFFлайн
Российская Федерация

Стерлитамак
Доброго времени суток.
На обслуживание попался анализатор иммуноферментных реакций АИФР-1 УНИПЛАН, выдаёт ошибку при включении "111" - ошибка поперечного привода.
Разборка и проверка самого привода ничего не дала, привод чистый, ось смазана, при включении каретка дергается в крайнее левое положение и останавливается.
Подскажите, пожалуйста, эта ошибка чисто механическая или из-за электроники тоже может вылезать.
В какую сторону копать? ...
 
КасатикДата: Понедельник, 01.Июн.2015, 22:32 | Сообщение # 27
У вас сообщений: 178
Инженер
OFFлайн
Российская Федерация

СПб
Попробуйте проверить места соединений двигателей с червячным винтом. На старых аппаратах там дубеет резиновый вкладыш и вращение не передается.
 
ipatoveaДата: Вторник, 02.Июн.2015, 09:09 | Сообщение # 28
Стажер
У вас сообщений: 8
Радиомеханик
OFFлайн
Российская Федерация

Стерлитамак
Вращение передается нормально. Может кто знает сколько вольт на шаговый двигатель в этом аппарате должно быть?
 
pyo5Дата: Вторник, 02.Июн.2015, 14:09 | Сообщение # 29
У вас сообщений: 794
ИВЛ, лаборатория и т.д.
OFFлайн
Российская Федерация

Петропавловск-камчатский
Должен быть датчик "хом позишен", чаще всего оптопара. Ищи...

Пётр
 
svetljachokДата: Среда, 28.Окт.2015, 14:32 | Сообщение # 30
Стажер
У вас сообщений: 4
инженер-электронщик, метролог
OFFлайн
Украина

Харьков
Если есть у кого-то поделитесь инструкцией по калибровке.
 
lakec595676Дата: Воскресенье, 15.Май.2016, 17:44 | Сообщение # 31
Стажер
У вас сообщений: 9
инженер
OFFлайн
Российская Федерация

Махачкала
Солярис, А нет другого куска схемы, мыши сгрызли шлейф от платы на корретку с лампой
 
doctor_farshДата: Вторник, 28.Ноя.2017, 13:52 | Сообщение # 32
У вас сообщений: 792
инженер по ремонту медоборудования
OFFлайн
Российская Федерация

Благовещенск
Господа, столкнулся с похожей проблемой (с проблемой установки года). Начали мы с ним знакомиться с даты 40 день 25 месяц и 2025 год. После смены батарейки, аппарат вернулся в прошлое 01,01,1996г, и не хочет оттуда никак возвращаться. Время выставить удалось, число тоже выставил, а вот год 96 -99 и больше никак. Какая то есть фишка, но видимо про нее я не знаю и инструкция тоже. Производители сего чуда техники не отвечают не на один из 5 номеров представленных на сайте. Выручайте друзья, вроде не смертельно, но дискомфорт доставляет определенный.

Сообщение отредактировал doctor_farsh - Вторник, 28.Ноя.2017, 13:53
 
ZdoroviyДата: Среда, 10.Янв.2018, 12:40 | Сообщение # 33
Участник
У вас сообщений: 67
медтехник
OFFлайн
Российская Федерация

Бийск
Подскажите, пожалуйста, у аппарата 2009 г/в при включении, на этапе проверки, там где отображается оставшееся время, всегда горит: "осталось 00 сек". Что делать, куда копать? Ошибок никаких не отображается ...
Заранее благодарен!
 
BardeyДата: Пятница, 11.Окт.2019, 10:54 | Сообщение # 34
Участник
У вас сообщений: 190
инженер
OFFлайн
Российская Федерация

Воронеж
Здарова народ, поделитесь если у кого есть фото соединения шлейфа от платы к трансформатору?
 
limatДата: Пятница, 11.Дек.2020, 14:45 | Сообщение # 35
Участник
У вас сообщений: 69
инженер систематехника
OFFлайн
Российская Федерация

махачкала
Цитата
У аппарата при включении, на этапе проверки, там где отображается оставшееся время, всегда горит: "Осталось 00сек". Что делать, куда копать? Ошибок ни каких не отображается ...
Аналогичная проблема ...
 
ZdoroviyДата: Среда, 17.Фев.2021, 09:43 | Сообщение # 36
Участник
У вас сообщений: 67
медтехник
OFFлайн
Российская Федерация

Бийск
Цитата limat ()
Аналогичная проблема
В общем, проблема была в конденсаторе, он был вздутый, я его заменил, но аппарат не включался.
Связывался с официалами, они сказали, что кондюк должен быть с низким внутренним сопротивлением.
Я купил другой конденсатор просто подороже Jamicon зелёный, перепаял и всё заработало!
 
DimitriyДата: Воскресенье, 09.Май.2021, 09:28 | Сообщение # 37
Стажер
У вас сообщений: 41
инженер
OFFлайн
Российская Федерация

ЦФО
Такая же проблема - была решена заменой батареи.
Тоже звонил на завод.
 
5saleruДата: Суббота, 20.Ноя.2021, 15:42 | Сообщение # 38
Стажер
У вас сообщений: 33
нет
OFFлайн
Российская Федерация

Москва
Никто на сталкивался с проблемой скрипа каретки?
Идёт не мягко, а в некоторых местах скрипит.
Масло на вид не загустело, смазка белая, скорее силиконовая на колечках.
Как исправлять?
 
PCPshnikДата: Среда, 12.Апр.2023, 13:03 | Сообщение # 39
Заглянувший
У вас сообщений: 2
Ветеринарный врач
OFFлайн
Российская Федерация

Краснодар
Медтехники, прошу вас о помощи.
Есть АИФР-01 "Униплан", но он очень древний - 2001 г., но очень бы хотелось его починить. Нужен для исследований в герпетологии (ветеринария).
Выдаёт при включении ошибку "111".
Не подскажете, где кроется проблема?
Может у кого сохранились какие-то схемы/наработки кроме той, что выше в этой теме?
 
vvpДата: Суббота, 15.Апр.2023, 16:54 | Сообщение # 40
У вас сообщений: 405
инженер
OFFлайн
Российская Федерация

Уфа
PCPshnik,
4848879.jpg (142.6 Kb)
 
  • Страница 1 из 2
  • 1
  • 2
  • »
Поиск:



Статистика Форума
Последние обновления тем: Новые файлы хранилища: Новые участники: Top10 участников:
1. Помощь в техобслужива...[dzyatel (29.Май.2026)]
2. Аппараты НЧ электроте...[aleksan (28.Май.2026)]
3. При операции с примен...[susel63 (28.Май.2026)]
4. Техническая поддержка...[UPZ (25.Май.2026)]
5. MOVIPLAN (УниКоРД-МТ)...[SpirituS (24.Май.2026)]
6. Аппарат магнитотерапе...[SpirituS (24.Май.2026)]
7. Стоматустановка K3 ф....[zizeroman (24.Май.2026)]
8. Анализатор гематологи...[fred1 (22.Май.2026)]
9. ЭХВЧ-400 ск-"Ник...[Olegosh (21.Май.2026)]
1. Apollo EZ service man...[25.Дек.2025]
2. VIVIX Setup Operation...[12.Окт.2025]
3. GenwareMP[10.Сен.2025]
4. Настройка реагентов M...[20.Авг.2025]
5. Philips HD3-EXP[13.Авг.2025]
6. Рентгеновское оборудо...[08.Авг.2025]
7. VersaMed iVent201 Сер...[13.Фев.2025]
8. Гелпик КРД Ренекс РЦ ...[09.Фев.2025]
9. Офтальмологическая ус...[31.Окт.2024]
10. Cardinal-Health-VELA-...[03.Окт.2024]
1. vapinic[29.Май.2026]
2. wenderer861[28.Май.2026]
3. karabas1167[28.Май.2026]
4. Paulus[28.Май.2026]
5. hismatulinaKsenia[28.Май.2026]
6. nefrid12[28.Май.2026]
7. roser362[27.Май.2026]
8. Romany4777[27.Май.2026]
9. RVA-59[27.Май.2026]
10. Dream_29[26.Май.2026]
МастерБаку[583]
Yulana34[177]
Serg74[160]
Dimitrius[129]
naves[122]
РОМУЛ[121]
bektyish[121]
madmac[116]
Алекс-200[114]
генаf[112]