[ Новые сообщения · Участники · Правила форума · Поиск · RSS ]



  • Страница 1 из 1
  • 1
Модератор форума: renmaster  
Конденсаторы в В/В баке
tirДата: Понедельник, 25.Янв.2016, 19:34 | Сообщение # 1
Стажер
У вас сообщений: 22
Инженер ИМТ
OFFлайн
Российская Федерация

Барнаул
Добрый день, уважаемые коллеги!

Пришла на аппарат RTM-ка (на старой трубке застрял анод, работали на застрявшем пока не пробило). Смонтировал и пошли проблемы.
В общих словах: имею срывы инвертора на всех режимах. Питающее Pixel-350 40 Italray. После срыва на плате INVERTER LOGICAL BOARD горит Ld2 = Delta kV max. Посмотрел осциллографом, и решил поднять бак (были подозрения на столбы).
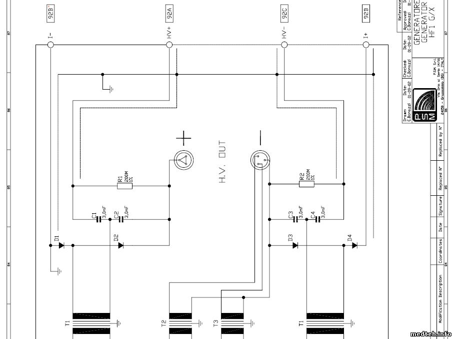
Ну а в баке нашел поджареный кондер. Поиск по маркировке ничего не дает. Знаю только емкость - 3000pf. Инвертор вроде на 40кГц работает. Фото кондера и куска мануала прилагаю. Может кто подскажет что за зверь и чем заменить.

С уважением и верой в лучшее..
7293178.jpg (127.2 Kb) · 1760933.jpg (46.2 Kb) · 0274906.jpg (62.3 Kb) · 2745543.jpg (70.5 Kb)
 
AlexiumДата: Понедельник, 25.Янв.2016, 19:47 | Сообщение # 2
Инженер медтехник
OFFлайн
Российская Федерация

Саратов
http://www.ecvv.com/product/4096360.html
Судя по маркировке у вас на 40 кВольт
Сервисником поделитесь?
 
tirДата: Понедельник, 25.Янв.2016, 20:09 | Сообщение # 3
Стажер
У вас сообщений: 22
Инженер ИМТ
OFFлайн
Российская Федерация

Барнаул
Alexium, Спасибо. Смотри лс.
 
tirДата: Понедельник, 25.Янв.2016, 20:19 | Сообщение # 4
Стажер
У вас сообщений: 22
Инженер ИМТ
OFFлайн
Российская Федерация

Барнаул
Может кто подскажет где их в России искать?
 
AlexiumДата: Понедельник, 25.Янв.2016, 20:42 | Сообщение # 5
Инженер медтехник
OFFлайн
Российская Федерация

Саратов
Цитата tir ()
где их в России искать?

только в списанных в\в баках.
Сомневаюсь что кто-то под заказ поштучно возьмется. unknown
 
Alex70ttДата: Понедельник, 25.Янв.2016, 20:49 | Сообщение # 6
У вас сообщений: 524
рентген техник
OFFлайн
Российская Федерация

вся Россия
покупайте бак бу вот и все
быстрее будет


!
 
DawasДата: Понедельник, 25.Янв.2016, 21:54 | Сообщение # 7
Участник
У вас сообщений: 148
Электронщик-программист
OFFлайн
Российская Федерация

Иваново
Мы похожие заказывали (для другого бака) где-то в Пензенской области.
В ООО "Кузнецкий завод конденсаторов"
P.S. кондёры 10kV 2.5nF бескорпусные, по размеру почти идеально влазят в 10мл шприц.
http://www.kuzcon.ru/post/6


Сообщение отредактировал Dawas - Вторник, 26.Янв.2016, 09:27
 
Алекс-200Дата: Вторник, 26.Янв.2016, 17:52 | Сообщение # 8
У вас сообщений: 1200
Инженер
OFFлайн
Российская Федерация

Самара
Фирма "Рентгенпром" в своих аппаратах использует частотные питающие устройства Российской разработки и производства. Обратитесь к ним. По крайней мере, подскажут где искать.
 
totoДата: Пятница, 29.Янв.2016, 11:58 | Сообщение # 9
Участник
У вас сообщений: 82
Системный программист
OFFлайн
Российская Федерация

ЦФО
Цитата tir ()
Может кто подскажет что за зверь и чем заменить.


Может этот подойдет. http://ru.aliexpress.com/item.....fJkVaj
 
  • Страница 1 из 1
  • 1
Поиск:



Статистика Форума
Последние обновления тем: Новые файлы хранилища: Новые участники: Top10 участников:
1. Помощь в техобслужива...[dzyatel (29.Май.2026)]
2. Аппараты НЧ электроте...[aleksan (28.Май.2026)]
3. При операции с примен...[susel63 (28.Май.2026)]
4. Техническая поддержка...[UPZ (25.Май.2026)]
5. MOVIPLAN (УниКоРД-МТ)...[SpirituS (24.Май.2026)]
6. Аппарат магнитотерапе...[SpirituS (24.Май.2026)]
7. Стоматустановка K3 ф....[zizeroman (24.Май.2026)]
8. Анализатор гематологи...[fred1 (22.Май.2026)]
9. ЭХВЧ-400 ск-"Ник...[Olegosh (21.Май.2026)]
1. Apollo EZ service man...[25.Дек.2025]
2. VIVIX Setup Operation...[12.Окт.2025]
3. GenwareMP[10.Сен.2025]
4. Настройка реагентов M...[20.Авг.2025]
5. Philips HD3-EXP[13.Авг.2025]
6. Рентгеновское оборудо...[08.Авг.2025]
7. VersaMed iVent201 Сер...[13.Фев.2025]
8. Гелпик КРД Ренекс РЦ ...[09.Фев.2025]
9. Офтальмологическая ус...[31.Окт.2024]
10. Cardinal-Health-VELA-...[03.Окт.2024]
1. Gotim[30.Май.2026]
2. SEMENMS[30.Май.2026]
3. partyman1122[30.Май.2026]
4. Julia_Howlter[30.Май.2026]
5. Medtehaktauarsen[30.Май.2026]
6. artudav[30.Май.2026]
7. Астим[30.Май.2026]
8. RomanGrek[30.Май.2026]
9. vapinic[29.Май.2026]
10. wenderer861[28.Май.2026]
МастерБаку[583]
Yulana34[177]
Serg74[160]
Dimitrius[129]
naves[122]
РОМУЛ[121]
bektyish[121]
madmac[116]
Алекс-200[114]
генаf[112]