[ Новые сообщения · Участники · Правила форума · Поиск · RSS ]



  • Страница 1 из 1
  • 1
Модератор форума: renmaster  
Проявочная машина Kodak X-OMAT 2000
dolgoan16Дата: Среда, 02.Авг.2017, 16:09 | Сообщение # 1
Участник
У вас сообщений: 127
рентгентехник
OFFлайн
Российская Федерация

Кемерово
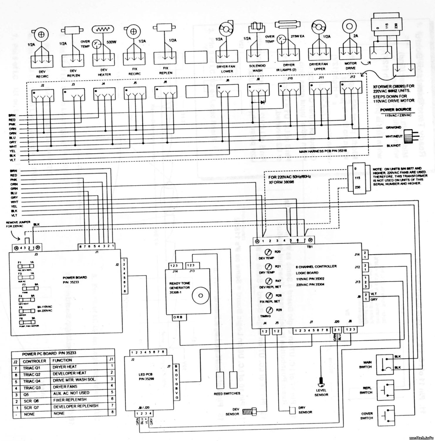
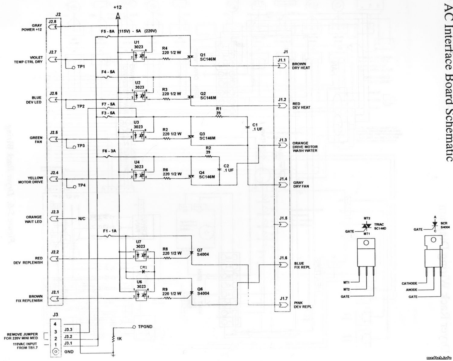
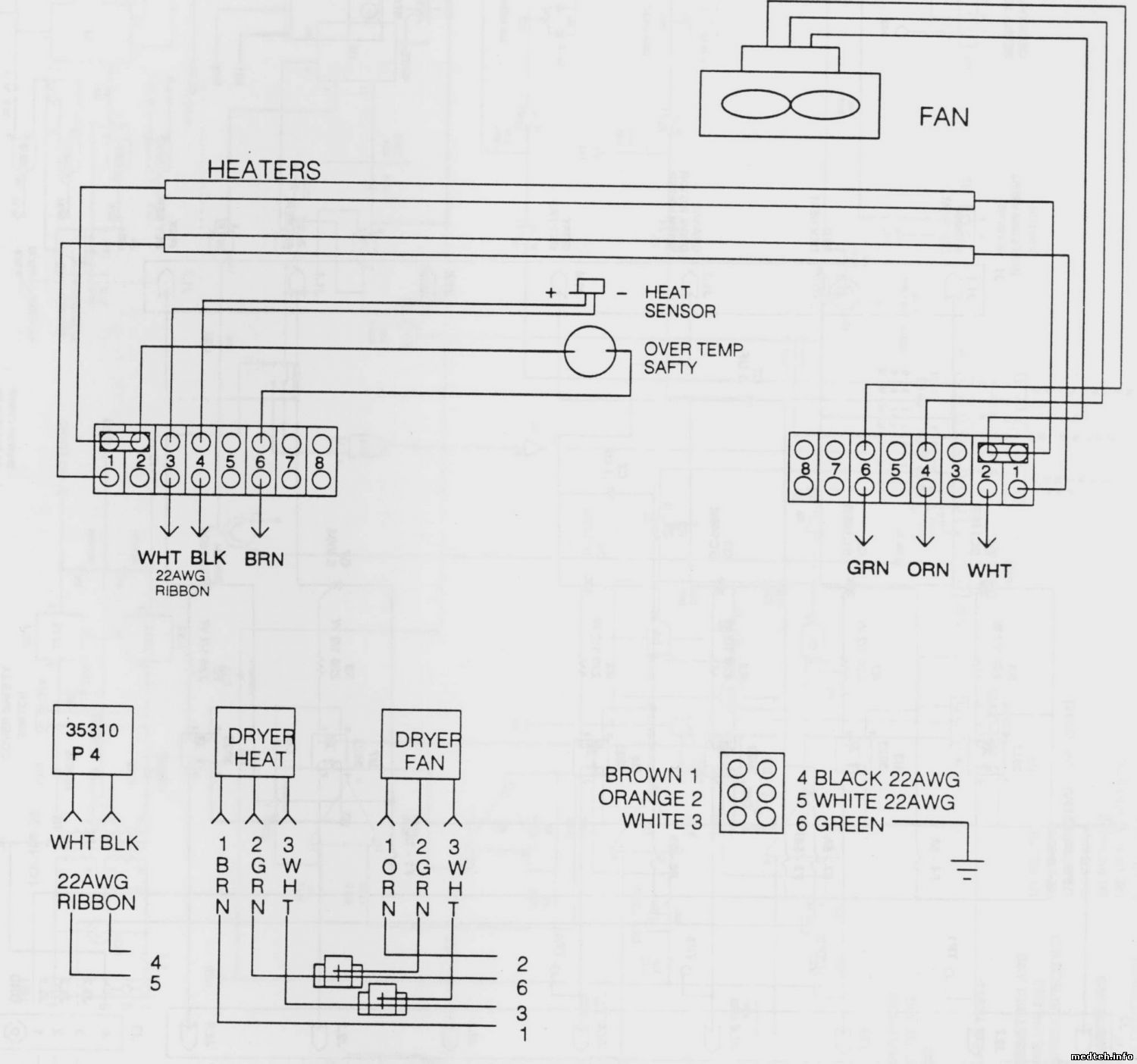
Приветствую всех на форуме . Проблема такая-не включается привод перемещения пленки и вентилятор и нагреватель сушки. Понятно , что это одна цепь. Герконы вроде в порядке. Привода точно исправны. Нет эл .схемы помогите чем можете. Советом или схемой. Остальное все пашет . И рециркуляция и нагрев и подкачка растворов.
 
StasikДата: Среда, 02.Авг.2017, 19:03 | Сообщение # 2
Техник
У вас сообщений: 342
электромеханик
OFFлайн
Российская Федерация

Красноярский край
Цитата dolgoan16 ()
Герконы вроде в порядке.

Надо узнать точно, в порядке или нет.
Не видел это фильмпроцессор, но как вариант, на МиниМед 4 последовательно с датчиками пленки находиться датчик положения откидного лотка подачи пленки в процессор. В подвижном лотке магнит, в теле процессора геркон.


Сообщение отредактировал Stasik - Среда, 02.Авг.2017, 19:35
 
dolgoan16Дата: Четверг, 03.Авг.2017, 03:23 | Сообщение # 3
Участник
У вас сообщений: 127
рентгентехник
OFFлайн
Российская Федерация

Кемерово
Такой датчик действительно есть, точнее их два, по краям лотка. От них срабатывает подкачка растворов. А она работает.
 
StasikДата: Четверг, 03.Авг.2017, 04:09 | Сообщение # 4
Техник
У вас сообщений: 342
электромеханик
OFFлайн
Российская Федерация

Красноярский край
Датчик закрытия крышки исправен?
Схемы к сожалению нет.
 
petroveechДата: Четверг, 03.Авг.2017, 07:35 | Сообщение # 5
У вас сообщений: 1072
Иженер
OFFлайн
Российская Федерация

Ставрополь
Не она?
3141000.jpg (307.0 Kb) · 8427345.jpg (164.0 Kb) · 1297915.jpg (160.8 Kb) · 5877119.jpg (154.3 Kb) · 4902971.jpg (242.9 Kb)


При обращении пишите мыло сразу.
 
dolgoan16Дата: Четверг, 03.Авг.2017, 08:59 | Сообщение # 6
Участник
У вас сообщений: 127
рентгентехник
OFFлайн
Российская Федерация

Кемерово
Нет не она.
 
petroveechДата: Четверг, 10.Авг.2017, 08:09 | Сообщение # 7
У вас сообщений: 1072
Иженер
OFFлайн
Российская Федерация

Ставрополь
Датчик уровня проявителя проверьте. Он под лотком загрузки плёнки.

При обращении пишите мыло сразу.
 
dolgoan16Дата: Четверг, 10.Авг.2017, 16:38 | Сообщение # 8
Участник
У вас сообщений: 127
рентгентехник
OFFлайн
Российская Федерация

Кемерово
Ребята , зто не серьезно. Вы пишите совсем о другой проявке. В ней нет датчика уровня. Это же каменный век ! А вы ДАТЧИК УРОВНЯ !!!! Короче проблема решилась ! Там такие стремные клеммы , что отваливаются от одного прикосновения. И эта проблема не на одной этой машине. Был обрыв в силовой цепи , нашли просто следуя по трассе проводов. Была бы схема , все решилось бы гораздо проще. А так пришлось потрошить жгуты. Необходимость в схеме до сих пор актуальна. Если кто найдет ,то шлите. Всем СПАСИБО !!!
 
Alex70ttДата: Четверг, 10.Авг.2017, 22:53 | Сообщение # 9
У вас сообщений: 524
рентген техник
OFFлайн
Российская Федерация

вся Россия
давай мыло вышлю

!
 
petroveechДата: Пятница, 11.Авг.2017, 06:58 | Сообщение # 10
У вас сообщений: 1072
Иженер
OFFлайн
Российская Федерация

Ставрополь
Цитата Alex70tt ()
давай мыло вышлю

И мне, если можно. Правда похоже у нас они и начаться не успеют. t26stv@yandex.ru


При обращении пишите мыло сразу.
 
  • Страница 1 из 1
  • 1
Поиск:



Статистика Форума
Последние обновления тем: Новые файлы хранилища: Новые участники: Top10 участников:
1. Анализатор поля зрени...[SpirituS (04.Дек.2025)]
2. Программный комплекс ...[mqubali (04.Дек.2025)]
3. Кардиорегистратор «ИК...[albano18 (04.Дек.2025)]
4. Thermo Scientific gem...[viggen (03.Дек.2025)]
5. Центрифуга CM-6M ф.El...[Ningen64 (03.Дек.2025)]
6. Дефибриллятор Defi B ...[san-che30 (02.Дек.2025)]
7. Коллиматор Ralco R 22...[seeker (02.Дек.2025)]
8. КУПЛЮ/ПРИМУ в дар при...[seabee (02.Дек.2025)]
9. Центрифуга MiniSpin P...[AntonioPetty (01.Дек.2025)]
1. VIVIX Setup Operation...[12.Окт.2025]
2. GenwareMP[10.Сен.2025]
3. Настройка реагентов M...[20.Авг.2025]
4. Philips HD3-EXP[13.Авг.2025]
5. Рентгеновское оборудо...[08.Авг.2025]
6. VersaMed iVent201 Сер...[13.Фев.2025]
7. Гелпик КРД Ренекс РЦ ...[09.Фев.2025]
8. Офтальмологическая ус...[31.Окт.2024]
9. Cardinal-Health-VELA-...[03.Окт.2024]
10. Service Manual HAMILT...[02.Окт.2024]
1. Intellect[05.Дек.2025]
2. Romanivanov[05.Дек.2025]
3. igogoigogo[05.Дек.2025]
4. 1rishka[04.Дек.2025]
5. L_V_N[04.Дек.2025]
6. ИвановИИ[04.Дек.2025]
7. Alex_U[04.Дек.2025]
8. Yarikus03[03.Дек.2025]
9. EvaLen[03.Дек.2025]
10. dankurets[03.Дек.2025]
МастерБаку[583]
Yulana34[177]
Serg74[160]
Dimitrius[129]
naves[122]
РОМУЛ[121]
bektyish[121]
madmac[116]
Алекс-200[114]
begun_a[112]