[ Новые сообщения · Участники · Правила форума · Поиск · RSS ]



  • Страница 1 из 1
  • 1
Модератор форума: renmaster  
КРД "Медикс-Р-Амико". РПУ ТОР-Х 850 HF. Стол Амиграф. Исп.3
barsukovДата: Пятница, 15.Фев.2019, 08:08 | Сообщение # 1
Участник
У вас сообщений: 114
медтехник
OFFлайн
Российская Федерация

Калинино
Здравствуйте коллеги!
КРД "Медикс-Р-Амико", РПУ TOP-X 850 HF с пультом, два рабочих места, стол "Амиграф". Исполнение 3.
Аппарат выпуска 2017г.

Снимки с решёткой идут только при небольших режимах до 20 мАс и не идут на больших режимах.
Нет характерного звука включения привода решётки при подготовке и не включается высокое.
Без решётки все режимы работают.

Прошу прощения, читать мне практически нечего кроме диска с документацией на штатив.
.

Есть темы:
обязательно читайте сообщ.1 этой темы и при необходимости и её саму - КРД стационарный "Медикс-Р-Амико" (Проблемы и их решения);
- КРД стационарный "Медикс-Р-Амико" на 3 р/места (Проблемы со столом-штативом Биоскоп);
- КРД стационарный "Медикс-Р-Амико". Стол Амиграф (Не работает томография);
- КРД стационарный "Медикс-Р-Амико" с питающим TOP-X 650 (Проблемы и их решения);
- КРД стационарный "Медикс-Р-Амико" с питающим TOP-X 650 HF (Проблемы и их решения);
- КРД стационарный "Медикс-Р-Амико" с питающим TOP-X 850 (Проблемы и их решения);
- КРД стационарный "Медикс-Р-Амико" с питающим TOP-X 850 HF (Проблемы и их решения).

.
 
sekosДата: Пятница, 15.Фев.2019, 20:28 | Сообщение # 2
Участник
У вас сообщений: 194
инженер
OFFлайн
Российская Федерация

Пенза
Цитата barsukov ()
Снимки с решёткой идут только при небольших режимах до 20 мАс и не идут на больших режимах
Это в АПР или в ручном режиме?
 
barsukovДата: Понедельник, 18.Фев.2019, 15:05 | Сообщение # 3
Участник
У вас сообщений: 114
медтехник
OFFлайн
Российская Федерация

Калинино
В АПР и в ручном режиме.
Аппарат работает очень необычно. Например в режиме "Позвоночник поясничный отдел" с решеткой снимка нет При переключении из этого режима в ручной решетка при любых значениях работать не будет.
Если же поставить "Шейный отдел позвоночника" это 63 кВ, 32 мАс и затем перейти в ручной режим, то решетка будет срабатывать при любых значениях и можно увеличить значения до тех же 83 кВ, 150 мАс как на "Поясничном отделе".

Это что такое?
 
sekosДата: Понедельник, 18.Фев.2019, 22:09 | Сообщение # 4
Участник
У вас сообщений: 194
инженер
OFFлайн
Российская Федерация

Пенза
Можно изменить параметры АПР, указав с решеткой или без решетки.
 
barsukovДата: Вторник, 19.Фев.2019, 12:55 | Сообщение # 5
Участник
У вас сообщений: 114
медтехник
OFFлайн
Российская Федерация

Калинино
Кажется в АПР можно поменять только напряжение ток и секунды, а рабочее место, фокус и решетка не изменяются.
Как то не достаточно подробно описано изменение программы органавтоматики.
Наверно не программная ошибка, потому что сегодня решетка уже нигде не работала. Почти тридцатилетний опыт ремонта рентгенотехники подсказывает мне, что там что то сломалось.
 
barsukovДата: Вторник, 19.Фев.2019, 15:21 | Сообщение # 6
Участник
У вас сообщений: 114
медтехник
OFFлайн
Российская Федерация

Калинино
Коллеги!
Кто знает как подключены решетки к РПУ TOP-X850HF?
 
sekosДата: Вторник, 19.Фев.2019, 20:20 | Сообщение # 7
Участник
У вас сообщений: 194
инженер
OFFлайн
Российская Федерация

Пенза
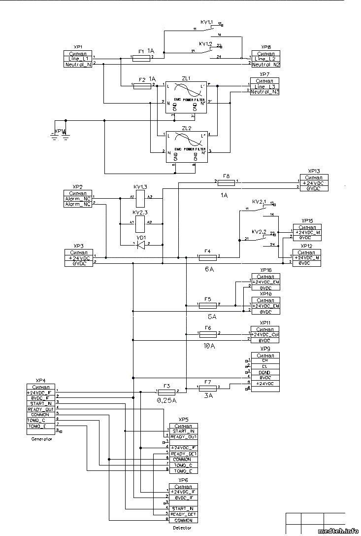
Из инструкции на генератор ТОР-X 850:
4316699.png (119.7 Kb) · 6432515.png (144.5 Kb) · 4455460.png (92.3 Kb)
 
StasikДата: Среда, 20.Фев.2019, 05:07 | Сообщение # 8
Техник
У вас сообщений: 342
электромеханик
OFFлайн
Российская Федерация

Красноярский край
Цитата barsukov ()
как подключены решетки

Питание на решетки 24V с CS12 5,6.
8501410.png (60.0 Kb)
 
Anakonda2aДата: Среда, 20.Фев.2019, 20:56 | Сообщение # 9
Техник
У вас сообщений: 508
Инженер по Т.О. мед. техники
OFFлайн
Российская Федерация

Подольск
Замените/проверьте оптопары в решетке
 
ЦЕХДата: Четверг, 21.Фев.2019, 00:42 | Сообщение # 10
У вас сообщений: 262
рентгентехника
OFFлайн
Российская Федерация

Белые ночи
Цитата Anakonda2a ()
Замените/проверьте оптопары в решетке

ну это какая решетка yes , обычно вход и выход сухие контакты реле, а вот в гене оптопару приходилось менять на соседний рабочий канал и подкинуть управу с битой. В 7 посте стр.38, к какому каналу подключена решетка треба смотреть на месте.
 
Anakonda2aДата: Четверг, 21.Фев.2019, 17:40 | Сообщение # 11
Техник
У вас сообщений: 508
Инженер по Т.О. мед. техники
OFFлайн
Российская Федерация

Подольск
Цитата ЦЕХ ()
ну это какая решетка

согласен, но данная неисправность как правило связана с решетками на оптопарах.
 
barsukovДата: Пятница, 22.Фев.2019, 16:45 | Сообщение # 12
Участник
У вас сообщений: 114
медтехник
OFFлайн
Российская Федерация

Калинино
Решетки на оптопарах, но что там за схема я не знаю.
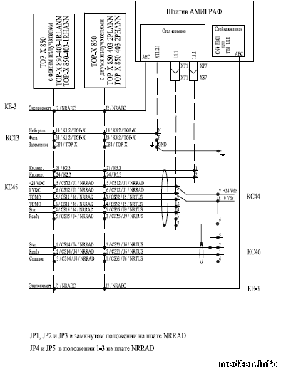
Провода от решеток идут в РПУ на плату NRRAD110. на разъем J5, на контакты реле реле RY1. Вчера реле не работало, но при этом должна была срабатывать решетка стола, но она не работала. Сегодня неожиданно появился низкий уровень на LD5 и RY1 и начала работать решетка на стойке, а на столе все равно не работала. Реле RY1 срабатывает при переключении рабочих мест. Понятно, что решетка на стойке исправна, а на столе наверно неисправна, но как она устроена и что там может быть сломано?
 
Anakonda2aДата: Пятница, 22.Фев.2019, 18:15 | Сообщение # 13
Техник
У вас сообщений: 508
Инженер по Т.О. мед. техники
OFFлайн
Российская Федерация

Подольск
Замени оптопары или проверь их засветку.
 
kupagenДата: Пятница, 22.Фев.2019, 19:34 | Сообщение # 14
Завсегдатай
У вас сообщений: 237
x-ray, физиотерапия, хирургия, диаг
OFFлайн
Беларусь

barsukov, личку посмотрите.

Сообщение отредактировал kupagen - Пятница, 22.Фев.2019, 19:34
 
barsukovДата: Понедельник, 04.Мар.2019, 15:07 | Сообщение # 15
Участник
У вас сообщений: 114
медтехник
OFFлайн
Российская Федерация

Калинино
Устранить неисправность решетки пока так и не удалось
Плата NRRAD110 срабатывает правильно.
Проблема в томографическом устройстве, там замыкание +24 в на START решетки и обрыв (или отключение) провода READY.
Коллеги! У кого есть схемы на томографическое устройство стола "Амиграф" 2014 года выпуска?
 
StasikДата: Понедельник, 04.Мар.2019, 16:31 | Сообщение # 16
Техник
У вас сообщений: 342
электромеханик
OFFлайн
Российская Федерация

Красноярский край
Такой?
1596307.png (157.8 Kb)
 
barsukovДата: Понедельник, 04.Мар.2019, 19:10 | Сообщение # 17
Участник
У вас сообщений: 114
медтехник
OFFлайн
Российская Федерация

Калинино
Вот такой.

5773862.jpg (38.3 Kb)
 
barsukovДата: Понедельник, 04.Мар.2019, 19:28 | Сообщение # 18
Участник
У вас сообщений: 114
медтехник
OFFлайн
Российская Федерация

Калинино
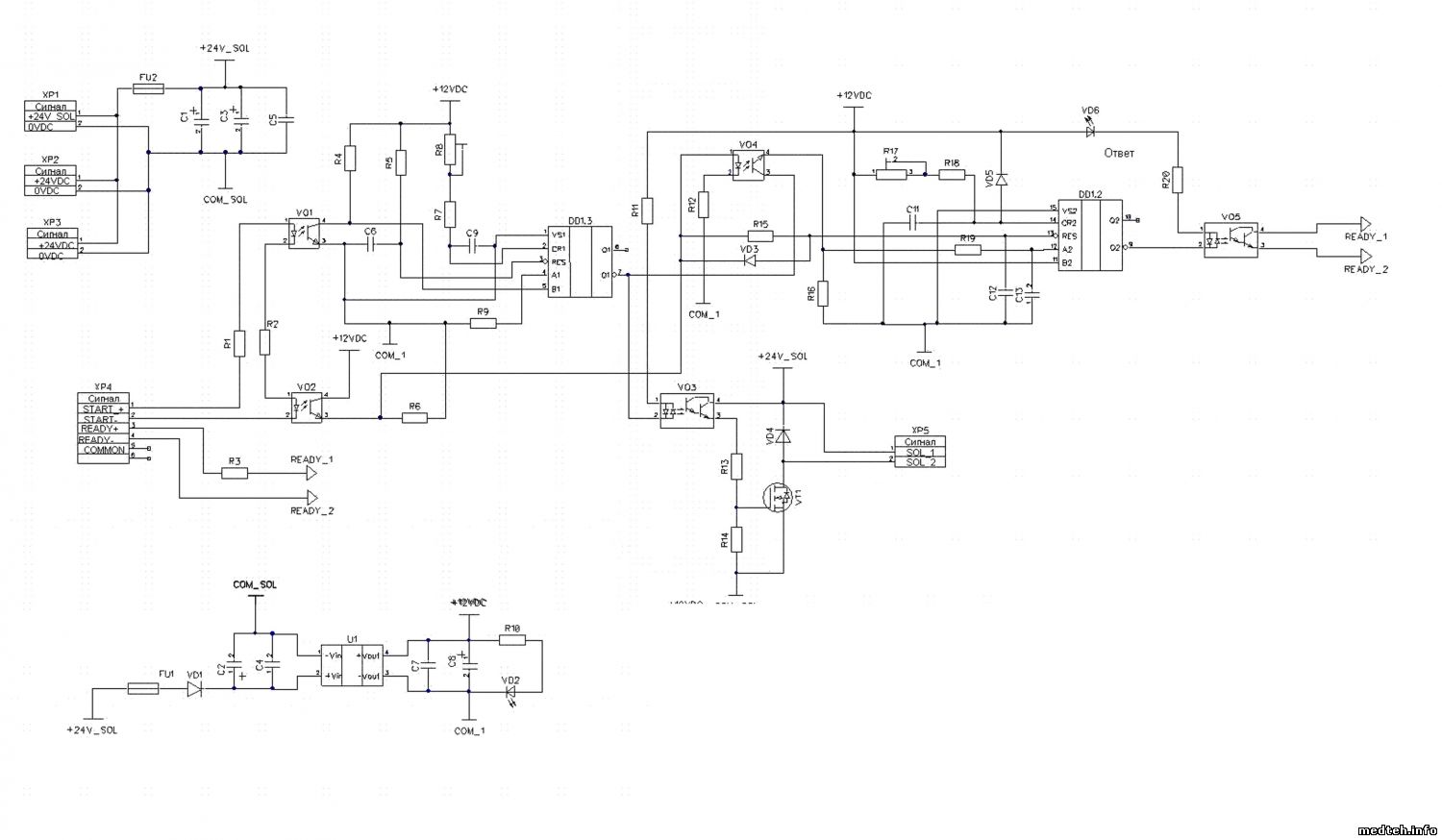
Вот такая у него схема решетки:



А вот схема питания:



А на платы управления томографией ничего нет. Собственно говоря к аппарату прилагалась только пользовательская инструкция комплект схем на штативные устройства на диске, причем схемы не на все платы.
4167739.jpg (93.3 Kb) · 9670126.jpg (88.5 Kb)
 
sekosДата: Понедельник, 04.Мар.2019, 21:40 | Сообщение # 19
Участник
У вас сообщений: 194
инженер
OFFлайн
Российская Федерация

Пенза
.

Сообщение отредактировал sekos - Понедельник, 04.Мар.2019, 22:26
 
barsukovДата: Вторник, 05.Мар.2019, 15:39 | Сообщение # 20
Участник
У вас сообщений: 114
медтехник
OFFлайн
Российская Федерация

Калинино
Неисправность где-то на плате управления штативом. Это программируемое устройство на контроллере STM32.
Контроллер получает сигнал START c платы NRRAD 110, это должен быть только входной сигнал. А вот READY вероятно формируется контроллером по сигналу READY_DET с решетки после чего тоже поступает на NRRAD 110.
Это все могло быть сделано только для управления томографической приставкой.
Наверно надо отключить START и READY от платы управления потому что все равно ничего не работает.
 
Anakonda2aДата: Вторник, 05.Мар.2019, 18:51 | Сообщение # 21
Техник
У вас сообщений: 508
Инженер по Т.О. мед. техники
OFFлайн
Российская Федерация

Подольск
Смотри пост 13.
Цитата barsukov ()
надо отключить START и READY от платы управления

И дальше вообще работать не будет.
Поставь перемычку.
 
barsukovДата: Вторник, 05.Мар.2019, 19:35 | Сообщение # 22
Участник
У вас сообщений: 114
медтехник
OFFлайн
Российская Федерация

Калинино
Цитата
И дальше вообще работать не будет.
Поставь перемычку.

Получается, что на READY надо поставить перемычку, а START отцепить от платы управления.
Оптопары тоже проверю. VO1 и VO2 наверно неисправны. Щелевая оптопара исправна,
при качании растра горит светодиод VD6.
Но надо добраться до причины неисправности. На схеме платы управления не обозначены сигналы, придется прозванивать кабель. Имеющаяся у меня схема платы управления столом тоже не подходит.
 
Anakonda2aДата: Вторник, 05.Мар.2019, 20:18 | Сообщение # 23
Техник
У вас сообщений: 508
Инженер по Т.О. мед. техники
OFFлайн
Российская Федерация

Подольск
Не-а. Закольцевать start и ready. То есть команду старт от питающего с командой готов от решетки.
Но правильнее всего проветрить оптопары.
 
Anakonda2aДата: Вторник, 05.Мар.2019, 20:19 | Сообщение # 24
Техник
У вас сообщений: 508
Инженер по Т.О. мед. техники
OFFлайн
Российская Федерация

Подольск
p.s. все на ваш страх и риск.
Точно не помню, а схемы под рукой нет. Смысл операции: с питающего идет команда на решетку на начало движения, при достижении стартовой позиции решетки через оптопару данный сигнал передается в питающее под именем готов и начинается снимок. Для проверки вместо оптопары поставить перемычку. Должно заработать, но при этом решетка не контролируется и возможен снимок в полосочку.


Сообщение отредактировал Anakonda2a - Вторник, 05.Мар.2019, 20:26
 
barsukovДата: Вторник, 12.Мар.2019, 17:39 | Сообщение # 25
Участник
У вас сообщений: 114
медтехник
OFFлайн
Российская Федерация

Калинино
В завершение (продолжение) темы расскажу чем закончилась моя война с горизонтальной решеткой.
Не вдаваясь в подробности скажу что просто подключил плату управления решеткой на столе точно так же как на стойке снимков, соединив соответствующие концы START и READY кабелей с маркировкой КС165 и КС117 минуя плату питания и плату управления. Кроме того соединил перемычкой клеммы START и READY+ на клеммнике платы управления решеткой.
Все мои попытки заставить плату управления столом выдать сигнал READY не увенчались успехом. Возможно неправильно сделана коммутация между платами в столе, но это не проверить так как нет никаких схем.
На Апрелевском заводе объяснили что они это устройство не выпускали и помочь ни чем не могут, хотя я отослал им заводской номер и дату выпуска штатива.
 
azrailДата: Пятница, 15.Мар.2019, 16:49 | Сообщение # 26
Стажер
У вас сообщений: 25
сервис инженер
OFFлайн
Российская Федерация

Наро-Фоминск
добрый, подскажите пожалуйста у вас данный комплекс с чем работает, с проявочной машиной, дигитайзером, цифровым детектором?
 
barsukovДата: Вторник, 19.Мар.2019, 18:25 | Сообщение # 27
Участник
У вас сообщений: 114
медтехник
OFFлайн
Российская Федерация

Калинино
С проявочной машиной.
 
  • Страница 1 из 1
  • 1
Поиск:



Статистика Форума
Последние обновления тем: Новые файлы хранилища: Новые участники: Top10 участников:
1. ЭХВЧ Е81М "Фотек...[павел22 (10.Май.2026)]
2. Двигатель компрессора...[groza (10.Май.2026)]
3. Принтер DryStar 5302 ...[sergey-ts (09.Май.2026)]
4. Аппарат для гемодиали...[maik32 (08.Май.2026)]
5. УЗИ Aplio 500 ф.Toshi...[nav (05.Май.2026)]
6. Кардиограф MAC 2000[vladi (05.Май.2026)]
7. Автоматический СОЭ-ме...[Dissatisfied (05.Май.2026)]
8. Анализатор гематологи...[vvp (04.Май.2026)]
9. Концентратор кислород...[AlexanderRu (04.Май.2026)]
1. Apollo EZ service man...[25.Дек.2025]
2. VIVIX Setup Operation...[12.Окт.2025]
3. GenwareMP[10.Сен.2025]
4. Настройка реагентов M...[20.Авг.2025]
5. Philips HD3-EXP[13.Авг.2025]
6. Рентгеновское оборудо...[08.Авг.2025]
7. VersaMed iVent201 Сер...[13.Фев.2025]
8. Гелпик КРД Ренекс РЦ ...[09.Фев.2025]
9. Офтальмологическая ус...[31.Окт.2024]
10. Cardinal-Health-VELA-...[03.Окт.2024]
1. esin[10.Май.2026]
2. san396[10.Май.2026]
3. mariya__2016[08.Май.2026]
4. Dimitrii16021009[08.Май.2026]
5. st1van[08.Май.2026]
6. Alexeyb4[07.Май.2026]
7. yagr1[07.Май.2026]
8. Medicaparts[06.Май.2026]
9. medici[06.Май.2026]
10. Metallurg[06.Май.2026]
МастерБаку[583]
Yulana34[177]
Serg74[160]
Dimitrius[129]
naves[122]
РОМУЛ[121]
bektyish[121]
madmac[116]
Алекс-200[114]
генаf[112]