
| [ Новые сообщения · Участники · Правила форума · Поиск · RSS ] |
|
|
| Модератор форума: renmaster |
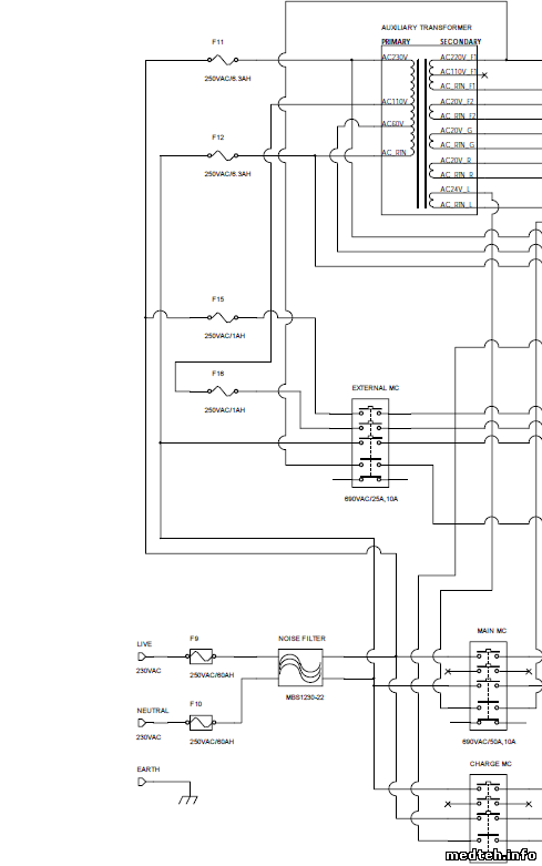
| Форум медтехников Медицинское оборудование (тех. разделы) Рентгеновское оборудование. DRGEM GXR C40 (При подключении к сети с заземлением происходит замыкание) |
| DRGEM GXR C40 | |||||||||
| |||||||||
|
| |||
| |||
| Статистика Форума | ||||
| Последние обновления тем: | Новые файлы хранилища: | Новые участники: | Top10 участников: | |