[ Новые сообщения · Участники · Правила форума · Поиск · RSS ]



  • Страница 1 из 1
  • 1
Модератор форума: renmaster  
Siemens Multix Pro
CrazyIgelsДата: Понедельник, 05.Мар.2012, 16:21 | Сообщение # 1
Участник
У вас сообщений: 62
Инженер
OFFлайн
Российская Федерация

Ковров
Доброго дня.
Новая проблема с агрегатом Multix Pro P фирмы Siemens.

Томограф "собирается" правильно - после выбора режима сканирования и подъема трубки на 115 см от стола срабатывает привод позиционирования колонны, включается режим томографии на пульте управления генератором и на панели трубки.

При нажатии кнопки экспонирования в первое положение - должен отрабатываться выход в исходную точку - колонна должна уйти к левой части стола (голова пациента) наклониться на заданный угол. После полного нажатия кнопки - начать экспонирование и движение в сторону ног пациента с одновременным изменением угла наклона. После окончания цикла - вернуться в середину - исходное положение.

На практике - при нажатии в первое положение - колонна начинает движение в сторону головы, проходит сантиметров пять и останавливается. Впечатление такое что происходит удар. Излазил все направляющие, проверил тормоз - ничего не могу обнаружить. Либо - не начинает цикл сканирования в принципе - срабатывает раскрутка трубки - ее слышно, а никаких движение приводов нет.

Что можно посмотреть/проверить дополнительно? Глав врач требует что бы томография работала :( Хотя кроме него никто ее и не заказывает....


Сообщение отредактировал CrazyIgels - Воскресенье, 11.Мар.2012, 13:15
 
vfДата: Понедельник, 05.Мар.2012, 18:35 | Сообщение # 2
У вас сообщений: 473
инженер
OFFлайн
Российская Федерация

Quote (CrazyIgels)
Что можно посмотреть

задрать юбку и посмотреть, что там она показывает (плата томографии)
 
M-IshevskДата: Вторник, 06.Мар.2012, 11:51 | Сообщение # 3
Завсегдатай
У вас сообщений: 258
рентгентехник
OFFлайн
Российская Федерация

Ижевск
Если есть сервисная программа для стола - подключайся и проверяй все потенциометры. Заодно и полную их настройку проведешь. В инструкции по монтажу все расписано - на англицком biggrin
Кстати а без кассеты томограф катается? Если кассету не вставлять вообще - то все движения должны быть, но без подачи высокого.


Сообщение отредактировал M-Ishevsk - Вторник, 06.Мар.2012, 11:56
 
CrazyIgelsДата: Вторник, 06.Мар.2012, 14:56 | Сообщение # 4
Участник
У вас сообщений: 62
Инженер
OFFлайн
Российская Федерация

Ковров
Инструкция по монтажу есть. Английский не проблема.

Что значит без кассеты?
Полностью с вынутым касетодержателем? Или с установленным касетодержателем но без кассеты?

Пробовал с установленным касетодержателем без кассеты - не катается - начинает движение и сразу встает.

Под юбку сегодня заглянул - увидил кучу пыли и паутины :) Так что подрубание компа и глобальную чистку буду проводить после праздников.
 
M-IshevskДата: Среда, 07.Мар.2012, 10:29 | Сообщение # 5
Завсегдатай
У вас сообщений: 258
рентгентехник
OFFлайн
Российская Федерация

Ижевск
1. с установленным касетодержателем но без кассеты - именно так
2. похоже что все же сдох какой нибудь потенциометр - надо искать ибо их там вагон с тележкой
 
CrazyIgelsДата: Воскресенье, 11.Мар.2012, 13:15 | Сообщение # 6
Участник
У вас сообщений: 62
Инженер
OFFлайн
Российская Федерация

Ковров
Дело было в энкодере мотора поворота трубки.
Залезание под "юбку" показало 631 ошибку.

"ERROR631]
Tomo controller: Tube rotation error loop error detected. Motor defective or motor movement to hard for the tube rotation direction; check the encoder belongs to the motor.
"

Проблема была в окислении контактов судя по всему, так как после переподключения разъема энкодера все заработало.
 
boroborДата: Пятница, 12.Сен.2014, 04:41 | Сообщение # 7
Стажер
У вас сообщений: 33
вся медицинская техника
OFFлайн
Российская Федерация

новосибирск
Кто сталкивался с электродвигателем на перемещение колонны?
Подскажите, что за двигатель применяется?


Сообщение отредактировал borobor - Пятница, 12.Сен.2014, 04:43
 
IgorGiДата: Воскресенье, 14.Сен.2014, 23:36 | Сообщение # 8
Завсегдатай
У вас сообщений: 228
инженер
OFFлайн
Российская Федерация

Пятигорск
Насколько помню, двигатель постоянного тока 24В с тормозом. Проблема в чем?
 
MuslimusДата: Четверг, 07.Май.2015, 11:34 | Сообщение # 9
Стажер
У вас сообщений: 4
рентгенолог
OFFлайн
Российская Федерация

Грозный
Доброго времени суток, не по теме конечно, но может кто выслать декларацию и Регистрационное удостоверение на Siemens Multix Pro P, в PDF формате на адрес batyzheva74@mail.ru. Заранее благодарен
 
omidДата: Четверг, 11.Фев.2016, 08:06 | Сообщение # 10
Участник
У вас сообщений: 52
Технический директор
OFFлайн
Российская Федерация

Нижний Новгород
Добрый день. Проблема с подъемом и отпускание стола на Siemens MULTIX PRO.
Она заключается в том что при нажатии на кнопку стол двигается рывками и слева моргает сигнальная лампочка. На фото её видно. Кто-нибудь сталкивался с данной проблемой и как её можно решить.
Также на колонне снизу нужно заменить подшипники не подскажете какой там подшипник (внешний диаметр 35 мм)?
Заранее благодарю.
2265692.jpg (98.9 Kb) · 4832836.jpg (83.2 Kb)
 
ЦЕХДата: Суббота, 13.Фев.2016, 04:57 | Сообщение # 11
У вас сообщений: 262
рентгентехника
OFFлайн
Российская Федерация

Белые ночи
А что с документацией тоже проблема? По подшибникам просто замеры штангелем и в калькулятор подшибников, сайтов дофига или сразу в специализированную контору по продаже оного, там подберут.
 
artem_skalackiiДата: Суббота, 13.Фев.2016, 11:52 | Сообщение # 12
Участник
У вас сообщений: 147
сервисный инженер
OFFлайн
Казахстан

Актюбинск
может тормоз на двигателе с задней стороны двигателя зажат,если такой имеется,по пробуйте отпустить чуть чуть,и проверте.
 
Yuri87Дата: Понедельник, 20.Фев.2017, 13:14 | Сообщение # 13
Стажер
У вас сообщений: 4
инженер
OFFлайн
Российская Федерация

Вологда
Добрый день!omid Решилась ли проблема со столом? Если да то каким образом? У меня похожая неисправность на таком же аппарате.
 
mozalДата: Понедельник, 20.Фев.2017, 16:36 | Сообщение # 14
У вас сообщений: 100
Рентген
OFFлайн
Российская Федерация

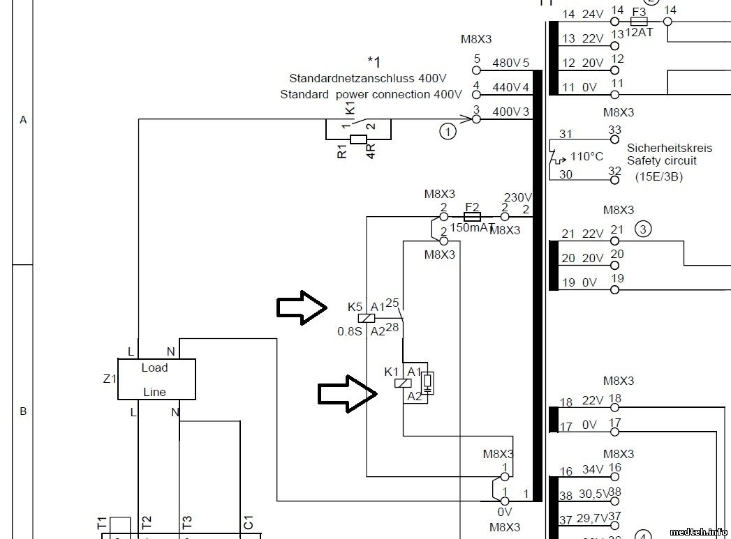
Под столом посмотрите контакторы, возможно подгорели контакты.
3 штуки в ряд. 1,2 с лева на право движение в верх,низ. Смотрите К2 контактор возможно подгорели контакты.
К3 подъем стола в верх. К4-вниз.
Y10 (20E/3B) Tisch-центр Bremse / тормоз лифта стола (К9 реле подача U на электромагнитный тормоз Y10, расположено на плате D54)
K2 (15E/4B) Sicherheitsschütz / контактор безопасности- через него подается питание на мотор подъем опускание стола, далее К3,К4, при включенном аппарате (исправном) всегда включен.
Если с контактами все ОК смотрите цепи безопасности.(схему блокировки движения стола)
2108688.jpg (93.0 Kb) · 2121029.jpg (128.5 Kb)


Сообщение отредактировал mozal - Вторник, 21.Фев.2017, 14:34
 
als04Дата: Вторник, 21.Фев.2017, 10:52 | Сообщение # 15
Участник
У вас сообщений: 63
инженер
OFFлайн
Российская Федерация

Ижевск
Присоединяюсь к мнению mozaI.
Недавно была такая проблема. В итоге - глючит таймер К5 в цепи включения пускателя К1.
Стоит слева от пускателя, в левом нижнем углу в столе (если смотреть спереди).
По уму надо бы заменить. А так, отцепили от таймера и закоротили контакты.
Все работает.
3234774.jpg (82.0 Kb)
 
mozalДата: Вторник, 21.Фев.2017, 12:21 | Сообщение # 16
У вас сообщений: 100
Рентген
OFFлайн
Российская Федерация

Это не таймер, а схема плавной подачи напряжения питания 380 вольт на трансформатор Т1 8Х3 (защита от резкой просадки при подключении Т1) фазного напряжения L1, L2.
K1 (13E/2B) Einschaltverzögerung /выключатель - задержка
K5 (13E/2B) Netzschütz /
R1 - 4 Ома
Так что не рекомендую отключать. Могут быть плачевные последствия........


Сообщение отредактировал mozal - Вторник, 21.Фев.2017, 14:31
 
als04Дата: Вторник, 21.Фев.2017, 18:32 | Сообщение # 17
Участник
У вас сообщений: 63
инженер
OFFлайн
Российская Федерация

Ижевск
Ну да - схема. Но накрылся именно к5 таймер или реле времени.
Не суть. Только в том "мухос...ке" где стоит аппарат аналог не купишь, а оригинал - мечта.
Вообще в районные больницы нельзя такие аппараты ставить.
Денег нет ни на обслуживание, ни на ремонт, ни на запчасти.
А дорогостоящий памятник поставить и более креативно можно...
Если удастся принять волевое решение (в смысле с духом собраться), съезжу - поставлю.
Тока не оценит никто nea
 
mozalДата: Вторник, 21.Фев.2017, 20:46 | Сообщение # 18
У вас сообщений: 100
Рентген
OFFлайн
Российская Федерация

K5 (13E/2B) Netzschütz / контактор
К5 -это не таймер и не реле времени- простой контактор.
Из благих намерений можно MULTIX PRO P простой перемычкой превратить в кучу металлолома.

"Тока не оценит никто yes " Это точно. Но геморроя у тебя меньше будет.


Сообщение отредактировал mozal - Среда, 22.Фев.2017, 14:19
 
HWMasterДата: Четверг, 23.Фев.2017, 11:37 | Сообщение # 19
У вас сообщений: 165
ENGINEER
OFFлайн
Российская Федерация

USSR
Цитата mozal ()
К5 -это не таймер и не реле времени- простой контактор.

Вы не правы!
Это именно реле задержки включения , при чем всего на 0,8 секунды!
И знаю случаи когда без него аппараты работали почти по году!:(
А заменить его аналогом достаточно легко, было бы желание...
Вот на пример:
http://www.prestig.ru/elektri....PCR_515
http://www.rele.ru
Выбирайте!
Надеюсь что в Ижевске что нибудь подобное найти можно.


Сообщение отредактировал HWMaster - Четверг, 23.Фев.2017, 11:37
 
mozalДата: Четверг, 23.Фев.2017, 18:11 | Сообщение # 20
У вас сообщений: 100
Рентген
OFFлайн
Российская Федерация

HWMaster не надо спорить, это есть схема плавной подачи напряжения на первичную обмотку трансформатора. А не таймер.
Смотри работу схемы. Заодно понятие что такое ТАЙМЕР.
Под словом таймер подразумевают специальное устройство, которое предназначается для отсчета времени назад, с секундным шагом, начиная с момента запуска.


Сообщение отредактировал mozal - Четверг, 23.Фев.2017, 18:46
 
HWMasterДата: Четверг, 23.Фев.2017, 19:27 | Сообщение # 21
У вас сообщений: 165
ENGINEER
OFFлайн
Российская Федерация

USSR
Уважаемый mozal, советую еще раз прочитать мой пост!
Где в нем хоть одно слово "ТАЙМЕР" вы углядели?
А вы опять свое ошибочное мнение навязываете:
Цитата mozal ()
это есть схема плавной подачи напряжения на первичную обмотку трансформатора

Где вы в этой схеме нашли ПЛАВНУЮ ПОДАЧУ НАПРЯЖЕНИЯ?
Это всего лишь стандартное двух шаговое включение силовой части аппарата.
Первый шаг включение происходит через балластный резистор, для ограничения выбросов переходных токов.
А на втором шаге резистор просто закорачивают и аппарат может работать в полную мощность.
В данном аппарате задержка полного включения установлена в 0,8с.
 
mozalДата: Четверг, 23.Фев.2017, 21:39 | Сообщение # 22
У вас сообщений: 100
Рентген
OFFлайн
Российская Федерация

Учи уроки......Уже ближе к истине
 
Алекс-200Дата: Пятница, 24.Фев.2017, 07:09 | Сообщение # 23
У вас сообщений: 1197
Инженер
OFFлайн
Российская Федерация

Самара
Цитата HWMaster ()
Это всего лишь ... двух шаговое включение силовой части аппарата.
обычно называемое "Мягкий старт (пуск)".
В зависимости от конфигурации силовой части, схемная реализация мягкого старта различается:
- от фиксированной задержки в обсуждаемом случае,
- до схемы слежения за напряжением на конденсаторах инвертора, как это сделано в генераторах на базе "Магнум".
Цитата HWMaster ()
знаю случаи когда без него аппараты работали почти по году!
но, если обращали внимание, лампа накаливания сгорает в момент включения. Если осветительной лампе сделать мягкий старт, то служить она будет несравненно дольше. А рентгеновский аппарат - устройство более сложное и уязвимое.
 
mozalДата: Пятница, 24.Фев.2017, 07:55 | Сообщение # 24
У вас сообщений: 100
Рентген
OFFлайн
Российская Федерация

Не надо в одну кучу все мешать, заряд батареи конденсаторов питающей цепи инвертора и подключение мощного трансформатора.
Время заряда конденсаторов фильтра 3 фазного выпрямителя питания инвертора используется для диагностики исправности блока питания инвертора микропроцессором генератора.
И хватит спамить. Виновник поста пока так и не появился.....


Сообщение отредактировал mozal - Пятница, 24.Фев.2017, 08:42
 
Yuri87Дата: Вторник, 11.Апр.2017, 08:39 | Сообщение # 25
Стажер
У вас сообщений: 4
инженер
OFFлайн
Российская Федерация

Вологда
Забыл отписаться. Проблема была как и писали в реле К5. Решилась заменой на аналог. Всем спасибо drinks
 
webfoxДата: Понедельник, 27.Ноя.2017, 21:41 | Сообщение # 26
Участник
У вас сообщений: 144
стажер
OFFлайн
Российская Федерация

Китай
нет движения колоны. ошибка 752
 
ParkincjnДата: Четверг, 13.Сен.2018, 05:15 | Сообщение # 27
Участник
У вас сообщений: 106
Электромеханник
OFFлайн
Российская Федерация

Хабаровск
Программа настройки стола "Multix Service Software" запрашивает пароль, где его взять? Подскажите кто работал с этой программой, что можно посмотреть с ее помощью. Не включается режим "томо", начинает включатся, включается реле К10 в столе и отпадает. К10 при режиме "томо" должно быть включенным, в чем причина понять не можем. Посоветуйте, все необходимые установки для "томо" выполнены.
 
vapДата: Понедельник, 17.Сен.2018, 10:21 | Сообщение # 28
Стажер
У вас сообщений: 17
рентген
OFFлайн
Российская Федерация

Пенза
Пароль Multix. Пользователь любой.
Можно проверить движения кассетоприемника, колонны, поворт трубки (томо движения).
Настройка потенциометров, конфигурация аппатата, логи.
 
Sirikalex1984Дата: Понедельник, 25.Апр.2022, 12:45 | Сообщение # 29
Стажер
У вас сообщений: 15
Инженер
OFFлайн
Российская Федерация

Пермь
Добавлю свои 5 копеек. Порой остановка движения стола связана с обрывом кабеля, который находится за аварийной кнопкой справо.
 
  • Страница 1 из 1
  • 1
Поиск:



Статистика Форума
Последние обновления тем: Новые файлы хранилища: Новые участники: Top10 участников:
1. Замена светодиода на ...[Shturman (05.Дек.2025)]
2. Анализатор поля зрени...[SpirituS (04.Дек.2025)]
3. Программный комплекс ...[mqubali (04.Дек.2025)]
4. Кардиорегистратор «ИК...[albano18 (04.Дек.2025)]
5. Thermo Scientific gem...[viggen (03.Дек.2025)]
6. Центрифуга CM-6M ф.El...[Ningen64 (03.Дек.2025)]
7. Дефибриллятор Defi B ...[san-che30 (02.Дек.2025)]
8. Коллиматор Ralco R 22...[seeker (02.Дек.2025)]
9. КУПЛЮ/ПРИМУ в дар при...[seabee (02.Дек.2025)]
1. VIVIX Setup Operation...[12.Окт.2025]
2. GenwareMP[10.Сен.2025]
3. Настройка реагентов M...[20.Авг.2025]
4. Philips HD3-EXP[13.Авг.2025]
5. Рентгеновское оборудо...[08.Авг.2025]
6. VersaMed iVent201 Сер...[13.Фев.2025]
7. Гелпик КРД Ренекс РЦ ...[09.Фев.2025]
8. Офтальмологическая ус...[31.Окт.2024]
9. Cardinal-Health-VELA-...[03.Окт.2024]
10. Service Manual HAMILT...[02.Окт.2024]
1. Dvish[05.Дек.2025]
2. Intellect[05.Дек.2025]
3. Romanivanov[05.Дек.2025]
4. igogoigogo[05.Дек.2025]
5. 1rishka[04.Дек.2025]
6. L_V_N[04.Дек.2025]
7. ИвановИИ[04.Дек.2025]
8. Alex_U[04.Дек.2025]
9. Yarikus03[03.Дек.2025]
10. EvaLen[03.Дек.2025]
МастерБаку[583]
Yulana34[177]
Serg74[160]
Dimitrius[129]
naves[122]
РОМУЛ[121]
bektyish[121]
madmac[116]
Алекс-200[114]
begun_a[112]