Есть мысль проверить КЗ на землю по "минусу", может провод где пережат или контакт накопителя касается корпуса... Алекс правильно предлагает отключить накопитель и нагрузить плату заряда конденсаторной батареей (я ставил последовательно 2 конденсатора 470мкф*450В для того что бы рабочее напряжение было выше максимально возможного в 1,42 раза). в дополнение к конденсаторам подключал в качестве нагрузки 2-3 последовательно соединенные лампочки на 220В, и наглядно наблюдал величину напряжения на выходе. В Просканах напряжение должно быть в районе 350В. И ещё цепь разряда на VT5 проверил бы?
Накопитель поставил другой, заведомо рабочий. КЗ нет плата на столе, накопитель под столом. Зепь разряда выпаял вообще. На конденсаторах и лампочке всё ок (22000 мкф). Диоды поменял, Шим поменял, 350 в отслеживается. Стоит подсоеденить накопитель и резик дымится. Непонятно как происходит отслеживание начального зарядного тока. Точно такой же ремонт у соседей занял 3 часа. Может ли быть проблема с трансом? Аппарат стоял год. На нём на охоту ездили. Когда я плату выкручивал было влажно очень.
При проблемах с трансом как правило горят цепи на первичке, на вторичке горят из-за большого тока в нагрузке. Может попробовать замерить ток при работе на конденсаторы и на накопитель в "+" и "-" плечах. Вопрос на всякий случай: "Резистор правильной мощности"?
petroveech, если не принимать во внимание резисторы по 100 кОм, через которые силовая часть соединяется со схемой контроля напряжения, то R18 и R19 включены ПОСЛЕДОВАТЕЛЬНО. Если к тому же
, то получается, что к выпрямителю подсоединены два резистора и конденсатор. Поскольку чудес в природе не бывает, то следует обратить внимание на одинаковость: - сопротивлений резисторов. - падений напряжений на резисторах. - фактическую мощность, рассеиваемую резисторами.
Два одинаковых резика по выходу ставлю "-" перегорает (10 вт достаточно). Склоняюсь к вч возбуду хитрому. Что-то подобное было в ламповых телевизорах, а сердечник транса взят именно с них.
Сообщение отредактировал petroveech - Четверг, 04.Окт.2012, 17:15
Дата: Пятница, 05.Окт.2012, 10:18 | Сообщение # 10
начальник участка
OFFлайн
Российская Федерация
Самара
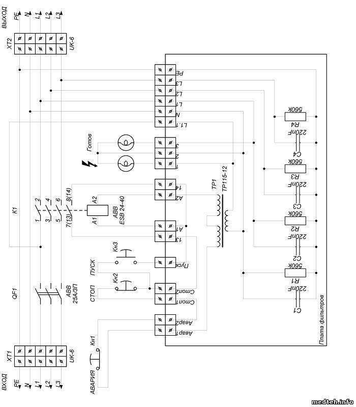
Чтобы не плодить тем, решил продолжить эту. Проблема в следующем: Не включается флюорограф Проскан 2000 с пластиковой кабиной, однофазный. На стене висит электрощит. Внутри трехфазный автомат,контактор CN 25.10 и плата с трансформатором. Питание с автомата подается на контактор, а с него должно идти на флюорограф. При нажатии кнопки на щитке включение не происходит, контактор не срабатывает. На щиток приходят два провода от флюорографа Авария 1 и Авария 2. Если подключить флюорограф напрямую, минуя контактор - он работает. Интересует схема платы, назначение сигналов Авария 1 и Авария 2. Могут ли они блокировать включение флюорогрофа? Фото прилагаю http://f-bit.ru/15127 Спасибо.