[ Новые сообщения · Участники · Правила форума · Поиск · RSS ]



  • Страница 1 из 1
  • 1
Модератор форума: renmaster  
КРД ОКО (генератор ProVarioRF 60)
id-053у3Дата: Воскресенье, 10.Фев.2013, 12:17 | Сообщение # 1
Участник
У вас сообщений: 105
медтехник
OFFлайн
Российская Федерация

Чита
Пульт аппарата пищит в выключенном состоянии, при включении пульта ошибка (К53: РЭЛЕ ЗАЩИТЫ), не сбрасывается перезагрузкой.
Официальный сервис разводит руками.
Данной ошибке, предшевствовала ошибка: (Нет излучения при 50%kV) + трубка была довольно теплой, учитывая что после включения, аппарат толком не сделал ни одного снимка + разгона ротора не было, но как оказалось разгона не было потому, что один провод из контакта реле разгона, просто был не до конца затянут

Результаты диагностики: все напряжения внорме, все предохранители целы, разгон есть, накал есть. При отключении платы EPC (автоматический контроль экспозиции и диагностика ошибок) пульт перестает пищать, включается без ошибок, разгон трубки есть, но высокого при нажатии на кнопку снимка не подается. Светодиоды на плате EPC, которые якобы должны сигнализировать о произошедшей ошибке, ничего не сигнализируют. Судя по схеме и описанию из технического руководства, реле K53 включается именно платой EPC, при чем, либо в результате произошедшей ошибки детекрируемой именно этой платой(но светодиоды на плате EPC не горят) либо по прерыванию от платы CPU(на плате CPU все светодиоды которые должны светиться - светятся, так же присутствуют сигналы на светодиодах прерываний).

Главный вопрос: В хранилище присутствуют схемы только на ProVarioRF 50 (Хотя файлы и подписаны как ProVarioRF 60), насколько схемы на 50 и 60 совпадают? Схема платы EPC вроде соответствует нашей плате. Родные схемы которые должны были остаться после установки аппарата, либо не оставил сервис, либо были утеряны.

Ну и может быть кто-то уже сталкивался с подобным случаем или у кого-то есть идеи, с чего можно начать?
Заранее благодарен за любую помощь!


Сообщение отредактировал id-053у3 - Воскресенье, 10.Фев.2013, 12:18
 
id-053у3Дата: Среда, 13.Фев.2013, 11:07 | Сообщение # 2
Участник
У вас сообщений: 105
медтехник
OFFлайн
Российская Федерация

Чита
Может быть, кто-то из тех кто видел ProVario 50 может сказать, сколько там плат управления накалом? Две как в 60-том, одна на малый фокус, другая на большой (ещё между ними 3-тья согласующая плата) или как то подругому? Заметил, что на этой согласующей плате "горит" красный светодиод, даже при отключенной плате EPC (когда генератор работал нормально, светодиод соотвественно не горел), но в схемах, что я скачал из хранилища, большой и малый фокус, вроде как с одной платы управляются.
 
id-053у3Дата: Среда, 13.Фев.2013, 11:20 | Сообщение # 3
Участник
У вас сообщений: 105
медтехник
OFFлайн
Российская Федерация

Чита
Цитата (id-053у3)
Может быть, кто-то из тех кто видел ProVario 50 может сказать, сколько там плат управления накалом? Две как в 60-том, одна на малый фокус, другая на большой (ещё между ними 3-тья согласующая плата) или как то подругому? Заметил, что на этой согласующей плате "горит" красный светодиод, даже при отключенной плате EPC (когда генератор работал нормально, светодиод соотвественно не горел), но в схемах, что я скачал из хранилища, большой и малый фокус, вроде как с одной платы управляются.


Извиняюсь, только что понял, что говорю ерунду, две платы накала у меня потому, что генератор был рассчитан на две трубки, вторую трубку вместе со скопическим местом, мы сами отрезали ибо стала не нужна, и тогда малый и большой фокус управляются одной платой накала.
 
id-053у3Дата: Понедельник, 04.Мар.2013, 16:01 | Сообщение # 4
Участник
У вас сообщений: 105
медтехник
OFFлайн
Российская Федерация

Чита
Хочется рассказать, как продвинулся с аппаратом.
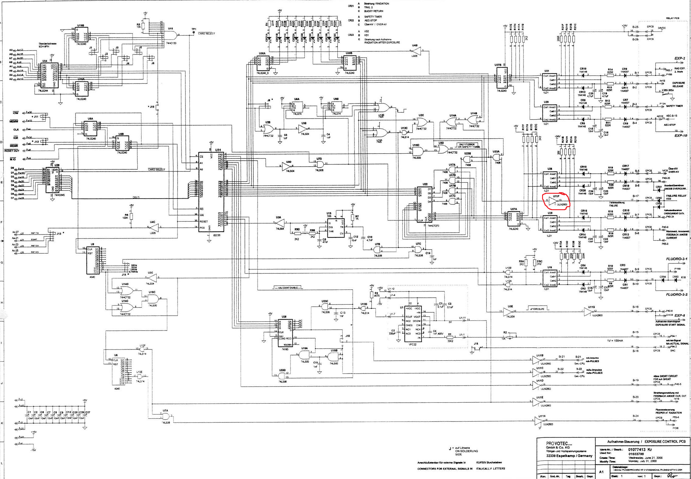
В общем, в какой-то момент пришлось звать на помощь специалистов из местной "медтехники". Ребята ткнули меня носом в микросхему ULN2003 на плате EPC(плата контроля экспозиции и чего-то там ещё), через которую включается это самое злополучное реле K53.(забавно, что я эту микросмеху сразу проверил, ничего подозрительного не увидел и просто забыл о ней думать)
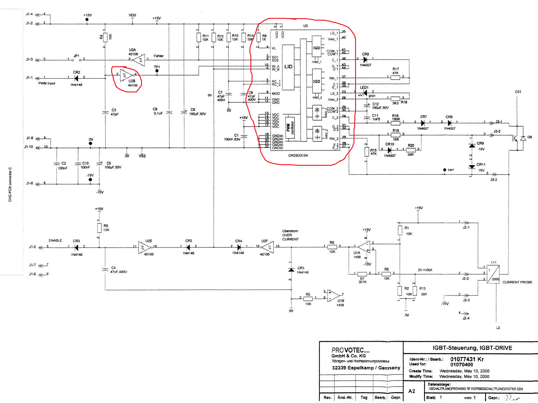
После замены микросхемы пульт стал выдавать новую ошибку: "Нет высокого при 50% kV", когда стал разбираться, почти сразу нашел пробитый инвертор в микросхеме 40106(несколько логических инверторов в одном корпусе, соответственно) на плате CHC(плата контроля прерываний), через него на плату IGBT-драйвера должен был передаваться сигнал включения, по изменению логического уровня. После замены инвертора ошибка не ушла. Пошли дальше, померили сигнал на плате IGBT-драйвера, ШИМ-на него приходил, однако на сам IGBT с с платы драйвера никаких сигналов не поступало. Оказалось сборка 2SD315A, которая впаяна акурат посередине платы драйвера - не исправна, а именно один из двух её рабочих каналов, признаков жизни вообще не подавал, у второго канала была оборвана обмотка трансформатора-гальванической развязки, обмотку восстановили, благо, что оборвана была около самой ножки, только эпоксидку чуть-чуть отковыряли и припаяли обратно. Так же, на этой плате, под замес попала ещё одна микросхема-логический инвертор 40106. Сборку 2SD315A посадили на панельку и рабочий канал подключили к схеме, просто проводами
(забыл сказать, что по совету "медтехнки" мы почти сразу поменяли трубку, благо под рукой была вторая от скопического места, первая оказалась почти сухой, стало быть точно был высоковольтный пробой и всё, что мы имеем сейчас - его последствия)
После всех этих манипуляций, наконец-то поднялось высокое и аппарат вместе со щелчком, похожим на пробой, ушел в новую ошибку: "Превышение kV".
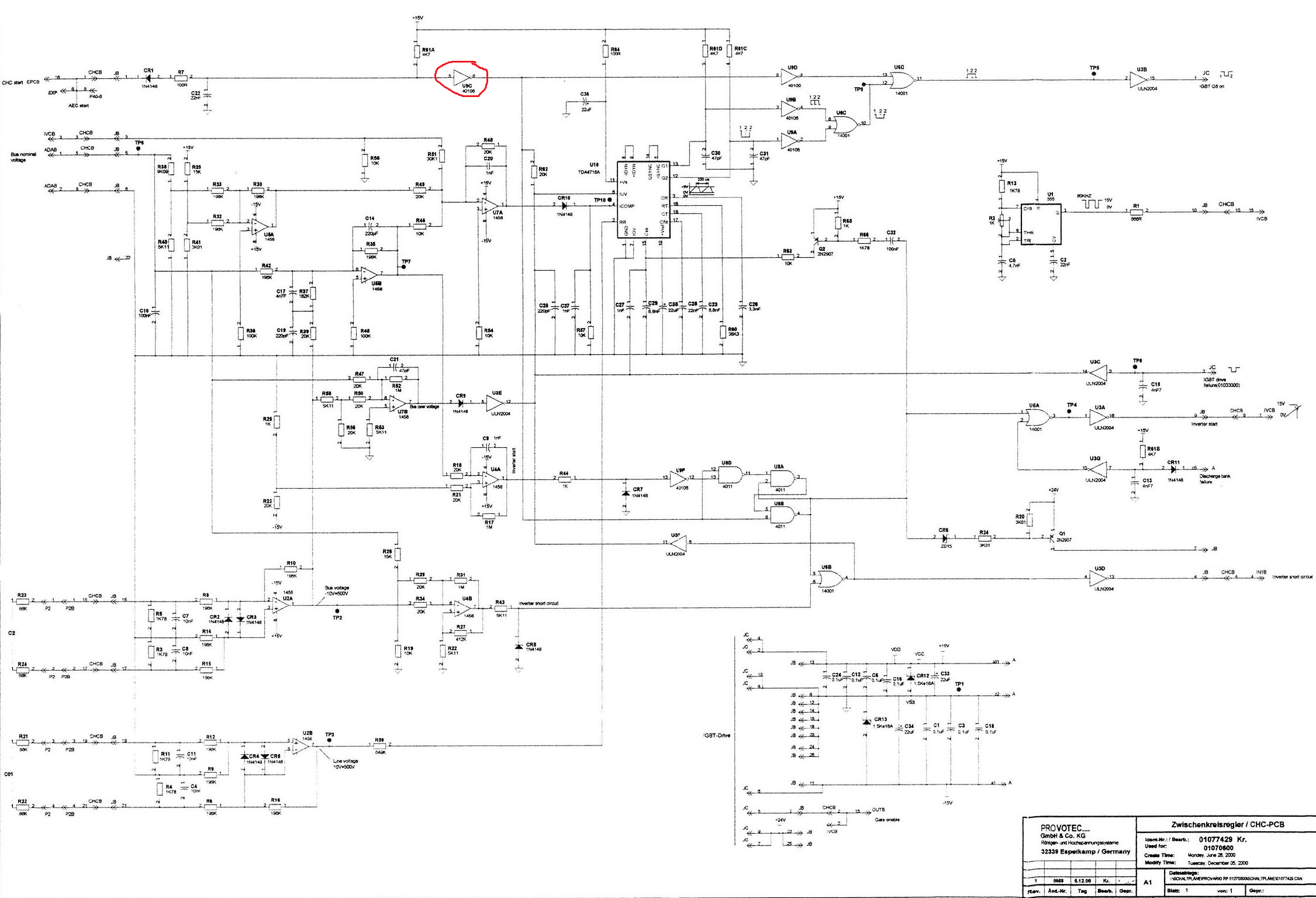
Тут снова пришлось вернуться к плате CHC, оказалось что ШИМ генератор на этой плате, который, как бы управляет IGBT-драйвером, открывает этот самый IGBT, почти на всю катушку, дажде при минимальном выставленном значении kV(скважность близка к единице, хотя если точно, то по осциллографу 0,75).
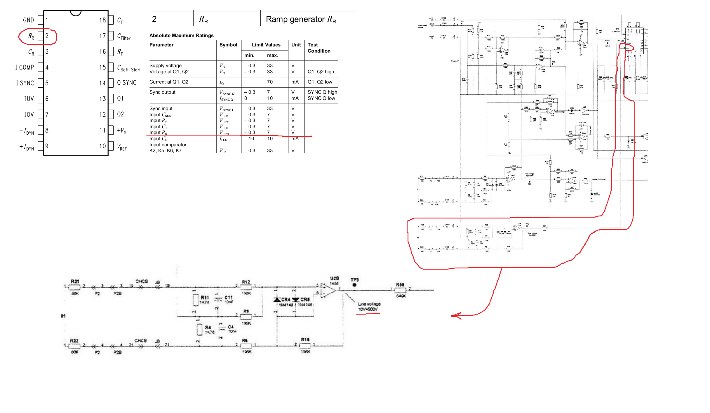
Пока застрял на этой плате, в принципе там, вроде как, ничего сложного, но смущают некоторые вещи, например на второй ножке ШИМ-генератора TDA4718A(напряжение на этой ножке вроде бы как, определяет соответствие между размахом входного напряжения и скважнойстью генерируемого сигнала), по даташиту не должно быть больше 7 вольт, а по факту, у меня там 11 воль, так мало того, по схеме там должно быть десять, что идет в разрез с даташитом
Но это то ещё бы и ладно, более всего смущает, что даже методом шаманства и всяческих манипуляций со схемой, я так скажем, смог добиться от микросхемы, ШИМа со скважностью 0,25, но и даже при такой скважности аппарат уходит в ошибку "Превышение kV". Выходит проблемы могут быть ещё и в измерительном канале и может быть ещё в инверторе, хотя вся силовая часть вроде бы работает, снимки мы получали(сильно перебитые, значит высокое есть и даже больше чем нужно).

Пока главным вопросом остается: а какой вообще, должна быть эта самая скважность, генерируемая ШИМом, для управления IGBT, в этой конкретной схеме?? Может кто-то когда-то мерил??. Завтра буду пробовать вручную, внешним потенциометром, выставлять самую маленькую скважность и смотреть, чего получится.
2643197.png (1.52 Mb) · 1748905.png (969.7 Kb) · 8721642.png (622.0 Kb) · 4932923.png (238.0 Kb) · 0843708.png (546.9 Kb)


Сообщение отредактировал id-053у3 - Понедельник, 04.Мар.2013, 16:06
 
id-053у3Дата: Среда, 06.Мар.2013, 15:10 | Сообщение # 5
Участник
У вас сообщений: 105
медтехник
OFFлайн
Российская Федерация

Чита
Товарищи, я в отчаянии! Вчера, в какой-то момент, после включения пульт выдал ошибку: "Ошибка PROM дисплея" и встал вообщем-то колом, на этом месте, в сервисный режим войти не получается. Официалы сказали, что либо действительно, что-то с микросмехой PROM дисплея, либо глючит плата цифровых входов. PROM дисплея находится на плате PIO соответственно и называется D71051C, может кто подскажет, как для этой штуки на коленке собрать программатор, для проверки?
 
AlexiumДата: Среда, 06.Мар.2013, 15:17 | Сообщение # 6
Инженер медтехник
OFFлайн
Российская Федерация

Саратов
Цитата (id-053у3)
D71051C

Это случаем не UPD71051C от NEC - аналог 82c51,
 
id-053у3Дата: Среда, 06.Мар.2013, 15:20 | Сообщение # 7
Участник
У вас сообщений: 105
медтехник
OFFлайн
Российская Федерация

Чита
Цитата (Alexium)
Это случаем не UPD71051C от NEC - аналог 82c51,


Да, она самая...
 
AlexiumДата: Среда, 06.Мар.2013, 15:34 | Сообщение # 8
Инженер медтехник
OFFлайн
Российская Федерация

Саратов
Да ей цена 3 копейки, это микросхема интерфейса RS-232, программатор дороже будет стоить. Поищите наше - КР580ВИ51.
 
id-053у3Дата: Среда, 06.Мар.2013, 15:47 | Сообщение # 9
Участник
У вас сообщений: 105
медтехник
OFFлайн
Российская Федерация

Чита
Цитата (Alexium)
Да ей цена 3 копейки
У нас в городе, в магазинах такого не нашел. Спасибо за наводку!
 
ЦЕХДата: Среда, 06.Мар.2013, 16:22 | Сообщение # 10
У вас сообщений: 262
рентгентехника
OFFлайн
Российская Федерация

Белые ночи
Привет id-053у3, посмотри мою тему по данному питалову, можа поможет. Напомню, что в моём случае также меняли 2SD315A, была мысля использовать второй канал, не стали рисковать, но горя схватил именно с УФ ПЗУхой. Прошивка в программаторе свеженькой решила вопрос bye2
 
id-053у3Дата: Среда, 06.Мар.2013, 17:23 | Сообщение # 11
Участник
У вас сообщений: 105
медтехник
OFFлайн
Российская Федерация

Чита
ЦЕХ,
Цитата (ЦЕХ)
Прошивка в программаторе свеженькой решила вопрос
а откуда брали прошивку?
 
id-053у3Дата: Среда, 06.Мар.2013, 17:39 | Сообщение # 12
Участник
У вас сообщений: 105
медтехник
OFFлайн
Российская Федерация

Чита
ЦЕХ, ЦЕХ,
Цитата (id-053у3)
ЦЕХ, Цитата, ЦЕХ Прошивка в программаторе свеженькой решила вопрос а откуда брали прошивку?
Прочитал вашу тему по этому питающему и понял, что родная микросхема у вас, покрайней мере в программаторе работа нормально, с неё вы и слили прошивку и залили в новую микросхему. А вот про 2SD315A в вашей теме, вообще ничего не сказано, может вы что-то путаете? У вас тоже сначала был пробой?
 
ЦЕХДата: Среда, 06.Мар.2013, 22:58 | Сообщение # 13
У вас сообщений: 262
рентгентехника
OFFлайн
Российская Федерация

Белые ночи
id-053у3, просто с ремонтом БП на 60кВт как то не возникло проблем biggrin ибо схемы и осцил с мультяхой в наличии. дольше ждали энтот драйвер для ИГБТхи и эта замена ты прав была на другом Электрончике и что писал пульт не помню, надо ехать поднимать журнал ТО, но точно помню, что садило вроде шину +15в именно 2SD315A.
Удачи! wink
Да, обвязку у 2SD315A тоже менял.


Сообщение отредактировал ЦЕХ - Среда, 06.Мар.2013, 23:16
 
id-053у3Дата: Среда, 20.Мар.2013, 10:17 | Сообщение # 14
Участник
У вас сообщений: 105
медтехник
OFFлайн
Российская Федерация

Чита
Цитата (id-053у3)
PROM дисплея находится на плате PIO соответственно и называется D71051C, может кто подскажет


Вообщем вот это я полный бред написал. На самом деле вся память у аппарата находится на плате CPU-PULT.
"Ошибку prom дисплея" мы вылечили загрузкой начальных настроек в микросхему памяти с батарейкой, это делается с помощью переключателя, на плате CPU-PULT, аппарат после этого конечно включился, но показал другую ошибку "UNEXPECTED TUBEPROM", что вроде как означает "ЕИЗВЕСТНЫЕ ДАННЫЕ О ТРУБКЕ", понятно, что теперь бы нам надо выбрать из соответствующей библиотеки на микросхеме памяти, нужную ман трубку, но вот беда, на пульте неактивна ни одна кнопка, тоесть светодиоды горят, а на кнопки он не отвечает, как буд-то находится в состоянии фатальной ошибки. Может кто-то сталкивался и знает как оживить пульт?
 
  • Страница 1 из 1
  • 1
Поиск:



Статистика Форума
Последние обновления тем: Новые файлы хранилища: Новые участники: Top10 участников:
1. Анализатор поля зрени...[SpirituS (04.Дек.2025)]
2. Программный комплекс ...[mqubali (04.Дек.2025)]
3. Кардиорегистратор «ИК...[albano18 (04.Дек.2025)]
4. Thermo Scientific gem...[viggen (03.Дек.2025)]
5. Центрифуга CM-6M ф.El...[Ningen64 (03.Дек.2025)]
6. Дефибриллятор Defi B ...[san-che30 (02.Дек.2025)]
7. Коллиматор Ralco R 22...[seeker (02.Дек.2025)]
8. КУПЛЮ/ПРИМУ в дар при...[seabee (02.Дек.2025)]
9. Центрифуга MiniSpin P...[AntonioPetty (01.Дек.2025)]
1. VIVIX Setup Operation...[12.Окт.2025]
2. GenwareMP[10.Сен.2025]
3. Настройка реагентов M...[20.Авг.2025]
4. Philips HD3-EXP[13.Авг.2025]
5. Рентгеновское оборудо...[08.Авг.2025]
6. VersaMed iVent201 Сер...[13.Фев.2025]
7. Гелпик КРД Ренекс РЦ ...[09.Фев.2025]
8. Офтальмологическая ус...[31.Окт.2024]
9. Cardinal-Health-VELA-...[03.Окт.2024]
10. Service Manual HAMILT...[02.Окт.2024]
1. Intellect[05.Дек.2025]
2. Romanivanov[05.Дек.2025]
3. igogoigogo[05.Дек.2025]
4. 1rishka[04.Дек.2025]
5. L_V_N[04.Дек.2025]
6. ИвановИИ[04.Дек.2025]
7. Alex_U[04.Дек.2025]
8. Yarikus03[03.Дек.2025]
9. EvaLen[03.Дек.2025]
10. dankurets[03.Дек.2025]
МастерБаку[583]
Yulana34[177]
Serg74[160]
Dimitrius[129]
naves[122]
РОМУЛ[121]
bektyish[121]
madmac[116]
Алекс-200[114]
begun_a[112]