[ Новые сообщения · Участники · Правила форума · Поиск · RSS ]



  • Страница 1 из 1
  • 1
Модератор форума: renmaster  
12ФК1 АКТЮБРЕНТГЕН 2005ГОДА
pyhДата: Среда, 27.Фев.2013, 17:40 | Сообщение # 1
Стажер
У вас сообщений: 46
начинающий техник
OFFлайн
Российская Федерация

Анжеро-Судженск
Передвижной цифровой флюрограф 12ФК1 2005 года камера "ПРИЗ-1" питающее не знаю какое, не нашёл нигде названия. Опыта сравнить нет. Без всякой системы при нажатии кнопки снимка выскакивает окошко "сообщение системы АРКОМ отмена снимка" . Следующая серия снимков проходит штатно Затем от одного до десяти сбоев и опять работает. Кнопка снимков заменена, концевые на двери так-же, прочищены все разъёмы и плата под ноутбуком. Результата нет. Если свернуть программу, то в окне "fluro 2000" появляется надпись "eror--255769512" меняются только последние три цифры. Программа версия 7.1.4.с. Если кто подобное встречал, не посчитайте зазорным подсказать в каком направлении искать?
 
Алекс-200Дата: Среда, 27.Фев.2013, 19:40 | Сообщение # 2
У вас сообщений: 1200
Инженер
OFFлайн
Российская Федерация

Самара
pyh, на ОДНОЙ странице раздела Вы создаёте аналогичную тему. Ознакомьтесь с тем, что было на сайте по этому аппарату - может быть проблема Ваша не нова и решение уже известно.
 
pyhДата: Четверг, 28.Фев.2013, 19:01 | Сообщение # 3
Стажер
У вас сообщений: 46
начинающий техник
OFFлайн
Российская Федерация

Анжеро-Судженск
Уважаемый Алекс-200, я просматривал тему по 12ФК1, там проблемы с качеством снимка, и если у них есть так называемый молекулярный накопитель, обратил-бы на него внимание. У нас стоит проскан 7000 с подобной неисправностью. В моём-же случае сбой происходит В НАЧАЛЕ подготовки, ещё до того как закроется дверь. Отключение двери выключателем картины не меняет.
 
terbunyДата: Четверг, 28.Фев.2013, 19:52 | Сообщение # 4
Завсегдатай
У вас сообщений: 230
рентгенотехник
OFFлайн
Российская Федерация

Россия
А фотографию питающего можно посмотреть?
 
Алекс-200Дата: Пятница, 01.Мар.2013, 12:51 | Сообщение # 5
У вас сообщений: 1200
Инженер
OFFлайн
Российская Федерация

Самара
Цитата (pyh)
Отключение двери выключателем картины не меняет.
В начале подготовки срабатывает пускатель. Скорее всего, "ноги" растут от него.
 
pyhДата: Пятница, 01.Мар.2013, 16:17 | Сообщение # 6
Стажер
У вас сообщений: 46
начинающий техник
OFFлайн
Российская Федерация

Анжеро-Судженск
фото попробую сделать в понедельник.
пускатель не искрит, контакты чистые. Да и главный пускатель срабатывает после закрытия двери, при втором положении кнопки снимка.
 
shraДата: Суббота, 02.Мар.2013, 16:01 | Сообщение # 7
Стажер
У вас сообщений: 43
Сервис - инженер
OFFлайн
Казахстан

Петропавловск
Цитата (pyh)
Передвижной цифровой флюрограф 12ФК1 2005 года камера "ПРИЗ-1"


Если я правильно понял, то при нажатии снимка дверь закрывается до конца либо не до конца, при этом снимка не происходит и дверь возврощается назад?
Если так то получается "проподает готовность" чаще всего бывает из-за кнопки "снимка", шевелишь ее и сопротивление может менятся от нуля до нескольких сотен Ом(у плохой кнопки), но раз вы ее заменили полностью, значит отподает! Но суть осталась та же раз дверь идет назад значит реле К4 отключается, и если не из за кнопки, то имеет смысл проверить "готовность" идущая с компьютера и всю чепочку V4, работу транзисторов V6, V8 и реле К4, проверить питание!!! Либо с компьютера готовность проподает либо в цепочке проподает!
 
pyhДата: Понедельник, 04.Мар.2013, 21:46 | Сообщение # 8
Стажер
У вас сообщений: 46
начинающий техник
OFFлайн
Российская Федерация

Анжеро-Судженск
Реле в блоке со светодиодом "запрет" заменил. U- питания стабильны, на всякий случай электролиты заменил. Транзисторы так хаотично и именно в начале закрытия двери обрываются вряд-ли, режим работы у них лёгкий. Большое подозрение на сбой в программе, но ничего нет, ни дисков,ни схем. Больница у нас не большая, работаю в штате больницы. Если у кого есть версия программы, указанной в начале, скиньте пожалуйста. Попробую заменить. Несколько фото питающего сделал, целиком мешает стенка будки.
9569557.jpg (113.2 Kb) · 6262680.jpg (111.1 Kb) · 4143902.jpg (112.0 Kb) · 6086614.jpg (113.2 Kb) · 9671107.jpg (110.8 Kb) · 8313784.jpg (111.2 Kb)
 
shraДата: Понедельник, 04.Мар.2013, 22:28 | Сообщение # 9
Стажер
У вас сообщений: 43
Сервис - инженер
OFFлайн
Казахстан

Петропавловск
Цитата (pyh)
Реле в блоке со светодиодом "запрет" заменил. U- питания стабильны, на всякий случай электролиты заменил.

Ну вобщем то нет смысла менять все подряд, однозначно отключается реле К4 вот и нужно проследить из за чего, прибором встать на "готовность" идущую с компа и делать снимок и т.д. по цепочке до К4 причина вылезет(в каком месте проподает сигнал)
По поводу программы, врядли это из за нее! У вас оказывается "докстанция" стоит в которую компьютер втыкается, у нас таких уже давно нет)), у них кстати один постояный "косяк" был, сзади встовляются многопиновые разьемы в плату адаптера (по моему верхний разьем его на фото видно) а эта плата вставлена в шину PCI и вот она от туда бывало на 1;2мм вылазила, аппарат собственно начинал выдавать всякие глюки(разбирать и собирать докстанцию тяжкот но проверить стоит)! Короче вам полюбому нужно определится либо с компьютера готовность проподает, тогда с компом разбираться, либо с аппаратом!
Кстати по поводу программы, сейчас скинуть немогу, завтра вечером постораюсь, и схемку скину!
 
terbunyДата: Вторник, 05.Мар.2013, 19:12 | Сообщение # 10
Завсегдатай
У вас сообщений: 230
рентгенотехник
OFFлайн
Российская Федерация

Россия
Проверь резистор на этой плате, должно быть 50 Ом.
9176555.jpg (53.0 Kb)
 
shraДата: Вторник, 05.Мар.2013, 21:32 | Сообщение # 11
Стажер
У вас сообщений: 43
Сервис - инженер
OFFлайн
Казахстан

Петропавловск
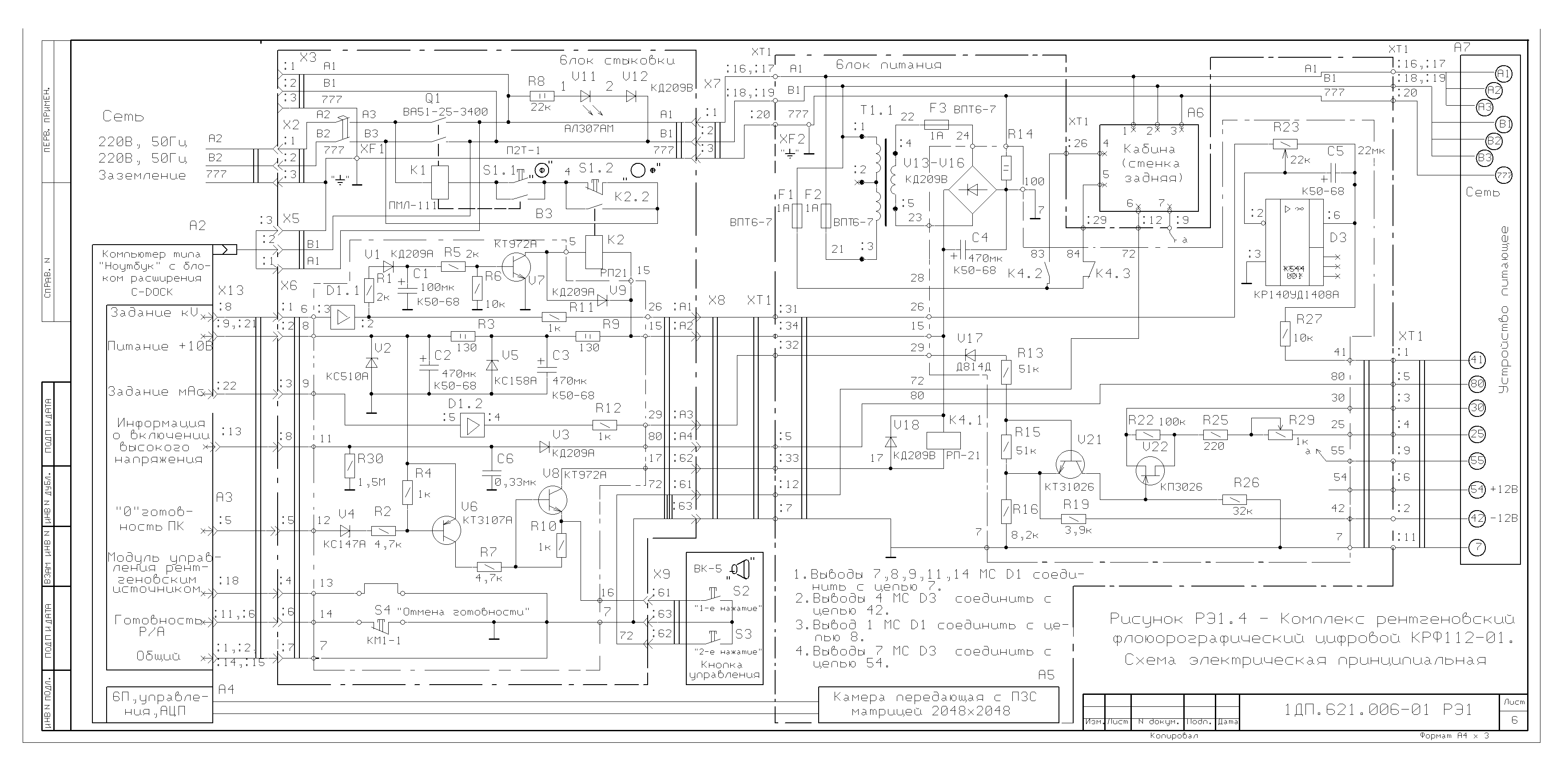
pyh, вот схемка, программу скинуть немогу, пишет какую то ошибку, программа весит около 300МБ может слишком много! Напишите свой почтовый адрес могу скинуть на него! Схемку скинте себе на компьютер, в браузере очень плохо она отображается!
12FK1-O3.bmp (739.3 Kb)


Сообщение отредактировал shra - Вторник, 05.Мар.2013, 21:35
 
michail44Дата: Среда, 06.Мар.2013, 12:19 | Сообщение # 12
Участник
У вас сообщений: 133
рентгентехник
OFFлайн
Казахстан

семипалатинск
Абсолютно согласен с shra по поводу докстанции!Довольно пакостное сооружение!В первую очередь необходимо проверить разъемы.А программа здесь абсолютно не причем!Все дело в контактах.
 
pyhДата: Среда, 06.Мар.2013, 18:04 | Сообщение # 13
Стажер
У вас сообщений: 46
начинающий техник
OFFлайн
Российская Федерация

Анжеро-Судженск
michail44, Докстанцию разбирал, там обычно плата вываливается из разъёма или окисляются контакты. У нас плата зафиксирована дополнительными клиньями.
 
pyhДата: Среда, 06.Мар.2013, 18:10 | Сообщение # 14
Стажер
У вас сообщений: 46
начинающий техник
OFFлайн
Российская Федерация

Анжеро-Судженск
terbuny, проверю, отпишусь.
 
РентгеномеханикДата: Понедельник, 11.Мар.2013, 14:46 | Сообщение # 15
Участник
У вас сообщений: 72
инженер по рентген технике
OFFлайн
Казахстан

Актобе
плату на приводе двери проверяли?
 
pyhДата: Понедельник, 11.Мар.2013, 20:24 | Сообщение # 16
Стажер
У вас сообщений: 46
начинающий техник
OFFлайн
Российская Федерация

Анжеро-Судженск
Прошу прощения за задержку ответов. ...аппарат заработал сам. 3 дня работает как новый. Всё равно откажет, но тему пока закрываю. Всем большое спасибо.
 
  • Страница 1 из 1
  • 1
Поиск:



Статистика Форума
Последние обновления тем: Новые файлы хранилища: Новые участники: Top10 участников:
1. Помощь в техобслужива...[dzyatel (29.Май.2026)]
2. Аппараты НЧ электроте...[aleksan (28.Май.2026)]
3. При операции с примен...[susel63 (28.Май.2026)]
4. Техническая поддержка...[UPZ (25.Май.2026)]
5. MOVIPLAN (УниКоРД-МТ)...[SpirituS (24.Май.2026)]
6. Аппарат магнитотерапе...[SpirituS (24.Май.2026)]
7. Стоматустановка K3 ф....[zizeroman (24.Май.2026)]
8. Анализатор гематологи...[fred1 (22.Май.2026)]
9. ЭХВЧ-400 ск-"Ник...[Olegosh (21.Май.2026)]
1. Apollo EZ service man...[25.Дек.2025]
2. VIVIX Setup Operation...[12.Окт.2025]
3. GenwareMP[10.Сен.2025]
4. Настройка реагентов M...[20.Авг.2025]
5. Philips HD3-EXP[13.Авг.2025]
6. Рентгеновское оборудо...[08.Авг.2025]
7. VersaMed iVent201 Сер...[13.Фев.2025]
8. Гелпик КРД Ренекс РЦ ...[09.Фев.2025]
9. Офтальмологическая ус...[31.Окт.2024]
10. Cardinal-Health-VELA-...[03.Окт.2024]
1. defoo[31.Май.2026]
2. Gotim[30.Май.2026]
3. SEMENMS[30.Май.2026]
4. partyman1122[30.Май.2026]
5. Julia_Howlter[30.Май.2026]
6. Medtehaktauarsen[30.Май.2026]
7. artudav[30.Май.2026]
8. Астим[30.Май.2026]
9. RomanGrek[30.Май.2026]
10. vapinic[29.Май.2026]
МастерБаку[583]
Yulana34[177]
Serg74[160]
Dimitrius[129]
naves[122]
РОМУЛ[121]
bektyish[121]
madmac[116]
Алекс-200[114]
генаf[112]