[ Новые сообщения · Участники · Правила форума · Поиск · RSS ]



  • Страница 1 из 1
  • 1
Модератор форума: renmaster  
КРД-"ОКО" (Штатив Listem)
webfoxДата: Четверг, 21.Мар.2013, 00:19 | Сообщение # 1
Участник
У вас сообщений: 144
стажер
OFFлайн
Российская Федерация

Китай
возникла проблема. кнопки управлением стола работают все .но стол не ложится а идет до 30 градусов. потом 3-4 раза дергается (если кнопку не отпускать) и встает. весь стол перепахал. причем заметил что стол останавливается и без сигналов с промежуточных концевиков на 45 градусов на барабане . управление релейное . стол 2003 г.в . мене эта корейская кибернетика весь мозг вынесла уже. ireful
фото плат выложу позже
приходиться вручную перебрасывать концы на инверторе что-бы положить стол
на каждое реле подавал отдельно 24 вольта - срабатывают проверял прозвонкой. неделю бьюсь, транзисторы,диоды все целые.два раза ударило током,думал мозги прояснятся shok ,не помогло biggrin
5676151.jpg (274.3 Kb) · 5556186.jpg (248.4 Kb)


Сообщение отредактировал webfox - Четверг, 21.Мар.2013, 11:00
 
id-053у3Дата: Четверг, 21.Мар.2013, 03:43 | Сообщение # 2
Участник
У вас сообщений: 105
медтехник
OFFлайн
Российская Федерация

Чита
Цитата (webfox)
возникла проблема. кнопки управлением стола работают все .но стол не ложится а идет до 30 градусов. потом 3-4 раза дергается (если кнопку не отпускать) и встает. весь стол перепахал. причем заметил что стол останавливается и без сигналов с промежуточных концевиков на 45 градусов на барабане . управление релейное . стол 2003 г.в . мене эта корейская кибернетика весь мозг вынесла уже. фото плат выложу позже


Если что, у меня есть такой разобранный стол от аппарата, с которым я мучаюсь в соседней ветке форума, все платы концевики и потенциометры могут отдать почти даром...а ремонтировать мне его не приходилось, так что где там чего я не знаю...
 
vadmorozДата: Четверг, 21.Мар.2013, 05:29 | Сообщение # 3
Участник
У вас сообщений: 217
медтехник
OFFлайн
Российская Федерация

Похоже проблема в реле,если концевые выключатели исправны
 
les_nik_178Дата: Четверг, 21.Мар.2013, 15:23 | Сообщение # 4
У вас сообщений: 1094
Медтехник
OFFлайн
Российская Федерация

Far East
Вот такая схема?
0008278.jpg (235.4 Kb)
 
webfoxДата: Пятница, 22.Мар.2013, 00:02 | Сообщение # 5
Участник
У вас сообщений: 144
стажер
OFFлайн
Российская Федерация

Китай
нет...схема у меня есть.
 
les_nik_178Дата: Пятница, 22.Мар.2013, 03:06 | Сообщение # 6
У вас сообщений: 1094
Медтехник
OFFлайн
Российская Федерация

Far East
Цитата (webfox)
нет...схема у меня есть.

А на "TABLE DRIVE PCB (A3-73630-108)" схема есть?

У меня с этим столом была заморочка-
Перетерся провод в подвижной панели (в которую вставляется кассета)
Там микрик парковки. Провода от него внутри кожуха коротили на корпус.
2960925.jpg (61.7 Kb) · 8043471.jpg (8.9 Kb)
 
les_nik_178Дата: Пятница, 22.Мар.2013, 03:10 | Сообщение # 7
У вас сообщений: 1094
Медтехник
OFFлайн
Российская Федерация

Far East
Если стол 3-4 раза дергается и встает то смотри провода.
Или перетерлась изоляция и провода коротят или переломились на изгибах.
На изгибах проверь. Попытайся перевести изгибы на другие положения провода.
 
Polo11Дата: Пятница, 22.Мар.2013, 08:24 | Сообщение # 8
У вас сообщений: 582
рентген
OFFлайн
Российская Федерация

русский
Начните с простого. Проверьте положение деки стола. Если дека будет находиться ниже центрального положения (или мозги будут думать что она ниже центра опущена), то стол ниже определенного угла не пойдет. Такая вот задумана защита от удара в пол. Попробуйте деку вывести вверх, возможно в этом причина.
 
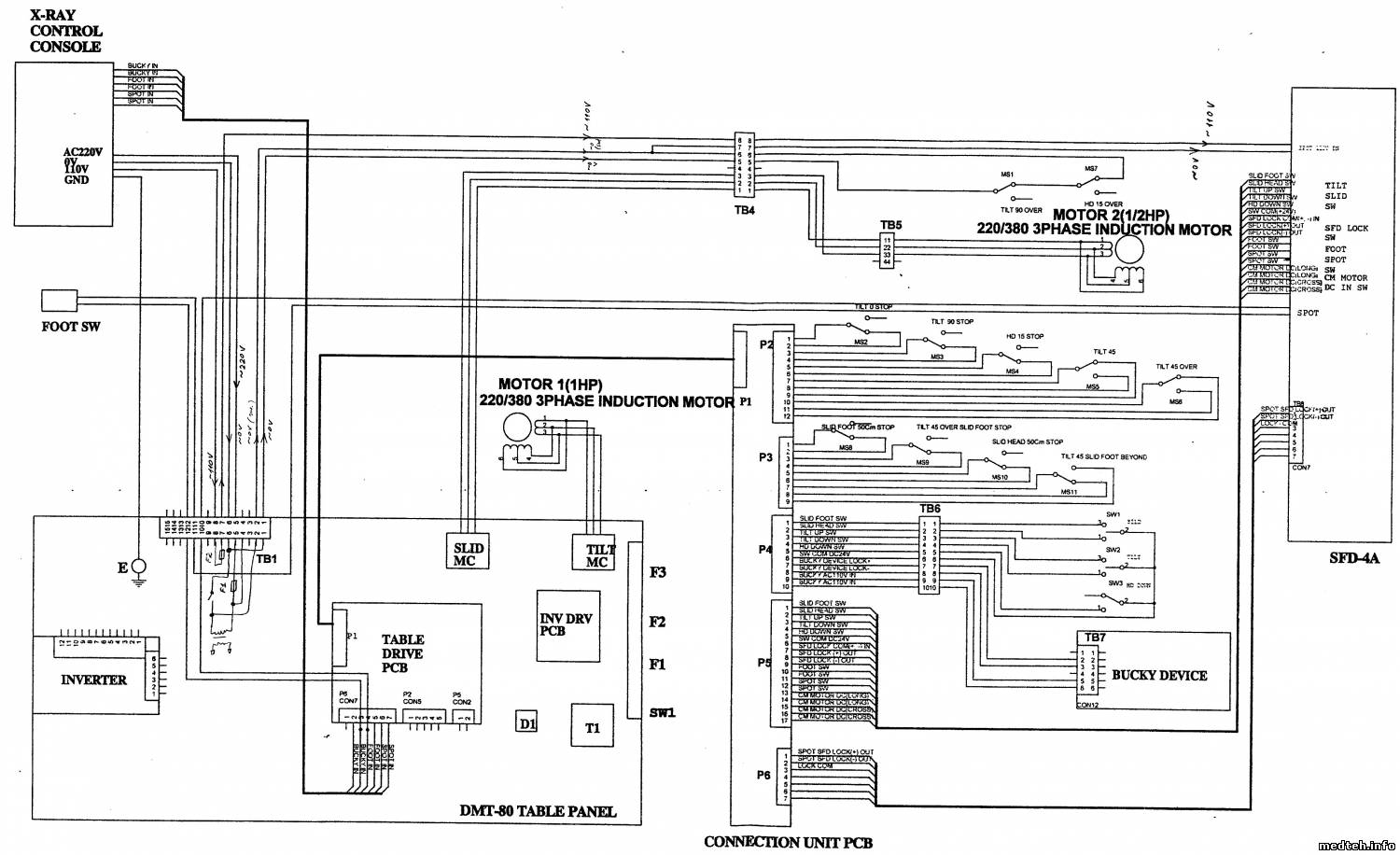
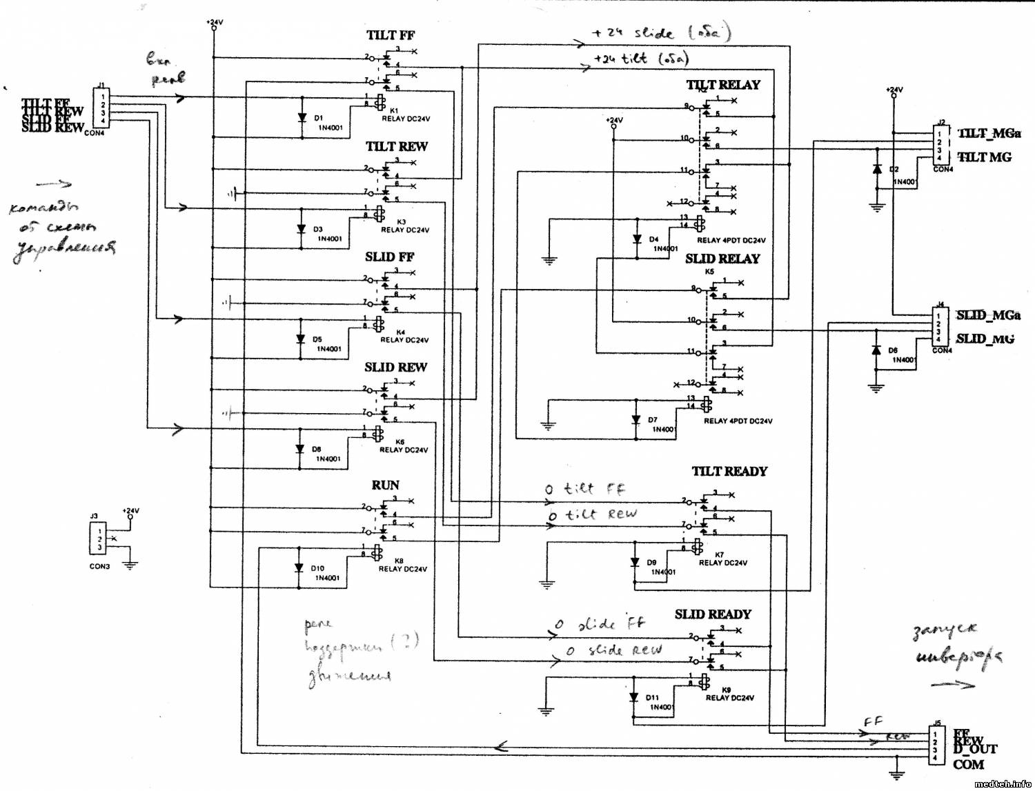
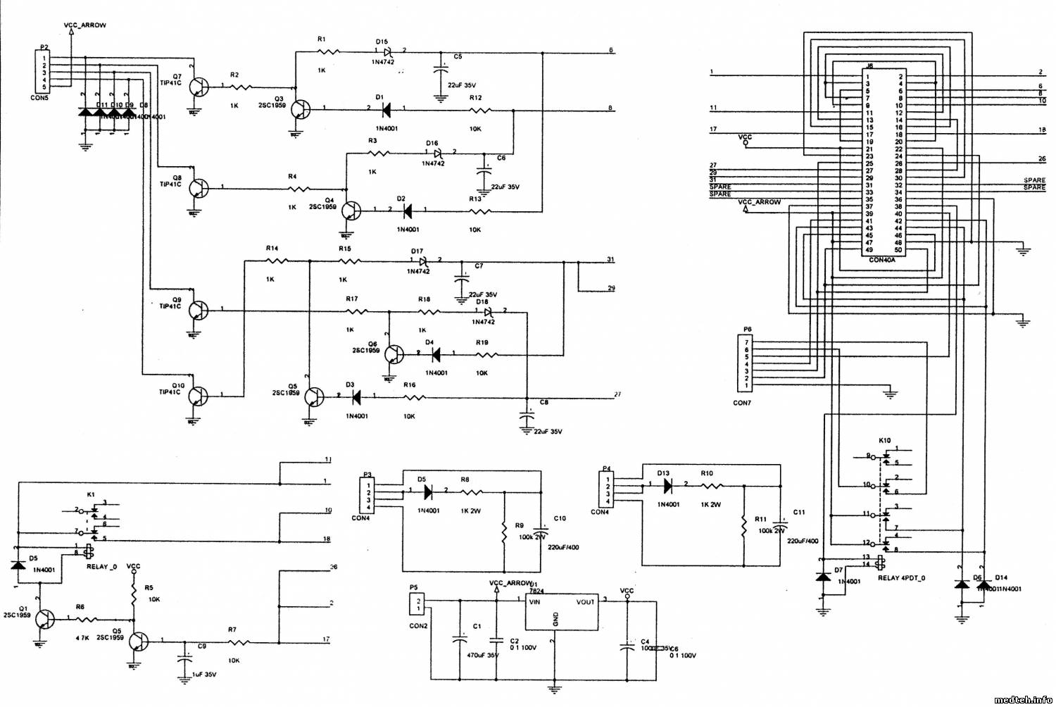
webfoxДата: Понедельник, 25.Мар.2013, 11:35 | Сообщение # 9
Участник
У вас сообщений: 144
стажер
OFFлайн
Российская Федерация

Китай
схемы на стол
6499090.jpg (171.9 Kb) · 3537185.jpg (147.8 Kb) · 5175512.jpg (168.4 Kb) · 1680297.jpg (236.0 Kb)
 
  • Страница 1 из 1
  • 1
Поиск:



Статистика Форума
Последние обновления тем: Новые файлы хранилища: Новые участники: Top10 участников:
1. Замена светодиода на ...[Shturman (05.Дек.2025)]
2. Анализатор поля зрени...[SpirituS (04.Дек.2025)]
3. Программный комплекс ...[mqubali (04.Дек.2025)]
4. Кардиорегистратор «ИК...[albano18 (04.Дек.2025)]
5. Thermo Scientific gem...[viggen (03.Дек.2025)]
6. Центрифуга CM-6M ф.El...[Ningen64 (03.Дек.2025)]
7. Дефибриллятор Defi B ...[san-che30 (02.Дек.2025)]
8. Коллиматор Ralco R 22...[seeker (02.Дек.2025)]
9. КУПЛЮ/ПРИМУ в дар при...[seabee (02.Дек.2025)]
1. VIVIX Setup Operation...[12.Окт.2025]
2. GenwareMP[10.Сен.2025]
3. Настройка реагентов M...[20.Авг.2025]
4. Philips HD3-EXP[13.Авг.2025]
5. Рентгеновское оборудо...[08.Авг.2025]
6. VersaMed iVent201 Сер...[13.Фев.2025]
7. Гелпик КРД Ренекс РЦ ...[09.Фев.2025]
8. Офтальмологическая ус...[31.Окт.2024]
9. Cardinal-Health-VELA-...[03.Окт.2024]
10. Service Manual HAMILT...[02.Окт.2024]
1. Dvish[05.Дек.2025]
2. Intellect[05.Дек.2025]
3. Romanivanov[05.Дек.2025]
4. igogoigogo[05.Дек.2025]
5. 1rishka[04.Дек.2025]
6. L_V_N[04.Дек.2025]
7. ИвановИИ[04.Дек.2025]
8. Alex_U[04.Дек.2025]
9. Yarikus03[03.Дек.2025]
10. EvaLen[03.Дек.2025]
МастерБаку[583]
Yulana34[177]
Serg74[160]
Dimitrius[129]
naves[122]
РОМУЛ[121]
bektyish[121]
madmac[116]
Алекс-200[114]
begun_a[112]