[ Новые сообщения · Участники · Правила форума · Поиск · RSS ]



  • Страница 1 из 1
  • 1
Модератор форума: renmaster  
POLYDOROS IT
saddam-095Дата: Вторник, 04.Фев.2014, 17:54 | Сообщение # 1
Завсегдатай
У вас сообщений: 269
электромеханик
OFFлайн
Российская Федерация

гудермес
добрый день уважаемые коллеги. сей аппарат находится в селении где часто отключают электричество после очередного отключения трубка перестала двигаться индикации тоже нет(отсутствует напряжение). схем тоже нет. включил аппарат начал смотреть отключили электричество, проверил предохранители которые нашел целы, не дождавшись электричества я уехал. уважаемые друзья коллеги помогите разобраться :unknown:не помешает любая помощь. может кто сталкивался и есть схема. буду очень благодарен. чуть не забыл снимки при этом аппарат делает.

Сообщение отредактировал saddam-095 - Понедельник, 17.Фев.2014, 12:25
 
M-IshevskДата: Среда, 05.Фев.2014, 08:52 | Сообщение # 2
Завсегдатай
У вас сообщений: 258
рентгентехник
OFFлайн
Российская Федерация

Ижевск
Трубка перестала двигаться? В каком конкретном направлении? Верх/низ? Или колонна вся не ездит? Аппарат какой? Multix Pro, Multix Compact C или еще какой.
В этом случае неисправность надо искать в столе а не в РПУ.
 
saddam-095Дата: Среда, 05.Фев.2014, 13:08 | Сообщение # 3
Завсегдатай
У вас сообщений: 269
электромеханик
OFFлайн
Российская Федерация

гудермес
в горизонтально колонна с трубкой движется в ручную(катится) а поворот трубки в градусах вокруг своей оси приводится электроприводом с блока управления оператора, так на этом блоке отсутствуют признаки жизни. аппарат называется Multix Pro 2007г выпуска.

Сообщение отредактировал saddam-095 - Среда, 05.Фев.2014, 13:25
 
saddam-095Дата: Среда, 05.Фев.2014, 13:28 | Сообщение # 4
Завсегдатай
У вас сообщений: 269
электромеханик
OFFлайн
Российская Федерация

гудермес
unknown wink ireful и тишина а мне завтра туда ехать
 
M-IshevskДата: Четверг, 06.Фев.2014, 08:45 | Сообщение # 5
Завсегдатай
У вас сообщений: 258
рентгентехник
OFFлайн
Российская Федерация

Ижевск
А ты думаешь я весь день на месте сижу? mail1 Тормоза вообще работают? Или на колонне тормоза пропали? У нас имеется несколько Multix Pro как раз 2007 г.
Электропривод на поворот трубки работает на них только в режиме томографии. При обычных снимках - вручную. А вообще надо бы с собой ноут с программкой. Подключаешь к столу и смотришь ошибки, да и протестировать можно работу всех тормозов и приводов.
 
saddam-095Дата: Четверг, 06.Фев.2014, 12:37 | Сообщение # 6
Завсегдатай
У вас сообщений: 269
электромеханик
OFFлайн
Российская Федерация

гудермес
тормозов не было,
 
M-IshevskДата: Четверг, 06.Фев.2014, 14:20 | Сообщение # 7
Завсегдатай
У вас сообщений: 258
рентгентехник
OFFлайн
Российская Федерация

Ижевск
Значит ищем проблемы в колонне или столе. Снимаем крышки с основания стола, там есть большая плата - проверяем на ней предохранители и диодные мосты.
Еще есть платы в кронштейне трубки, там тоже предохранители. Так же на большой плате в столе есть надстройка, на ней еще две платы, на одной имеется цифровой индикатор, отображающий код ошибки. Надеюсь, что большие синие книжки не утеряли biggrin
 
saddam-095Дата: Четверг, 06.Фев.2014, 14:52 | Сообщение # 8
Завсегдатай
У вас сообщений: 269
электромеханик
OFFлайн
Российская Федерация

гудермес
говоря наладили электричество, завтра поеду разбираться...
 
saddam-095Дата: Суббота, 08.Фев.2014, 01:17 | Сообщение # 9
Завсегдатай
У вас сообщений: 269
электромеханик
OFFлайн
Российская Федерация

гудермес
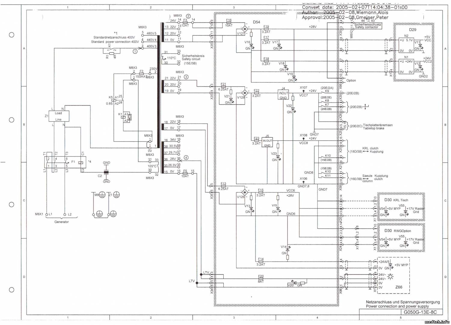
обнаружил сгоревший F16, замена ничего не дала. путем исключения остановился па плате D29. уважаемые коллеги может есть у кого схема или знает слабое место на этой плате. nea
 
saddam-095Дата: Суббота, 08.Фев.2014, 02:54 | Сообщение # 10
Завсегдатай
У вас сообщений: 269
электромеханик
OFFлайн
Российская Федерация

гудермес
обведено то что показывает кз. что за элемент под стрелкой???
9045343.jpg (355.0 Kb)
 
M-IshevskДата: Понедельник, 10.Фев.2014, 08:36 | Сообщение # 11
Завсегдатай
У вас сообщений: 258
рентгентехник
OFFлайн
Российская Федерация

Ижевск
Все понятно. К сожалению опыта ремонта этих плат нет. И подробные схемы вы вряд ли найдете. Как меня заверял инженер в московском Сименсе таких схем нет даже у них. Они просто меняют плату целиком, а неисправную отправляют nach Deutschland.
 
ohotnik08Дата: Понедельник, 10.Фев.2014, 13:23 | Сообщение # 12
Заглянувший
У вас сообщений: 3
инженер
OFFлайн
Российская Федерация

Прокопьевск
Мы у себя проблему решили просто. Сходили в магазин купили блок питания 24V эдак на 3-5 ампер и весь блок питания на плате D29 просто исключили.
Не молотком так кувалдой......
 
saddam-095Дата: Вторник, 11.Фев.2014, 11:34 | Сообщение # 13
Завсегдатай
У вас сообщений: 269
электромеханик
OFFлайн
Российская Федерация

гудермес
коллеги а можно подробней ??? про блок питания??? unknown
 
saddam-095Дата: Вторник, 11.Фев.2014, 12:21 | Сообщение # 14
Завсегдатай
У вас сообщений: 269
электромеханик
OFFлайн
Российская Федерация

гудермес
выпоял эти элементы и кз пропало. начал узнавать где можно приобрести ireful только под заказ и ждать х.з. сколько ждать. и не факт что проблема решиться заменой двух транзюков. мысль с заменой бп с отключением данного очень понравилась, но не имея схемы nea друзья если у кого есть опыт поделитесь пжлт буду оч благодарен.
3281587.jpg (10.4 Kb)
 
andrew2709Дата: Вторник, 11.Фев.2014, 12:44 | Сообщение # 15
Участник
У вас сообщений: 149
инженер по медоборудованию
OFFлайн
Российская Федерация

Екатеринбург
а куда подробнее? покупаешь БП 220- 24В, 5А= и ставишь ВМЕСТО.
 
saddam-095Дата: Вторник, 11.Фев.2014, 16:50 | Сообщение # 16
Завсегдатай
У вас сообщений: 269
электромеханик
OFFлайн
Российская Федерация

гудермес
24в с платы D54 есть но из-за кз на плате D29 горить предохранитель F16 на плате D54. зачем нужен второй БП??? или я чегото не догоняю???
 
ohotnik08Дата: Вторник, 11.Фев.2014, 22:30 | Сообщение # 17
Заглянувший
У вас сообщений: 3
инженер
OFFлайн
Российская Федерация

Прокопьевск
Там должно приходить на плату D29 28 вольт точно не помню. А дальше за дело берется сама плата и делает 24 в.
6823174.jpeg (175.0 Kb)


Сообщение отредактировал ohotnik08 - Вторник, 11.Фев.2014, 22:51
 
saddam-095Дата: Вторник, 11.Фев.2014, 23:10 | Сообщение # 18
Завсегдатай
У вас сообщений: 269
электромеханик
OFFлайн
Российская Федерация

гудермес
получаеться это схема стабилизации... я кажется видел подобное решение. как то приехал на вызов жалоба была что не работае стол и все остальное что связано с платой D54 тогда в столе сработала защита(перевел велючатель в положение вкл) тогда я обратил внимание на здоровенный трансформатор кот безобразно был прикреплен на коллонну прямо над платой D29 тогда я не понял зачем это... nea
 
M-IshevskДата: Среда, 12.Фев.2014, 08:36 | Сообщение # 19
Завсегдатай
У вас сообщений: 258
рентгентехник
OFFлайн
Российская Федерация

Ижевск
Цитата saddam-095 ()
обведено то что показывает кз. что за элемент под стрелкой???
9045343.jpg(355Kb)

судя по фото из строя вышла цепь преобразования для 5В. А F16 горит скорее всего из-за пробоя диодного моста V127.
Обычно бывает так.


Сообщение отредактировал M-Ishevsk - Среда, 12.Фев.2014, 08:37
 
saddam-095Дата: Среда, 12.Фев.2014, 10:43 | Сообщение # 20
Завсегдатай
У вас сообщений: 269
электромеханик
OFFлайн
Российская Федерация

гудермес
цепь питания 5в цела, вышла из строя цепь питания 24в. на фото видно выпаяные транзюки, получается блок питания уже отсечен. куда теперь подавать + и - 24в??? подскажите пжлст ireful
5423083.jpg (184.9 Kb)
 
saddam-095Дата: Понедельник, 17.Фев.2014, 12:24 | Сообщение # 21
Завсегдатай
У вас сообщений: 269
электромеханик
OFFлайн
Российская Федерация

гудермес
спасибо всем кто участвовал помогал. решение проблемы подключением бп 24в оказалось не очень простым, имеет свои нюансы.
 
  • Страница 1 из 1
  • 1
Поиск:



Статистика Форума
Последние обновления тем: Новые файлы хранилища: Новые участники: Top10 участников:
1. Помощь в техобслужива...[dzyatel (29.Май.2026)]
2. Аппараты НЧ электроте...[aleksan (28.Май.2026)]
3. При операции с примен...[susel63 (28.Май.2026)]
4. Техническая поддержка...[UPZ (25.Май.2026)]
5. MOVIPLAN (УниКоРД-МТ)...[SpirituS (24.Май.2026)]
6. Аппарат магнитотерапе...[SpirituS (24.Май.2026)]
7. Стоматустановка K3 ф....[zizeroman (24.Май.2026)]
8. Анализатор гематологи...[fred1 (22.Май.2026)]
9. ЭХВЧ-400 ск-"Ник...[Olegosh (21.Май.2026)]
1. Apollo EZ service man...[25.Дек.2025]
2. VIVIX Setup Operation...[12.Окт.2025]
3. GenwareMP[10.Сен.2025]
4. Настройка реагентов M...[20.Авг.2025]
5. Philips HD3-EXP[13.Авг.2025]
6. Рентгеновское оборудо...[08.Авг.2025]
7. VersaMed iVent201 Сер...[13.Фев.2025]
8. Гелпик КРД Ренекс РЦ ...[09.Фев.2025]
9. Офтальмологическая ус...[31.Окт.2024]
10. Cardinal-Health-VELA-...[03.Окт.2024]
1. Gotim[30.Май.2026]
2. SEMENMS[30.Май.2026]
3. partyman1122[30.Май.2026]
4. Julia_Howlter[30.Май.2026]
5. Medtehaktauarsen[30.Май.2026]
6. artudav[30.Май.2026]
7. Астим[30.Май.2026]
8. RomanGrek[30.Май.2026]
9. vapinic[29.Май.2026]
10. wenderer861[28.Май.2026]
МастерБаку[583]
Yulana34[177]
Serg74[160]
Dimitrius[129]
naves[122]
РОМУЛ[121]
bektyish[121]
madmac[116]
Алекс-200[114]
генаf[112]